Deutsch
Zeit: 2025/06/16
Durchsuchen: 4,597

Abbildung 1. Spannungsregler
Elektronische Geräte erfordern eine stabile Spannungsversorgung, um zuverlässig zu arbeiten, selbst wenn die Eingangsspannung oder Lastbedingungen schwanken.Ein Spannungsregler gewährleistet einen konsistenten Ausgang, indem entweder der interne Widerstand (lineare Regulatoren) oder das Schalten von Energiespeicherelementen (Schaltregulatoren) eingestellt werden.
Von Computern und Smartphones bis hin zu Automobilsystemen und Kommunikationsgeräten werden Spannungsregulatoren benötigt, um die Schaltkreise vor Spannungsinstabilität zu schützen, wodurch die Leistung verbessert und die Lebensdauer der Komponenten verlängert wird.
Spannungsregulatoren fallen in zwei Hauptkategorien: linear und schaltet.Jedes dient unterschiedlichen Anforderungen an Strom, Lärm und Effizienz.

Abbildung 2. Lineare Regulatoren
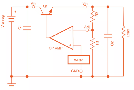
Lineare Regulierungsbehörden bieten einen sauberen DC-Ausgang mit geringem DC, indem überschüssige Spannung als Wärme abgeleitet wird.Sie verwenden BJTs oder MOSFETs, die in ihrer linearen Region arbeiten, um die Ausgabe konstant zu halten.Obwohl sie einfach und erschwinglich sind, sind sie ineffizient, wenn die Eingangsspannung viel höher ist als der Ausgang.
Abhängig von der verwendeten Spannungsregelmethode werden die linearen Regulatoren weiter in verschiedene Typen unterteilt, die für bestimmte Lastbedingungen geeignet sind.

Abbildung 3. Serienregler
• Serienregler: In Reihe mit der Last platziert, passt es die Spannung über das Steuerelement an, um die Ausgangszunahme zu regulieren.Häufig in Audio- und analogen Systemen aufgrund von geräuschem Rauschen.

Abbildung 4. Shunt -Regler
• Shunt -Regler: Parallel zur Last verbunden, leitet es überschüssige Strom zu Masse um.Wird in Schaltkreisen mit geringer Leistung wie Spannungsreferenzsysteme aufgrund von Einfachheit und Kosten verwendet.

Abbildung 5. Regulierungsbehörden umschalten
Anstatt überschüssige Energie als Wärme abzuleiten, wie lineare Regulatoren, speichern und freisetze sie Energie in diskreten Paketen, wodurch der Stromverlust minimiert wird.
Die Schaltregulatoren arbeiten unter Verwendung der Pulsbreitenmodulation (PWM), wobei der Arbeitszyklus feststellt, wie viel Energie an den Ausgang geliefert wird.Aufgrund ihrer schnell leitenden Natur erzeugen diese Regulierungsbehörden elektrische Rauschen und Rippeln, was zusätzliche Filterung mit Induktoren und Kondensatoren erfordert.Eine ordnungsgemäße Layout und Abschirmung sind erforderlich, um elektromagnetische Interferenzen (EMI) zu minimieren und eine stabile Leistung aufrechtzuerhalten.
Normalerweise 80–95%, was sie ideal für batteriebetriebene oder wärmeempfindliche Systeme macht.Aufgrund der verringerten Wärmeerzeugung sind kleinere Kühlkörper oder gar keine benötigt.Es kann weite Eingangsbereiche aufnehmen und einstellbare oder programmierbare Ausgangsspannungen bereitstellen.
Kfz-Systeme- Regulatoren verwalten Batteriespannung, Stromversorgungssysteme und stabilisierende Systeme wie ADAs und LED-Beleuchtung.Sie verhindern Spikes und sorgen für eine konsistente Leistung unter unterschiedlichen Lastbedingungen.
Industrieautomatisierung- In Robotik- und Steuerungssystemen schützen Regulierungsbehörden Motoren und Sensoren vor Einbrüchen und Überspannungen, wodurch Fehler und Ausfallzeiten reduziert werden.
Telekommunikation- Die stabile Spannung ist in Routern, Schalter und Basisstationen für eine ununterbrochene Datenübertragung und eine geringe Signallatenz aktiv.
Leistungsverteilung- Versorgungsnetze und Umspannwerke verwenden die Regulatoren, um die Spannungsstabilität inmitten der sich ändernden Lastanforderungen und der Verbesserung der Zuverlässigkeit und der Leistungsqualität aufrechtzuerhalten.
|
Rücksichtnahme |
Beschreibung |
|
Eingangs- und Ausgangsspannung |
Stellen Sie den Spannungsbereich des Reglers sicher
entspricht Ihren Schaltkreisanforderungen. |
|
Ausgangsstromkapazität |
Wählen Sie eine Regulierungsbehörde, die sich begegnet oder überschreitet
Die aktuellen Bedürfnisse Ihrer Last. |
|
Effizienz |
Entscheiden Sie sich für den Schalttypen in
energiekritische oder batteriebetriebene Konstruktionen. |
|
Lärmleistung |
Verwenden Sie lineare Typen für niedrige Nutzungsnutzung
Umgebungen wie Audio- oder HF -Systeme. |
|
Thermalmanagement |
Planen Sie Kühlkörper oder Luftströme, wenn Sie verwendet werden
Hochleistungs- oder lineare Regulierungsbehörden. |
Wenn Ihre Schaltung Anzeichen von Instabilität oder falscher Ausgabe anzeigt, befolgen Sie diese Checkliste, um gemeinsame Reglerprobleme zu diagnostizieren:
• Überprüfen Sie die Eingangs- und Ausgangsspannung: Verwenden Sie ein Multimeter, um zu bestätigen, dass die Eingangsspannung innerhalb des empfohlenen Bereichs liegt.Messen Sie die Ausgabe, um sicherzustellen, dass er mit dem angegebenen Wert übereinstimmt.
• Unter Überhitzung inspizieren: Fühlen Sie sich für übermäßige Hitze oder suchen Sie nach Verfärbungen.Wenn Überhitzung ersichtlich ist, verbessern Sie das thermische Management oder reduzieren Sie die Last.
• Untersuchen Sie die Last: Entfernen Sie die Last und messen Sie keine Ladspannung.Wenn sich der Ausgang wieder normalisiert, kann die Last die Kapazität des Reglers überschreiten.
• Überprüfen Sie den Kondensatorzustand: Altern oder falsche Kondensatoren können Instabilität verursachen.Vergleichen Sie Werte und Platzierung mit den Datenblattempfehlungen.Ersetzen Sie beschädigte Kondensatoren nach Bedarf.
• Suchen Sie nach Shorts oder offenen Verbindungen: Überprüfen Sie nach Shorts zwischen Ausgang und Masse.Überprüfen Sie außerdem PCB -Spuren und Lötverbindungen auf Schäden oder schlechte Konnektivität.
• Überprüfungsschutzmerkmale: Einige Regulierungsbehörden umfassen thermisches Abschalten und Strombegrenzung.Wenn der Regler ein- und ausgeschaltet ist, kann er seinen eingebauten Schutz aktivieren.
• Verwenden Sie ein Oszilloskop: Für das Umschalten von Regulatoren sind Rauschen und Ripple auf einem Multimeter möglicherweise nicht offensichtlich.Verwenden Sie ein Oszilloskop, um die Wellenformintegrität, die Ripple -Spannung und das EMI -Verhalten zu bewerten.
• Stabile Ausgangsspannung: Spannungsregulatoren halten eine konsistente Ausgangsspannung unabhängig von Änderungen der Eingangsspannung oder den Variationen des Laststroms.Dies gewährleistet einen ordnungsgemäßen Betrieb elektronischer Schaltkreise und verhindert Leistungsprobleme, die durch Stromschwankungen verursacht werden.
• Schützen sensible Geräte: Sie schützen Komponenten vor Spannungsspitzen, Überspannungen oder Dips, die ansonsten integrierte Schaltungen, Mikrocontroller oder andere empfindliche Teile schädigen könnten.Dies ist besonders wichtig für Geräte, die auf präzisen Spannungsniveaus beruhen.
• Verschiedene Typen für unterschiedliche Bedürfnisse: Lineare Regulierungsbehörden sind einfach und ideal für Umgebungen mit niedrigem Rang, während die Schaltregulatoren effizienter und besser für Hochleistungs- oder batteriebetriebene Anwendungen sind.Mit dieser Flexibilität können Ingenieure den besten Typ für ihre spezifischen Anforderungen auswählen.
• Niedriger Rauschausgang (lineare Regulatoren): Lineare Regulatoren erzeugen einen glatten und ripplefreien Gleichstromausgang, wodurch sie ideal für Audio-, Sensor- und analoge Anwendungen, bei denen elektrisches Rauschen minimiert werden muss.
• Hohe Effizienz (Schaltregulatoren): Schaltregulatoren wandeln die Stromversorgung effizienter um, indem sie schnell ein- und ausgeschaltet werden, wobei energiesparende Komponenten wie Induktoren und Kondensatoren verwendet werden.Dies reduziert den Stromverlust und die Wärmeerzeugung, die ideal für kompakte oder energieempfindliche Konstruktionen ist.
• Wärmeerzeugung (linearer Typ): Lineare Regulatoren arbeiten, indem sie überschüssige Spannung als Wärme abgeleitet werden.Wenn die Eingangsspannung signifikant höher ist als der Ausgang, nimmt der Energieverlust zu und erfordert Kühlkörper oder Kühlmechanismen, um eine Überhitzung zu verhindern.
• Niedrige Effizienz (linear): Sie sind in Szenarien mit großen Spannungsunterschieden ineffizient, da die nicht verwendete Energie als Wärme verschwendet wird, wodurch sie für Hochleistungsanwendungen oder batteriebetriebene Systeme ungeeignet sind, bei denen die Energieeinsparung schwerwiegend ist.
• Elektromagnetische Interferenz (Schalttyp): Schaltregulatoren erzeugen Hochfrequenzsignale, die Rauschen und elektromagnetische Interferenzen (EMI) einführen können, was möglicherweise in der Nähe empfindliche Schaltkreise beeinflusst.Oft sind zusätzliche Filterung und Abschirmung erforderlich.
• komplexeres Design (Schalttyp): Das Entwerfen mit Schaltregulatoren beinhaltet sorgfältige Layout, Komponentenauswahl und EMI -Steuerung.Dies erhöht die Komplexität des PCB -Designs und kann die Entwicklungszeit und -kosten erhöhen.
Spannungsregulatoren sind das Rückgrat stabiler und effizienter elektronischer Leistung.Unabhängig davon, ob Sie mit einfachen analogen Schaltkreisen oder komplexen digitalen Systemen arbeiten, wählen Sie den richtigen Regler - ob linear oder wechseln - einen signifikanten Unterschied in der Stromversorgungswirkungsgrad, des thermischen Managements und der Rauschleistung ausmachen.Von der Automobilelektronik bis hin zu industriellen Steuerungssystemen ist ihre Rolle beim Schutz von Komponenten und die Sicherstellung einer konsistenten Leistung erforderlich.Wenn Sie verstehen, wie sie funktionieren, wo sie angewendet werden sollen und wie Probleme beheben können, können Sie Schaltkreise erstellen, die nicht nur funktional, sondern auch belastbar und langlebig sind.
Zu den häufigen Anzeichen gehören schwankende Ausgangsspannung, übermäßige Wärme oder angeschlossene Geräte, die fehlfunktioniert werden.Verwenden Sie ein Multimeter, um die korrekten Eingangs-/Ausgangswerte zu überprüfen und auf Überhitzung, beschädigte Komponenten oder Kondensatorprobleme zu überprüfen.
Ja, ein Boost-Schaltungsregler (Stufe) erhöht die Eingangsspannung auf einen höheren Ausgangspegel.Es ist ideal für Anwendungen, bei denen die Stromquelle niedriger ist als die erforderliche Betriebsspannung.
Eine Stromversorgung wandelt Wechselstrom in DC um und kann die Regulierung umfassen, während ein Spannungsregler auch bei Änderungen der Last oder der Eingangsspannung einen stetigen Spannungsausgang beibehält.
Die meisten Spannungsregulatoren sind für DC -Anwendungen ausgelegt.Spezialregulatoren wie automatische Spannungsregulatoren (AVRs) können jedoch die Wechselspannung stabilisieren, die häufig in Generatoren oder Netzstromsystemen verwendet werden.
Kondensatoren stabilisieren die Spannung durch Filtern von Rauschen und Pufferstromänderungen.Sie verhindern Oszillationen und sorgen für eine reibungslose Ausgabe, insbesondere für das Schalten von Regulatoren mit schnellen transienten Antworten.
CAP CER 1800PF 100V NP0 2225
IGBT MOD 1200V 128A 543W ISOTOP
IC FPGA 240 I/O 484FCBGA
IC DIGITL VIDEO DECODER 80-HTQFP
IC INTERFACE SPECIALIZED 84PLCC
IC MCU 8BIT 8KB FLASH 32LQFP
SSR RELAY SPST-NO 90A 48-660V
SM5158AM-G-ET NPC
STM32F100R4H6BTR ST
M37450M8-178FP MIT
NEC TQFP100
CAP CER 68PF 25V NP0 0805
vorrätig: 956



