Deutsch
Zeit: 2025/06/10
Durchsuchen: 10,881

Abbildung 1. DC-DC-Wandler
Der Buck-Konverter wird auch als "Step-Down-DC-DC-Konverter" bezeichnet.Es handelt sich um eine Art von Schaltnetzversorgung, die eine Eingangsspannung (höherer Gleichstrom) auf eine niedrigere Gleichstromausgangsspannung reduziert.Der Buck -Wandler wird üblicherweise in elektronischen Systemen verwendet, die stabile, niedrigere Spannungsniveaus erfordern, die aus einer höheren Spannungsversorgung bezogen werden.

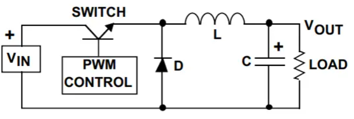
Abbildung 2. Buckwandlerschaltungsdiagramm
Die Schaltung des Buck -Wandlers umfasst typischerweise mindestens zwei Halbleiterkomponenten wie ein Transistor und eine Diode oder zwei Transistoren in synchronen Konstruktionen - zusammen mit Energiespeicherelementen wie Induktoren und Kondensatoren.Diese Komponenten arbeiten zusammen, um den Durchfluss und die Regulierung der elektrischen Energie während des Spannungsumwandlungsprozesses zu steuern.
Um stabile Spannung zu erhalten und elektrische Rauschen zu reduzieren, werden häufig Eingangs- und Ausgangsfilter hinzugefügt, wobei typischerweise Kondensatoren oder Kombinationen von Kondensatoren und Induktoren verwendet werden.Diese Filter tragen dazu bei, eine konsistente Leistung in Systemen zu gewährleisten, die saubere Stromversorgung benötigen.
Ein Buck -Wandler arbeitet durch schnelles Schalten eines Transistors ein und aus, um den Fluss der elektrischen Energie von einer höheren Gleichspannungsquelle auf einen niedrigeren Gleichspannungsausgang zu steuern.Diese Schaltwirkung in Kombination mit Energiespeicherelementen wie einem Induktor und einem Kondensator ermöglicht es dem Wandler, die Spannung effizient zu regulieren, ohne überschüssige Leistung als Wärme zu verschwenden.

Abbildung 3. Buck Converter Arbeitsbetrieb
Der Betrieb des Buck -Wandlers, wie in der obigen Schaltklamm für Schaltkreis Abbildung 3 dargestellt, zeigt, wie der Schalter, der Induktor, die Diode und der Kondensator zusammenarbeiten, um eine stabile niedrigere DC -Ausgangsspannung zu regulieren und zu liefern.
Wenn der Schalter eingeschaltet ist, wird die Eingangsspannung direkt auf den Induktor angelegt.Dies führt dazu, dass der Induktorstrom allmählich zunimmt und Energie in Form eines Magnetfelds speichert.Gleichzeitig fließt der Strom durch die Last und lädt den Ausgangskondensator auf.Während dieser Phase ist die Diode umgekehrt vorgespannt und leitet nicht.
Sobald der Schalter ausgeschaltet wird, kann der Strom durch den Induktor nicht sofort anhalten.Der Induktor setzt seine gespeicherte Energie frei und hält den Strom in Richtung der Last.Die Diode wird nach vorne vorgespannt und leitet, sodass Energie weiterhin Last und Kondensator erreicht werden kann.Dies stellt sicher, dass die Ausgangsspannung auch dann stabil bleibt, wenn der Schalter ausgeschaltet ist.
Der Buck Converter wechselt kontinuierlich zwischen diesen beiden Zuständen.Ein Pulse-Bridth-Modulation (PWM) Controller verwaltet den Zeitpunkt des Schaltens und stellt den Arbeitszyklus ein, um die gewünschte Ausgangsspannung aufrechtzuerhalten.Der Kondensator glättet jede Spannungswelligkeit, was zu einem stetigen Gleichstromausgang führt.
Mit diesem kontrollierten Umschalt- und Energieübertragungsprozess kann der Buck -Wandler die Eingangsspannung effizient reduzieren und gleichzeitig einen konsistenten Ausgang bereitstellen, der für empfindliche elektronische Geräte geeignet ist.
Boost-Konverter, auch als DC-DC-Stufe oder DC-Boost-Chopper bekannt.Es erhöht eine niedrigere Eingangsspannung auf eine höhere Ausgangsspannung.In Systemen, in denen die verfügbare Spannung aus der Quelle aus der Quelle angehoben wird, müssen die Anforderungen der Last erfüllt werden.
Der Boost-Konverter wird unter Switching Mode Netztem (SMPS) eingestuft und wird für seine Fähigkeit zur effizienten Bereitstellung erkannt.Kompakte und regulierte Leistung.Dies erreicht dies, indem der Strom des Stroms durch Schlüsselkomponenten steuert, die in einem strategischen Layout angeordnet sind.Die Schaltung besteht hauptsächlich aus zwei Kern -Halbleiter -Geräten - einem Schalttransistor und einer Diode - zusammen mit einem Induktor, der Energie und ein Kondensator speichert, der den Ausgang stabilisiert.

Abbildung 4. Boost Converter Circuit Diagramm
Der Induktor -Gesetz, indem sie plötzliche Veränderungen der Strom- und Speicherung von Energie in Form eines Magnetfeldes widerstand.Wenn die Schaltwirkung genau gesteuert wird, wird die im Induktor gespeicherte Energie bei einer höheren Spannung an die Last gelegt.
Kapazitive Filter werden sowohl am Eingang als auch am Ausgang der Schaltung platziert.Diese helfen dabei, die Spannungsripple zu reduzieren und die Ausgangswellenform zu glätten, um einen stabileren und zuverlässigeren Gleichstromausgang zu gewährleisten.In einigen Fällen berücksichtigen Designer eine zusätzliche induktive Filterung, um die Spannungsqualität weiter zu verbessern und das Geräusch zu minimieren.
Das Boost Converter Circuit Diagramm liefert eine klare visuelle Darstellung, wie diese Komponenten verbunden sind und im Boost -Konverter funktionieren.Es zeigt die Anordnung der Eingangsspannungsquelle (VIN).Induktor (L1).Schalter (S1).Diode (D1).Ausgangskondensator (C1).& der Lastwiderstand (RL).Das Diagramm veranschaulicht auch die aktuellen Pfade während verschiedener Schaltzustände und trägt dazu bei, die Energieflussstruktur des Wandlers zu verstehen.
Ein Boost -Wandler erfolgt durch Erhöhen der Eingangs -DC -Spannung auf eine höhere Ausgangs -Gleichspannung durch kontrollierte Energieübertragung.Wie im Diagramm gezeigt, enthält die Schaltung einen Induktor (L), eine Diode (D), einen Schalter (typischerweise ein Transistor), ein Kondensator (c) und eine pulsbreiten Modulation (PWM).

Abbildung 5. Boost Converter Arbeitsbetrieb
Wenn der Schalter eingeschaltet ist, fließt Strom aus der Eingangsspannungsquelle (VIN) über den Induktor und den geschlossenen Schalter zum Masse.Während dieser Zeit speichert der Induktor Energie, indem er ein Magnetfeld baut.Die Diode ist umgekehrt vorgespannt, sodass der Strom nicht zum Ausgang fließt.Die Last erhält nur vom Kondensator Strom, der geringfügig entlädt, um die Ausgangsspannung aufrechtzuerhalten.
Wenn der Schalter ausgeschaltet ist, kann der Strom durch den Induktor nicht sofort anhalten.Das Magnetfeld bricht zusammen, wodurch die Spannung des Induktors die Polarität umgekehrt ist.Dadurch wird die Diode vorwärtsgerichtet, sodass der Strom sowohl zum Kondensator als auch zum Last fließen kann.Die im Induktor gespeicherte Energie verbindet sich mit der Eingangsversorgung und steigert die an den Ausgang gelieferte Spannung.
Dieser Zyklus wiederholt sich schnell.Während des stationären Betriebs wechselt der Induktor zwischen Speichern und Freisetzungsenergie.Während der Schalter ausgeschaltet ist, liefert der Induktor der Ausgabe Strom.Wenn der Schalter eingeschaltet ist, lädt er erneut auf.Der Kondensator glättet die Ausgangsspannung und stellt eine kontinuierliche und stabile Versorgung der Last sicher.
Ein Buck-Boost-Konverter ist ein vielseitiger DC-DC-Leistungswandler, mit dem eine Eingangsspannung entweder nach oben (Boost) oder einstieg (Buck) ausgestattet ist, um eine konstante Ausgangsspannung aufrechtzuerhalten.Dies macht es besonders nützlich in Systemen, in denen die Eingangsspannung schwankt - wie batteriebetriebene Geräte oder Anwendungen für erneuerbare Energien.
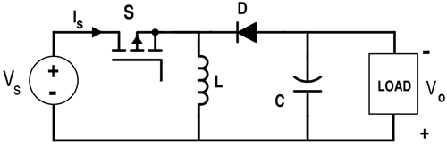
Unten finden Sie das Grundschaltungsdiagramm eines Buck-Boost-Wandlers:

Abbildung 6. Buck-Boost Converter Circuit Diagramm
In dieser Konfiguration:
• VS ist die Eingangsspannungsquelle.
• S ist der elektronische Schalter (typischerweise ein Transistor).
• L ist der Induktor, der zur Speicherung von Energie verwendet wird.
• D ist die Diode, die den Stromfluss leitet, wenn der Schalter ausgeschaltet ist.
• C ist der Kondensator, der die Ausgangsspannung glättet.
• VO ist die regulierte Ausgangsspannung, die an die Last geliefert wird.
Der Buck-Boost-Konverter funktioniert in zwei Phasen.Wenn der Schalter S geschlossen ist, fließt der Strom durch den Induktor L, wodurch Energie in Form eines Magnetfelds speichert wird.Sobald der Schalter geöffnet wird, freisetzt der Induktor diese gespeicherte Energie und führt sie durch die Diode D an den Kondensator C & die Last.Dieser Prozess hilft dabei, eine konstante Ausgangsspannung aufrechtzuerhalten, auch wenn die Eingangsspannung schwankt.
Was den Buck-Boost-Konverter von anderen Konverter (Buck Converter & Boost Converter) unterscheidet, ist die einzigartige Fähigkeit, eine Ausgangsspannung bereitzustellen, die entweder höher oder niedriger als die Eingangsspannung sein kann.Dieses Verhalten hängt vollständig vom Arbeitszyklus des Schalters ab.Im Gegensatz dazu kann ein Buckwandler nur die Eingangsspannung reduzieren.Während ein Boost -Konverter ihn nur erhöhen kann.
Buck-Boost-Konverter fallen in der Regel in zwei Kategorien.Der invertierende Buck-Boost-Wandler liefert eine Ausgangsspannung mit der entgegengesetzten Polarität zum Eingang.Es ist für spezifische negative Spannungsanwendungen geeignet.Andererseits behält der nicht invertierende Buck-Boost-Wandler die gleiche Polarität zwischen Eingang und Ausgabe bei.Es verwendet in der Regel eine komplexere Schaltanordnung, um die Spannung in beide Richtungen zu regulieren.
Die folgenden Tabellen unterstreichen die verschiedenen DC-DC-Wandler (Buck Converter, Boost Converter, Buck-Boost Converter) gemeinsame tatsächliche Verwendungszwecke in verschiedenen Branchen und Geräten.
|
Anwendung
|
Details |
|
Mikrocontroller -Stromversorgung |
Konvertiert eine höhere Spannung in Logikebene
Spannungen (z. B. 5V, 3,3 V) |
|
Laptops und mobile Geräte |
Reguliert die Spannung für CPUs, GPUs & & &
RAM |
|
LED -Treiber |
Liefert konstante Strom für LEDs |
|
Batteriebetriebene Geräte |
Spannung für effiziente Leistung abbauen
Verwendung |
|
Kfz -Elektronik |
Konvertiert 12 V in 5 V oder 3,3 V für Sensoren &
Controller |
|
Anwendung
|
Details |
|
Taschenlampen und Kamera blinken |
Steigert die niedrige Batteriespannung, um Hochbrittigkeiten mit Strom zu versorgen
LEDs |
|
Solarladegeräte |
Erhöhen Sie die Panelspannung für die Batterie
Ladung |
|
Elektrofahrzeuge |
Steigert die Batteriespannung auf erforderliche
Level für Motoren |
|
Machtbanken |
Erhöht die Batteriespannung auf 5 V USB -Ausgang |
|
Brennstoffzellensysteme |
Konvertiert den Niedrigspannungsausgang in nutzable DC
Ebenen |
|
Anwendung
|
Details |
|
Batteriebetriebene Geräte |
Behält die konstante Ausgabe als Batterie bei
Entladungen |
|
Erneuerbare Energiesysteme |
Verarbeitet den variablen Eingang von Solar/Wind
Quellen |
|
Kfz -Stromversorgung |
Bietet eine stabile Spannung unabhängig von
Batteriespiegel |
|
Industrieausrüstung |
Macht Geräte mit breiter Eingangsspannung
Toleranz |
|
USB -Netzteile |
Konvertiert die variable Batteriespannung in
Feste USB -Ausgänge |
|
Konverter
Typ |
Vorteile |
|
Buck Converter |
- hohe Effizienz bei der Abklingspannung
Anwendungen - Einfaches Design mit weniger Komponenten - geringere Wärmeerzeugung - ideal für die Stromverordnung in batteriebetriebene Geräte |
|
Boost Converter |
- Erhöht die Spannung von einem niedrigeren Eingang
Ebene - Geeignet für Geräte, die höher benötigen Betriebsspannungen - kompakt und kostengünstig - Gut für Anwendungen wie LED -Treiber & tragbare Elektronik |
|
Buck-Boost-Konverter |
- kann die Spannung nach oben oder unten treten - Bietet eine stabile Ausgabe bei Eingabe Die Spannung variiert stark - nützlich in Batteriesystemen, wo Spannung schwankt - flexibel für eine breite Palette von Strom Versorgungsanwendungen |
Der Unterschied zwischen Buck & Boost -Wandler besteht darin, wie sie die Ausgangsspannung relativ zur Eingangsspannung steuern.Beide sind Arten von DC-DC-Konvertern, dienen jedoch je nach Strombedarf der Anwendung entgegengesetzte Spannungsregulierungszwecke.Jetzt haben Sie gelernt, wie Buck, Boost, Buck-Boost-Konverter funktionieren und warum sie für die Elektronik wichtig sind.Jeder spielt eine einzigartige Rolle - die Sprungspannung nach unten, nach oben oder beides -, um Geräte reibungslos laufen zu lassen.Unabhängig davon, ob ein kleiner Sensor oder ein voller Elektrofahrzeug mit Strom versorgt wird, liefern diese Konverter zur richtigen Zeit die richtige Energiemenge.
CAP CER 0.2PF 25V C0G/NP0 01005
CAP CER 1000PF 1KV X7R 1210
IC COMPARATOR 2 GEN PUR 8SOIC
IC COMPARATOR
IC STEREO CODEC 16BIT 16-TSSOP
DC DC CONVERTER 5V 100W
FIXED IND 3.3UH 1.02A 123MOHM SM
MAX758AEWE-T MAXIM
NJM2573V JRC
EPSON BGA
K4S560432B-TC1L SAMSUNG
LTC3785EGN LT
LSI LOGIC QFP)





