Deutsch
Zeit: 2025/07/28
Durchsuchen: 3,281

Abbildung 1. AC -Kondensatorkabel
Wechselstromkondensatoren sind grundlegende Komponenten in HLK -Systemen.Sie speichern und veröffentlichen Energie, um Motoren wie Kompressor, Gebläse und Lüfter zu unterstützen, und starten und laufen effizient.Die richtige Verkabelung stellt sicher, dass diese Motoren zuverlässig funktionieren, während Fehler zu einem Systemversagen, Überhitzung oder dauerhaften Schäden führen können.
Die Kabelgenauigkeit beginnt mit der Identifizierung von Klemmen und Drahtfarben.Die meisten Kondensatoren haben drei markierte Terminals:
• C (gemeinsam) - gemeinsamer Rückwegspfad
• Lüfter - stellt eine Verbindung zum Lüftermotor her
• Herm - verbindet sich mit dem hermetisch versiegelten Kompressor

Abbildung 2. Kondensator starten
Startkondensatoren liefern einen schnellen Hochspannungsschub, der den Motoren hilft, Trägheit zu überwinden und sich zu drehen.Diese sind nützlich bei Einphasenmotoren, die beim Start ein zusätzliches Drehmoment benötigen.Die wichtigsten Merkmale sind:
• Nur während des Starts einbezogen: Sobald der Motor ungefähr 70–80% seiner vollen Geschwindigkeit erreicht hat, wird der Startkondensator automatisch durch einen Relais oder einen Zentrifugalschalter getrennt.
• Hohe Kapazitätswerte: In der Regel speichern sie einen größeren Energie -Burst als zwischen 70 und 200 uF als mit den Kondensatoren.
• Nicht für den kontinuierlichen Gebrauch bestimmt: Der erweiterte Betrieb kann zu Überhitzung oder Kondensatorversagen führen.
• Wird in Hochtorkenanwendungen verwendet: häufig in Klimaanlagen, Kompressoren und anderen Geräten mit schweren Startlasten.

Abbildung 3. Laufkondensator
Laufkondensatoren bleiben jederzeit mit dem Motorschaltkreis angeschlossen und verbessern die Leistung und Energieeffizienz während des gesamten Betriebs.Sie sind besonders wichtig für Motoren, die unter unterschiedlichen Lasten eine stetige Rotation aufrechterhalten müssen.Zu den wichtigsten Funktionen gehören:
• Kontinuierlicher Betrieb: Liefert die stationäre Verschiebung und die Stromregulierung, während der Motor läuft.
• Niedrigerer Kapazitätsbereich: Normalerweise zwischen 5 und 60 µF, abhängig vom motorischen Konstruktion.
• Verbessert die Effizienz: Verbessert den Leistungsfaktor, das Drehmoment und verringert den Stromverbrauch.
• Reduziert Rausch und Schwingung: Gewährleistet einen reibungsloseren Motorbetrieb mit geringerem Abdehnungs- und Wärmeaufbau.
• Langlebiges Design: Für Haltbarkeit gebaut und häufig in HLK-Gebläsen, Ventilatoren und Pumpen verwendet.

Abbildung 4. Dual AC -Kondensator
Viele HLK-Systeme verwenden einen doppelten Kondensator, der zwei Kondensatoren zu einer einzigen Kompakteinheit, eines für den Lüftermotor und einen für den Kompressormotor kombiniert.
Für die sichere und genaue Installation ist das Verständnis der korrekten Kabelfarben für jedes Terminal erforderlich.Obwohl Farbcodes zwischen Herstellern oder älteren Systemen geringfügig variieren können, wird der folgende Standard in den meisten HLK -Setups häufig verwendet:

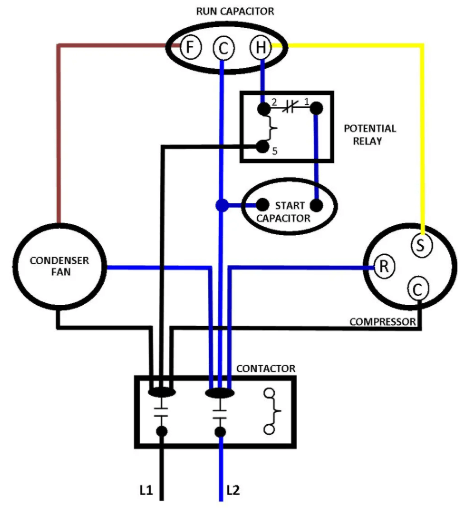
Abbildung 5. HLK -Kondensatorschaltplan
• Brauner Draht: Verbindet mit dem Lüfterterminal am Kondensator.Liefert dem Lüftermotor elektrische Energie, die den Kondensatorlüfter im Freien in Ihrer Wechselstromeinheit treibt.Mit diesem Draht kann der Lüftermotor den Luftstrom über der Kondensatorspule aufrechterhalten und dazu beitragen, die Wärme abzuleiten und eine effiziente Kühlung zu unterstützen.Ohne ordnungsgemäße Verbindung kann der Lüfter nicht drehen, was zu einer Überhitzung von Systemen führt.
• Gelber Draht: Verbindet sich mit dem Herm (Hermetik-) Terminal.Liefert dem Kompressormotor Strom, der normalerweise in einem hermetisch versiegelten Gehäuse untergebracht ist.Der Kompressor ist das Herz der Wechselstromeinheit, zirkulierender Kältemittel und die Aufrechterhaltung der Druckwerte.Ein verdrahteter oder getrennter gelber Draht kann dazu führen, dass der Kompressor nicht startet und den gesamten Kühlzyklus anhält.
• Schwarzer oder roter Draht: Verbindet sich mit dem COM- oder C (Common) Terminal.Fungiert als gemeinsamer Rückweg für die Lüfter- und Kompressorschaltungen.Dieser Kabel vervollständigt den Schaltkreis und gleicht den Stromfluss aus den beiden anderen Klemmen aus.Eine sichere und ordnungsgemäße Verbindung hier ist erforderlich, damit beide Motoren zuverlässig funktionieren.Eine falsche Verkabelung an dem gemeinsamen Terminal kann ein fehlerhaftes motorisches Verhalten oder einen vollständigen Fehler verursachen.
Nicht alle HLK -Systeme folgen Standardkonfarbkonventionen.Dies ist insbesondere in älteren Einheiten, importierten Modellen oder Systemen üblich, die benutzerdefinierte Änderungen oder frühere Reparaturen durchlaufen haben.In solchen Fällen kann das Verlassen von nur auf Drahtfarbe zu falschen Verbindungen, beschädigten Komponenten oder schwerwiegenden Sicherheitsproblemen führen.
Um sicher mit nicht standardmäßigen Drahtkonfigurationen zu arbeiten:
ErstensVerfolgen Sie jeden Draht zu seinem Ziel: Befolgen Sie den Draht physisch, um festzustellen, wo er angeschlossen ist, ob der Lüftermotor, der Kompressor oder die Stromversorgung.Dies gibt Ihnen ein zuverlässiges Verständnis seiner tatsächlichen Funktion.
ZweitensVerwenden Sie ein Multimeter zur Überprüfung: Überprüfen Sie die Kontinuität und den Widerstand zwischen Drähten und Klemmen.Ein Multimeter bestätigt zu bestätigen, welches Kabel eine Verbindung zu welcher Komponente angeschlossen wird, und die Vermutungen beseitigen.
DannIn den internen Schaltplänen finden Sie in den meisten HLK -Einheiten ein Schaltplan, der im Zugangspanel gedruckt ist.Wenn nicht, wenden Sie sich an das technische Handbuch des Geräts oder suchen Sie die Dokumentation des Herstellers online nach.
EndlichVergessen Sie nicht die Etikettendrähte, bevor Sie sie entfernen: Verwenden Sie Klebeband, Kabel-Tags oder farbcodiertes Klebeband, um jeden Draht gemäß seiner Funktion oder dem ursprünglichen Anschluss zu markieren.Dies hilft Ihnen, alles später richtig zu verbinden.
Schritt 1: Schneiden Sie die Leistung ab
Bevor Sie an einer elektrischen Komponente arbeiten, schalten Sie immer die Leistung am Leistungsschalter aus, nicht nur am Thermostat.Verwenden Sie einen Spannungstester oder einen Multimeter im Wechselstrommodus, um zu bestätigen, dass das System vollständig abgeschaltet ist.Sicherheit sollte immer Ihre erste Priorität haben.
Schritt 2: Entladen Sie den Kondensator sicher
Selbst beim Stecker können Kondensatoren immer noch eine gefährliche Anklage haben.Entladen Sie es sicher, indem Sie die Klemmen mit einem 10 -kΩ -100kΩ -Widerstand oder einem isolierten Schraubendreher überbrücken.Tragen Sie während dieses Schritts Schutzhandschuhe und Augenschutz.
Schritt 3: Stellen Sie den Multimeter auf den Kapazitätsmodus ein
Die meisten digitalen Multimeter haben eine Kapazitätseinstellung (mit „CAP“ oder „μF“ markiert).Wenn Ihrem Multimeter diese Funktion fehlt, können Sie die Einstellung des Widerstands (OHMS) verwenden, um zu überprüfen, ob der Kondensator kurzgeschlossen oder geöffnet ist.
Schritt 4: Messen Sie die Kapazität
- Testen Sie für einen Dual -Lauf -Kondensator zwei Abschnitte: Stellen Sie eine Sonde auf COM und die andere auf Lüfter.Bewegen Sie dann die zweite Sonde vom Lüfter zu Herm (dem Kompressorterminal).
- Testen Sie für einen einzigen Laufkondensator einfach über seine beiden Terminals.
Schritt 5: Vergleichen Sie die Messwerte
Überprüfen Sie die auf der Kennzeichnung des Kondensators gedruckte Microfarad (μF).Die meisten Wechselstromkondensatoren ermöglichen eine Toleranz von ± 5% bis ± 10%.Wenn der gemessene Wert außerhalb dieses Bereichs fällt, ist der Kondensator schwach oder fehlerhaft und sollte ersetzt werden.
Wenn Ihr System immer noch nicht ordnungsgemäß funktioniert, berücksichtigen Sie diese Probleme:
• Falsche Anschlussanschluss: Überprüfen Sie, ob jeder Kabel mit seinem richtigen Terminal übereinstimmt (Com, Fan, Herm)
• Nicht übereinstimmende Drahtfarben: Verwenden Sie einen Multimeter, keine visuellen Vermutungen
• Lose oder korrodierte Terminals: Stecker neu oder ersetzen
• Überhitzungskondensator: Kann durch die falsche Bewertung oder Motorüberlastung verursacht werden
• Geschwollene oder undichte Fall: Sofort ersetzen
• Systemstart nicht: Kondensator kann unter der Bewertung oder dem toten Test liegen - Test, wie in Abschnitt 8 beschrieben
• Häufige Fehler: Könnte tiefer
Wechselstromkondensatoren sind vielseitige Komponenten, die weit über HLK -Systeme hinaus verwendet werden.Ihre Fähigkeit, elektrische Energie zu speichern und zu entladen, macht sie schnell nützlich in verschiedenen Wohn-, Gewerbe- und Industriegeräten.Einige ihrer häufigsten Anwendungen umfassen:
• Haushaltsgeräte: Kondensatoren sind der Schlüssel zum zuverlässigen Betrieb von Haushaltsmaschinen.Sie helfen dabei, Motoren in Kühlschränken, Waschmaschinen und Wäschetrocknern zu beginnen und zu laufen.
• Elektrowerkzeuge: In Hochtorkenwerkzeugen wie Bohrern, Luftkompressoren, Mahlen und kreisförmigen Sägen helfen Kondensatoren beim Motorstart und helfen bei der Aufrechterhaltung einer konsistenten Leistung, insbesondere unter Last.
• Rauschfilterung (EMI -Unterdrückung): Wechselstromkondensatoren reduzieren elektromagnetische Interferenzen (EMI) in empfindlichen Geräten wie Audioverstärkern, Radiokommunikationssystemen, Fernsehen und Smart Home -Elektronik.Sie fungieren als Bypass-Kondensatoren und filtern hochfrequente Rauschen heraus.
• Leistungsfaktorkorrektur: In industriellen und kommerziellen elektrischen Panels werden große Wechselstromkondensatoren verwendet, um den durch induktiven Lasten (wie Motoren und Transformatoren) verursachten Verzögerungsstromfaktor zu korrigieren.Dies trägt zur Verbesserung der Energieeffizienz, reduziert die Energieversorgungsrechnungen und verhindert die Überlastung der elektrischen Infrastruktur.
• Erneuerbare Energiesysteme: Kondensatoren helfen dabei, die Wechselspannung zu stabilisieren und die Stromversorgung in Solarwechselrücken und Windkraftanlagen zu verbessern.
• Aufzüge, Pumpen und andere große Motoren: Wechselstromkondensatoren unterstützen Motorstartdrehmoment, glatte Beschleunigung und stabiler Betrieb in Systemen wie Aufzugsmotoren, Wasserpumpen und Sumpfpumpen, HVAC -Gebläsen und Kondensatorventilatoren
Die Verkabelung von Wechselstromkondensator mag einfach erscheinen, aber Fehler können zu einem Systemausfall, motorischen Schäden oder sogar zu elektrischen Gefahren führen.Wenn Sie lernen, Terminalbezeichnungen zu identifizieren, Kabelrollen zu überprüfen und die ordnungsgemäßen Installations- und Sicherheitspraktiken zu befolgen, können Sie eine effiziente, lang anhaltende Leistung für Ihr HLK-System oder Ihr HLY-Gerät gewährleisten.Unabhängig davon, ob Sie mit Standard- oder nicht standardmäßigen Verkabelung arbeiten, überprüfen Sie immer Verbindungen mit einem Multimeter und konsultieren Sie Diagramme, wenn Sie Zweifel haben.Mit dem richtigen Wissen und Werkzeugen ist ein sicherer und effektiver Ersatz für den Kondensator vollständig in Reichweite.
Die Verkabelung eines AC-Kondensators rückwärts schädigt ihn normalerweise nicht, da sie nicht polarisiert sind, aber die Missverkämpfung der Terminals (z. B. Lüfter von HERM) kann dazu führen, dass der Lüfter oder der Kompressor überhaupt fehlfest oder überhaupt nicht beginnt.
Die Verwendung eines Kondensators mit einer etwas höheren Mikrofarad (µF) ist im Allgemeinen sicher, aber zu hoch kann der Motor beschädigt oder die Effizienz verringern.Bleiben Sie immer innerhalb von ± 10% des ursprünglichen Ratings, es sei denn, der Hersteller gibt etwas anderes an.
Verwenden Sie einen einzelnen Kondensator, wenn Ihr HLK -System Lüfter- und Kompressorschaltungen trennt.Wählen Sie einen doppelten Kondensator, wenn beide von einer Einheit betrieben werden.Es vereinfacht die Verkabelung und reduziert den Raum.
Zu den häufigen Ursachen zählen eine längere Wärmeexposition, Leistungsstürme, Schwingung, falsche Größen- oder Komponenten von schlechter Qualität.Regelmäßige Inspektion und Verwendung von Kondensatoren mit einer höheren Temperaturbewertung (z. B. 70 ° C oder 85 ° C) können die Lebensdauer verlängern.
Die meisten Wechselstromkondensatoren dauern 5 bis 10 Jahre, aber ihre Lebensdauer hängt von Nutzung, Umgebungstemperatur und elektrischen Bedingungen ab.Ein fehlerhafter Kondensator zeigt häufig Anzeichen wie Summen, Hard -Starts oder häufiges System zurück.
CMC 20A 2LN 170 OHM SMD
IC FPGA 95 I/O 132CSBGA
IC OPAMP GP 2 CIRCUIT 10UMAX
DC DC CONVERTER 15V 2W
IC MCU 16BIT 64KB FLASH 100LQFP
IC RF AMP GPS 30MHZ-6GHZ SOT89-3
IC REG BUCK ADJ 3A 20HTSSOP
RT9226ACS RICHTEK
TB62725AFN TOSHIBA
K4T51163QG-HCE7 SAMSUNG
UTC TSSOP-16
TECHPOINT QFP



