Deutsch
Zeit: 2025/12/8
Durchsuchen: 604
Der BC547
![]()
BC547
onsemi
TRANS NPN 45V 0.1A TO92-3
In Stock: 20300 pcs
ist ein sehr verbreiteter NPN-Transistor.Es wurde von Fairchild hergestellt und gehört nun zum Sortiment von Onsemi und wurde für grundlegende Schalt- und Signalverstärkungsaufgaben beliebt.In diesem Artikel wird erklärt, was der BC547 ist, wie er funktioniert, welche Funktionen er hat und wo er eingesetzt wird.

Die BC547
![]()
BC547
onsemi
TRANS NPN 45V 0.1A TO92-3
In Stock: 20300 pcs
ist ein Allzweck-NPN-Transistor, der ursprünglich von Fairchild angeboten wurde und für die rauscharme Kleinsignalverstärkung und zuverlässiges Schalten konzipiert ist.Mit einer Kollektor-Emitter-Nennspannung von 45 V, einer Kollektorstromkapazität von 100 mA und einer Verlustleistung von etwa 500–625 mW passt es gut in kompakte Designs mit geringem Stromverbrauch.Seine DC-Stromverstärkung erstreckt sich über die Varianten A, B und C und macht ihn somit anpassbar für Anwendungen, die unterschiedliche Verstärkungsstufen erfordern.In der bekannten TO-92-Form verpackt, bleibt es ein fester Bestandteil der analogen und Hobby-Elektronik.
Wenn Sie Interesse am Kauf des BC547 haben, kontaktieren Sie uns bitte bezüglich Preis und Verfügbarkeit


|
Pin
Nummer |
Pin
Name |
Beschreibung |
|
1 |
Emitter (E) |
Gibt die aus
Mehrheitsladungsträger;Durch diesen Pin fließt Strom ab.Das ist typischerweise der Fall
bei NPN-Anwendungen mit Masse verbunden. |
|
2 |
Basis (B) |
Steuert die
Schalt- und Verstärkungsfunktion des Transistors durch Regulierung des Stroms
Betreten der Basis. |
|
3 |
Sammler (C) |
Hauptstrom
Eingabe;verbindet sich mit der Last.Strom fließt vom Kollektor zum Emitter, wenn der
Transistor ist aktiviert. |
2N2222
![]()
2N2222
onsemi
TRANS NPN 30V 0.8A TO18
In Stock: 77822 pcs
/ 2N2222A

2N2222A
NTE Electronics, Inc
TRANS NPN 40V 0.8A TO18
Out Stock
2N3904

2N3904
NTE Electronics, Inc
TRANS NPN 40V 0.2A TO92
Out Stock
BC548
![]()
BC548
onsemi
TRANS NPN 30V 0.1A TO92-3
In Stock: 68291 pcs
BC546
![]()
BC546
onsemi
TRANS NPN 65V 0.1A TO92-3
In Stock: 50998 pcs
BC639

BC639
Fairchild Semiconductor
TRANS NPN 80V 1A TO92
In Stock: 55856 pcs
S8050

S8050
UMW
25V 300MW 500MA 150MHZ 600MV@500
Out Stock
MPS2222A
![]()
MPS2222A
onsemi
TRANSISTOR NPN GP SS 40V TO-92
In Stock: 45300 pcs
BC549
![]()
BC549
onsemi
TRANS NPN 30V 0.1A TO92-3
In Stock: 5300 pcs
BC547A
![]()
BC547A
Diotec Semiconductor
BJT TO-92 45V 100MA
In Stock: 4000 pcs
/ BC547B
![]()
BC547B
Diotec Semiconductor
TRANS NPN 45V 100MA TO92
In Stock: 1036000 pcs
/BC547C

BC547C
Fairchild/ON Semiconductor
TRANS NPN 45V 0.1A TO-92
In Stock: 79665 pcs
BC548B
![]()
BC548B
Diotec Semiconductor
BJT TO-92 30V 100MA
Out Stock
/ BC548C
![]()
BC548C
Diotec Semiconductor
BJT TO-92 30V 100MA
In Stock: 8000 pcs
2N4401
![]()
2N4401
Diotec Semiconductor
BJT TO-92 40V 600MA
Out Stock
|
Parameter |
Wert |
|
Mount-Typ |
Durchgangsloch |
|
Paket/Koffer |
TO-226-3,
TO-92-3 (TO-226AA) |
|
Lieferantengerät
Paket |
TO-92-3 |
|
Anzahl der Pins |
3 |
|
Gewicht |
200 mg |
|
Transistortyp |
NPN |
|
Element
Konfiguration |
Single |
|
Sammler-Emitter
Durchbruchspannung (VCEO) |
45 V |
|
Sammlerbasis
Spannung (VCBO) |
50 V |
|
Emitter-Basis
Spannung (VEBO) |
6 V |
|
Sammler
Strom (IC) Max |
100mA |
|
Sammler-Emitter
Sättigungsspannung (VCE(sat)) |
250 mV |
|
Aktuell –
Kollektorabschaltung (ICBO) Max |
15 nA |
|
Gleichstromverstärkung
(hFE) Min |
110 @ IC, VCE |
|
Gewinnen Sie Bandbreite
Produkt (fT) |
300 MHz |
|
Maximale Leistung
Zerstreuung |
500 mW |
|
Betrieb
Temperaturbereich |
–65°C bis +150°C
(TJ) |
|
Teilestatus |
Veraltet |
|
Verpackung |
Masse |
|
RoHS-Status |
RoHS-konform |
|
Lead-Status |
Bleifrei |
|
Feuchtigkeit
Empfindlichkeitsstufe (MSL) |
1 (Unbegrenzt) |
|
Veröffentlicht |
2012 |


Die statische Kennlinie (Abbildung 1) veranschaulicht, wie sich der Kollektorstrom (I₍C₎) mit der Kollektor-Emitter-Spannung (V₍CE₎) für verschiedene Basisströme (I₍B₎) ändert.Wenn V₍CE₎ von Null aus ansteigt, steigt der Kollektorstrom schnell an, bevor er in einen Bereich gelangt, in dem er sich einpendelt, was anzeigt, dass sich der Transistor im aktiven Modus befindet.Höhere Basisantriebsströme verschieben jede Kurve nach oben, was bedeutet, dass ein größerer I₍B₎ zu einem proportional höheren I₍C₎ führt.Dieses Diagramm zeigt im Wesentlichen, wie der BC547
![]()
BC547
onsemi
TRANS NPN 45V 0.1A TO92-3
In Stock: 20300 pcs
auf unterschiedliche Lastspannungen reagiert, wenn er mit unterschiedlichen Basisströmen betrieben wird, und hilft Entwicklern bei der Bestimmung der Betriebspunkte.
Die Übertragungskennlinie (Abbildung 2) zeigt die Beziehung zwischen der Basis-Emitter-Spannung (V₍BE₎) und dem Kollektorstrom (I₍C₎) bei einer festen Kollektor-Emitter-Spannung.Der steile exponentielle Anstieg um 0,6–0,8 V zeigt den Punkt an, an dem der BC547 stark zu leiten beginnt.Diese Kurve verdeutlicht die Empfindlichkeit des Transistors gegenüber kleinen Spannungsänderungen an der Basis, die für das Verstärkungsverhalten von grundlegender Bedeutung ist.

Die DC-Stromverstärkungskurve (Abbildung 3) zeigt h₍FE₎ gegen den Kollektorstrom.Es zeigt, dass die Stromverstärkung bei niedrigen bis mittleren Kollektorströmen relativ stabil bleibt, bei höheren Strömen jedoch schließlich abnimmt.Dieses Verhalten hilft bei der Ermittlung des optimalen Strombereichs zur Erzielung einer zuverlässigen Verstärkung in Verstärkerstufen, wo ein zu hoher Kollektorstrom die Verstärkung verringern und die Verzerrung erhöhen kann.
Die Sättigungsspannungskurve (Abbildung 4) zeigt, wie V₍CE(sat)₎ und V₍BE(sat)₎ mit dem Kollektorstrom variieren, wenn sich der Transistor in der Sättigung befindet.Mit zunehmendem I₍C₎ steigen beide Sättigungsspannungen, was darauf hindeutet, dass höhere Ströme einen höheren Spannungsaufwand erfordern, um den BC547 vollständig gesättigt zu halten.Dieses Diagramm ist für Schaltanwendungen von entscheidender Bedeutung und zeigt Entwicklern die minimalen Spannungsabfälle an, die am Transistor zu erwarten sind, wenn er als verlustarmer Schalter verwendet wird.

In dieser Schaltung wird der BC547
![]()
BC547
onsemi
TRANS NPN 45V 0.1A TO92-3
In Stock: 20300 pcs
-Transistor als Schalter verwendet, um eine von einer 12-V-Versorgung versorgte LED mit nur einem 5-V-Tastersignal zu steuern.Wenn der Druckknopf gedrückt wird, fließt ein kleiner Basisstrom durch den 4,7-kΩ-Widerstand in die Basis des BC547.Dadurch wird der Basis-Emitter-Übergang in Durchlassrichtung vorgespannt, wodurch der Transistor in die Sättigung eintritt.Sobald der Transistor gesättigt ist, lässt er den Strom problemlos vom Kollektor zum Emitter fließen, wodurch der Erdungsrückweg der LED vervollständigt und diese eingeschaltet wird.Da das Eingangssignal und die LED-Versorgung von unterschiedlichen Spannungsschienen (5 V und 12 V) stammen, bietet der BC547 eine Pegelverschiebung und Leistungsverstärkung, sodass ein Niederspannungseingang einen Ausgang mit höherer Spannung steuern kann.Beim Loslassen des Tasters sinkt der Basisstrom auf Null, der Transistor schaltet ab und die LED erlischt.

In dieser komplexeren Schaltung ist der BC547-Transistor (Q4) Teil eines bistabilen Latches, der ein Relais und eine Anzeige-LED steuert.Wenn der Taster S2 gedrückt wird, fließt ein kleiner Strom in die Basis von Q4, wodurch der BC547 eingeschaltet wird.Wenn Q4 einschaltet, lässt es Strom über den Widerstand R7 durch die Relaisspule fließen, wodurch das Relais aktiviert wird.Die Bewegung des Relais ändert dann den Schaltkreiszustand, sodass das System auch nach dem Loslassen von S2 verriegelt bleibt.Währenddessen bildet der PNP-Transistor Q3 (ein BC557) die komplementäre Hälfte des Latches und speist einen Teil des Relaisstroms über die Widerstände R8 und R9 zurück in das Basisnetzwerk von Q4.Diese Kreuzkopplung hält Q4 vorgespannt, solange der Latch aktiv ist.Durch Drücken der Taste S1 wird diese Rückkopplung unterbrochen, indem Q3 aus der Leitung gezogen wird, was wiederum den Relaisstrom zusammenbricht und die Verriegelung zurücksetzt.In diesem Design fungiert der BC547 als Relaistreiber, der kleine Eingangsströme in den erforderlichen größeren Spulenstrom verstärkt und gleichzeitig an einem Rückkopplungsnetzwerk teilnimmt, das Speicher- oder Umschaltverhalten bietet.

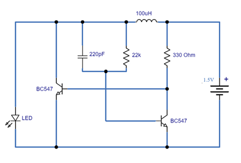
Diese Schaltung verwendet zwei BC547-Transistoren in einem selbstoszillierenden Aufwärtswandler, der allgemein als Joule Thief bekannt ist.Der Zweck besteht darin, eine LED über eine fast leere 1,5-V-Batterie mit Strom zu versorgen – zu schwach für den direkten LED-Betrieb.Die beiden BC547-Transistoren bilden einen regenerativen Rückkopplungsoszillator: Ein Transistor beginnt zu leiten und zieht Strom durch die Induktivität.Während sich das Magnetfeld in der Induktivität aufbaut, wird über ihr eine Spannung induziert und über das 22-kΩ-Widerstands- und 220-pF-Kondensatornetzwerk in die Transistorbasen zurückgeführt, wodurch in abwechselnden Zyklen ein Transistor scharf eingeschaltet und der andere ausgeschaltet wird.Wenn der leitende Transistor plötzlich abschaltet, gibt die Induktivität ihre gespeicherte Energie ab und erzeugt eine Spannungsspitze, die hoch genug ist, um die LED zum Leuchten zu bringen.Dieses schnelle Umschalten dauert an, solange die Batterie angeschlossen ist.Hier fungiert jeder BC547-Transistor als Hochfrequenz-Schaltelement und wandelt gemeinsam eine niedrige Spannung in die für die LED-Beleuchtung erforderliche höhere Spannung um.
-Schalten mit geringem Stromverbrauch
-Signalverstärkung
-LED-Steuerkreise
-Relaistreiberschaltungen
-Kleine Motor- oder Summertreiber
-Umschaltung auf Logikebene
-Audio-Vorverstärker
-Kleinsignalverstärkung
-Spannungs- und Stromverstärkung
-Darlington-Paarkonfigurationen
-Astabile und monostabile Multivibratoren
-Rechteckwellengeneratoren
-Tongeneratorschaltungen
-Wechselrichterschaltungen mit geringem Stromverbrauch
-Batteriebetriebene Elektronik
-Impulserzeugung und -formung
-Ebenenverschiebung
-Sensorschnittstelle (LDR, Temperatur usw.)

-Geringe Kosten und weit verbreitet
-Geringes Rauschen, geeignet für Audio- und Signalanwendungen
-Gute Stromverstärkung (hFE typischerweise 110–800)
- Funktioniert gut bei niedrigen Spannungen
-Geeignet für allgemeine Schalt- und Verstärkungszwecke
-Geringer Leckstrom
-Einfache Anbindung an Mikrocontroller
-Kann in High-Gain-Konfigurationen wie Darlington-Paaren verwendet werden
-Niedriger Kollektorstrom (maximal 100 mA)
-Nicht für Hochleistungs- oder Hochspannungsanwendungen geeignet
-Begrenzter Frequenzgang im Vergleich zu HF-Transistoren
-Maximale Kollektor-Emitter-Spannung (VCEO) nur 45 V
- Ohne zusätzliche Stufen können keine Hochstromlasten betrieben werden
-Die Leistung variiert zwischen den Verstärkungsgruppen (A-, B- und C-Klassen).
-Temperaturempfindlich wie die meisten BJTs
Fairchild (jetzt Teil von Onsemi) ist bekannt für seine starken Fertigungskapazitäten bei der Herstellung hochwertiger Halbleiter, einschließlich diskreter Komponenten wie Transistoren, Dioden, MOSFETs und Energiemanagement-ICs.Zu ihrem Fachwissen gehören fortschrittliche Waferherstellung, Massenproduktion, zuverlässige Verpackungstechnologien und strenge Qualitätskontrollstandards, die eine gleichbleibende Geräteleistung gewährleisten.
Der Basisstrom sollte typischerweise unter 5 mA bleiben, um den Transistor zu schützen und ein zuverlässiges Schalten zu gewährleisten.
Ja, aber nur bei Schwachstromanwendungen.Der 2N2222 kann einen höheren Strom verarbeiten. Überprüfen Sie daher die Last, bevor Sie ihn austauschen.
Verwenden Sie den Diodenmodus, um Basis-Emitter- und Basis-Kollektor-Übergänge zu überprüfen.Beide sollten eine Durchlassspannung von etwa 0,6–0,7 V aufweisen.
Ja.Es kann direkt über einen GPIO-Pin mit einem geeigneten Basiswiderstand zum Schalten von LEDs, Relais und Sensoren angesteuert werden.
Übliche Basiswiderstandswerte liegen je nach erforderlichem Schaltstrom zwischen 1 kΩ und 10 kΩ.
Ja.Aufgrund seines geringen Rauschens eignet es sich für Vorverstärker und Kleinsignal-Audiostufen.
Sie unterscheiden sich in der Stromverstärkung: A hat die niedrigste hFE, B ist mittel und C hat die höchste Verstärkung.
CAP CER 10UF 10V X5R 1210
CAP CER 5.7PF 50V C0G/NP0 0201
CAP CER 13PF 25V T2H 0201
CONN HEADER R/A 14POS 2.54MM
IC FPGA 680 I/O 1738FCBGA
IC TXRX NON-INVERT 5.5V 56SSOP
IC GATE NAND 1CH 2-INP SC88A
IC INTERFACE CONTROLLER
VT1135SFCX VOLTERR
MITEL SOP28
CAP TANT 10.0UF 10.0V
CAP TANT 47UF 20% 6.3V 2917
UTC SOT23

TRANSISTOR, NPN, 0.8A, 75V, TO-1
vorrätig: 1720
TRANS NPN 30V 0.8A TO18
vorrätig: 1245

SMALL SIGNAL BIPOLAR TRANSISTOR,
vorrätig: 707

TRANS NPN 40V 0.6A TO92-3
vorrätig: 709
TRANS NPN 40V 0.2A TO92-3
vorrätig: 1094


