Deutsch
Zeit: 2025/12/8
Durchsuchen: 496
Der 2SC945

2SC945
CJ
TO-92
In Stock: 33400 pcs
ist ein klassischer Kleinsignal-NPN-Bipolartransistor, der sich durch geringes Rauschen, hohe Gleichstromverstärkung und zuverlässige Leistung in Audio- und Sensorschaltkreisen mit geringem Stromverbrauch auszeichnet.In diesem Artikel werden die Pinbelegung und CAD-Details des 2SC945, gängige Äquivalente und Ersetzungen, typische Schaltkreisfunktionen und mehr besprochen.

Die 2SC945

2SC945
CJ
TO-92
In Stock: 33400 pcs
ist ein Kleinsignal-NPN-Bipolartransistor, der für rauscharme Verstärkung und universelles Schalten entwickelt wurde.Untergebracht in einem TO-92-Gehäuse bietet es eine Kollektor-Emitter-Nennspannung von etwa 50 V und eine Kollektorstrombelastbarkeit von bis zu 150 mA, wodurch es für elektronische Designs mit geringem Stromverbrauch geeignet ist.Es lässt sich auch gut mit dem PNP kombinieren 2SA733

2SA733
HGF
2SA733 Original
In Stock: 805242 pcs
als Ergänzungsgerät für Push-Pull- oder mehrstufige Verstärkerkonfigurationen.
Wenn Sie am Kauf des 2SC945 interessiert sind, kontaktieren Sie uns bitte bezüglich Preis und Verfügbarkeit.


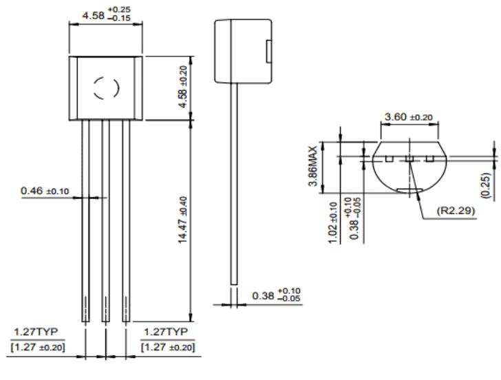
|
Pin
Nummer |
Pin
Name |
Beschreibung |
|
1 |
Emitter (E) |
Der Emitter
gibt Ladungsträger in den Transistor frei;typischerweise im NPN-Verfahren mit der Erde verbunden
Konfigurationen. |
|
2 |
Sammler (C) |
Der Sammler ist
der mit der Last verbundene Hauptstromanschluss;es empfängt
Träger vom Emitter durch die Basissteuerung. |
|
3 |
Basis (B) |
Die Basis
steuert den Betrieb des Transistors;Ein kleiner Strom ermöglicht hier einen größeren
Strom fließt vom Kollektor zum Emitter. |
|
Modell |
Typ |
Pinbelegung
(Vorderansicht) |
VCEO
(Max) |
IC
(Max) |
hFE
Reichweite |
Lärm
Ebene |
|
2SC1815
|
NPN |
E–C–B |
50V |
150mA |
70–700 |
Sehr niedrig |
|
KSC945C |
NPN |
E–C–B |
50V |
150mA |
70–700 |
Niedrig |
2SC828
![]() |
NPN |
E–C–B |
50V |
100mA |
60–240 |
Mittel |
|
BC546
|
NPN |
C–B–E |
65V |
100mA |
110–800 |
Niedrig |
|
BC547
|
NPN |
C–B–E |
45V |
100mA |
110–800 |
Niedrig |
|
BC548
|
NPN |
C–B–E |
30V |
100mA |
110–800 |
Mittel |
2N3904
![]() |
NPN |
E–B–C |
40V |
200mA |
100–300 |
Mittel |
|
2N2222
|
NPN |
E–B–C |
40V |
600mA |
100–300 |
Mittel |



In dieser Konfiguration fungiert der 2SC945

2SC945
CJ
TO-92
In Stock: 33400 pcs
(Q2) als Vortreibertransistor mit geringem Stromverbrauch, der den viel größeren Leistungstransistor E13007 (Q1) steuert.Wenn die Versorgungsspannung durch R3 fließt, fließt ein kleiner Basisstrom in den 2SC945.Wenn Q2 eingeschaltet wird, lässt es Strom von seinem Kollektor zu seinem Emitter fließen, wodurch ein stärkerer Basisantrieb für den E13007 entsteht.Da der 2SC945 den kleinen Eingangsstrom verstärkt, erhält der E13007 genügend Basisstrom, um höhere Lasten am Ausgang zu schalten.
Das aus R5, R2 und C1 (100 µF) gebildete Netzwerk sorgt für die Filterung und Stabilisierung der Ausgangsspannung, während R4 (20 Ω) als vom Messgerät gemessene Last dient.In dieser Schaltung besteht die Hauptfunktion des 2SC945 darin, als Signalverstärker und Zwischentreiber zu fungieren und sicherzustellen, dass der Hochleistungstransistor sauber und effizient schaltet.

In dieser LDR-basierten Schaltung werden zwei 2SC945-Transistoren verwendet, um einen empfindlichen lichtaktivierten Schalter zu bilden.Der obere Teil des Netzwerks enthält LDR und R1 (10 kΩ), wodurch ein Spannungsteiler entsteht, der sich mit der Lichtintensität ändert.Bei hellem Licht verringert sich der Widerstand des LDR, wodurch die Basisspannung des ersten 2SC945 niedrig bleibt, sodass der Transistor ausgeschaltet bleibt.Da die erste Stufe ausgeschaltet ist, bleibt auch die zweite 2SC945 ausgeschaltet, sodass kein Strom zur LED gelangt.
Wenn die Umgebung dunkel wird, steigt der Widerstand des LDR und damit die Basisspannung des ersten 2SC945-Transistors.Dadurch wird er eingeschaltet, wodurch der zweite 2SC945-Transistor leitend wird.Der zweite Transistor lässt Strom durch R2 (470 Ω) fließen und erleuchtet die LED.Dabei arbeiten die 2SC945-Stufen als empfindlicher Zwei-Stufen-Verstärker zusammen und sorgen dafür, dass auch kleine Änderungen des Lichtniveaus die LED zuverlässig schalten können.
Signalverstärkung - Wird aufgrund seiner hohen Verstärkung und seines geringen Rauschens in rauscharmen Audio-Vorverstärkern, Kleinsignalstufen und Mikrofonverstärkern verwendet.
Schaltkreise schalten – Wird häufig zur Ansteuerung kleiner Lasten wie Relais, LEDs, Summer und Module mit geringem Stromverbrauch verwendet, da es bei niedrigen Strömen effizient schaltet.
Sensorschnittstellenschaltungen - Funktioniert mit Sensoren wie LDRs, Thermistoren oder Infrarotempfängern, um schwache Signale zu verstärken oder automatische Steuerungssysteme (Lichtsensoren, Temperaturauslöser usw.) zu erstellen.
Mehrstufige Transistorverstärker - Wird in kaskadierten Verstärkerstufen verwendet, um kleine Signale schrittweise mit Stabilität und geringer Verzerrung zu verstärken.
Oszillator- und Zeitschaltungen - Wird in RC-Oszillatoren, Multivibratoren, Tongeneratoren und Zeitschaltkreisen eingesetzt, bei denen eine stabile Transistorschaltung erforderlich ist.
Puls- und Wellenformformung - Hilft bei der Bildung von Rechteckwellen, Impulsflanken und Zeitsignalen in kleinen Logikpegel-Formschaltungen.
Treiberstufe für Leistungstransistoren - Wird häufig als Vortreiber zur Speisung von Transistoren mit höherem Strom (wie E13007) in SMPS, Wechselrichterplatinen oder Motortreibern verwendet.

-Geringe Geräuschentwicklung
-Hohe DC-Verstärkung (hFE)
-Geringer Stromverbrauch
-Schnelle Umschaltfähigkeit
-Große Verfügbarkeit und niedrige Kosten
-Stabiler Betrieb
-Niedriger Nennstrom (typischerweise ≤ 150 mA)
-Begrenzte Verlustleistung
-Geringere Durchbruchspannung
-Nicht für Hochfrequenz-HF-Anwendungen geeignet
-Erfordert die richtige Voreingenommenheit
Der 2SC945

2SC945
CJ
TO-92
In Stock: 33400 pcs
bleibt ein nützlicher, vielseitiger Transistor für jede Analog- oder Schaltanwendung mit geringem Stromverbrauch, bei der geringes Rauschen und eine gute Kleinsignalverstärkung wichtig sind.Seine Stärken – geringes Rauschen, großer hFE-Bereich und einfache Verwendung in kaskadierten Stufen – machen ihn zu einer ausgezeichneten Wahl für Audio-Vorverstärker, Sensorschnittstellen und Treiber/Vortreiber-Rollen;Seine Haupteinschränkungen sind ein geringer Strom- und Leistungsverlust sowie die Notwendigkeit einer korrekten Vorspannung und thermischen Berücksichtigung.
Der 2SC945 wird häufig in Mikrofonvorverstärkern und Eingangsstufen verwendet, da sein niedriges Rauschmaß die Audioklarheit bewahrt und Signalverzerrungen minimiert.
Ja.Aufgrund seiner schnellen Schaltgeschwindigkeit und niedrigen Sättigungsspannung eignet es sich für digitale Schalter, Treiber und Logikschnittstellen mit geringem Stromverbrauch.
Verwenden Sie einen Spannungsteiler an der Basis, einen Kollektorwiderstand als Last und einen Emitterwiderstand für Stabilität, um den Transistor für eine saubere Verstärkung in den aktiven Modus zu versetzen.
Ja.Es kann Signale von 3,3-V- oder 5-V-Mikrocontrollern verstärken oder schalten, vorausgesetzt, der Basisstrom ist begrenzt und die Last bleibt innerhalb ihrer 150-mA-Grenze.
Eine Überschreitung der Spannungs-, Strom- oder Leistungswerte kann zu einer Überhitzung der Verbindungsstelle führen, was zu Verstärkungsverlusten, erhöhten Leckströmen oder einem dauerhaften Geräteausfall führen kann.
Es eignet sich für den moderaten HF-Betrieb bis etwa 150–200 MHz, ist jedoch nicht für HF-Sender oder Präzisions-Hochfrequenzschaltungen gedacht.
Zu den häufigsten Indikatoren gehören Verstärkungsverlust, fehlende Schaltvorgänge, ungewöhnliche Hitze oder kurzgeschlossene/offene Anschlüsse bei der Prüfung mit einem Multimeter.
CAP CER 1500PF 25V JB 0201
CAP CER 100PF 50V C0G/NP0 0603
CAP CER 8.2PF 25V S2H 0201
IC REG CTRLR PWM CM 8SOIC
IC REG LINEAR 1.8V 500MA 8SOIC
IC MCU 32BIT 128KB FLASH 64TFBGA
IC DECADE COUNTER 10-BIT 16SOIC
SENSOR THROUGH-BEAM 450MM
BTS5045-2E INFINEO
SC900685AE FREESCALE
RS-232 TRANSMITTERS/RECIEVERS
BROADCOM BGA
TOSHIBA BGA
TRANS NPN 30V 0.8A TO18
vorrätig: 1576
TRANS NPN 40V 0.2A TO92-3
vorrätig: 420

TRANS NPN 30V 0.6A TO18
vorrätig: 895

TRANS NPN 65V 0.1A TO92-3
vorrätig: 1351
TRANS NPN 45V 0.1A TO92-3
vorrätig: 1409
