Deutsch
Zeit: 2025/03/28
Durchsuchen: 2,138

Leiterdiagramme sind grundlegende und dennoch nützliche Tools, die in der industriellen Automatisierung verwendet werden, um die Steuerlogik darzustellen.Ihr Layout ähnelt einer Leiter mit zwei vertikalen Linien, die die Power Rails darstellen - L1 (lebendig) links und L2 (neutral oder gemahlen) rechts.Die horizontalen Linien oder „Spros“ stellen einzelne Steuervorgänge wie Schalter, Relais oder Ausgangsgeräte dar.

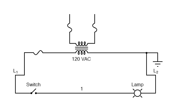
Abbildung 2. Leiterdiagramm, das eine von Handschalter gesteuerte Lampe zeigt
Um zu verstehen, wie Leiterdiagramme funktionieren, stellen Sie sich eine einfache Schaltung vor, die eine Lampe steuert.Ein Schalter wird auf einem der Sprossen platziert und die Lampe zwischen L1 und L2 verdrahtet.Wenn der Schalter geschlossen ist, fließt der Strom von L1 über den Schalter und die Lampe und kehrt dann zu L2 zurück, vervollständigt die Schaltung und drehen Sie die Lampe ein.

Abbildung 3.. Transformator oder Generator, die dieser Schaltung Strom liefern
In diesen Diagrammen wird die tatsächliche Stromquelle - wie ein Transformator oder Generator - normalerweise ausgelassen.Dies konzentriert sich darauf, wie die Kontrolllogik eher und die Besonderheiten der Stromversorgung funktioniert.
Leiterdiagramme sind flexibel und können mit verschiedenen Spannungsniveaus verwendet werden.In vielen Systemen ist 120 VAC Standard für die Steuerung von Relais oder Schalter.Bei Sicherheit, Energieeffizienz oder Kompatibilität mit spezifischen Steuergeräten werden jedoch häufig niedrigere Spannungen wie 24 VDC ausgewählt.

Abbildung 4. Niedrigere Spannungs -AC- und DC
Unabhängig davon, ob eine Wechselstrom- oder DC -Spannung verwendet wird, bleibt die Grundstruktur des Leiterdiagramms gleich.Beispielsweise kann ein 24 VDC -System eine Sicherung zum Schutz vor Überstrom sowie einen klar definierten Erdungsweg enthalten.Diese Details spiegeln wider, wie die tatsächlichen Systeme entwickelt werden - mit der Aufmerksamkeit sowohl auf Leistung als auch auf Sicherheit.
Die richtige Auswahl der Komponenten ist schwerwiegend.Ein Diagramm mag einfach aussehen, aber jedes Element - wie eine Sicherung, einen Schaltertyp oder eine Bodenverbindung - serviert einen Zweck.Diese kleinen Entwurfsentscheidungen summieren sich und spiegeln die praktischen Anforderungen des tatsächlichen Betriebs wider.Sicherheitsmerkmale, wie Sicherungen oder Trennung, sind nicht nur symbolisch.Sie spiegeln die tatsächlichen Schutzmaßnahmen wider, die in industriellen Umgebungen unternommen wurden.
In Leiter -Logiksystemen ist das Zuweisen von Nummern zu Drähten eine große Praxis.Es hilft Ihnen, Steuerkreise effizienter zu erstellen, zu testen und zu behalten.Jeder Kabel im System erhält seine eindeutige Zahl.Zum Beispiel kann der von einem Schalter zu einer Lampe verläufe Kabel als "1" markiert werden, was das Identifizieren und Verfolgung während des Einrichtens oder der Reparatur erleichtert.
Um sicherzustellen, dass diese Zahlen in industriellen Umgebungen sichtbar und intakt bleiben, werden Etiketten unter Verwendung langlebiger Materialien angewendet.Sie können in der Regel hitzebleitende Ärmel oder Industriegrad-Klebetags verwenden, die Vibrationen, Temperaturänderungen und allgemeinem Verschleiß standhalten können.Nehmen Sie einen einfachen Steuerpfad als Beispiel: Der Kabel, der von der Stromleitung (L1) zu einem Schalter ausgeführt wird, kann sowohl mit "L1" als auch mit "1." gekennzeichnet werden.Der Draht von der Lampe zurück zur neutralen Seite (L2) kann die Etiketten "1" und "L2" tragen.Diese Etiketten identifizieren nicht nur Start- und Endpunkte - sie geben einen klaren visuellen Hinweis darauf, wo der aktuelle Reihen ist.
Eine der wichtigsten Regeln für die Drahtnummerierung ist die Konsistenz.Ein Draht hält seine zugewiesene Nummer von Ende bis Ende, auch wenn er mehrere Klemmen durchläuft oder mit verschiedenen Komponenten verbunden ist.In einem komplexeren Bedienfeld kann ein Draht mit "25" an einem Relais beginnen, eine Reihe von Kontaktblöcken und Widerständen durchlaufen und an einem Timer enden.Trotz dieser mehrfachen Verbindungen bleibt der Draht überall mit "25" gekennzeichnet.

Abbildung 5. Elektrisch kontinuierliches Punktgewinde in viele verschiedene Geräte
Diese konsequente Kennzeichnung wird bei der Fehlerbehebung oder Upgrades besonders wertvoll.Wenn Sie ein Panel öffnen und die Nummer "25" an verschiedenen Stellen sehen, wissen Sie sofort, dass dies alle gleiche physische Kabel sind.Das beseitigt das Vermutung, beschleunigt die Diagnostik und verringert die Fehlerwahrscheinlichkeit.Es erleichtert auch das Dokumentieren und Überprüfen von Verbindungen bei der Zusammenstellung oder Änderung von Schaltkreisen - daugnische Aufgaben in industriellen Umgebungen, in denen Genauigkeit und Zeit wichtig sind.
In Leiterdiagrammen ist es eine Standardpraxis, die Ladung - wie eine Lampe, einen Magnet oder eine Relaisspule - auf der rechten Seite jedes Sprossen zu platzieren.Dies ist keine Frage der elektrischen Leistung, sondern einer Klarheit, Konsistenz und Sicherheit.Die Position der Last relativ zur geerdeten Seite der Stromversorgung wirkt sich direkt auf die Reaktion der Schaltung auf Fehler aus.

Abbildung 6. Die Stromversorgung der Leiter ist geerdet
In typischen Setups ist L1 die "heiße" oder energetische Linie, während L2 die geerdete oder neutrale Linie ist.Wenn Sie die Ladung näher an L2 platzieren - das bedeutet, dass sie im Diagramm physisch nach rechts gezogen wird -, ist die Reaktion sowohl vorhersehbar als auch sicher.

Abbildung 7. Bare Leiter kam mit geerdeter Metallkanäle in Kontakt
Wenn beispielsweise eine Lampe zwischen einem Schalter und L2 und dem Kabel 1 (der Draht von L1 zum Schalter) verdrahtet wird, berührt es aufgrund einer beschädigten Isolierung versehentlich eine geerdete Metalloberfläche, der Fehlerpfad tritt nur auf, wenn der Schalter geschlossen ist.In diesem Fall lässt der plötzliche Anstieg die Sicherung sofort blasen, die Schaltung trennen und Schäden oder Gefahren verhindert.

Abbildung 8. Tauschen Sie die Positionen von Schalter und Sicherung aus
Stellen Sie sich nun eine weniger ideale Konfiguration vor, bei der die Sicherung nach dem Schalter näher an der Last platziert wird.In diesem Fall kann ein Bodenfehler auf Draht Nr. 1 die Lampe mit Energie versorgt, selbst wenn der Schalter ausgeschaltet ist.Da die Sicherung stromabwärts des Fehlers ist, wird der Fehlerstrom nicht erfasst oder unterbrechen, es sei denn, der Schalter ist geschlossen.Dies schafft eine gefährliche Situation, in der die Schaltung austritt, aber die Ladung ist immer noch lebendig - was Schock- und Brandgefahren darstellt.
Es geht nicht nur darum, die Ladung in der Nähe der geerdeten Seite des Angebots zu platzieren, sondern auch eine absichtliche Sicherheitsstrategie.Im Falle eines Bodenfehlers stellt diese Konfiguration sicher, dass die Sicherung sofort reagiert und die Stromversorgung vor dem Fehler eskalieren kann.Es stellt auch sicher, dass Steuergeräte wie Schalter funktionsfähig bleiben und dass sie die Last wirklich deaktiviert.
Leiterdiagramme hören nicht auf, die interne Kontrolllogik anzuzeigen.Dazu gehören auch externe Geräte wie Pumpen, Heizungen, Ventilatoren und Motoren - ob diese Komponenten in einem Bedienfeld oder auf dem Produktionsboden angebracht sind.Diese Elemente werden in das Diagramm gezogen, um ihre Rolle im größeren Steuerungssystem widerzuspiegeln.Auf diese Weise können Sie das vollständige Bild sehen - wie interne Steuerung mit externer Hardware interagiert.
Ursprünglich wurden Leiterdiagramme entwickelt, um Relay-basierte Kontrollsysteme darzustellen.Aber als sich die Technologie weiterentwickelte, war es auch ihre Funktion.Heutzutage ist Leiterlogik eine Kernprogrammiersprache, die in programmierbaren Logik -Controllern (SPS) verwendet wird.Es hält die visuelle Struktur der herkömmlichen Relay -Logik und verwendet Symbole und Sprossen, um Operationen darzustellen, aber jetzt wird es verwendet, um digitale Steuerungssysteme zu programmieren, anstatt physische Relais zu verkabeln.
Leiterlogik wird in allem, von grundlegenden Maschinenfunktionen-wie dem Ein- und Ausschalten eines Motors-zu komplexen, mehrstufigen automatisierten Prozessen verwendet.Unabhängig davon, ob Sie einen einfachen Förderer kontrollieren oder das Timing, die Verriegelungen und die Sicherheitssysteme in einer großen Einrichtung koordinieren, bieten Leiterdiagramme eine klare und strukturierte Möglichkeit, die Steuersequenz zu entwerfen und zu programmieren.
Was Leiterdiagramme besonders wertvoll macht, ist, wie sie die physischen und digitalen Seiten der Automatisierung verbinden.Sie bieten Ihnen eine Möglichkeit, PLCs mithilfe einer vertrauten Logik zu programmieren und gleichzeitig die Visualisierung der Funktionsweise des Systems zu erleichtern.Dieser visuelle Ansatz verbessert die Kommunikation zwischen Teams, hilft bei der Fehlerbehebung und macht das Training für Menschen ohne Programmierhintergrund zugänglicher.
Leiterdiagramme werden weit verbreitet, weil sie leicht zu lesen und zu interpretieren sind.Ihre Struktur ähnelt den physischen elektrischen Schaltkreisen, die den Menschen schnell verstehen, wie das System funktioniert-insbesondere diejenigen mit praktischer Erfahrung in der Verkabelung oder der elektrischen Wartung.Auch ohne formale Schulung in der Programmierung können Sie der Logik folgen, indem Sie Symbole erkennen und verstehen, wie der Strom von links nach rechts über das Diagramm fließt.
In vielen industriellen Umgebungen werden die tägliche Fehlerbehebung und Systemprüfungen nicht behandelt.Leiterdiagramme ermöglichen dies.Sie können einen Fehler schnell verfolgen, wenn Sie ein grundlegendes Verständnis von Sprossen, Kontakten und Spulen haben.Sie können leicht verstehen, was das System tun soll, und das Problem zu finden.Dies reduziert Ausfallzeiten und vermeidet, dass Sie darauf warten, dass Spezialpersonal das System interpretiert.
Trotz ihres einfachen Aussehens können Leiterdiagramme eine komplexe Logik bewältigen.Sie können Bedingungen wie Timer, Zähler, Verriegelungen und Sicherheitskontrollen darstellen - alle in einem visuellen Format, das organisiert und leicht zu befolgen bleibt.Dies macht sie ideal, um zu dokumentieren, wie sich ein System verhalten und dieses Verhalten direkt in einen programmierbaren Logik -Controller (PLC) implementiert.
Eines der wertvollsten Merkmale von Leiterdiagrammen ist, dass sie eine gemeinsame Sprache zwischen verschiedenen Rollen in einer Einrichtung erstellen.Sie können alle auf dasselbe Diagramm verweisen und verstehen, wie eine Maschine oder ein Prozess funktionieren soll.Dies verbessert die Zusammenarbeit und erleichtert es, neue Mitarbeiter zu schulen, Systeme zu aktualisieren oder Wartungsaufgaben zwischen den Schichten abzugeben.
Da Leiterdiagramme sowohl Kontrollabsichten als auch physisches Layout zeigen, sind sie während des gesamten Systemlebenszyklus nützlich.Während der Planung und Installation tragen sie bei, dass alles korrekt verkabelt und programmiert ist.Später, während des Betriebs, dienen sie als Anlaufstelle für die Diagnose von Problemen oder als Änderungen.Die Kombination aus Klarheit, Zugänglichkeit und funktionaler Tiefe macht Leiterdiagramme in nahezu jeder industriellen Automatisierung zu einem zuverlässigen Werkzeug.

Leiterlogik wird häufig als Programmiersprache für programmierbare Logikkontroller (SPS) ausgewählt, da sie dem Layout herkömmlicher Relaissteuerungsschaltungen stark ähnelt.Für Sie, die mit fest verdrahteten Systemen gearbeitet haben, ist dieses visuelle Format bekannt.Sie können schnell verstehen, wie eine Kontrollsequenz funktioniert, ohne einen völlig neuen Programmstil zu lernen.
In der Praxis haben sich viele Einrichtungen von physikalischen Relais-basierten Systemen zu PLCs übergeben.Die Verwendung von Leiterlogik erleichtert diesen Übergang, da er das gleiche operative Denken widerspiegelt - jetzt nur über Software angewendet.Was einst physikalische Kabel- und mechanische Relais erforderte, kann jetzt auf einem Bildschirm nach demselben logischen Fluss konfiguriert werden.
Die Leiterlogik ist nicht auf einfache Ein-/Aus -Befehle beschränkt.Es kann fortgeschrittenere Operationen wie das Zählen von Impulsen, die Messung von Zeitverzögerungen und das Ausführen schrittweise Sequenzen verarbeiten.Es kann sogar grundlegende Mathematikoperationen durchführen.Diese Flexibilität ermöglicht es, alles von einfachen Maschinen bis hin zu komplexen, mehrstufigen Automatisierungsprozessen zu unterstützen.
Das Lesen eines Leiterdiagramms beginnt damit, zu erkennen, dass es sich um eine binäre Logik basiert - alles ist entweder ein- oder ausgeschaltet, wahr oder falsch, 1 oder 0. Jedes Sprossen im Diagramm zeigt eine Kontrollbedingung, die, wenn er erfüllt ist, zu einer Aktion wie dem Einschalten eines Lichts, dem Starten eines Motors oder dem Öffnen eines Ventils führt.Dieser binäre Ansatz spiegelt wider, wie die tatsächliche Geräte in automatisierten Systemen arbeitet.
Leiterdiagramme verwenden spezifische Symbole, um physikalische Komponenten darzustellen.Ein normalerweise geöffneter (no) Kontakt steht beispielsweise für so etwas wie eine Pushton, die die Schaltung nur beim Drücken vervollständigt.Ein normalerweise geschlossener (NC) Kontakt hat das Gegenteil - er lässt den Strom fließen, bis eine Aktion ihn öffnet.Diese Symbole werden auf horizontalen Sprossen platziert, die logische Operationen darstellen.Jede Sprosse beginnt normalerweise mit einer oder mehreren Eingangsbedingungen links wie Schalter oder Sensoren und endet mit einem Ausgangsgerät auf der rechten Seite wie einer Relaisspule oder einer Lampe.
Die Logik eines Leiterdiagramms fließt von links nach rechts und von oben nach unten.Sie können sich jeden Sprossen als Satz in einer Reihe von Anweisungen vorstellen.Zum Beispiel könnte ein Sprosse sagen: Wenn ein Taste gedrückt wird und ein Sensor ein Objekt erkennt, schalten Sie einen Motor ein.Wenn Sie das Diagramm hinunterziehen, fügt jeder Sprosg eine weitere Regel oder Bedingung hinzu, die dazu beiträgt, wie sich das System insgesamt verhält.
Bevor Sie online ein Leiterdiagramm erstellen, ist es wichtig zu wissen, wie eine Leiterlogik organisiert ist.Ein Leiterdiagramm hat zwei vertikale Linien - angenannte Schienen -, die die elektrische Stromversorgung darstellen.Die linke Schiene verbindet normalerweise die positive (oder „heiße“) Seite, während die rechte Schiene mit der neutralen oder negativen Seite verbunden ist.Zwischen diesen Schienen repräsentieren horizontale Linien - angenannte Sprossen - individuelle Kontrollschaltungen.Jede Sprosse zeigt eine bestimmte Bedingung oder Aktion im System.
Eingänge sind Geräte wie Push-Buttons, Limit Switches oder Sensoren.Dies sind die Komponenten, die Benutzeraktionen oder physische Änderungen in der Umgebung erkennen.Im Diagramm sind sie normalerweise auf der linken Seite eines Sprossen gezeigt.
Ausgänge sind die Geräte, die auf diese Eingaben reagieren.Dies können Motoren, Lampen, Summer oder Magnetoide sein.Sie sind in Richtung der rechten Seite des Sprosse gezeigt und werden aktiviert, wenn die Eingangsbedingungen erfüllt sind.
Jeder Sprosg stellt eine logische Regel dar, die beim Einschalten eines Ausgangs steuert.Wenn beispielsweise zwei normalerweise geöffnete Kontakte in Reihe sind, müssen beide aktiviert (oder „wahr“), damit der Ausgang eingeschaltet wird.Wenn sie parallel sind, wird der Ausgang mit Strom versorgen.Mit diesem Setup können Sie benutzerdefinierte Kontrollverhalten entwerfen, die die tatsächlichen Betriebsbedürfnisse widerspiegeln.
Um Ihr Diagramm mit einer tatsächlichen SPS- oder Simulationsumgebung zu verbinden, müssen Sie jedem Symbol Adress -Tags zuweisen.Diese Tags verknüpfen die Eingänge und Ausgänge des Diagramms mit den tatsächlichen Speicherorten oder E/A -Klemmen in der SPS.Beispielsweise kann eine Taste als „I: 1.0“ bezeichnet werden, um anzuzeigen, dass es sich um die erste Eingabe auf Modul 1 handelt, und ein Motor kann mit „O: 2.1“ für die Ausgabe auf Modul 2 gekennzeichnet werden.
Moderne Online-Ladder-Logikplattformen bieten Drag & Drop-Schnittstellen, sodass es einfach ist, Diagramme zu erstellen, ohne Code zu schreiben.Sie können Eingänge, Ausgänge, Timer und andere Komponenten mit einigen Klicks auf Sprossen platzieren.Die meisten Tools enthalten auch Simulationsfunktionen, damit Sie testen können, wie sich Ihr Diagramm verhält, bevor Sie es für tatsächliche Hardware bereitstellen.Dies ist besonders nützlich, um Fehler frühzeitig zu identifizieren und Ihr Design vor der tatsächlichen Implementierung zu verbessern.
Sobald Ihre Logik abgeschlossen ist, verwenden Sie die Simulation, um verschiedene Betriebsszenarien durchzugehen.Versuchen Sie, Eingänge auszulösen und zu beobachten, wie die Ausgänge reagieren.Wenn sich die Logik nicht wie erwartet verhalten, ist es einfach, zurück zu gehen, die Sprossen anzupassen und erneut zu testen.Nachdem alles richtig funktioniert hat, kann das endgültige Diagramm je nach Plattform direkt in eine SPS exportiert oder hochgeladen werden.
Aus diesem Blick auf Leiterdiagramme ist klar, dass sie für die industrielle Automatisierung sehr wichtig sind, da sie leicht zu verstehen, zuverlässig und flexibel sind.Diese Diagramme helfen beim Entwerfen und Fixieren von Steuerungssystemen und machen sie sicherer und effizienter.Sie verbinden die tatsächlichen Geräte mit den digitalen Steuerelementen, wodurch Leiterdiagramme für alle nützlich sind, die programmierbare Logikkontroller (SPS) programmieren und die Dinge in verschiedenen Branchen reibungslos laufen lassen.Zu wissen, wie man Leiterdiagramme verwendet, ist nützlich für die Arbeit mit automatisierten Systemen.
Ein Leiterdiagramm ist eine Art von Schema, die hauptsächlich zur Veranschaulichung verwendet wird, wie elektrische Schaltkreise in der Kontrolllogik funktionieren.Es besteht aus zwei vertikalen Linien, die die Stromversorgung (häufig als Schienen abgebildet) darstellen, und horizontale Linien zwischen diesen Schienen symbolisieren die verschiedenen Komponenten in der Schaltung, z. B. Schalter, Relais, Timer und Motoren.Jede Sprosse auf der Leiter stellt ein eindeutiges Steuerelement oder Betrieb innerhalb des Stromkreises dar, wodurch eine einfache Interpretation der Kontrollvorgänge ermöglicht werden.
Leiterdiagramme werden hauptsächlich verwendet, um das Verständnis und die Fehlerbehebung elektrischer Steuerungssysteme zu vereinfachen.Sie bieten eine visuelle Darstellung, die die elektrische Verkabelung eng nachahmt, denen Sie leicht folgen können.Schematische Diagramme dagegen bieten detaillierte Verbindungen zwischen allen Komponenten, einschließlich integrierter Schaltungen und komplexer Elektronik, wodurch ein tieferes Verständnis des gesamten Systems und die Unterstützung der Entwurfs- und Analysephasen ermöglicht werden.
Während Leiterdiagramme für einfache Kontrolllogik mit Relais und Timern hervorragend sind, haben sie Einschränkungen mit komplexeren Systemen.Sie können umständlich und weniger intuitiv werden, wenn sie mit großen Systemen oder erweiterten Funktionen wie analogen Operationen umgehen, die in anderen Formen von Diagrammen wie Funktionsblock oder sequentiellen Funktionstabellen besser dargestellt werden.
Einer der größten Fehler bei der Verwendung von Leiterdiagrammen ist die Überkompetenz - zu viele Bedingungen oder Komponenten auf einem einzigen Sprossen.Dies macht das Diagramm schwierig zu lesen und zu beheben.Es wird verwendet, um die Leiterlogik einfach zu halten und sicherzustellen, dass jeder Spros einen klaren und einzigen operativen Zweck hat.
Trotz seiner Einschränkungen bleibt die Leiterlogik aufgrund seiner Einfachheit und Ähnlichkeit mit körperlicher Relaiskabel weit verbreitet.Sie können sich mit diesem Format vertraut machen und es einfacher machen, vorhandene Systeme ohne umfangreiche Umschulung zu warten und zu ändern.Das standardisierte Erscheinungsbild und die Benutzerfreundlichkeit in Programmierplcs (Programmierlogic Controller) tragen ebenfalls zu seiner dauerhaften Beliebtheit bei der industriellen Automatisierung bei.
CAP CER 0.047UF 50V X7R 0805
CAP CER 1000PF 50V X7R 0805
CAP TANT 0.47UF 20% 35V 1411
CAP TANT 1500UF 20% 2.5V 2917
IC HOST CTLR USB2.0 3-PORTS QFP
IC MCU 32BIT 384KB FLSH 48UFQFPN
IC COMMUNICATION ELEMENT 44-PLCC
DC DC CONVERTER 12V 75W
LC75386NE-R SONY
TA2040AF TOSHIBA
IC REG LINEAR POS ADJ 4A 20VQFN
CAP TANT 33UF 20% 10V 2312
PI74FCT32803L PERICOM

