Deutsch
Zeit: 2025/12/10
Durchsuchen: 610
Der 2SC2879
![]()
2SC2879
Toshiba Semiconductor and Storage
In Stock: 128200 pcs
ist ein Hochleistungs-NPN-HF-Transistor von Toshiba.In diesem Artikel werden die wichtigsten Spezifikationen und absoluten Nennwerte des 2SC2879, Pinbelegung und mechanische Details, typische Kennlinien und deren Bedeutung für die Verstärkerleistung, praktische Anwendungen und mehr erläutert.

Die 2SC2879
![]()
2SC2879
Toshiba Semiconductor and Storage
In Stock: 128200 pcs
von Toshiba ist ein Hochleistungs-NPN-HF-Transistor, der für Kommunikationsgeräte entwickelt wurde, die eine starke, stabile Verstärkung erfordern.Es arbeitet hauptsächlich im HF-Band und ist für seine hervorragende Verstärkung, lineare Ausgabe und Haltbarkeit im Dauereinsatz bekannt.Aufgrund seiner internen Struktur und seines robusten Designs liefert es selbst unter anspruchsvollen HF-Lastbedingungen zuverlässige Leistung.
Dieser Transistor kann eine PEP-Ausgangsleistung von bis zu 100 W liefern und wird daher häufig in HF-Funksendern, Amateurfunk-Linearverstärkern und ähnlichen HF-Systemen eingesetzt.Sein Flanschpaket im TO-220-Stil trägt zur effizienten Wärmeableitung bei, während sein großer Verstärkungsbereich eine saubere und starke Signalverstärkung unterstützt.
Wenn Sie Interesse am Kauf des 2SC2879 haben, kontaktieren Sie uns bitte bezüglich Preis und Verfügbarkeit.

|
Pin
Nummer |
Pin
Name |
Beschreibung |
|
1 |
Emitter |
Hauptsender
Anschluss für den Stromfluss des Transistors. |
|
2 |
Basis |
Steuert die
Transistorbetrieb und empfängt das Eingangs-HF-Signal. |
|
3 |
Emitter |
Zweiter Emitter
Verbindung (üblich bei HF-Transistoren für bessere Erdung und Stabilität). |
|
4 |
Sammler |
Hauptkollektor
Terminal, an das der verstärkte HF-Ausgang geliefert wird. |
|
Modell |
Typ |
Ausgabe
Leistung (ca.) |
Kompatibilität |
|
2SC2879A |
NPN-HF-Leistung
Transistor |
100 W PEP |
Verbessert/aktualisiert
Version;Direktes Upgrade. |
MRF455
![]() |
NPN RF
Transistor |
60–80 W |
Kompatibel in
viele HF-Verstärker;etwas geringere Leistung. |
MRF421
![]() |
NPN RF
Transistor |
80–100 W |
Gute HF-Linearität
Verstärkeraustausch. |
SD1446
![]() |
NPN-HF-Leistung
Transistor |
60–70 W |
Wird oft als verwendet
Plug-in-Alternative in HF-Stufen. |
|
2SC2290
|
NPN-HF-Leistung
Transistor |
80W |
Gewöhnlich
Ersatz;geringere Leistung, aber ähnliches Verhalten. |
2SC3133
![]() |
NPN RF
Transistor |
60–80 W |
Kann verwendet werden
ähnliche HF-Leistungsverstärkerschaltungen. |
|
Parameter |
Wert
|
|
Transistortyp |
NPN Silizium BJT
(HF-Leistungstransistor) |
|
Bewerbung |
HF-Band-HF-Leistung
Verstärker (2–30 MHz), typischerweise 27–28 MHz |
|
Ausgangsleistung
(PEP) |
100 W bei 12,5 V |
|
Kraftgewinn |
~13 dB (typisch) |
|
Sammler
Effizienz |
≥ 35 % |
|
IMD
(Intermodulationsverzerrung) |
–24 dB (bei 100 W
PEP) |
|
Sammlerbasis
Spannung (VCBO) |
45 V |
|
Sammler-Emitter
Spannung (VCEO / VCES) |
18V / 45V |
|
Emitter-Basis
Spannung (VEBO) |
4 V |
|
Sammler
Strom (IC max) |
25 A |
|
Kollektorleistung
Verlustleistung (PC) |
250 W |
|
Kreuzung
Temperatur (Tj max) |
175 °C |
|
Gleichstromverstärkung
(hFE) |
10 – 150 (variiert
mit Arbeitspunkt) |
|
Übergang
Frequenz (fT) |
~100 MHz |
|
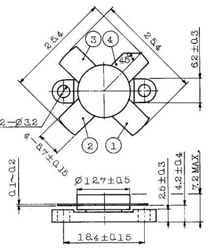
Paket / Pinbelegung |
TO-247-Stil;
Pin 1 = Basis, Pin 2 = Kollektor, Pin 3 = Emitter |
|
Charakteristisch |
Wert |
|
Sammlerbasis
Spannung (VCBO) |
45 V |
|
Sammler-Emitter
Spannung (VCES) |
45 V |
|
Sammler-Emitter
Spannung (VCEO) |
18 V |
|
Emitter-Basis
Spannung (VEBO) |
4 V |
|
Sammler
Strom (IC) |
25 A |
|
Kollektorleistung
Verlustleistung (PC) |
250 W |
|
Kreuzung
Temperatur (Tj) |
175 °C |
|
Lagerung
Temperaturbereich (Tstg) |
–65 ~ 175 °C |


(Po vs. Pi) zeigt, wie die Ausgangsleistung des 2SC2879
![]()
2SC2879
Toshiba Semiconductor and Storage
In Stock: 128200 pcs
zunimmt, wenn die Eingangsantriebsleistung erhöht wird.Die Kurve zeigt, dass der Transistor bei niedrigeren Eingangspegeln eine starke Verstärkung liefert und sich mit zunehmender Ansteuerung allmählich der Sättigung nähert.Das bedeutet, dass das Gerät bei kleiner bis mittlerer Eingangsleistung effizient verstärkt, sich die Ausgangsleistung jedoch verlangsamt, wenn sich die Eingangsleistung der Obergrenze nähert.Der für diese Messung verwendete Arbeitspunkt liegt bei etwa 28 MHz bei einer 12,5-V-Versorgung und einem Ruhestrom von 100 mA, was typische HF-Verstärkerbedingungen widerspiegelt.
Das zweite Diagramm (IMD vs. Po) veranschaulicht, wie sich die Intermodulationsverzerrung mit der Ausgangsleistung ändert.Bei niedrigeren Ausgangspegeln verbessert sich die IMD (bewegt sich negativer) und erreicht ihre beste Leistung bei etwa 60–70 W PEP.Je näher die Ausgangsleistung der vollen Leistungsfähigkeit des Transistors kommt, desto schlimmer wird die Verzerrung.Dieses Verhalten ist für HF-Leistungstransistoren normal: Die Linearität ist bei mittleren Leistungspegeln am besten, während das Streben nach maximaler Ausgangsleistung die nichtlinearen Effekte verstärkt.
• Lineare HF-Leistungsverstärker (Hochfrequenz).
• CB-Funksender (Citizens Band) und Verstärker
• Amateurfunk (Ham Radio) HF-Bandverstärker, insbesondere 10–12 Meter
• SSB (Single Sideband) lineare Verstärkungsstufen
• Push-Pull-HF-Verstärkerkonfigurationen für hohe Ausgangsleistung
• Ersatz- oder Upgrade-Transistor in älteren HF-Verstärkergeräten
• HF-Leistungsstufen, die einen hohen Strom und eine hohe Verstärkung bei 28 MHz erfordern
• Mobilfunk- und Basisstations-Kommunikationssender
• Hobby- und kommerzieller Bau und Reparatur von HF-Leistungsverstärkern
|
Parameter |
2SC2879
|
2SC3240
![]() |
|
Transistortyp |
NPN-HF-Leistung
Transistor |
NPN-HF-Leistung
Transistor |
|
Verwendungszweck |
HF Lineare HF
Verstärker (SSB/CW) |
HF/VHF-HF-Leistung
Verstärker |
|
Frequenzbereich |
2–30 MHz |
Bis zu ~60 MHz
(variiert je nach Hersteller) |
|
Sammler-Emitter
Spannung (Vceo) |
~30 V |
~60 V |
|
Sammlerbasis
Spannung (Vcbo) |
~45 V |
~80 V |
|
Sammler
Strom (Ic max) |
25 A |
30 A (abhängig
auf Quelle) |
|
Macht
Verlustleistung (PC) |
~250 W |
~300 W (variiert
laut Datenblatt) |
|
Ausgangsleistung
(Typische Verwendung) |
~100 W PEP @
12,5 V |
Höheres Potenzial
Ausgang bei höherer Versorgungsspannung |
|
Versorgungsspannung
(Typisch) |
12,5 V HF
Verstärker |
Entwickelt für
höhere Spannungsstufen |
|
Gewinn (hFE /
Leistungsgewinn) |
Hoher Gewinn bei niedrigem
Spannung (wird häufig in CB-/Amateur-Verstärkern verwendet) |
Höherer Gewinn bei
höhere Spannung;oft effizienter |
|
Pakettyp |
TO-3P / Flansch
RF-Paket |
TO-3P / HF-Leistung
Paket |
|
Thermisch
Widerstand |
Niedrig (erfordert
gute Wärmeableitung) |
Niedriger (besser
thermischer Spielraum in vielen Designs) |
|
Voreingenommen |
Geeignet für
Niederspannungs-Linearklasse AB |
Erfordert Versorgung
Spannungsbetrachtung |
|
Verfügbarkeit |
Werden selten;
Es gibt viele Klone |
Moderner
Teil;oft einfacher zu beschaffen |
|
Am besten für |
12–14 V HF
Linearverstärker |
Höhere Spannung
HF-Stufen benötigen mehr Headroom |
|
Austauschbarkeit |
Direkt
Austausch nur bei identischen Spannungsverhältnissen |
Keine direkte
Drop-In;Die Schaltung muss möglicherweise geändert werden |

|
2SC2879
|
2SC2879
Einschränkungen |
|
Hohe HF-Leistung
Ausgang, geeignet für HF/VHF-Verstärkung |
Auslaufmodell /
veraltet;Echte Einheiten sind schwieriger zu beschaffen |
|
Hervorragender Gewinn
und Effizienz in Amateurfunk- und CB-Funkanwendungen |
Anfällig für
Fälschungen, die Leistung und Zuverlässigkeit beeinträchtigen |
|
Robust
Konstruktion mit gutem thermischen Handling |
Erfordert ordnungsgemäß
Kühlkörper, um eine Überhitzung bei hoher Leistung zu vermeiden |
|
Stabil
Leistung über weite Frequenzbereiche |
Nicht ideal für
moderne hocheffiziente LDMOS-basierte HF-Designs |
|
Kompatibel mit
viele ältere HF-Verstärkerschaltungen |
Höhere Kosten fällig
zur begrenzten Verfügbarkeit |
Toshiba ist bekannt für die Herstellung hochwertiger Halbleiterkomponenten mit hoher Zuverlässigkeit, gleichbleibender Leistung und fortschrittlichen Herstellungsprozessen.Das Unternehmen ist auf Leistungsgeräte, HF-Transistoren, diskrete Komponenten und integrierte Schaltkreise für Industrie-, Verbraucher- und Kommunikationsanwendungen spezialisiert.Seine technischen Fähigkeiten gewährleisten stabile elektrische Eigenschaften, effizientes Wärmemanagement und langfristige Haltbarkeit über ein breites Spektrum an Betriebsbedingungen.
Der 2SC2879 bietet die beste Leistung bei 12–14 V, wodurch eine gute Verstärkung und Linearität erhalten bleibt und gleichzeitig übermäßige Wärme und Verzerrungen vermieden werden.
Verwenden Sie eine stabile Vorspannung der Klasse AB mit einem Leerlaufstrom von ca. 100–150 mA, um saubere SSB-Signale und eine reduzierte IMD zu erzielen.
Ja.Zwei aufeinander abgestimmte 2SC2879-Transistoren bilden eine effiziente Push-Pull-Stufe und verbessern die Ausgangsleistung, Linearität und Wärmeverteilung.
Überprüfen Sie, ob unregelmäßige Markierungen, falsches Gewicht, außermittiger Druck, ungewöhnliche Schriftarten und schlechte Wärmeleistung während des Betriebs vorhanden sind.
Ja.Für maximale Verstärkung, Effizienz und Stabilität sind geeignete 50-Ohm-Anpassungsnetzwerke am Ein- und Ausgang erforderlich.
Bei 28 MHz liefert der Transistor je nach Vorspannung, Last und Schaltungsdesign typischerweise eine Verstärkung von etwa 13 dB.
Moderne LDMOS-HF-Transistoren wie der MRF300 oder BLF188XR bieten eine höhere Effizienz, Spannungstoleranz und Robustheit.
CAP ALUM 470UF 20% 420V SNAP
CAP CER 22UF 16V X5R 1206
DIODE SCHOTTKY 60V 2A PWRDI123
IC ADC 24BIT SIGMA-DELTA 38QFN
IC OPAMP JFET 4 CIRCUIT 14SOIC
IC FLASH 64GBIT 52MHZ 153WFBGA
IC REG BST SEPIC ADJ 8VSSOP
SP213EET/TR SIPEX
SANYO QFP
CY7C182-25SCT CY
MT29F64G08TAA MICRON
TOSHIBA BGA
IC DSP CONTROLLER 16BIT 100LQFP

RF TRANS NPN 18V M113
vorrätig: 1841

RF TRANS NPN 18V 211-07
vorrätig: 638

2SC3133 MITSUBI
vorrätig: 892

2SC3240 MITSUBI
vorrätig: 1605

TRANS RF NPN 20V 20A 211-11
vorrätig: 716
