Deutsch
Zeit: 2026/03/6
Durchsuchen: 82

Die ADS1115 ist ein hochpräziser 16-Bit-Analog-Digital-Wandler (ADC), der analoge Spannungssignale in digitale Daten umwandelt, die Mikrocontroller verarbeiten können.Es wird mit einer einzigen Stromversorgung von 2,0 V bis 5,5 V betrieben und kommuniziert über eine I²C-kompatible serielle Schnittstelle, was eine einfache Integration in eingebettete Systeme wie Arduino, Raspberry Pi und andere Mikrocontroller-Plattformen ermöglicht.Das Gerät verfügt über eine interne Referenz und einen Oszillator, was das Schaltungsdesign vereinfacht und die Anzahl der erforderlichen externen Komponenten reduziert.
Der ADS1115 verfügt außerdem über einen integrierten Verstärker mit programmierbarer Verstärkung (PGA), der die Messung sehr kleiner Signale mit Eingangsbereichen bis hinunter zu ±256 mV ermöglicht.Es kann Konvertierungen mit Geschwindigkeiten von bis zu 860 Samples pro Sekunde (SPS) durchführen und verfügt über einen internen Multiplexer (MUX), der vier Single-Ended-Eingänge oder zwei Differenzeingänge unterstützt, wodurch es für Multisensor-Datenerfassungs- und Präzisionsmesssysteme geeignet ist.
Wenn Sie am Kauf des ADS1115 interessiert sind, kontaktieren Sie uns bitte bezüglich Preis und Verfügbarkeit.


|
Pin
Nein. |
Pin
Name |
Typ |
Beschreibung |
|
1 |
ADDR |
Digitaler Eingang |
I²C-Adresse
Auswahlstift.Wird verwendet, um die Slave-Adresse des ADS1115 auf dem I²C zu konfigurieren
Bus. |
|
2 |
ALARM/RDY |
Digitaler Ausgang |
Programmierbar
Komparatorausgang oder umwandlungsbereites Signal zur Unterbrechung oder Überwachung
Funktionen. |
|
3 |
GND |
Macht |
Bodenreferenz
für das Gerät. |
|
4 |
AIN0 |
Analoger Eingang |
Analoger Eingang
Kanal 0. Kann als positiver Eingang im Differenzmodus oder als verwendet werden
Single-Ended-Eingang. |
|
5 |
AIN1 |
Analoger Eingang |
Analoger Eingang
Kanal 1. Kann als negativer Eingang im Differenzmodus oder als verwendet werden
Single-Ended-Eingang. |
|
6 |
AIN2 |
Analoger Eingang |
Analoger Eingang
Kanal 2. Kann als positiver Eingang für Differenzmessungen oder verwendet werden
als Single-Ended-Eingangskanal. |
|
7 |
AIN3 |
Analoger Eingang |
Analoger Eingang
Kanal 3. Kann als negativer Eingang im Differenzmodus oder als verwendet werden
Single-Ended-Eingangskanal. |
|
8 |
VDD |
Macht |
Stromversorgung
Eingang für das Gerät.Funktioniert von 2,0 V bis 5,5 V. |
|
9 |
SDA |
Digitale I/O |
Serielle Datenleitung
für die I²C-Schnittstelle, die zum Senden und Empfangen von Daten zwischen den verwendet wird
ADS1115 und ein Mikrocontroller. |
|
10 |
SCL |
Digitaler Eingang |
Serielle Uhr
Leitung für die I²C-Schnittstelle, die zur Synchronisierung der Datenübertragung dient. |
• ADS1015
• ADS1114
• ADS1113
• MCP3008
• MCP3424
• PCF8591
• MAX11612
• ADS1118
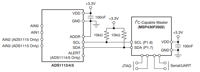
Der Schaltplan zeigt die grundlegende Hardware-Verbindung des Analog-Digital-Wandlers ADS1115 mit einem Mikrocontroller über die I²C-Kommunikationsschnittstelle.Der ADS1115 wird mit einer 3,3-V-Stromversorgung betrieben, wobei der VDD-Pin mit der Versorgungsspannung und der GND-Pin mit Masse verbunden ist.Zwischen VDD und GND ist ein 100-nF-Bypass-Kondensator platziert, um die Stromversorgung zu stabilisieren und elektrisches Rauschen während des Betriebs zu reduzieren.

Die Pins SDA (Serial Data) und SCL (Serial Clock) verbinden den ADS1115 mit dem I²C-Bus des Mikrocontrollers.In diesem Beispiel kommuniziert der Mikrocontroller mit dem ADC über die Pins P1.7 (SDA) und P1.6 (SCL).Zwei 10-kΩ-Pull-up-Widerstände sind von SDA und SCL an die 3,3-V-Versorgung angeschlossen.Diese Widerstände sind für eine ordnungsgemäße I²C-Kommunikation erforderlich, da der Bus Open-Drain-Signalisierung verwendet.
Die Pins AIN0–AIN3 sind die analogen Eingangskanäle, die zur Messung externer Signale verwendet werden.Über diese Eingänge kann der ADS1115 Sensorausgänge oder andere analoge Spannungen lesen.Der ADDR-Pin wählt die I²C-Adresse des Geräts aus, sodass mehrere ADCs denselben Bus teilen können.Der ALERT-Pin (verfügbar auf ADS1114 und ADS1115) kann als Komparatorausgang oder als Konvertierungsbereitschaftssignal fungieren, um den Mikrocontroller zu benachrichtigen, wenn eine Messung abgeschlossen ist.

Der ADS1115 empfängt analoge Signale über die Eingangspins AIN0–AIN3, die mit einem internen Multiplexer (MUX) verbunden sind.Der MUX wählt einen Eingangskanal oder ein Differenzpaar aus, sodass der ADC verschiedene Signale mit einem einzigen Wandler messen kann.
Das ausgewählte Signal durchläuft dann den programmierbaren Verstärkungsverstärker (PGA), der den Signalpegel für eine bessere Messgenauigkeit anpasst.Nach der Verstärkung wird das Signal vom 16-Bit-Delta-Sigma-ADC (ΔΣ) in digitale Daten umgewandelt, wobei eine interne Spannungsreferenz und ein Oszillator zur Steuerung des Umwandlungsprozesses verwendet werden.
Die konvertierten Daten werden über die I²C-Schnittstelle über die SCL- und SDA-Pins an einen Mikrocontroller gesendet.Der ADDR-Pin legt die Geräteadresse fest, während der ALERT/RDY-Pin als Komparatorausgang fungieren oder anzeigen kann, wann eine Konvertierung abgeschlossen ist.
|
Parameter |
Wert |
|
Auflösung |
16-Bit |
|
Maximale Probe
Bewerten |
860 SPS |
|
Versorgungsspannung
Reichweite |
2,0 V – 5,5 V |
|
Analoger Eingang
Spannungsbereich |
−0,3 V bis VDD +
0,3 V |
|
Analoger Eingang
Strom (momentan) |
100mA |
|
Analoger Eingang
Strom (kontinuierlich) |
10mA |
|
Eingangskanäle |
4 Single-Ended /
2 Differential |
|
Programmierbar
Gewinn |
2/3, 1, 2, 4, 8,
16 |
|
Schnittstelle |
I²C (4
Wählbare Adressen) |
|
Komparator |
Programmierbar |
|
Betrieb
Temperaturbereich |
−40 °C bis +125 °C |
|
Maximale Kreuzung
Temperatur |
+150°C |
|
Lagerung
Temperaturbereich |
−60 °C bis +150 °C |
Der ADS1115 bietet eine 16-Bit-Auflösung, wodurch er analoge Signale mit hoher Präzision messen kann.Dadurch eignet es sich für Anwendungen, die eine genaue Datenerfassung erfordern, wie z. B. Sensorüberwachungs- und Messsysteme.
Das Gerät wird mit einer Stromversorgung von 2,0 V bis 5,5 V betrieben und ermöglicht so eine einfache Integration sowohl in Niederspannungs- als auch in Standard-Digitalsysteme wie Mikrocontroller und eingebettete Plattformen.
Der ADS1115 ist für den Betrieb mit geringem Stromverbrauch ausgelegt und verbraucht im kontinuierlichen Umwandlungsmodus etwa 150 µA.Im Single-Shot-Modus schaltet sich das Gerät nach jeder Konvertierung automatisch ab, um den Stromverbrauch weiter zu reduzieren.
Der ADC unterstützt programmierbare Abtastraten von 8 SPS bis 860 SPS, sodass Entwickler je nach Anwendung ein Gleichgewicht zwischen Wandlungsgeschwindigkeit und Messgenauigkeit herstellen können.
Der integrierte PGA ermöglicht einstellbare Verstärkungseinstellungen, sodass der ADS1115 sowohl kleine als auch große analoge Signale ohne externe Verstärkung genau messen kann.
Der ADS1115 unterstützt vier Single-Ended-Eingänge oder zwei Differenzeingänge, sodass mehrere Sensoren oder Signale mit einem einzigen ADC-Gerät überwacht werden können.
Das Gerät verwendet eine Standard-I²C-Schnittstelle mit wählbaren Adressen, wodurch es einfach ist, mehrere ADS1115-Konverter an denselben Kommunikationsbus anzuschließen.
Eine interne Spannungsreferenz und ein Oszillator mit geringer Drift sorgen für einen stabilen Betrieb und genaue Umwandlungen, ohne dass externe Referenzkomponenten erforderlich sind.
Der ADS1115 enthält einen programmierbaren Komparator, der den ALERT/RDY-Pin auslösen kann, wenn Eingangssignale vordefinierte Schwellenwerte überschreiten oder wenn eine Konvertierung abgeschlossen ist.
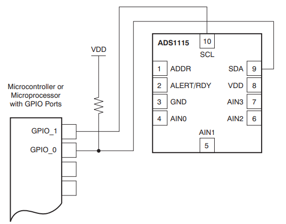
Wie kann der ADS1115 ADC über GPIO-Pins mit einem Mikrocontroller oder Mikroprozessor verbunden werden?Der ADS1115 kommuniziert mit dem Controller über die I²C-Schnittstelle, wobei die Pins SCL (Takt) und SDA (Daten) mit dem Controller verbunden sind, um digitale Konvertierungsdaten zu übertragen.

Der VDD-Pin ist mit der Stromversorgung verbunden, während der GND-Pin die Massereferenz bereitstellt.Die Pins AIN0–AIN3 sind die analogen Eingangskanäle, die zum Messen externer analoger Signale wie Sensorausgänge oder Spannungspegel verwendet werden.Mit diesen Eingängen kann der ADS1115 analoge Signale in digitale Daten für den Controller umwandeln.
Der ADDR-Pin ist über einen Widerstand mit einem GPIO-Pin verbunden, sodass der Mikrocontroller die I²C-Geräteadresse steuern kann.Dadurch ist es möglich, mehrere ADS1115-Geräte an denselben I²C-Bus anzuschließen.Der ALERT/RDY-Pin kann auch mit einem GPIO-Pin verbunden werden, sodass der ADC dem Mikrocontroller signalisieren kann, wenn eine Konvertierung abgeschlossen ist oder ein programmierter Schwellenwert erreicht ist.

Das Diagramm zeigt, wie das Analog-Digital-Wandlermodul ADS1115 über die I²C-Kommunikationsschnittstelle mit einem Arduino Uno verbunden werden kann.Der VDD-Pin des ADS1115 ist mit der 5-V-Versorgung des Arduino verbunden, während der GND-Pin mit der Arduino-Masse verbunden ist und die erforderliche Energie für das ADC-Modul bereitstellt.
Die Kommunikation zwischen dem Arduino und dem ADS1115 erfolgt über den I²C-Bus.Der SDA-Pin des ADS1115 wird mit dem Arduino-A4-Pin verbunden, und der SCL-Pin wird mit dem Arduino-A5-Pin verbunden. Dies sind die Standard-I²C-Pins auf dem Arduino Uno.Über diese Leitungen kann der Arduino Befehle senden und aus analogen Signalen umgewandelte digitale Daten lesen.
Die Pins AIN0–AIN3 des ADS1115 dienen als analoge Eingangskanäle, an die externe Sensoren oder Spannungssignale angeschlossen werden können.Der ADS1115 wandelt diese analogen Signale in hochauflösende digitale Werte um, die der Arduino in Software für Mess-, Überwachungs- oder Steuerungsanwendungen verarbeiten kann.
• Sensordatenerfassungssysteme
• Industrielle Überwachungs- und Steuerungssysteme
• Batteriespannungsüberwachungsschaltungen
• Temperatur- und Umgebungssensorgeräte
• Datenprotokollierungs- und Messgeräte
• Medizinische und Laborinstrumente
• IoT und eingebettete Überwachungssysteme
• Präzisions-Spannungsmesssysteme
• Arduino- und Raspberry Pi-Sensorschnittstelle
• Smart-Home-Automatisierungsgeräte
|
Parameter |
ADS1115 |
ADS1015 |
MCP3008 |
MCP3424 |
|
Auflösung |
16-Bit |
12-Bit |
10-Bit |
18-Bit (maximal) |
|
Schnittstelle |
I²C |
I²C |
SPI |
I²C |
|
Maximale Probe
Bewerten |
860 SPS |
3300 SPS |
200 kSPS |
240 SPS |
|
Eingangskanäle |
4 Single-Ended /
2 Differential |
4 Single-Ended /
2 Differential |
8 Single-Ended |
4 Differential |
|
Programmierbar
Verstärkungsverstärker (PGA) |
Ja |
Ja |
Nein |
Ja |
|
Versorgungsspannung
Reichweite |
2,0 V – 5,5 V |
2,0 V – 5,5 V |
2,7 V – 5,5 V |
2,7 V – 5,5 V |
|
Eingebaut
Komparator |
Ja |
Ja |
Nein |
Nein |
|
Interne Spannung
Referenz |
Ja |
Ja |
Nein |
Ja |
|
Typisch
Anwendungen |
Präzision
Erfassung, Datenerfassung |
Schnellerer ADC
Messung |
Mehrkanalig
SPI-Erkennung |
Hochauflösend
Messung |

Texas Instruments verfügt über starke Halbleiterfertigungskapazitäten, die die Produktion hochpräziser analoger Geräte wie des ADS1115 ermöglichen.Das Unternehmen betreibt moderne Wafer-Fertigungsanlagen und Montageanlagen, die die Herstellung zuverlässiger analoger integrierter Schaltkreise unterstützen.Texas Instruments nutzt hochwertige Siliziumwaferverarbeitung, Präzisionslithographie und fortschrittliche analoge Designtechniken, um ADC-Geräte mit gleichbleibender Leistung und Genauigkeit herzustellen.Der Herstellungsprozess umfasst automatisierte Waferherstellung, IC-Packung und elektrische Tests, um einen stabilen Betrieb und niedrige Fehlerraten sicherzustellen.
Der ADS1115 bietet eine 16-Bit-Auflösung und damit eine höhere Messgenauigkeit als der 12-Bit-ADS1015.Allerdings unterstützt der ADS1015 schnellere Abtastraten und eignet sich daher besser für Hochgeschwindigkeitsmessungen.
Der ADS1115 bietet eine hochpräzise 16-Bit-Umwandlung und kann so sehr kleine Spannungsänderungen erkennen.Sein eingebauter Verstärker mit programmierbarer Verstärkung verbessert die Genauigkeit bei der Messung von Signalen mit niedrigem Pegel.
Ja.Der ADS1115 unterstützt zwei Differenzeingangspaare oder vier Single-Ended-Eingänge und ermöglicht so die Messung von Spannungsunterschieden zwischen zwei Signalen, was bei Sensor- und Industriemessungen nützlich ist.
Beliebte Plattformen wie Arduino, Raspberry Pi und MicroPython bieten gebrauchsfertige Bibliotheken, die die Konfiguration, das Lesen von Daten und die I²C-Kommunikation mit dem ADS1115 vereinfachen.
Bis zu vier ADS1115 ADCs können sich denselben I²C-Bus teilen, da der Chip über den ADDR-Pin vier auswählbare I²C-Adressen unterstützt.
Normalerweise sind nur eine Stromversorgung, I²C-Pull-up-Widerstände und ein Bypass-Kondensator erforderlich.Das Gerät verfügt bereits über eine interne Referenz und einen Oszillator, wodurch der Bedarf an externen Komponenten reduziert wird.
Die Eingangsspannung muss zwischen −0,3 V und VDD + 0,3 V liegen. Eine Überschreitung dieses Bereichs kann zu Schäden am Gerät oder zu falschen Messwerten führen.
Der ADS1115 bietet eine höhere Auflösung (16 Bit gegenüber 10 Bit) und eine bessere Messgenauigkeit als der ADC in vielen Mikrocontrollern und eignet sich daher für präzise Sensormesswerte.
Der ADS1115 funktioniert gut mit Temperatursensoren, Drucksensoren, Gassensoren, Lichtsensoren und anderen Sensoren mit Analogausgang, die eine präzise Spannungsmessung erfordern.
CAP CER 4.9PF 50V NP0 0603
IC FPGA 558 I/O 1152FBGA
IC TRANSCEIVER HALF 1/1 8SOIC
IC GATE XNOR 4CH 2-INP 14SOIC
UBA2036TS/N NXP
JMICRON QFP64
AT87F51-16AU ATMEL
SSTUB32866EC/S PHILIS
POLARIS BGA
IC FPGA 384 I/O 896FBGA
ATMEL TQFP100
SANYO New


