Deutsch
Zeit: 2026/03/6
Durchsuchen: 75

Die AMC7135 Der 350 mA Advanced Current Regulator von ADDtek ist ein linearer Konstantstromtreiber, der hauptsächlich für die Stromversorgung von LEDs mit hoher Helligkeit entwickelt wurde.Im Gegensatz zu Standardspannungsreglern steuert der AMC7135 den durch die Last fließenden Strom und sorgt für einen stabilen Ausgangsstrom von 350 mA.Dadurch bleibt die LED-Helligkeit konstant und die LEDs werden vor Schäden durch Überstrom geschützt.Aufgrund seines kompakten Designs und der einfachen Bedienung wird das Gerät häufig in LED-Taschenlampen, tragbaren Beleuchtungssystemen und anderen kleinen elektronischen Beleuchtungsanwendungen eingesetzt.
Der Regler ist im Bi-CMOS-Verfahren aufgebaut, was einen Betrieb mit niedriger Dropout-Spannung und geringem Stromverbrauch ermöglicht.Es unterstützt typischerweise einen Eingangsspannungsbereich von 2,7 V bis 6 V und verfügt über integrierte Schutzfunktionen wie Kurzschluss- und Überhitzungsschutz.Diese Funktionen verbessern die Zuverlässigkeit und machen den AMC7135 für batteriebetriebene LED-Schaltkreise und kompakte Beleuchtungsdesigns geeignet.
Wenn Sie am Kauf des AMC7135 interessiert sind, kontaktieren Sie uns bitte bezüglich Preis und Verfügbarkeit.

AMC7135 Symbol AMC7135 Footprint AMC7135 3D-Modell

|
Pin
Name |
Beschreibung |
|
VDD |
Stromversorgung
Eingangspin.Dieser Pin wird mit der positiven Spannungsquelle (typischerweise 2,7 V) verbunden
auf 6 V), der den AMC7135-Regler mit Strom versorgt. |
|
GND |
Erdungsstift.Es
stellt die Bezugsmasse für den Stromkreis bereit und vervollständigt die Elektrik
Pfad für das Gerät. |
|
AUS |
Konstantstrom
Ausgangspin.Dieser Pin liefert einen geregelten Strom von ca. 350 mA
an die Last, meist eine Hochleistungs-LED.Der Regler steuert diesen Pin an
Aufrechterhaltung eines stabilen Stromflusses. |
• AMC7136
• AMC7140
• CAT4101
• AL5809

Das Funktionsblockdiagramm des AMC7135 zeigt, wie das Gerät einen konstanten Ausgangsstrom für die LED-Ansteuerung regelt.Die Schaltung beginnt am VDD-Pin, der die internen Komponenten mit Strom versorgt.Im IC erzeugt eine Bandlücken-Referenzschaltung eine stabile Referenzspannung, die auch dann konstant bleibt, wenn sich die Versorgungsspannung oder die Temperatur ändert.Dieses Referenzsignal ist wichtig, da es als Grundlage für die Aufrechterhaltung eines konstanten Ausgangsstroms dient.
Die Referenzspannung wird an den Steuerkreis gesendet, der den durch das Gerät fließenden Strom überwacht und regelt.Der Steuerkreis vergleicht kontinuierlich die interne Referenz mit dem zur Last fließenden Strom.Basierend auf diesem Vergleich passt es den internen Transistor an, um den Strom stabil zu halten.
In der Ausgangsstufe steuert ein Leistungstransistor den Strom, der von OUT nach GND durch die LED-Last fließt.Durch die Anpassung der Leitung dieses Transistors hält der AMC7135 einen nahezu konstanten Strom von 350 mA aufrecht, wodurch eine stabile LED-Helligkeit gewährleistet und die LED vor Überstrom geschützt wird.
|
Parameter |
Symbol |
Wert |
Einheit |
|
Eingangsspannung
Reichweite |
VDD |
-0,3 bis 7 |
V |
|
Ausgangsspannung
Reichweite |
VOUT |
-0,3 bis 7 |
V |
|
Versorgungsspannung
(Empfohlen) |
VDD |
2,7 – 6 |
V |
|
Ausgabesenke
Strom (typ.) |
ISINK |
350 |
mA |
|
Ausgabesenke
Strom (Min–Max) |
ISINK |
340 – 380 |
mA |
|
Ausgabesenke
Aktuell (Rang A) |
ISINK |
300 – 340 |
mA |
|
Ausgabeausfall
Spannung |
VOUTL |
120 |
mV |
|
Lastregulierung |
— |
3 |
mA/V |
|
Linienregulierung |
— |
3 |
mA/V
|
|
Versorgungsstrom
Verbrauch |
IDD |
200 |
µA |
|
Maximale Kreuzung
Temperatur |
TJ |
150 |
°C |
|
Betrieb
Temperaturbereich |
TA |
-40 bis +85 |
°C |
|
Lagerung
Temperaturbereich |
— |
-40 bis +150 |
°C |
|
Bleitemperatur
(Löten 10s) |
— |
260 |
°C |
|
ESD-Schutz |
— |
2 |
kV |
|
Pakettypen |
— |
SOT-89, TO-252 |
— |
Der AMC7135 bietet einen festen, konstanten Senkenstrom von 350 mA und eignet sich daher für die Ansteuerung von LEDs mit hoher Helligkeit.Dieser stabile Strom sorgt für eine konstante LED-Helligkeit und verhindert Schäden durch Stromschwankungen.
Das Gerät verfügt über einen eingebauten Kurzschluss- und Leerlaufschutz.Diese Schutzfunktionen tragen dazu bei, den IC und die angeschlossene LED zu schützen, wenn im Stromkreis ungewöhnliche Bedingungen auftreten.
Der AMC7135 arbeitet mit einer niedrigen Dropout-Spannung, was bedeutet, dass er den geregelten Strom auch dann aufrechterhalten kann, wenn die Eingangsspannung nur geringfügig höher als die LED-Spannung ist.Dies verbessert die Effizienz bei batteriebetriebenen Anwendungen.
Der Regler verbraucht einen sehr geringen internen Betriebsstrom, was dazu beiträgt, den Leistungsverlust zu reduzieren und die Batterielebensdauer in tragbaren Beleuchtungsgeräten zu verlängern.
Es unterstützt einen Versorgungsspannungsbereich von 2,7 V bis 6 V, sodass das Gerät mit gängigen Batteriekonfigurationen wie Lithium-Ionen-Zellen und kleinen Gleichstromquellen arbeiten kann.
Der IC verfügt über einen 2-kV-ESD-Schutz (Human Body Model, HBM), der dazu beiträgt, das Gerät während der Handhabung und Montage vor elektrostatischer Entladung zu schützen.
Der AMC7135 wird mit einem fortschrittlichen Bi-CMOS-Prozess hergestellt, der die Vorteile von Bipolar- und CMOS-Technologien kombiniert, um stabile Leistung und verbesserte Zuverlässigkeit zu bieten.
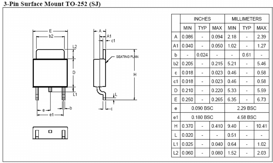
Das Gerät ist in SOT-89- und TO-252-Gehäusen erhältlich und eignet sich daher für kompakte PCB-Layouts und eine effiziente thermische Leistung in LED-Treiberdesigns.

Die Arbeitsschaltung des AMC7135 zeigt, wie das Gerät als Konstantstrom-LED-Treiber verwendet wird.Die Eingangsspannung, typischerweise 2,7 V bis 6 V, wird an die VIN-Leitung angelegt und mit dem VDD-Pin des AMC7135 verbunden.Zwischen Eingang und Masse wird ein Kondensator CIN platziert, um Rauschen zu filtern und die Stromversorgung zu stabilisieren.Dies trägt dazu bei, dass der Regler während des Betriebs eine saubere und stabile Spannung erhält.
Innerhalb der Schaltung steuert der AMC7135 den Strom, der durch den OUT-Pin fließt.Die LED ist zwischen der Eingangsversorgung und dem OUT-Pin angeschlossen, sodass der Regler als Stromsenke fungieren kann.Das Gerät passt den internen Transistor automatisch so an, dass der LED-Strom nahe bei 350 mA bleibt, was für eine stabile Helligkeit sorgt und die LED vor übermäßigem Strom schützt.
Ein Ausgangskondensator CO ist zwischen den Ausgangsknoten und Masse geschaltet, um Rauschen zu reduzieren und die Schaltungsstabilität zu verbessern.
• LED-Taschenlampen
• Hochleistungs-LED-Treiber
• Tragbare LED-Beleuchtungsgeräte
• Fahrradbeleuchtung
• Scheinwerfer und Kopflampen
• Dekorative LED-Beleuchtung
• LED-Beleuchtung für den Automobilbereich
• Notbeleuchtungssysteme
• Anzeige- und Signalbeleuchtung
• Batteriebetriebene LED-Lampen
|
Funktion |
AMC7135 |
AMC7140 |
AL5809 |
CAT4101 |
|
Gerätetyp |
Lineare LED
Stromregler |
Lineare LED
Stromregler |
Lineare Konstante
Stromregler |
LED-Strom
Reglertreiber |
|
Typische Ausgabe
Aktuell |
350mA |
700 mA |
Einstellbar (bis
bis ~150 mA typisch) |
Einstellbar (bis
bis 1 A) |
|
Versorgungsspannung
Reichweite |
2,7 V – 6 V |
2,7 V – 6 V |
2,5 V – 60 V |
3 V – 25 V |
|
Aktuelle Kontrolle |
Behoben |
Behoben |
Einstellbar mit
Widerstand |
Einstellbar mit
Widerstand |
|
Ausfallspannung |
Niedrig |
Niedrig |
Niedrig |
Niedrig |
|
Hauptanwendung |
Taschenlampen, LED
Lampen |
Hochleistungs-LED
Fahrer |
Anzeige-LEDs,
Schwachstrombeleuchtung |
Hochleistungs-LED
Beleuchtungssysteme |
|
Paketoptionen |
SOT-89, TO-252 |
SOT-89 |
SOT-23, SOT-223 |
SOIC, TDFN |


ADDtek stellt den Stromregler AMC7135 mithilfe eines fortschrittlichen Bi-CMOS-Halbleiterprozesses her, der die Vorteile von Bipolar- und CMOS-Technologien kombiniert, um eine stabile Leistung, eine niedrige Dropout-Spannung und einen niedrigen Ruhestrom zu erreichen.Dieser Herstellungsansatz ermöglicht es dem Gerät, einen zuverlässigen konstanten Senkenstrom von 350 mA zu liefern, wodurch es für LED-Antriebsanwendungen wie Taschenlampen und tragbare Beleuchtungssysteme geeignet ist.Der IC integriert außerdem Schutzfunktionen wie Kurzschluss- und Leerlaufschutz und verbessert so die Haltbarkeit und Betriebssicherheit.
Der AMC7135 regelt den Strom, der durch eine Last, typischerweise eine LED, fließt, und hält ihn nahe bei 350 mA.Dies sorgt für eine stabile Helligkeit und schützt LEDs vor Schäden durch Überstrom.
Ja.Mehrere LEDs können in Reihe geschaltet werden, wenn die Eingangsspannung hoch genug ist, um die gesamte Durchlassspannung der LEDs plus die Ausfallspannung des Reglers abzudecken.
Entwickler schalten häufig mehrere AMC7135-Chips parallel.Jeder Chip liefert etwa 350 mA, sodass zwei Chips etwa 700 mA liefern können, drei Chips etwa 1,05 A und so weiter.
Der AMC7135 hat typischerweise eine Dropout-Spannung von etwa 120 mV, sodass er auch dann effizient arbeiten kann, wenn die Versorgungsspannung nur geringfügig höher als die LED-Spannung ist.
Ja.Dank seines Betriebsbereichs von 2,7 V bis 6 V ist es mit einzelnen Lithium-Ionen-Batterien kompatibel, die üblicherweise in tragbaren LED-Beleuchtungsgeräten verwendet werden.
Die Helligkeit kann durch PWM (Pulsweitenmodulation) mithilfe eines Mikrocontrollers oder Schaltkreises gesteuert werden, der den an die LED gelieferten durchschnittlichen Strom anpasst.
Nein. Der AMC7135 liefert einen festen internen Strom von etwa 350 mA, sodass keine externen Widerstände zum Einstellen des Ausgangsstroms erforderlich sind.
Der AMC7135 ist üblicherweise in oberflächenmontierbaren SOT-89- und TO-252-Gehäusen erhältlich, die eine kompakte Größe und eine gute thermische Leistung bieten.
CAP CER 3300PF 50V C0G/NP0 1206
MOSFET N-CH 500V 57A SOT-227
IC FPGA 151 I/O 208QFP
IC MCU 16BIT 96KB FLASH 64LQFP
IC BATT CHG LI-ION 1CELL 8UMAX
IC OPAMP GP 4 CIRCUIT 14TSSOP
DC DC CONVERTER 5V 75W
M28W320EBT70ZBG ST
ACARD QFP
XC18V04-PC44C XILINX
TI QFP
GSI BGA





