Deutsch
Zeit: 2025/12/25
Durchsuchen: 18

Die TSOP1838 ist ein Infrarot-Empfängermodul (IR), das von Vishay hergestellt wird.Es ist für den Empfang und die Demodulation von IR-Signalen konzipiert, die üblicherweise in Fernbedienungssystemen verwendet werden.Es arbeitet mit einer Trägerfrequenz von 38 kHz, was der Standard für die meisten Unterhaltungselektronikgeräte wie Fernseher, Audiosysteme und Set-Top-Boxen ist.
Im TSOP1838 befinden sich eine PIN-Fotodiode, eine automatische Verstärkungsregelung, ein Bandpassfilter und ein Demodulator.Diese integrierte Signalverarbeitung ermöglicht es dem Modul, Rauschen von Sonnenlicht und Umgebungslicht herauszufiltern und einen sauberen digitalen Ausgang zu liefern, der direkt von Mikrocontrollern wie Arduino oder Raspberry Pi gelesen werden kann.Das Modul arbeitet mit einem weiten Versorgungsspannungsbereich und verfügt über einen Active-Low-Ausgang, was das Schaltungsdesign einfach und zuverlässig macht.
Wenn Sie Interesse am Kauf des TSOP1838 haben, kontaktieren Sie uns bitte bezüglich Preis und Verfügbarkeit.


|
Pin
Nein. |
Pin
Name |
Beschreibung |
|
1 |
AUS |
Digitaler Ausgang
Stift.Geht auf LOW, wenn ein gültiges 38-kHz-IR-Signal erkannt wird.Verbinden Sie dies
Pin an einen Mikrocontroller-Eingang anschließen. |
|
2 |
GND |
Erdungsstift.
Mit der Systemmasse (0 V) verbinden. |
|
3 |
VCC |
Stromversorgung
Stift.Typischerweise 2,5 V bis 5,5 V, kompatibel mit 3,3 V- und 5 V-Systemen. |
• TSOP1738
• TSOP4838
• TSOP3838
• VS1838B
• HS1838
• TL1838
• HX1838
• IRM-3638

Das TSOP1838-Blockdiagramm zeigt, wie ein Infrarotsignal empfangen, gereinigt und in einen nutzbaren digitalen Ausgang umgewandelt wird.Der Prozess beginnt an der PIN-Fotodiode, die das von einer Fernbedienung eingehende Infrarotlicht erkennt.Dieses Rohsignal ist sehr schwach und kann Rauschen durch Umgebungslicht enthalten. Daher durchläuft es zunächst eine Eingangsstufe und eine automatische Verstärkungsregelung (AGC).Die AGC passt die Empfindlichkeit automatisch an, um einen stabilen Betrieb bei unterschiedlichen Entfernungen und Lichtverhältnissen zu gewährleisten.
Anschließend durchläuft das Signal einen Bandpassfilter, der genau auf 38 kHz abgestimmt ist, die Standard-Trägerfrequenz, die von den meisten IR-Fernbedienungen verwendet wird.Durch diesen Schritt werden unerwünschte Signale und Interferenzen entfernt, sodass nur gültige IR-Daten durchgelassen werden.Der Steuerschaltkreis verwaltet das Timing und die Signalstabilität und gewährleistet so eine zuverlässige Erkennung.
Der Demodulator extrahiert die Daten aus dem Trägersignal und treibt den Ausgangstransistor an.Der OUT-Pin liefert ein Active-Low-Digitalsignal, das direkt von einem Mikrocontroller gelesen werden kann.Dieses integrierte Design von Vishay macht externe Filter- oder Verstärkungskomponenten überflüssig.
|
Parameter |
Spezifikation |
|
Produktmodell |
TSOP1838 |
|
Hersteller |
Vishay |
|
Gerätetyp |
Infrarot (IR)
Empfängermodul |
|
Träger
Häufigkeit |
38 kHz |
|
Versorgungsspannung
(VCC) |
2,5 V – 5,5 V |
|
Typisches Angebot
Spannung |
5 V |
|
Versorgungsstrom |
~0,35 mA
(typisch) |
|
Ausgabetyp |
Digital, Aktiv
NIEDRIG |
|
Ausgangssignal |
Demoduliertes IR
Signal |
|
Empfangen
Entfernung |
Bis zu ~45 m
(je nach Sender) |
|
Fotodiodentyp |
PIN-Fotodiode |
|
Umgebungslicht
Immunität |
Hoch (Sonnenlicht
und Lampenrauschunterdrückung) |
|
Betrieb
Temperatur |
−25 °C bis +85 °C |
|
Pakettyp |
Durchgangsloch,
3-polig |
|
Pin-Anzahl |
3 Pins (OUT,
Masse, VCC) |
• 38-kHz-Trägerfrequenz optimiert für Standard-IR-Fernbedienungen
• Integrierte PIN-Fotodiode zur Infrarotsignalerkennung
• Integrierte automatische Verstärkungsregelung (AGC) für stabile Leistung bei unterschiedlichen Entfernungen
• Bandpassfilter zur Unterdrückung von Umgebungslicht und elektrischem Rauschen
• Demoduliertes digitales Ausgangssignal
• Active-LOW-Ausgang kompatibel mit Mikrocontrollern
• Großer Betriebsspannungsbereich (2,5 V bis 5,5 V)
• Geringer Stromverbrauch für batteriebetriebene Geräte
• Hohe Immunität gegen Sonnenlicht und Störungen durch Leuchtstofflampen
• Schnelle Reaktionszeit für zuverlässige Signaldekodierung
• Kompaktes 3-Pin-Durchsteckgehäuse für einfache Leiterplattenmontage
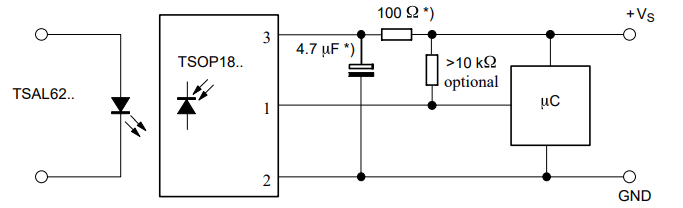
Das Funktionsschaltbild des TSOP1838 veranschaulicht eine typische und zuverlässige Möglichkeit, den IR-Empfänger an ein Mikrocontrollersystem anzuschließen.Auf der linken Seite sendet ein IR-Sender wie eine TSAL62-LED moduliertes Infrarotlicht mit 38 kHz aus.Wenn dieses Signal den TSOP1838 erreicht, erkennt die interne PIN-Fotodiode die IR-Impulse und wandelt sie in ein elektrisches Signal um.

Im TSOP1838 wird das Signal mithilfe der automatischen Verstärkungsregelung (AGC) und Filterung automatisch verstärkt und gereinigt, sodass keine externe Verstärkung erforderlich ist.Pin 3 (V\ₛ) ist über einen 100-Ω-Serienwiderstand mit der Versorgungsspannung verbunden, was zur Unterdrückung von Netzteilrauschen beiträgt.Der nahe am Gerät platzierte 4,7-µF-Kondensator stabilisiert die Versorgungsspannung und verbessert die Immunität gegen Störungen durch den Mikrocontroller oder andere digitale Schaltkreise.
Pin 1 stellt den demodulierten digitalen Ausgang bereit, der auf LOW geht, wenn gültige IR-Daten empfangen werden.Ein optionaler Pull-Up-Widerstand (>10 kΩ) kann verwendet werden, wenn zusätzliche Ausgangsstabilität erforderlich ist.Pin 2 ist mit Masse verbunden.Diese einfache Schaltung zeigt, wie der TSOP1838 von Vishay ein sauberes, gebrauchsfertiges Signal zum Dekodieren von Fernbedienungsbefehlen liefert.
• Fernbedienungsempfänger für Fernseher und Haushaltsgeräte
• Set-Top-Boxen und Mediaplayer
• Hausautomation und intelligente Steuerungssysteme
• IR-Empfängerprojekte für Arduino und Raspberry Pi
• Robotik-Fernsteuerungssysteme
• IR-Lern- und Decodierungsschaltungen
• Unterhaltungselektronik mit IR-Schnittstellen
• Drahtlose Bedienfelder und Tastaturen
• Bildungs- und DIY-Elektronikprojekte
• Industrieanlagen mit IR-Befehlssteuerung
Der TSOP1838 ist für einen sicheren und zuverlässigen Betrieb konzipiert, wenn grundlegende elektrische Richtlinien befolgt werden.Es sollte innerhalb des empfohlenen Versorgungsspannungsbereichs von 2,5 V bis 5,5 V betrieben werden, da das Anlegen einer höheren Spannung das Gerät dauerhaft beschädigen kann.Um eine stabile Leistung zu gewährleisten, sollte ein Entkopplungskondensator (typischerweise 4,7 µF) in der Nähe der VCC- und GND-Pins platziert werden, um das Rauschen der Stromversorgung zu reduzieren.
Der Empfänger sollte vor übermäßigem elektrischem Rauschen und Spannungsspitzen geschützt werden, indem ein kleiner Vorwiderstand in der Versorgungsleitung verwendet wird, insbesondere in rauschbehafteten digitalen Schaltkreisen.Setzen Sie den Sensor nicht direkt starkem Sonnenlicht oder hochintensiven IR-Quellen aus nächster Nähe aus, da dies die Empfindlichkeit verringern oder zu Fehlfunktionen führen kann.Eine ordnungsgemäße Erdung und kurze Signalwege tragen ebenfalls zur Aufrechterhaltung der Signalintegrität bei.
Bei korrekter Verwendung arbeitet der TSOP1838 von Vishay sicher und liefert eine langfristig stabile Leistung in IR-Fernsteuerungsanwendungen.
|
Parameter |
TSOP1838 |
TSOP4838 |
|
Hersteller |
Vishay |
Vishay |
|
Gerätetyp |
IR-Fernbedienung
Steuerempfängermodul |
IR-Fernbedienung
Steuerempfängermodul |
|
Träger
Frequenz |
38 kHz |
38 kHz |
|
Internes Design |
IR-Detektor +
Vorverstärker + Bandpass + Demodulator + AGC |
IR-Detektor +
Vorverstärker + Bandpass + Demodulator + verbesserte AGC (neuere Generation) |
|
Ausgangssignal |
Demoduliert
digitaler Ausgang |
Demoduliert
digitaler Ausgang |
|
Ausgangspolarität |
Aktiv LOW (LOW
bei gültigen IR-Bursts) |
Aktiv LOW (LOW
bei gültigen IR-Bursts) |
|
Ausgangsstufe |
Offener Kollektor /
Transistorausgang (Modultyp Ausgang) |
Offener Kollektor /
Transistorausgang (Modultyp Ausgang) |
|
Versorgungsspannung
(typischer Familienbereich) |
2,5 V bis 5,5 V
(gemeinsam für die TSOP18xx-Serie) |
2,5 V bis 5,5 V
(gemeinsam für die TSOP48xx-Serie) |
|
Aktuell
Verbrauch |
Niedrig (IR-Empfänger
Modulklasse) |
Niedrig (oft
ähnlich oder leicht optimiert gegenüber älteren Serien) |
|
Umgebungslicht
Immunität |
Gut
|
Besser (widerstandsfähiger).
zu Interferenzen mit Kompaktleuchtstofflampen/LED-Lampen) |
|
AGC-Verhalten |
Standard-AGC |
Verbesserte AGC für laute Geräusche
Umgebungen |
|
Burst-Länge /
Protokolltoleranz |
Gut für
Standard-Remote-Protokolle |
Normalerweise besser
Toleranz
gegenüber modernen Fernbedienungen und Interferenzen |
|
Empfindlichkeit |
Hoch |
Hoch (oft mehr
stabil in realen Umgebungen) |
|
Lärm / falsch
Widerstand auslösen |
Mäßig bis gut |
Höher (geringere Wahrscheinlichkeit von
Störausgabe) |
|
Empfohlene Verwendung
Fall |
Allgemein im Innenbereich
IR-Fernempfang |
Beste Wahl für
Umgebungen mit „lautem Licht“ (LED-Beleuchtung, Sonnenlichtaustritt, Fernseher,
Geschäfte) |
|
Paket / Pins
(häufig) |
3-poliger IR
Empfängermodul (OUT, GND, VCC) |
3-poliger IR
Empfängermodul (OUT, GND, VCC) |
|
Einsteigen
Ersatz |
Oft
austauschbar, wenn es sich bei beiden um 38-kHz-Versionen handelt |
Oft
austauschbar, wenn es sich bei beiden um 38-kHz-Versionen handelt |
|
Hauptvorteil |
Weit verbreitet,
einfach, bewährt |
Robuster
Empfang
unter moderner Beleuchtung/Lärm |
|
Hauptkompromiss |
Kann mehr sein
durch LED/CFL-Rauschen beeinträchtigt |
Normalerweise
bevorzugt;kann je nach Angebot etwas mehr kosten |

Vishay verfügt über starke Fertigungskapazitäten für die Herstellung des IR-Empfängers TSOP1838, unterstützt durch seine langjährige Expertise in Optoelektronik und Sensortechnologien.Vishay entwickelt und fertigt TSOP1838-Geräte mithilfe fortschrittlicher Halbleiterfertigung, präziser IR-Fotodiodenintegration und automatisierter Montagelinien, um eine gleichbleibende Leistung und hohe Zuverlässigkeit zu gewährleisten.Die Produktionsanlagen wenden strenge Qualitätskontrollsysteme an, einschließlich elektrischer Tests, Überprüfung der optischen Ausrichtung und Prüfung auf Umweltbelastungen, um internationale Standards zu erfüllen.
Der TSOP1838 kann im Freien unter schattigen Bedingungen eingesetzt werden, direkte Sonneneinstrahlung kann jedoch aufgrund des starken Infrarotrauschens die Empfindlichkeit verringern.
Nein, es verfügt über eine integrierte AGC, Filterung und Demodulation, sodass keine externe Verstärkung oder Filterung erforderlich ist.
Es funktioniert mit den meisten Mikrocontrollern, einschließlich Arduino-, Raspberry Pi-, PIC-, AVR- und STM32-Boards.
Der Ausgang ist aktiv-LOW, d. h. er geht nur auf LOW, wenn ein gültiges IR-Signal erkannt wird.
Signale, die nicht nahe bei 38 kHz liegen, werden vom internen Bandpassfilter stark gedämpft oder ignoriert.
Ja, es können mehrere Empfänger verwendet werden, sofern diese nicht von derselben IR-Störquelle betroffen sind.
Die Empfangsentfernung hängt von der Senderstärke ab, kann aber unter idealen Bedingungen bis zu etwa 45 Meter betragen.
CAP CER 2PF 100V C0G/NP0 0603
CAP CER 680PF 500V C0G/NP0 1206
CAP CER 22PF 250V NP0 0805
IC FLASH 256MBIT SPI/QUAD 24BGA
IC REG BUCK ADJUSTABLE 1A 5TSOP
IC OPAMP GP 2 CIRCUIT 8DIP
DC DC CONVERTER 1.225V
PMC QFP
P89LPC932BA NXP
SUNPLUS LQFP
INTEGRATED 4 CHANNEL VOLTAGE MON
PCCS8016E.A1-998525 cortina
