Deutsch
Zeit: 2025/12/24
Durchsuchen: 404
Der IR-Empfänger TSOP1738

TSOP1738
VISHAY
TSOP1738 VISHAY
In Stock: 4600 pcs
ist eine weit verbreitete Lösung zur Erkennung von Infrarot-Fernbedienungssignalen in der Unterhaltungs- und eingebetteten Elektronik.In diesem Artikel werden die Funktionsprinzipien, Spezifikationen, Funktionen, Anwendungsschaltungen, Alternativen, Vergleiche und Richtlinien für den sicheren Betrieb des TSOP1738 IR-Empfängers im Detail erläutert.

Der Vishay TSOP1738

TSOP1738
VISHAY
TSOP1738 VISHAY
In Stock: 4600 pcs
ist ein Infrarot (IR)-Empfängermodul.Es ist für die zuverlässige Erkennung von Fernbedienungssignalen konzipiert.Es ist für eine Trägerfrequenz von 38 kHz optimiert, die üblicherweise in TV-, Audio- und Unterhaltungselektronik-Fernbedienungen verwendet wird.Das Gerät integriert eine Fotodiode, eine automatische Verstärkungsregelung, einen Bandpassfilter und einen Demodulator in einem einzigen kompakten Gehäuse und erleichtert so den Einsatz in elektronischen Designs.
Der TSOP1738 gibt ein sauberes digitales Signal aus, das auf aktiv niedrig geht, wenn er gültige IR-Befehle erkennt.Seine interne Filterung hilft, Umgebungslichtgeräusche zu unterdrücken und sorgt so für eine stabile Leistung in Innenräumen.Aufgrund seines geringen Stromverbrauchs und der direkten Kompatibilität mit Mikrocontrollern wird es häufig in Arduino-Projekten, Hausautomation und IR-basierten Steuerungssystemen eingesetzt.
Wenn Sie Interesse am Kauf des TSOP1738 haben, kontaktieren Sie uns bitte bezüglich Preis und Verfügbarkeit.


|
Pin
Nein. |
Pin
Name |
Beschreibung |
|
1 |
AUS |
Digitaler Ausgang
Stift.Geht auf LOW, wenn ein gültiges 38-kHz-IR-Signal erkannt wird;bleibt HIGH
im Leerlauf. |
|
2 |
GND |
Erdungsstift.
An die Systemmasse anschließen (0-V-Referenz). |
|
3 |
VS |
Versorgungsspannung
Stift.Wird normalerweise an +5 V angeschlossen (funktioniert bei etwa 4,5–5,5 V). |
• TSOP1736

TSOP1736
VISHAY
TSOP1736 VISHAY
In Stock: 17231 pcs
• TSOP1740

TSOP1740
VISHAY
TSOP1740 VISHAY
In Stock: 2260 pcs
• TSOP1838

TSOP1838
Vishay
TSOP1838 LONEON
In Stock: 22622 pcs
• TSOP2238
![]()
TSOP2238
Electro-Films (EFI) / Vishay
IC IR RCVR MODULE 38KHZ
In Stock: 1442 pcs
• TSOP2438
![]()
TSOP2438
Electro-Films (EFI) / Vishay
IC IR RCVR MODULE 38KHZ
In Stock: 2832 pcs
• TSOP31238
![]()
TSOP31238
Electro-Films (EFI) / Vishay
3V PH.MODULE 38KHZ S.VIEW
In Stock: 3133 pcs
• TSOP38238
![]()
TSOP38238
Electro-Films (EFI) / Vishay
IC IR RCVR MOD 38KHZ DOME RADIAL
In Stock: 3266 pcs
• TSOP38438
![]()
TSOP38438
Electro-Films (EFI) / Vishay
PH.MODULE 38KHZ SIDE VIEW
In Stock: 2971 pcs

Das Blockdiagramm des TSOP1738

TSOP1738
VISHAY
TSOP1738 VISHAY
In Stock: 4600 pcs
IR-Empfängers zeigt, wie ein eingehendes Infrarotsignal verarbeitet und in eine saubere digitale Ausgabe umgewandelt wird.Der Prozess beginnt an der PIN-Fotodiode, die Infrarotlicht von einer Fernbedienung erkennt und es in ein kleines elektrisches Signal umwandelt.Dieses Signal ist sehr schwach und kann Rauschen durch Umgebungslicht enthalten.
Anschließend durchläuft das Signal die AGC-Stufe (Automatic Gain Control).AGC passt die Signalstärke automatisch an, sodass der Empfänger in unterschiedlichen Entfernungen und unter wechselnden Lichtverhältnissen zuverlässig arbeiten kann.Das angepasste Signal gelangt dann in den Bandpassfilter, der nur Signale nahe der Zielträgerfrequenz (38 kHz) durchlässt und gleichzeitig unerwünschtes Rauschen und Interferenzen blockiert.
Das gefilterte Signal wird an den Demodulator gesendet, der den 38-kHz-Träger entfernt und die ursprünglichen Datenimpulse wiederherstellt.Schließlich erzeugt die Ausgangstransistorstufe ein digitales Ausgangssignal am OUT-Pin, das intern über einen Widerstand an die Versorgungsspannung angelegt wird.Dieser Ausgang kann direkt von einem Mikrocontroller oder einer Logikschaltung gelesen werden.
|
Parameter |
Spezifikation |
|
Hersteller/Marke |
Vishay |
|
Produkttyp |
IR-Empfänger |
|
Serie |
TSOP |
|
Träger
Häufigkeit |
38 kHz |
|
Übertragung
Entfernung |
35 m |
|
Betrachtungswinkel |
45° |
|
Ausgangsstrom |
5mA |
|
Betriebsversorgung
Spannung |
4,5 V bis 5,5 V |
|
Betriebsversorgung
Aktuell |
600 µA |
|
Mindestens
Betriebstemperatur |
−25 °C |
|
Maximal
Betriebstemperatur |
+85 °C |
|
RoHS-Konformität |
Ja |
|
Verpackung |
Rohr |
|
Fabrikpaket
Menge |
1080 |
|
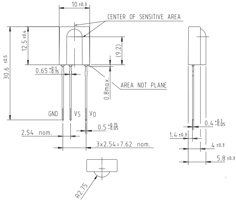
Höhe |
12,5 mm |
|
Länge |
10 mm |
|
Breite |
5,8 mm |
|
Unterkategorie |
Infrarotdaten
Kommunikation |
• 38-kHz-Trägerfrequenz optimiert für Standard-IR-Fernbedienungen
• Eingebaute Fotodiode, Vorverstärker und Signalverarbeitungsschaltung
• Automatische Verstärkungsregelung (AGC) für stabilen Betrieb unter verschiedenen Lichtverhältnissen
• Integrierter Bandpassfilter zur Unterdrückung von Umgebungslicht und elektrischem Rauschen
• Demodulierter digitaler Ausgang, geeignet für Mikrocontroller und Logikschaltungen
• Active-Low-Ausgangssignal für einfache Anbindung
• Hohe Empfindlichkeit mit großer Übertragungsreichweite (bis zu ~35 m)
• Großer Betrachtungswinkel (ca. 45°)
• Geringer Stromverbrauch für batteriebetriebene Geräte
• Betrieb mit einem 5-V-Versorgungsbereich (4,5 V bis 5,5 V)
• Gute Immunität gegenüber Leuchtstofflampen und Sonnenlichtstörungen
• Kompaktes 3-Pin-Gehäuse für einfache Leiterplattenmontage
Die Anwendungsschaltung zeigt, wie der IR-Empfänger TSOP1738

TSOP1738
VISHAY
TSOP1738 VISHAY
In Stock: 4600 pcs
für einen zuverlässigen Betrieb mit einem Mikrocontroller verbunden wird.Auf der linken Seite stellt eine Infrarot-LED (z. B. TSAL62) den IR-Sender dar, der ein moduliertes 38-kHz-Signal an den TSOP1738 sendet.Der Empfänger erkennt dieses Infrarotlicht über seine interne Fotodiode.

Der TSOP1738 wird über Pin 2 (V_S) mit einer +5-V-Versorgung versorgt.Ein 330-Ω-Vorwiderstand und ein 4,7-µF-Kondensator sind in der Nähe des Geräts platziert, um Versorgungsrauschen und Spannungsspitzen zu reduzieren.Diese Filterung ist wichtig, da der TSOP1738 empfindlich auf Leistungsschwankungen reagiert und sauberer Strom eine stabile Signalerkennung gewährleistet.
Pin 3 stellt den demodulierten digitalen Ausgang bereit, der direkt mit einem Mikrocontroller-Eingang verbunden wird.Der optionale Pull-Up-Widerstand (>10 kΩ) sorgt bei Bedarf für einen definierten Logikpegel durch die Steuerung.Wenn ein gültiges IR-Signal empfangen wird, geht der Ausgang in Impulsen auf Low, die den übertragenen Daten entsprechen.Pin 1 ist mit Masse verbunden und schließt den Stromkreis.Dieser Aufbau ermöglicht dem TSOP1738 den zuverlässigen Empfang und die Dekodierung von IR-Fernbedienungssignalen für digitale Systeme.
• TV-, DVD- und Set-Top-Box-Fernbedienungsempfänger
• Ferngesteuerte Geräte der Unterhaltungselektronik
• Mikrocontroller-basierte IR-Fernbedienungsprojekte
• Hausautomation und Smart-Home-Systeme
• Audiosysteme und Mediaplayer
• Bedienfelder für Klimaanlage und Geräte
• Drahtlose Robotersteuerung über IR-Fernbedienungen
• Industriegeräte mit IR-Befehlsschnittstellen
• Elektronikbausätze und Lernprojekte für den Bildungsbereich
Um einen sicheren Betrieb des IR-Empfängers TSOP1738

TSOP1738
VISHAY
TSOP1738 VISHAY
In Stock: 4600 pcs
zu gewährleisten, betreiben Sie das Gerät immer innerhalb seines angegebenen Versorgungsspannungsbereichs von 4,5 V bis 5,5 V. Das Anlegen einer höheren Spannung oder eine falsche Polarität kann die internen Schaltkreise dauerhaft beschädigen.Verwenden Sie eine stabile und gut geregelte Stromversorgung, um Fehlfunktionen oder Fehlauslösungen zu vermeiden.
Eine ordnungsgemäße Filterung der Stromversorgung ist für eine zuverlässige Leistung unerlässlich.Platzieren Sie einen Entkopplungskondensator (z. B. 4,7 µF) in der Nähe von VS und GND-Pins, um elektrisches Rauschen zu reduzieren.Platzieren Sie den TSOP1738 nicht in der Nähe von Hochstrom- oder Hochfrequenz-Schaltkomponenten, da elektrische Störungen die Signalerkennung beeinträchtigen können.
Der TSOP1738 sollte in Umgebungen innerhalb seines Nenntemperaturbereichs (–25 °C bis +85 °C) verwendet werden.Vermeiden Sie die direkte Einwirkung von starkem Sonnenlicht oder leistungsstarken IR-Quellen über einen längeren Zeitraum, da übermäßige Infrarotenergie die Empfindlichkeit verringern oder zu einem instabilen Ausgabeverhalten führen kann.
|
Funktion
|
TSOP1738
![]() |
TSOP1838
![]() |
|
Träger
Häufigkeit |
38 kHz optimiert |
38 kHz optimiert |
|
Pakettyp |
3-poliger IR
Empfängergehäuse |
3-poliger IR
Empfängergehäuse |
|
Ausgabetyp |
Digital
demodulierter Ausgang |
Digital
demodulierter Ausgang |
|
Versorgungsspannung |
~4,5 V bis 5,5 V |
~4,5 V bis 5,5 V |
|
Versorgungsstrom |
~0,6 mA typisch |
~0,6 mA typisch |
|
Betrieb
Temperatur |
−25 °C bis +85 °C |
−25 °C bis +85 °C |
|
Typische Betrachtung
Winkel |
~45° |
~45° |
|
Übertragung
Entfernung |
Bis zu ~35 m
(abhängig von IR-LED und Umgebung) |
Bis zu ~35 m
(abhängig von IR-LED und Umgebung) |
|
AGC (Automatisch
Kontrolle erlangen) |
Eingebaut |
Eingebaut |
|
Bandpass
Filtern |
Ja |
Ja |
|
Demodulator |
Ja |
Ja |
|
Steuerlogik |
Interne Kontrolle
Schaltung |
Interne Kontrolle
Schaltung |
|
Pinbelegung |
GND, OUT, VCC |
GND, OUT, VCC |
|
Typische Verwendung |
Fernbedienung
Dekodierung, IR-Link |
Fernbedienung
Dekodierung, IR-Link |
|
Gemeinsamkeit |
Sehr häufig |
Sehr häufig,
oft als 1838-Module bezeichnet |
|
Empfindlichkeit |
Standard für 38
kHz-Empfänger |
Standard für 38
kHz-Empfänger |
|
Äquivalent zu
Einander? |
Ja
(funktionell austauschbar) |
Ja
(funktionell austauschbar) |

Vishay verfügt über starke und etablierte Fertigungskapazitäten für die Herstellung des IR-Empfängers TSOP1738

TSOP1738
VISHAY
TSOP1738 VISHAY
In Stock: 4600 pcs
und ähnlicher optoelektronischer Komponenten.Über seinen Geschäftsbereich Vishay Semiconductors integriert das Unternehmen PIN-Fotodioden, Signalverstärkung, Filterung und Demodulationsschaltkreise mithilfe hochvolumiger, automatisierter Montageprozesse in kompakte IR-Empfängermodule.Vishay wendet kontrolliertes Epoxidformen mit optischer Filterung an, um eine genaue 38-kHz-Infraroterkennung zu gewährleisten, zusammen mit strengen Qualitäts- und Zuverlässigkeitsstandards, um eine gleichbleibende Leistung über große Produktionsläufe hinweg aufrechtzuerhalten.
Sie können einen TSOP1738 testen, indem Sie ihn mit 5 V versorgen und eine TV-Fernbedienung darauf richten, während Sie den OUT-Pin mit einer LED, einer Logiksonde oder einem Mikrocontroller überwachen.Der Ausgang sollte LOW pulsieren, wenn eine Taste gedrückt wird.
Ein konstanter LOW-Ausgang weist normalerweise auf elektrisches Rauschen, eine falsche Verkabelung, einen fehlenden Entkopplungskondensator oder die Einwirkung starker Umgebungs-IR-Quellen wie Sonnenlicht oder Halogenlampen hin.
Ja, TSOP1738 kann direkt an einen digitalen Arduino-Pin angeschlossen werden, aber das Hinzufügen eines nahegelegenen Entkopplungskondensators verbessert die Stabilität erheblich und verhindert Fehlauslösungen.
TSOP1738 unterstützt die meisten gängigen IR-Fernprotokolle, die einen 38-kHz-Träger verwenden, einschließlich der Formate NEC, RC5, RC6 und Sony.
Die Reichweite lässt sich verbessern, indem man einen starken IR-Sender verwendet, eine ordnungsgemäße Leistungsfilterung gewährleistet, elektrisches Rauschen vermeidet und den Empfänger direkt auf die IR-Quelle ausrichtet.
Ja, mehrere TSOP1738-Empfänger können zusammen verwendet werden, sie können jedoch gleichzeitig auf dasselbe IR-Signal reagieren, wenn sie nicht physisch oder logisch isoliert sind.
Eine Fehlauslösung wird häufig durch eine schlechte Filterung der Stromversorgung, in der Nähe befindliche Schaltregler, Leuchtstofflampen oder lange, ungeschirmte Signalkabel verursacht.
CAP CER 3900PF 450V C0G 0805
DIODE ZENER 18V 500MW SOD123
IC MCU 8BIT 32KB FLASH 32VQFN
IC CPLD 288MC 6NS 280CSBGA
IC REG LIN POS ADJ 250MA 16TSSOP
THERMISTOR NTC 10KOHM 3900K 0805
BD6861FS-E2 ROHM
MPC106ARX66CG MOTOR
TE28F160C3BA90 INTEL
VDSL DUAL LINE DRIVER
TRUMPION QFP
WD16C452-JT WDC
CAP TANT 47UF 20% 16V 2312
SENSOR REMOTE REC 38.0KHZ 45M
vorrätig: 715
SENSOR REMOTE REC 38.0KHZ 45M
vorrätig: 1183
SENSOR REMOTE REC 38.0KHZ 45M
vorrätig: 1223
SENSOR REMOTE REC 38.0KHZ 45M
vorrätig: 343
SENSOR REMOTE REC 38.0KHZ 45M
vorrätig: 219





