Deutsch
Zeit: 2025/12/25
Durchsuchen: 411
Der BT151-650R
![]()
BT151-650R
NXP
BT151-650R NXP
In Stock: 34622 pcs
SCR (Silicon Controlled Rectifier) ist ein weit verbreiteter Leistungshalbleiter, der zum Steuern und Schalten von AC- und DC-Lasten mittlerer bis hoher Leistung entwickelt wurde.In diesem Artikel werden die Grundlagen, die Pinbelegung, die Funktionsprinzipien, Anwendungen, Spezifikationen, Funktionen und mehr des BT151-650R SCR erläutert.

Die NXP Semiconductors BT151-650R
![]()
BT151-650R
NXP
BT151-650R NXP
In Stock: 34622 pcs
ist ein siliziumgesteuerter Gleichrichter (SCR), der für das zuverlässige Schalten und Steuern von AC- und DC-Hochleistungslasten entwickelt wurde.Als Thyristor bleibt er ausgeschaltet, bis ein kleiner Gate-Strom angelegt wird. Anschließend schaltet er ein und leitet Strom zwischen Anode und Kathode, bis der Strom unter seinen Haltewert fällt.
Dieses Gerät unterstützt eine Sperrspannung von bis zu 650 V und einen Durchlassstrom von etwa 12 A RMS und ist somit für anspruchsvolle Leistungsanwendungen geeignet.Untergebracht in einem TO-220-Gehäuse ermöglicht es eine einfache Durchsteckmontage und eine effektive Wärmeableitung bei Verwendung mit einem Kühlkörper.Seine empfindlichen Gate-Eigenschaften ermöglichen eine einfache Triggerung über Steuerschaltkreise mit geringem Stromverbrauch.
Wenn Sie Interesse am Kauf des BT151-650R haben, kontaktieren Sie uns bitte bezüglich Preis und Verfügbarkeit.

|
Pin
Nein. |
Pin
Name |
Beschreibung |
|
1 |
Anode (A) |
Hauptsächlich
stromführende Klemme.Beim SCR fließt Strom von der Anode zur Kathode
ausgelöst wird. |
|
2 |
Kathode (K) |
Hauptrendite
Terminal.Der SCR schaltet ab, wenn der Strom durch diesen Pin unter den Wert fällt
Haltestrom. |
|
3 |
Tor (G) |
Kontrolle
Terminal.Ein kleiner Gate-Strom bringt den Thyristor in den leitenden Zustand. |
• BT152-600
![]()
BT152-600
NXP
BT152-600 NXP
In Stock: 2200 pcs
• BT152-650
• TYN208

TYN208
ST
ST TO-220
In Stock: 1856 pcs
• TYN612

TYN612
ST
TYN612 ST
In Stock: 1134 pcs
• 2N6508
• S6010
• C106M
![]()
C106M
Solid State Inc.
SCR 600V 4A TO202
In Stock: 430 pcs
• BT169
![]()
BT169
NXP
BT169 NXP
In Stock: 3816 pcs
|
Parameter |
Spezifikation |
|
Produkttyp |
Silizium
Gesteuerter Gleichrichter (SCR) |
|
Hersteller |
NXP
Halbleiter (Originaldesign) |
|
Wiederholter Höhepunkt
Sperrspannung (VDRM) |
650 V |
|
Wiederholter Höhepunkt
Sperrspannung (VRRM) |
650 V |
|
RMS-On-State
Aktuell (IT(RMS)) |
12 A |
|
Durchschnittlicher Ein-Zustand
Aktuell (IT(AV)) |
7,5 A |
|
Überspannungs-Einschaltzustand
Aktuell (ITSM) |
95 A
(nicht repetitiv) |
|
Gate-Trigger
Aktuell (IGT) |
≤ 15 mA |
|
Gate-Trigger
Spannung (VGT) |
≤ 1,5 V |
|
Strom halten
(IchH) |
≤ 15 mA |
|
Selbsthaltender Strom
(IchL) |
≤ 25 mA |
|
Spannung im eingeschalteten Zustand
(VT) |
~1,6 V |
|
Betrieb
Sperrschichttemperatur |
−40 °C bis +125
°C |
|
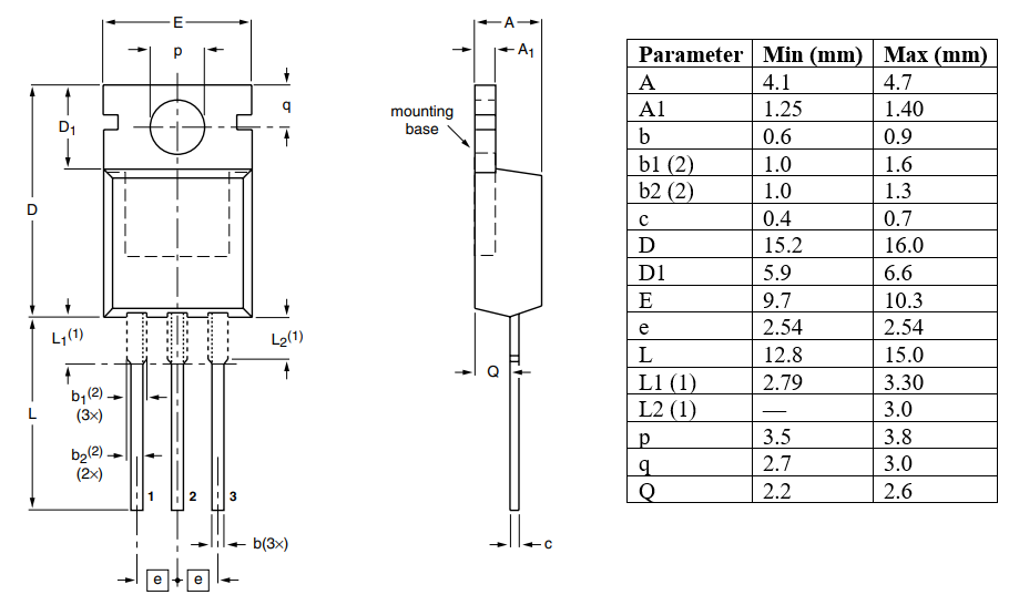
Pakettyp |
TO-220 (SOT78) |
|
Montageart |
Durchgangsloch |
|
Tab-Verbindung |
Anode (A) |
Der BT151-650R
![]()
BT151-650R
NXP
BT151-650R NXP
In Stock: 34622 pcs
kann im ausgeschalteten Zustand wiederholten Spitzenspannungen von bis zu 650 V sowohl in Vorwärts- als auch in Rückwärtsrichtung standhalten.Aufgrund dieser hohen Sperrfähigkeit eignet es sich für netzbetriebene und industrielle Stromkreise, in denen Spannungsspitzen und hohe Netzspannungen häufig vorkommen.
Dieser SCR ist für einen kontinuierlichen Durchlassstrom von bis zu 12 A RMS ausgelegt und kann kurzzeitig viel höhere Stoßströme tolerieren.Dadurch können Motoren, Heizungen und andere stromhungrige Lasten zuverlässig und ohne Leistungseinbußen gesteuert werden.
Das Gerät benötigt zum Einschalten nur einen geringen Gate-Strom und ermöglicht so eine einfache Auslösung über Steuerschaltkreise mit geringem Stromverbrauch wie Mikrocontroller, Optokoppler oder einfache Transistortreiber.Diese Funktion vereinfacht das Schaltungsdesign und reduziert den Stromverbrauch auf der Steuerungsseite.
Der BT151-650R arbeitet zuverlässig über einen weiten Temperaturbereich, Dadurch eignet es sich sowohl für Verbraucher- als auch für Industrieumgebungen Die thermischen Bedingungen können erheblich variieren.
Nach der Auslösung bleibt der BT151-650R im leitenden Zustand, bis der Laststrom unter den Haltestrom fällt.Dieses Verriegelungsverhalten ist ideal für Wechselstrom-Steuer- und Schutzschaltungen, bei denen eine stabile Leitung im eingeschalteten Zustand erforderlich ist.
Der in einem TO-220-Gehäuse untergebrachte SCR bietet eine gute mechanische Festigkeit und eine effiziente Wärmeableitung.Das Gehäuse ermöglicht die direkte Montage an einem Kühlkörper und trägt so zur Aufrechterhaltung sicherer Betriebstemperaturen unter Hochstrombedingungen bei.

In der bereitgestellten Schaltung wird der SCR BT151-650R
![]()
BT151-650R
NXP
BT151-650R NXP
In Stock: 34622 pcs
als verriegelnder elektronischer Schalter zur Steuerung eines 12-V-Gleichstrommotors verwendet.Wenn der SCR ausgeschaltet ist, fließt kein Strom durch den Motor, sodass er gestoppt bleibt.Der SCR ist in Reihe mit dem Motor geschaltet und ermöglicht so die direkte Steuerung der Motorleistung.
Wenn die START-Taste gedrückt wird, fließt ein kleiner Gate-Strom durch den Widerstand R1 zum Gate des BT151-650R.Dieser Gate-Strom schaltet den SCR in den leitenden Zustand, sodass Strom von der Versorgung durch den SCR und den Motor fließen kann.Der Widerstand R2 trägt zur Stabilisierung der Gate-Referenz bei, begrenzt den Strom und sorgt so für eine zuverlässige Auslösung.
Nachdem die START-Taste losgelassen wurde, läuft der Motor weiter, da der SCR eingerastet bleibt.Der Motorstrom bleibt über dem Haltestrom des SCR und hält ihn leitend.Durch Drücken der STOP-Taste wird der Strompfad unterbrochen, wodurch der SCR-Strom unter seinen Haltepegel gesenkt und ausgeschaltet wird, wodurch der Motor gestoppt wird.
• Start-Stopp-Steuerkreise für Gleichstrommotoren
• AC-Motorsteuerungssysteme
• Heiz- und Temperaturregelkreise
• Lampendimmer und Lichtsteuerung
• Schaltstufen der Stromversorgung
• Batteriebetriebene Lastschaltung
• Überspannungs- und Crowbar-Schutzschaltungen
• Industrielle Leistungssteuergeräte
• Relais- und Magnetantriebsschaltungen
• Allzweck-AC/DC-Leistungsumschaltung
Betreiben Sie den BT151-650R
![]()
BT151-650R
NXP
BT151-650R NXP
In Stock: 34622 pcs
innerhalb seiner Nennspannungs- und Stromgrenzen, um Schäden zu vermeiden.Verwenden Sie geeignete Gate-Widerstände, um den Gate-Strom zu begrenzen und eine Gate-Überlastung zu verhindern.Sorgen Sie für einen ausreichenden Kühlkörper, um die Temperatur während des Hochstrombetriebs zu kontrollieren.Fügen Sie beim Betrieb induktiver Lasten Schutzmaßnahmen wie Überspannungsschutzschaltungen hinzu, um Spannungsspitzen zu unterdrücken.Achten Sie immer auf die richtige Verkabelung und Polarität, bevor Sie den Stromkreis mit Strom versorgen.

NXP Semiconductors verfügt über langjährige Erfahrung in der Herstellung von Leistungshalbleiterbauelementen, einschließlich SCRs wie dem BT151-650R
![]()
BT151-650R
NXP
BT151-650R NXP
In Stock: 34622 pcs
, die aus seiner Geschichte als Philips Semiconductors stammt.Durch den Einsatz ausgereifter Siliziumverarbeitung, der Herstellung von Hochspannungsgeräten sowie robuster Montage- und Prüftechnologien war NXP in der Lage, zuverlässige Hochstrom-Thyristoren für industrielle und Verbraucher-Stromsteuerungsanwendungen herzustellen.
Da ein kleiner Gate-Strom erforderlich ist, wird typischerweise ein Transistor oder Optokoppler zwischen dem Mikrocontroller und dem Gate verwendet, um das Steuersignal sicher zu verstärken und zu isolieren.
Ja, aber es leitet nur in eine Richtung. Für eine vollständige AC-Steuerung wird es daher üblicherweise mit einem anderen SCR gekoppelt oder durch einen TRIAC ersetzt.
Da es sich um eine selbsthaltende Vorrichtung handelt, bleibt sie eingeschaltet, solange der Laststrom über dem Haltestrom bleibt.
Zu den häufigsten Ursachen gehören Überspannungsspitzen, übermäßiger Strom, schlechter Kühlkörper und unzureichender Schutz für induktive Lasten.
Ja, insbesondere bei induktiven Lasten, da ein Snubber Spannungsspitzen unterdrückt und Fehlauslösungen verhindert.
Dies ist möglich, aber sehr niedrige Lastströme können unter den Haltestrom fallen, was dazu führen kann, dass der Thyristor unerwartet abschaltet.
Der Gate-Triggerstrom schaltet den SCR ein, während der Haltestrom der minimale Laststrom ist, der erforderlich ist, um ihn eingeschaltet zu halten.
CAP CER 1.5PF 25V R2H 0201
CAP TANT 220UF 20% 4V 2917
IC RTC CLOCK/CALENDAR I2C 20SO
IC HOME AUTOMATION MODEM 16SOIC
IC PWR DRIVER N-CHAN 1:1 SOT223
ADS8323YB TI
LM2512A MOBILE PIXEL LINK (MPL-1
SII9244BOTR SILICON
ATT20C490-11 ATT
PT81256-S-70 PTC
PEX8612-BB50BC PLX
AVAGO QFN


