Deutsch
Zeit: 2025/10/14
Durchsuchen: 1,511

Ein auf einem Operationsverstärker basierender Oszillator ist eine Schaltung, die kontinuierliche Wellenformen wie Sinus, Rechteck oder Dreieck erzeugt, ohne dass ein externer Eingang erforderlich ist.Es verwendet einen Operationsverstärker (Op-Amp) mit einem Rückkopplungsnetzwerk, das das Ausgangssignal verstärkt und aufrechterhält.Der Operationsverstärker dient als Kern und sorgt für Verstärkung und Stabilität, während das Rückkopplungsnetzwerk den Wellenformtyp bestimmt.Durch Anpassen der Widerstands- und Kondensatorwerte können Sie die Amplitude, Frequenz und Form des Ausgangs steuern, wodurch Operationsverstärker-Oszillatoren äußerst vielseitig für Signalerzeugungs-, Test- und Frequenzsteuerungsanwendungen sind.
Die Schaltung arbeitet mit positiver Rückkopplung, wobei ein Teil des Ausgangs mit der richtigen Phase und Verstärkung zum Eingang zurückgekoppelt wird, um die Schwingung aufrechtzuerhalten.Kleine elektrische Störungen beim Start werden verstärkt, bis eine stabile Wellenform entsteht, wobei die Schwingungsfrequenz durch die Werte der Widerstände, Kondensatoren oder Induktivitäten in der Rückkopplungsschleife bestimmt wird.
Auf Operationsverstärkern basierende Oszillatoren sind wesentliche Schaltkreise in der modernen Elektronik.Sie erzeugen kontinuierliche, sich wiederholende Signale wie Sinus-, Rechteck- oder Dreieckwellen, ohne dass eine externe Eingabe erforderlich ist.Diese Signale sind in unzähligen Anwendungen nützlich, darunter Audiosysteme, Kommunikationssender, Testinstrumente und Wellenformgeneratoren.Nachfolgend sind die am häufigsten verwendeten Topologien diskreter Operationsverstärkeroszillatoren aufgeführt, die jeweils einzigartige Vorteile für bestimmte Anwendungsfälle bieten.

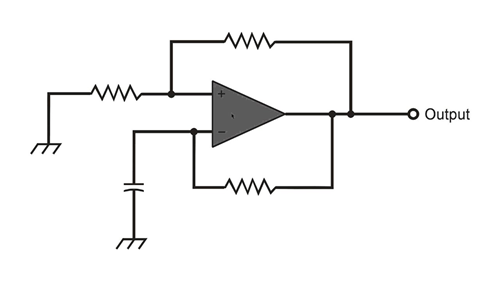
Der im Schaltplan dargestellte RC-Phasenverschiebungsoszillator verwendet eine Kombination aus Widerständen (R) und Kondensatoren (C), um eine Gesamtphasenverschiebung von 180 Grad zu erzeugen.Wenn dieses Netzwerk mit dem invertierenden Verstärker (z. B. einem Operationsverstärker oder Transistorverstärker) kombiniert wird, der eine zusätzliche Phasenverschiebung von 180 Grad bietet, beträgt die gesamte Phasenverschiebung der Rückkopplung 360 Grad – was das Barkhausen-Kriterium für anhaltende Schwingung erfüllt.
In dieser Schaltung tragen die drei in Kaskade geschalteten RC-Abschnitte jeweils zu einer Phasenverschiebung von 60 Grad bei, was zu den erforderlichen 180 Grad vom Rückkopplungsnetzwerk führt.Der Widerstand Rf und der Widerstand Ri stellen die Verstärkung des Operationsverstärkers ein und stellen so sicher, dass die Schleifenverstärkung ausreicht, um die Schwingung aufrechtzuerhalten.Der Ausgang des Operationsverstärkers speist das RC-Netzwerk, das das Rückkopplungssignal an den Verstärkereingang zurückgibt.
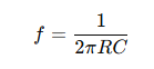
Dieser Oszillator erzeugt eine reine Sinuswelle und wird häufig zur Audiofrequenzerzeugung, Signalkalibrierung und Klangprüfung verwendet.Die Schwingungsfrequenz hängt vom RC-Netzwerk ab und liegt typischerweise im Niederfrequenzbereich, von einigen Hertz bis zu mehreren Kilohertz, bestimmt durch:


Der in der Schaltung gezeigte Wien-Brücken-Oszillator ist ein stabiler und präziser Sinuswellengenerator, der ein widerstandskapazitives (RC) Brückennetzwerk zur Einstellung der Oszillationsfrequenz nutzt.Die aus R1, R2, C1 und C2 gebildete Brücke sorgt für eine frequenzselektive Rückmeldung an den Operationsverstärker.Bei einer bestimmten Frequenz wird die Phasenverschiebung im Netzwerk Null und der Verstärker mit den Widerständen R3 und R4 liefert die notwendige Verstärkung für eine anhaltende Schwingung.
Die Schwingungsfrequenz ergibt sich aus:

Diese Konfiguration erzeugt Sinuswellen mit geringer Verzerrung und eignet sich daher ideal für die Erzeugung, Prüfung und Kalibrierung von Audiosignalen.Zur Aufrechterhaltung einer konstanten Amplitude kann eine automatische Verstärkungsregelung mithilfe von Dioden oder Thermistoren hinzugefügt werden.Aufgrund seiner Einfachheit und Genauigkeit bleibt der Wien-Brückenoszillator eine Standardwahl für Funktionsgeneratoren und Audioinstrumente.

Der gezeigte Rechteckwellengenerator verwendet einen Operationsverstärker mit positiver Rückkopplung und Hysterese, um eine rechteckige Ausgangswellenform zu erzeugen.In dieser Schaltung schaltet der Operationsverstärker schnell zwischen seinem hohen und niedrigen Sättigungspegel um und erzeugt so eine Rechteckwelle mit scharfen Übergängen.Der Kondensator (C) lädt und entlädt sich über die Widerstände und erzeugt so eine kontinuierliche Schwingung, ohne dass ein externes Eingangssignal erforderlich ist.
Durch Anpassen der Werte von R1, R2, R3 und C können die Frequenz und das Tastverhältnis der Ausgangswellenform gesteuert werden.Diese Konfiguration fungiert als astabiler Multivibrator und eignet sich daher für Taktschaltungen, Impulserzeugung, digitale Logiktests und Timing-Anwendungen.Seine Einfachheit, Zuverlässigkeit und schnelle Umschaltung machen es zu einer häufigen Wahl in Mikrocontroller-basierten und digitalen Zeitmesssystemen.

Die Relaxationsoszillatorschaltung funktioniert durch wiederholtes Laden und Entladen eines Kondensators (C) über einen Widerstand (R) und nutzt dabei das Schwellenschaltverhalten des Operationsverstärkers.Der Operationsverstärker wechselt seinen Ausgang zwischen hohem und niedrigem Zustand, wenn die Spannung am Kondensator bestimmte Referenzpegel überschreitet, die durch das Widerstandsnetzwerk am nicht invertierenden Eingang festgelegt werden.Während des Betriebs steigt die Kondensatorspannung an, bis sie den oberen Schwellenwert erreicht, wodurch der Operationsverstärker seinen Zustand wechselt.Anschließend entlädt es sich, bis der untere Schwellenwert erreicht ist, was einen weiteren Schalter auslöst.Dieser kontinuierliche Prozess erzeugt eine periodische Wellenform, typischerweise dreieckig oder sägezahnförmig, je nach Konfiguration.
Durch Anpassen der Widerstands- und Kondensatorwerte kann die Schwingfrequenz leicht variiert werden.Aufgrund seiner Einfachheit, seines großen Frequenzbereichs und seiner hohen Stabilität wird der Relaxationsoszillator häufig in Funktionsgeneratoren, spannungsgesteuerten Oszillatoren (VCOs) und Wobbelschaltungen zur analogen und digitalen Signalerzeugung eingesetzt.

Der Colpitts-Oszillator ist eine LC-basierte Schaltung, die mithilfe einer Kombination aus einer Induktivität (L) und zwei Kondensatoren (C1 und C2) eine stabile Sinuswelle erzeugt.Diese Komponenten bilden den Schwingkreis, der die Schwingfrequenz bestimmt.Der Operationsverstärker liefert die erforderliche Verstärkung und Rückkopplung, um kontinuierliche Schwingungen aufrechtzuerhalten.
In dieser Konfiguration wird die Rückkopplung von der Verbindung der Kondensatoren C1 und C2 übernommen, während die Induktivität L mit ihnen zusammenarbeitet, um die Resonanz aufrechtzuerhalten.Die Widerstände R1, R2 und R3 helfen dabei, die Vorspannung und Stabilität des Verstärkers einzustellen.
Der Colpitts-Oszillator ist dafür bekannt, glatte, verzerrungsarme Sinuswellen zu erzeugen und wird häufig in Hochfrequenzsendern, -empfängern und Signalgeneratoren eingesetzt.Sein einfaches Design, seine hohe Stabilität und zuverlässige Leistung machen es ideal für Kommunikationssysteme und HF-Instrumente.

Der Hartley-Oszillator arbeitet mit zwei Induktivitäten (L1 und L2) oder einer einzelnen Spule mit Anzapfung zusammen mit einem Kondensator (C), um den Resonanzschwingkreis zu bilden.Dieses LC-Netzwerk bestimmt die Schwingungsfrequenz und liefert die notwendige Rückmeldung, um kontinuierliche Schwingungen aufrechtzuerhalten.Der Operationsverstärker liefert die erforderliche Verstärkung, um Schaltungsverluste auszugleichen und einen stabilen Ausgang aufrechtzuerhalten.In dieser Konfiguration wird die Rückkopplungsspannung vom Verbindungspunkt zwischen den beiden Induktivitäten abgenommen, während der Kondensator mit ihnen zusammenarbeitet, um den Resonanzzustand zu erzeugen.Die Widerstände R1, R2 und R3 stellen die Vorspannungs- und Rückkopplungspegel des Verstärkers für einen konsistenten Betrieb ein.

Der Quadraturoszillator erzeugt zwei Sinuswellenausgänge (Vo₁ und Vo₂), die um 90 Grad zueinander phasenverschoben sind.Typischerweise werden zwei Operationsverstärker verwendet, die in einer Rückkopplungsschleife verbunden sind, wobei ein Operationsverstärker den Sinusausgang und der andere den Kosinusausgang erzeugt.
In dieser Konfiguration bilden die Widerstände (R1, R2, R3) und Kondensatoren (C1, C2, C3, C4, C5) frequenzbestimmende Netzwerke ähnlich denen in RC-Phasenverschiebungsoszillatoren.Die erste Stufe liefert ein phasenverschobenes Signal an die zweite Stufe und stellt so sicher, dass die Ausgänge die erforderliche Phasendifferenz von 90° beibehalten.

Der Quarzoszillator verwendet einen Quarzkristall (XTAL) als hauptsächliches frequenzbestimmendes Element.Der mit den Widerständen R1, R2 und R3 konfigurierte Operationsverstärker sorgt für die notwendige Verstärkung und Rückkopplung, um die Schwingung aufrechtzuerhalten.Der Kristall arbeitet mit seiner natürlichen Resonanzfrequenz und gewährleistet so eine äußerst stabile und genaue Signalerzeugung.
In diesem Schaltkreis verhält sich der Kristall wie ein hochselektives Resonanznetzwerk, das nur eine bestimmte Frequenz durchlässt.Der Operationsverstärker (wie der abgebildete LF355) verstärkt das Signal und behält gleichzeitig die Phasenbalance für eine kontinuierliche Oszillation bei.Diese Konfiguration bietet hervorragende Frequenzstabilität, geringes Phasenrauschen und minimale Drift im Laufe der Zeit.

Der Twin-T-Oszillator verwendet zwei T-förmige RC-Netzwerke – eines für die Tiefpassfilterung und eines für die Hochpassfilterung –, um einen Notch-Filter zu bilden, der für die notwendige Rückkopplung sorgt.Es erzeugt eine Sinuswelle mit geringer Verzerrung und bietet eine hervorragende Frequenzselektivität.Aufgrund der gleichmäßigen Wellenformausgabe und des einfachen Designs wird diese Schaltung häufig für Audiotests, Tonerzeugung und Signalkalibrierung verwendet.Es eignet sich am besten für Festfrequenzanwendungen, bei denen eine hohe Wellenformreinheit erforderlich ist.

Der spannungsgesteuerte Oszillator (VCO) erzeugt ein Ausgangssignal, dessen Frequenz sich entsprechend einer angelegten Steuerspannung ändert.Diese Schaltung verwendet zwei Operationsverstärker – Operationsverstärker 1 und Operationsverstärker 2 –, um Wellenformen wie Rechteck, Dreieck oder Sägezahn zu erzeugen, abhängig von der Konfiguration des RC-Netzwerks und des Rückkopplungspfads.
In der Schaltung regelt die Steuerspannung die Lade- und Entladerate des Kondensators (C), was sich direkt auf die Schwingfrequenz auswirkt.Die Widerstände (R1–R7) legen die Vorspannungs-, Verstärkungs- und Zeiteigenschaften fest und sorgen so für eine stabile und lineare Frequenzsteuerung.
In Audio- und Musikanwendungen helfen Oszillatoren mit Operationsverstärkern dabei, Klang zu erzeugen und zu formen.Sie werden zur Erzeugung von Tönen und Soundeffekten in elektronischen Instrumenten, Synthesizern und Testgeräten verwendet.Tongeneratoren erzeugen beispielsweise bestimmte Audiofrequenzen zum Testen von Lautsprechern, während Synthesizer Oszillatoren verwenden, um Musiknoten und digitale Klänge zu erzeugen.Diese Schaltkreise arbeiten auch mit Equalizern und Filtern, um die Klangqualität anzupassen.Aufgrund ihrer stabilen Leistung werden Operationsverstärker-Oszillatoren häufig in Aufnahmestudios, Soundsystemen und Audiotesttools verwendet.
In Kommunikationssystemen steuern Oszillatoren den Zeitpunkt und die Frequenz für das Senden und Empfangen von Signalen.Sie erzeugen Trägersignale, die in der AM-, FM- und digitalen Kommunikation verwendet werden.Diese Signale ermöglichen eine Synchronisierung von Sendern und Empfängern und sorgen so für eine reibungslose und klare Datenübertragung.Oszillatoren liefern außerdem Taktsignale, die dafür sorgen, dass digitale Kommunikationssysteme mit der richtigen Geschwindigkeit laufen.In drahtlosen Geräten sind sie Teil von Phasenregelkreisen (PLL), die bei der Wiederherstellung und Stabilisierung von Signalen helfen.Ohne diese Oszillatoren würden Kommunikationsnetzwerke an Genauigkeit und Timing verlieren.
In Fabriken, Labors und Krankenhäusern werden Operationsverstärker-Oszillatoren verwendet, um präzise Zeit- und Steuersignale zu erzeugen.In Industriemaschinen helfen sie bei der Motorsteuerung und Prozessautomatisierung, indem sie stabile Synchronisationssignale bereitstellen.Sie dienen auch als Spannungsquellen für Sensoren, die Druck, Temperatur oder Durchfluss messen.In medizinischen Geräten erzeugen Oszillatoren Hochfrequenzsignale für bildgebende Geräte wie Ultraschallscanner und Diagnosegeräte.Sie werden auch in EKG-Geräten und biomedizinischen Analysegeräten verwendet, um Körpersignale genau zu verarbeiten.
Oszillatoren sind Schlüsselkomponenten in vielen Laborgeräten.Man findet sie in Funktionsgeneratoren, die Sinus-, Rechteck- und Dreiecksignale zum Testen elektronischer Schaltungen erzeugen.Sie dienen auch als Zeitreferenzen in Frequenzzählern, Oszilloskopen und Analysatoren.In Kalibriergeräten sorgen Oszillatoren dafür, dass die Messungen über einen längeren Zeitraum genau bleiben.Instrumente, die Kondensatoren, Induktivitäten oder Filter testen, verwenden Oszillatoren, um verschiedene Frequenzen zu durchlaufen.
In eingebetteten Systemen und Steuerungssystemen liefern Operationsverstärker-Oszillatoren Zeit- und Steuersignale, die den ordnungsgemäßen Betrieb von Geräten unterstützen.Sie können als Taktquellen für Mikrocontroller verwendet werden, wenn Quarzoszillatoren nicht benötigt werden.In Leistungs- und Steuerkreisen helfen sie bei der Erzeugung von Pulsweitenmodulationssignalen (PWM), um die Motorgeschwindigkeit und den Leistungsfluss zu steuern.Sie dienen auch als Zeitgeber für Automatisierungssysteme und als Referenzsignale für Analog-Digital-Wandler.Ihre Genauigkeit und ihr einfaches Design machen sie für viele Steuerungs- und Automatisierungsanwendungen nützlich.
Oszillatoren werden auch in Energiesystemen eingesetzt, die Energie umwandeln und steuern.In DC-DC-Wandlern und Spannungsreglern erzeugen sie Zeitimpulse, die die Schaltgeschwindigkeit steuern.In USV- und Wechselrichtersystemen erzeugen Oszillatoren synchronisierte Signale, die die Leistungsabgabe stabil halten.In erneuerbaren Energiesystemen wie Solarwechselrichtern und Motorantrieben helfen sie dabei, Phase und Frequenz zu verwalten, um eine effiziente Energieumwandlung aufrechtzuerhalten.
In Schulen, Forschungslabors und Ausbildungszentren werden Oszillatoren häufig für Experimente und Demonstrationen eingesetzt.Sie helfen den Schülern zu lernen, wie Wellenformen erzeugt werden und wie elektronische Schaltkreise auf verschiedene Signale reagieren.In der Forschung werden Oszillatoren zur Simulation von Vibrationen, Schallwellen oder biologischen Signalen eingesetzt.Sie dienen auch als Testquellen beim Aufbau und der Prüfung neuer elektronischer Prototypen.
|
Vorteile |
Nachteile |
|
Stabile Frequenz
Ausgabe:
Behält über die Zeit eine konstante Frequenz bei, ideal für Timing und Wellenform
Generation. |
Beschränkt
Hochfrequenzleistung: Die meisten Operationsverstärker haben Schwierigkeiten beim Betrieb
effizient bei sehr hohen Frequenzen. |
|
Hohes Signal
Qualität:
Erzeugt saubere und verzerrungsarme Sinus- oder Rechteckwellen, die für Audio- und Audioanwendungen geeignet sind
Prüfsysteme. |
Stromversorgung
Empfindlichkeit:
Die Ausgangsstabilität kann je nach Änderung der Versorgungsspannung variieren. |
|
Design
Flexibilität:
Frequenz und Wellenform können durch Modifizieren von Widerstand, Kondensator usw. angepasst werden
Induktorwerte. |
Temperatur
Abhängigkeit:
Die Frequenz kann aufgrund von Temperaturänderungen oder Komponenten leicht abweichen
Toleranzen. |
|
Niedrige Komponente
Zählen:
Erfordert weniger externe Komponenten als Oszillatoren auf Transistorbasis.
Reduzierung von Kosten und Komplexität. |
Amplitude
Instabilität:
Ohne automatische Verstärkungsregelung (AGC) kann die Ausgangsamplitude variieren oder verzerrt sein
im Laufe der Zeit. |
|
Leichtigkeit
Integration:
Kann problemlos sowohl in analoge als auch in digitale Systeme integriert werden. |
Untere
Effizienz:
Weniger effizient als LC- oder Quarzoszillatoren in hochpräzisen oder
energiekritische Anwendungen. |
Von Audiotest- und Kommunikationssystemen bis hin zu industriellen Steuerungs- und Bildungsexperimenten werden Oszillatorschaltungen auf Operationsverstärkerbasis überall dort eingesetzt, wo stabile Signale benötigt werden.Jede Topologie – wie Wien-Brücke, RC-Phasenverschiebung oder Rechteckwelle – bietet je nach Frequenz- und Wellenformanforderungen einzigartige Vorteile.Aufgrund ihrer Stabilität, Genauigkeit und einfachen Struktur bleiben Operationsverstärker-Oszillatoren ein wichtiger Baustein im modernen Elektronikdesign.
Ein Operationsverstärker-Oszillator erzeugt kontinuierliche Wellenformen wie Sinus-, Rechteck- oder Dreiecksignale ohne externen Eingang.Es wird hauptsächlich für Timing, Signaltests und Wellenformerzeugung in elektronischen Systemen verwendet.
Durch die positive Rückkopplung wird ein Teil des Ausgangssignals mit der richtigen Phase an den Eingang zurückgeführt, sodass die Schaltung kontinuierliche Schwingungen aufrechterhalten kann, ohne mit der Zeit abzuklingen.
Die Schwingungsfrequenz hängt von den Widerstands-, Kondensator- und manchmal Induktorwerten im Rückkopplungsnetzwerk ab.Durch das Ändern dieser Komponenten wird angepasst, wie schnell die Schaltung schwingt.
Ja.Je nach Schaltungsdesign können Operationsverstärker-Oszillatoren Sinus-, Rechteck-, Dreiecks- oder Sägezahnwellen erzeugen, was sie für verschiedene Signalanwendungen äußerst flexibel macht.
Operationsverstärker-Oszillatoren basieren auf RC- oder LC-Netzwerken, während Quarzoszillatoren aus Präzisionsgründen einen Quarzkristall verwenden.Kristalltypen bieten eine höhere Frequenzstabilität und Genauigkeit.
CAP CER 6PF 25V NP0 01005
CAP CER 6800PF 500V X7R 1812
IC MCU 8BIT 8KB OTP 44QFP
IC INTERFACE SPECIALIZED 16WQFN
IC REG CTRLR TELECOM 1OUT 16QSOP
RES SMD 2.4K OHM 0.1% 1/16W 0402
MICRO QFN24
SONIX QFP
FT232BL/FT245RL/FT232RL FTDI
MSD306PT-LF-Z1-SB MSTARA
LTC690 - LTC690 - SUPERVISORY CI
ALTORAN SOP16


