Deutsch
Zeit: 2025/10/14
Durchsuchen: 1,037

Ein programmierbarer Oszillator ist ein elektronisches Zeitmessgerät, das ein stabiles und präzises Taktsignal erzeugt, das je nach Bedarf digital an verschiedene Frequenzen angepasst werden kann.Im Gegensatz zu herkömmlichen Quarzoszillatoren, die mit einer festen Frequenz arbeiten, können Benutzer bei programmierbaren Oszillatoren die Ausgangsfrequenz mithilfe einer digitalen Steuerung einstellen oder ändern.Dies macht sie äußerst nützlich in Systemen, die mehrere Frequenzeinstellungen oder eine schnelle Neukonfiguration ohne Austausch von Komponenten erfordern.
Diese Oszillatoren werden typischerweise über digitale Schnittstellen wie I²C, SPI oder EEPROM-basierte Kommunikation gesteuert, sodass Ingenieure Frequenzparameter einfach ändern können – auch nach der Installation.Diese Flexibilität vereinfacht das Schaltungsdesign, verkürzt die Entwicklungszeit und macht die Bevorratung mehrerer Quarzoszillatoren für unterschiedliche Frequenzen überflüssig.
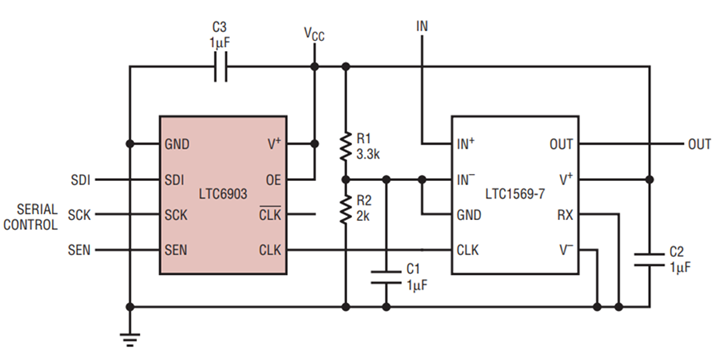
Das obige Diagramm veranschaulicht, wie ein programmierbarer Oszillator wie der LTC6903 innerhalb einer Schaltung funktioniert.Der LTC6903 wird über serielle SPI-Steuerleitungen (SDI, SCK, SEN) programmiert, um einen bestimmten Taktausgang zu erzeugen.Dieser Ausgang kann direkt oder zum Ansteuern anderer Geräte verwendet werden, beispielsweise des Tiefpassfilters LTC1569-7, der seine Grenzfrequenz basierend auf dem Takt des Oszillators anpasst.Durch einfaches Ändern des digitalen Eingangscodes kann die Frequenz des Oszillators – und damit die Reaktion des Filters – sofort geändert werden.
Der Betrieb eines programmierbaren Oszillators basiert auf der Frequenzsynthese, einem Prozess, der es ihm ermöglicht, aus einem einzigen Referenzsignal unterschiedliche Frequenzen zu erzeugen.Das Gerät beginnt mit einem Quarz- oder MEMS-Resonator, der eine stabile und präzise Referenzfrequenz liefert.Dieses Signal wird dann von einem Phasenregelkreis (PLL) oder einer direkten digitalen Syntheseschaltung (DDS) verarbeitet, um die gewünschte Ausgangsfrequenz zu erzeugen.
Die digitale Steuerlogik im Oszillator optimiert diesen Prozess und ermöglicht es Benutzern, bestimmte Frequenzwerte zu programmieren, ohne die Hardware zu ändern.Durch diese Methode kann der Oszillator einen konsistenten und jitterarmen Ausgang liefern, der für eine Vielzahl von Timing-Anwendungen geeignet ist.
Dieses Funktionsprinzip ermöglicht es programmierbaren Oszillatoren, die Genauigkeit quarzbasierter Referenzen mit der Flexibilität digitaler Steuerung zu kombinieren.Dadurch können sie an eine Vielzahl von Systemanforderungen angepasst werden und sind daher unverzichtbar für Designs, die Präzision, Zuverlässigkeit und einfache Konfigurierbarkeit erfordern.

Ein programmierbarer Oszillator besteht aus mehreren wesentlichen Teilen, die zusammenarbeiten, um stabile und einstellbare Ausgangsfrequenzen zu erzeugen.Jede Komponente trägt zur Präzision, Flexibilität und Zuverlässigkeit des Oszillators bei Timing-Anwendungen bei.
Die Kernkomponente des Geräts ist das Referenzresonator, das normalerweise entweder aus a erstellt wird Quarzkristall oder ein MEMS (Micro-Electro-Mechanical Systems) Struktur.Dieser Resonator legt die grundlegende Referenzfrequenz fest und gewährleistet so langfristige Stabilität und Genauigkeit für das gesamte System.
Der Frequenzsyntheseschaltung folgt, entweder mit a Phasenregelkreis (PLL) oder direkte digitale Synthese (DDS) Technik.Die PLL-Methode multipliziert oder dividiert das Referenzsignal, um die Zielfrequenz zu erzeugen, während das DDS die Ausgangswellenform für eine fein abgestimmte Steuerung digital konstruiert.Beide Ansätze ermöglichen eine breite Frequenzabdeckung mit geringem Phasenrauschen und minimalem Jitter.
Der Steuerlogik und Speicherabschnitt kümmert sich um die digitale Kommunikation und Konfiguration Schnittstellen wie I²C, SPI oder EEPROM.Mit diesem Teil können Benutzer spezifische Frequenzparameter direkt im Oszillator einstellen, anpassen und speichern, wodurch die Programmierung und Neukonfiguration in Echtzeit einfach und effizient wird.
Zuletzt die Ausgangstreiberstufe wandelt das synthetisierte Signal in einen nutzbaren Taktausgang mit dem erforderlichen Spannungspegel und Signalformat um, z CMOS, LVPECL oder LVDS.Dies gewährleistet die Kompatibilität mit einer breiten Palette digitaler Systeme und Mikrocontroller.
Diese Komponenten bilden einen programmierbaren Oszillator, der Präzision, Flexibilität und Stabilität vereint.
Programmierbare Oszillatoren sind in verschiedenen Ausführungen erhältlich, die jeweils auf bestimmte Leistungsstandards und Umgebungsbedingungen zugeschnitten sind.Die Unterschiede zwischen ihnen hängen davon ab, wie sie mit Frequenzstabilität, Umgebungsveränderungen und Abstimmgenauigkeit umgehen.

VCXO (spannungsgesteuerter Quarzoszillator)
VCXO (spannungsgesteuerter Quarzoszillator)
Ein VCXO ermöglicht die Feineinstellung seiner Ausgangsfrequenz über eine externe Steuerspannung.Dies macht es ideal für Anwendungen, die eine Synchronisierung mit einer externen Signalquelle erfordern, wie z. B. Telekommunikationssysteme, Phasenregelkreise und Videoübertragungsgeräte.Seine schnelle Abstimmungsreaktion und Präzision machen es zu einer häufigen Wahl für zeitempfindliche Schaltkreise.

TCXO (temperaturkompensierter Quarzoszillator)
TCXO (temperaturkompensierter Quarzoszillator)
Ein TCXO enthält eine Temperaturkompensationsschaltung, um Frequenzdrift aufgrund von Temperaturschwankungen entgegenzuwirken.Wenn es um programmierbare Einstellungen erweitert wird, bietet es sowohl hohe Genauigkeit als auch hervorragende Stabilität über weite Temperaturbereiche.Durch diese Kombination eignen sich TCXOs besonders für GPS-Empfänger, mobile Geräte und Präzisionstestinstrumente, bei denen die Konsistenz unter wechselnden Umgebungsbedingungen von entscheidender Bedeutung ist.

OCXO (Ofengesteuerter Quarzoszillator)
OCXO (Ofengesteuerter Quarzoszillator)
Ein OCXO hält sein Kristallelement in einem temperaturgesteuerten Ofen, um eine konstante Betriebsumgebung aufrechtzuerhalten.Dieses Design minimiert die Auswirkungen von Temperaturänderungen und sorgt für eine äußerst stabile Frequenzausgabe mit geringem Phasenrauschen.Programmierbare OCXOs werden häufig in der Satellitenkommunikation, in Radarsystemen und in hochpräzisen Laborgeräten eingesetzt, wo es auf langfristige Genauigkeit ankommt.

SPXO (Simple Packaged Crystal Oscillator)
SPXO (Simple Packaged Crystal Oscillator)
Ein SPXO ist der einfachste Oszillatortyp, dem normalerweise Kompensations- oder Steuermechanismen fehlen.In Kombination mit programmierbaren Funktionen kann es jedoch eine einstellbare Frequenzausgabe liefern und bleibt dabei kosteneffizient.SPXOs werden häufig in der Unterhaltungselektronik, in eingebetteten Systemen und in universellen Zeitschaltkreisen eingesetzt, die Erschwinglichkeit und Flexibilität erfordern.

MEMS-basierte programmierbare Oszillatoren
MEMS-basierte programmierbare Oszillatoren
MEMS-Oszillatoren verwenden Resonatoren auf Siliziumbasis anstelle von Quarz und bieten eine überlegene Schockfestigkeit und Haltbarkeit.Aufgrund ihrer geringen Größe und ihres geringen Stromverbrauchs eignen sie sich ideal für kompakte und tragbare Elektronikgeräte.Da sie schnell auf unterschiedliche Frequenzen programmiert werden können, sind MEMS-Oszillatoren häufig in Automobilsystemen, IoT-Geräten und Wearables zu finden, wo Zuverlässigkeit und Miniaturisierung von entscheidender Bedeutung sind.
Oszillatoren mit mehreren Ausgängen und Taktgeneratoren
Einige programmierbare Oszillatoren fungieren als Taktgeneratoren und stellen mehrere Ausgangsfrequenzen von einem Gerät bereit.Durch die Verwendung integrierter PLLs und Teiler können diese Oszillatoren mehrere synchronisierte Signale für verschiedene Subsysteme erzeugen.Sie werden häufig in FPGAs, Netzwerkgeräten und Hochgeschwindigkeits-Mikroprozessorplatinen eingesetzt, wo mehrere Timing-Domänen perfekt harmonieren müssen.
Bei der Auswahl eines programmierbaren Oszillators sollten Sie mehrere wichtige Spezifikationen bewerten, um sicherzustellen, dass das Gerät die Systemleistungs-, Stabilitäts- und Integrationsanforderungen erfüllt.
• Frequenzbereich und Auflösung - Definiert den Bereich der Ausgangsfrequenzen, die der Oszillator erzeugen kann, und wie fein diese Frequenzen angepasst werden können.Fortschrittliche Geräte bieten Auflösungen bis zu Teilen pro Milliarde, ideal für präzises Timing und Synchronisierung.
• Frequenzstabilität und Genauigkeit – Stellt dar, wie konstant der Oszillator seine Frequenz über Zeit und Temperatur beibehält.Die Stabilität wird durch Temperaturschwankungen, Änderungen der Versorgungsspannung und Alterungseffekte des Resonators beeinflusst.
• Jitter und Phasenrauschen - Diese Parameter messen die Signalreinheit.Geringer Jitter und minimales Phasenrauschen sind für Hochgeschwindigkeitskommunikationssysteme, hochauflösende ADCs und Taktwiederherstellungsschaltungen unerlässlich.
• Ausgangswellenform und Logikkompatibilität - Programmierbare Oszillatoren unterstützen mehrere Ausgangstypen, einschließlich CMOS, LVDS, HCSL und Differenzausgänge, und gewährleisten so die Kompatibilität mit einer Vielzahl digitaler Systeme und Prozessoren.
• Versorgungsspannung und Stromverbrauch - Typische Versorgungsspannungen liegen zwischen 1,8 V und 3,3 V. Der Betrieb mit geringem Stromverbrauch ist entscheidend für IoT-, tragbare und batteriebetriebene Geräte, bei denen sich die Effizienz direkt auf die Batterielebensdauer auswirkt.
• Pakettyp und -größe - Erhältlich in kompakten oberflächenmontierbaren Gehäusen wie 2,0 × 1,6 mm oder 3,2 × 2,5 mm großen MEMS-Typen, die den Einsatz in platzbeschränkten PCB-Layouts ermöglichen.
• Frequenzprogrammierungsschnittstelle – Definiert, wie Frequenzanpassungen vorgenommen werden – üblicherweise über I²C, SPI oder einmalig programmierbaren (OTP) Speicher.Diese Flexibilität ermöglicht eine Neukonfiguration ohne Änderung der Hardwarekomponenten.
• Startzeit - Gibt die Zeit an, die der Oszillator nach dem Einschalten benötigt, um eine stabile Ausgangsfrequenz zu erreichen.Schnelle Startzeiten verbessern die Reaktionsfähigkeit bei energiesparenden oder bedarfsgesteuerten Taktanwendungen.
• Betriebstemperaturbereich - Gibt die Temperaturgrenzen an (z. B. –40 °C bis +85 °C oder größere Industriebereiche), bei denen der Oszillator zuverlässig ohne Leistungseinbußen arbeiten kann.
• Ausgangsantriebsstärke und Belastbarkeit - Bestimmt die Fähigkeit des Oszillators, kapazitive Lasten oder mehrere Takteingänge anzusteuern und gleichzeitig die Signalintegrität aufrechtzuerhalten.
• Große Frequenzflexibilität – Im Gegensatz zu festen Quarzoszillatoren ermöglichen programmierbare Oszillatoren Benutzern die Erzeugung mehrerer Frequenzen mit einem einzigen Gerät.Dadurch entfällt die Notwendigkeit separater Oszillatoren für jede Frequenz, was die Lagerhaltung und die Designkomplexität reduziert.
• Einfache Anpassung und Neukonfiguration – Frequenzen können über digitale Schnittstellen wie I²C oder SPI programmiert werden, was schnelle Änderungen während der Prototypenerstellung oder Feldaktualisierungen ermöglicht, ohne dass Hardware ausgetauscht werden muss.
• Kompaktes und kosteneffizientes Design – Ein einzelner programmierbarer Oszillator kann mehrere diskrete Taktquellen ersetzen, wodurch die Anzahl der Komponenten und die gesamte Leiterplattenfläche minimiert werden, was zur Senkung der Herstellungskosten beiträgt.
• Optionen für hohe Stabilität und geringen Jitter – Erweiterte Modelle verfügen über MEMS oder temperaturkompensierte Kristalltechnologie (TCXO) und bieten hervorragende Frequenzgenauigkeit und geringen Jitter, geeignet für Hochgeschwindigkeitskommunikations- und Datensysteme.
• Kürzere Vorlaufzeit und Verfügbarkeit – Hersteller können programmierbare Oszillatoren schnell nach Kundenspezifikationen konfigurieren und so die Wartezeit im Vergleich zu maßgeschneiderten Quarzoszillatoren erheblich verkürzen.
• Vereinfachtes Bestandsmanagement – Da eine Teilenummer mehrere Frequenzoptionen abdecken kann, wird das Lieferkettenmanagement einfacher und kostengünstiger.
• Höhere Anschaffungskosten – Programmierbare Oszillatoren können aufgrund ihrer programmierbaren Schaltung und zusätzlichen Funktionalität etwas teurer sein als Standard-Quarzoszillatoren mit fester Frequenz.
• Erhöhter Stromverbrauch – Einige Modelle verbrauchen mehr Strom als herkömmliche Quarzoszillatoren, was bei Designs mit extrem geringem Stromverbrauch ein Problem darstellen kann.
• Begrenzte Leistung bei extremer Präzision – Obwohl sie sehr stabil sind, erreichen sie möglicherweise nicht das extrem niedrige Phasenrauschen oder die Langzeitstabilität spezieller OCXOs, die in Präzisions-Timing- oder Referenzanwendungen verwendet werden.
• Temperaturempfindlichkeit – Obwohl kompensiert, können MEMS-basierte programmierbare Oszillatoren bei großen Temperaturschwankungen eine etwas höhere Frequenzdrift aufweisen als hochwertige Quarzeinheiten.
• Komplexität in der Konfiguration – Programmierschnittstellen erfordern möglicherweise spezielle Tools oder Software, was für neue Benutzer eine geringe Lernkurve mit sich bringt.
In Kommunikations- und Netzwerksystemen trägt die Zeitgenauigkeit dazu bei, die Signalsynchronisation aufrechtzuerhalten.Programmierbare Oszillatoren stellen die stabilen und jitterarmen Taktquellen bereit, die in Switches, Routern, Basisstationen und optischen Netzwerken erforderlich sind.Ihre abstimmbaren Frequenzen machen sie ideal für Multistandard-Geräte und 5G- und Glasfaserinfrastrukturen der nächsten Generation.
Kompakte Geräte wie Smartphones, Tablets und tragbare Gadgets sind für die präzise Takterzeugung auf programmierbare Oszillatoren angewiesen.Ihr kleiner Formfaktor und ihr geringer Stromverbrauch machen sie zur bevorzugten Wahl für batteriebetriebene Produkte.Hersteller können sie auch so umprogrammieren, dass sie unterschiedliche regionale Frequenzstandards unterstützen, wodurch die Designkomplexität und die Produktionskosten reduziert werden.
Programmierbare Oszillatoren spielen eine entscheidende Rolle in industriellen Steuereinheiten, Automatisierungssystemen und eingebetteten Prozessoren.Sie sorgen für einen synchronisierten Betrieb zwischen Sensoren, Kommunikationsmodulen und Mikrocontrollern.Aufgrund ihrer Robustheit und großen Temperaturtoleranz eignen sie sich für raue Umgebungen in der Fertigung und Robotik.
In Laboren und Produktionstestumgebungen ist Flexibilität von entscheidender Bedeutung.Mit programmierbaren Oszillatoren können Sie Frequenzen für den Einsatz in Frequenzzählern, Signalgeneratoren, Oszilloskopen und Kalibrierungswerkzeugen einfach anpassen.Ihre hohe Genauigkeit gewährleistet zuverlässige Messungen während der Designvalidierung und System-Debugging.
Moderne Fahrzeuge integrieren fortschrittliche elektronische Systeme für Navigation, Infotainment und Fahrerassistenz.Programmierbare Oszillatoren liefern stabile Taktsignale für diese Subsysteme und sorgen so für einen gleichbleibenden Betrieb trotz schwankender Temperaturen und Vibrationen.Ihre Programmierbarkeit vereinfacht auch die Plattformentwicklung über mehrere Fahrzeugmodelle hinweg.
In Hochleistungsrechnern und Rechenzentren ist die Synchronisierung mehrerer Prozessoren und Speichergeräte von entscheidender Bedeutung.Programmierbare Oszillatoren bieten extrem niedrigen Jitter und anpassbare Frequenzoptionen für CPUs, GPUs und Speicherschnittstellen.Diese Präzision verbessert die Datenintegrität und die Gesamtsystemeffizienz in großen Computerarchitekturen.
IoT-Geräte sind auf effizientes Energiemanagement und flexible Konnektivität angewiesen.Programmierbare Oszillatoren unterstützen verschiedene drahtlose Protokolle wie Wi-Fi, Bluetooth und Zigbee und verbrauchen dabei nur minimale Energie.Ihre Fähigkeit, Frequenzen in verschiedenen Netzwerkumgebungen anzupassen, macht sie ideal für intelligente Sensoren, Gateways und tragbare Technologien.
In Luft- und Raumfahrt-, Verteidigungs- und Satellitensystemen ist Zuverlässigkeit unter extremen Bedingungen nicht verhandelbar.Programmierbare Oszillatoren sorgen für Hochfrequenzstabilität und Widerstandsfähigkeit gegenüber Vibrationen, Strahlung und Temperaturschwankungen.Sie werden häufig in Radar-, GPS- und sicheren Kommunikationssystemen eingesetzt, die eine unerschütterliche Zeitgenauigkeit erfordern.
Hier sind die wichtigsten Faktoren, die Sie bei der Auswahl eines programmierbaren Oszillators für Ihr Projekt berücksichtigen sollten.
Bestimmen Sie zunächst den Frequenzbereich, den Ihr System benötigt.Ein großer Abstimmbereich ermöglicht eine größere Designflexibilität, insbesondere für Geräte, die mehrere Frequenzausgänge benötigen.Hochauflösende Oszillatoren ermöglichen präzise Frequenzanpassungen und eignen sich daher ideal für die Synchronisierung und Feinabstimmung in fortschrittlichen Systemen.
Die Frequenzstabilität gewährleistet einen gleichbleibenden Betrieb trotz Temperaturschwankungen, Spannungsschwankungen oder Alterung der Komponenten.Für hochpräzise Designs sollten Sie temperaturkompensierte (TCXO) oder ofengesteuerte (OCXO) programmierbare Oszillatoren in Betracht ziehen.Diese Typen bieten minimale Drift und hervorragende Langzeitgenauigkeit für geschäftskritische Anwendungen.
Jitter und Phasenrauschen wirken sich direkt auf die Signalqualität aus, insbesondere in Hochgeschwindigkeitskommunikations-, Datenkonvertierungs- und Audiosystemen.Programmierbare Oszillatoren mit geringem Jitter liefern saubere und stabile Taktsignale und verbessern so die Timing-Präzision und die Gesamtsystemintegrität.Überprüfen Sie immer das Datenblatt auf Phasenrausch- und Jitter-Spezifikationen, bevor Sie eine Wahl treffen.
Verschiedene Systeme erfordern spezifische Ausgabeformate wie CMOS, LVDS oder HCSL.Wählen Sie einen Oszillator, der zum Logikpegel und Eingangstyp Ihrer Schaltung passt.Stellen Sie außerdem sicher, dass die Versorgungsspannung mit den Leistungsspezifikationen Ihres Systems übereinstimmt, um eine nahtlose Integration und zuverlässige Leistung zu gewährleisten.
Bei tragbaren oder batteriebetriebenen Geräten ist die Energieeffizienz entscheidend.Wählen Sie einen programmierbaren Oszillator mit geringem Stromverbrauch, der die Stabilität bei minimalem Energieverbrauch beibehält.MEMS-basierte Oszillatoren sind eine hervorragende Option für energieeffiziente Designs, die dennoch eine präzise Frequenzsteuerung erfordern.
Umgebungsbedingungen können die Timing-Leistung beeinträchtigen.Wählen Sie einen Oszillator, der für den Temperaturbereich ausgelegt ist, dem Ihre Anwendung ausgesetzt ist.Industrie- und Automobilsysteme erfordern häufig Komponenten, die bei –40 °C bis +85 °C oder darüber zuverlässig funktionieren.
Die Gehäusegröße beeinflusst sowohl das Schaltungslayout als auch die thermische Leistung.Kleinere Gehäuse wie 2,0 × 1,6 mm eignen sich ideal für kompakte Leiterplattendesigns, während größere Gehäuse eine bessere mechanische Festigkeit und Wärmeableitung bieten.Wählen Sie ein Paket, das Ihren Platz- und Designanforderungen auf der Platine entspricht.
Einige programmierbare Oszillatoren können über I²C, SPI oder spezielle Programmiertools konfiguriert werden.Vor Ort programmierbare Modelle ermöglichen es Ingenieuren, Frequenzen zu ändern, ohne Hardware auszutauschen, was sie für die Prototypenentwicklung und Produktionsflexibilität nützlich macht.
Wählen Sie zuverlässige Lieferanten, die detaillierte Datenblätter, Konfigurationssoftware und technische Unterstützung anbieten.Ein vertrauenswürdiger Hersteller gewährleistet eine gleichbleibende Produktqualität und -verfügbarkeit und reduziert so Konstruktionsrisiken und Produktionsverzögerungen.
Nachfolgend finden Sie praktische Beispiele für die Anwendung dieser Oszillatoren in verschiedenen Schaltkreisen.
In Mikrocontrollersystemen ersetzen programmierbare Oszillatoren häufig Festfrequenzquarze als Systemtaktquelle.Dadurch können Entwickler die Betriebsfrequenz ändern, ohne die Hardware ändern zu müssen.Die Anpassung der Oszillatorfrequenz trägt dazu bei, Leistung und Energieeffizienz in Einklang zu bringen, sodass es sich für Prototypen, adaptive Systeme und Anwendungen mit geringem Stromverbrauch eignet.
Programmierbare Oszillatoren spielen eine wesentliche Rolle bei der Frequenzsynthese für Kommunikationsgeräte.Sie liefern stabile Referenzsignale für HF-Schaltkreise und Phasenregelkreis-Transceiver (PLL) und gewährleisten so eine präzise Frequenzsteuerung und Synchronisierung.Diese Eigenschaften machen sie ideal für den Einsatz in Funkgeräten, drahtlosen Netzwerken und Mobilfunkkommunikationssystemen, bei denen die Signalstabilität von entscheidender Bedeutung ist.
Entwicklungs- und Evaluierungsboards enthalten häufig programmierbare Oszillatoren, um beim Testen flexible Taktoptionen zu bieten.Ingenieure können Timing-Parameter einfach anpassen, um unterschiedliche Systembedingungen oder Taktraten zu simulieren.Dies vereinfacht Leistungstests, verkürzt die Entwurfszeit und unterstützt ein schnelleres Prototyping von FPGAs, Mikrocontrollern und anderen digitalen Systemen.
In typischen Systemblockdiagrammen erscheinen programmierbare Oszillatoren als Taktquellen, die mit Mikrocontrollern, FPGAs oder Kommunikations-ICs verbunden sind.Sie liefern die Zeitreferenz, die für den koordinierten Betrieb aller Komponenten erforderlich ist.Da sie verschiedene Ausgabeformate wie CMOS, LVDS und HCSL unterstützen, sind sie mit vielen digitalen Logik- und Signalschnittstellenstandards kompatibel.

Die obige Schaltung zeigt einen typischen diodenstabilisierten Wien-Brückenoszillator, der am Ausgang ein präzises Sinuswellensignal erzeugt.Diese Schaltung arbeitet in einem Frequenzbereich von etwa 10 kHz bis 200 kHz.
Der Wien-Brückenoszillator besteht aus zwei Brücken – eine fungiert als Bandpassfilter, während die andere als Spannungsteiler dient.In diesem Beispiel verwendet die Schaltung das digitale Potentiometer AD5142 (digiPOT) und den Präzisionsverstärker ADA4610-1.Der AD5142 verfügt über zwei unabhängig einstellbare Potentiometer mit jeweils 256 Auflösungsschritten, wodurch die Widerstandswerte für eine feine Frequenzsteuerung digital programmiert werden können.Diese Widerstandswerte werden über die SPI-Kommunikation konfiguriert.Je nach Ausführung können entweder 10 kΩ- oder 100 kΩ-Potentiometer verwendet werden.
In der Oszillatorschaltung bilden R1A, R1B, C1 und C2 das positive Rückkopplungsnetzwerk, während R2A, R2B und die Dioden D1 und D2 für eine negative Rückkopplung sorgen, die die Amplitude stabilisiert.Das in Abbildung 2 dargestellte Funktionsblockdiagramm des AD5142 veranschaulicht, wie die SPI-Programmierung die Widerstandswerte in Echtzeit anpasst.
Der äquivalente Widerstand des Rückkopplungsnetzwerks wird ausgedrückt als:
R2 = R2A ||(R2B + Rdiode)
Um eine kontinuierliche und stabile Schwingung zu erreichen, muss die gesamte Phasenverschiebung in der Rückkopplungsschleife Null sein und die Schleifenverstärkung muss eins betragen.Die Schwingungsfrequenz wird nach folgender Formel bestimmt:
ω0 = 1/RC oder f0 = 1 / (2πRC)
Hier stellt R den programmierbaren Widerstandswert im AD5142 dar, der wie folgt definiert ist:
R = (256 – D) / 256 × RAB
In dieser Formel ist D das dezimale Äquivalent des programmierbaren Digitalcodes im AD5142 und RAB der Gesamtwiderstand des Potentiometers.
Damit der Oszillator eine stabile Wellenform beibehält, müssen die positive und negative Rückkopplung ausgeglichen sein.Wenn die positive Rückkopplung zu stark ist, erhöht sich die Amplitude, bis der Verstärker in die Sättigung geht.Wenn die negative Rückkopplung zu dominant ist, werden die Schwingungen schwächer oder stoppen.
Typischerweise wird das Verstärkungsverhältnis (R2/R1) auf etwas über 2 eingestellt, um eine Schwingung auszulösen.Wenn die Schaltung startet, leiten die Dioden in der Rückkopplungsschleife abwechselnd, wodurch die Verstärkung unter den kritischen Punkt reduziert und der Ausgang stabilisiert wird.Diese automatische Verstärkungsregelung sorgt für gleichmäßige und verzerrungsfreie Schwingungen.
Sobald die gewünschte Schwingungsfrequenz erreicht ist, kann die Amplitude durch Anpassen von R2 feinabgestimmt werden.Die Amplitude kann mit der folgenden Gleichung abgeschätzt werden:
(2/3) Voutput = IDR2B + VD
In diesem Ausdruck stellen ID und VD den Durchlassstrom bzw. die Durchlassspannung der Diode dar.Wenn R2B beispielsweise auf ein 100-kΩ-Digitalpotentiometer eingestellt ist, erzeugt die Schaltung typischerweise einen stabilen Sinuswellenausgang mit einer Amplitude von etwa 0,6 V.
Dieser programmierbare Wien-Brückenoszillator zeigt, wie digitale Potentiometer wie das AD5142 die präzise Frequenz- und Amplitudensteuerung vereinfachen können.Durch die Kombination eines Präzisionsverstärkers mit programmierbaren Rückkopplungsnetzwerken können Entwickler Oszillationsparameter einfach über Softwarebefehle anpassen – wodurch sich diese Schaltung ideal für moderne Testgeräte, Sensorsignalerzeugung und Kommunikationssysteme eignet.
Programmierbare Oszillatoren vereinen Präzision, Flexibilität und Effizienz in einem Gerät.Sie vereinfachen das Schaltungsdesign, unterstützen mehrere Frequenzen und sorgen für eine stabile Leistung in verschiedenen Anwendungen.Wenn Sie verstehen, wie sie funktionieren, können Sie den richtigen programmierbaren Oszillator auswählen, um in Ihren elektronischen Projekten ein zuverlässiges und anpassungsfähiges Timing zu erreichen.
Bei einem programmierbaren Oszillator kann die Ausgangsfrequenz über Schnittstellen wie I²C oder SPI digital angepasst werden, während ein Quarzoszillator mit einer festen Frequenz arbeitet, die durch seinen Quarz bestimmt wird.Programmierbare Typen bieten mehr Flexibilität für Mehrfrequenz- oder rekonfigurierbare Systeme.
Ja.Ein programmierbarer Oszillator kann verschiedene Frequenzen erzeugen, wodurch die Notwendigkeit mehrerer Festfrequenzoszillatoren entfällt.Dies reduziert die Anzahl der Komponenten, vereinfacht das Design und senkt die Lagerkosten.
Die Programmierung erfolgt typischerweise über digitale Schnittstellen wie I²C, SPI oder über die Konfigurationssoftware eines Herstellers.Die gewünschten Frequenz- und Ausgangsparameter werden in den internen Speicher oder die Steuerregister des Oszillators geschrieben.
Sie bieten einstellbare Frequenzen, eine kompakte Größe und einen geringen Stromverbrauch, was sie ideal für IoT- und eingebettete Systeme macht, die flexibles Timing und eine effiziente Energienutzung erfordern.
Moderne programmierbare Oszillatoren bieten eine mit Quarzoszillatoren vergleichbare Genauigkeit mit einer Stabilität von nur ±20 ppm oder besser.Fortgeschrittene Versionen wie TCXO- oder OCXO-basierte Modelle erreichen eine noch höhere Präzision.
CAP CER 2PF 50V C0G/NP0 0603
CAP CER 0.018UF 16V X7R 0402
CAP CER 0.15UF 50V 1206 EPOXY
CAP CER 3900PF 50V X7R 0402
IC ADC 10BIT SAR 20TSSOP
DC DC CONVERTER 15V 75W
IC MULTIVIBRATOR 18.5NS 8VSSOP
VI-LU0-EW 300V/5V 100W
RENESAS BGA
M38002M4-468FP MITSUBIS
M38C12M4-120HP RENESAS
XPC8240RZU250D MOTOROLA


