Deutsch
Zeit: 2025/11/26
Durchsuchen: 508
Der ON Semiconductor MMBT2222A
![]()
MMBT2222A
HY Electronic (Cayman) Limited
SMALL SIGNAL TRANSISTOR
In Stock: 2320 pcs
ist ein NPN-Transistor im SOT-23-Gehäuse, der als platzsparendes, oberflächenmontierbares Gegenstück zum klassischen 2N2222A

2N2222A
NTE Electronics, Inc
TRANS NPN 40V 0.8A TO18
Out Stock
konzipiert ist.Es kombiniert eine Kollektor-Emitter-Nennspannung von 40 V, einen Kollektorstrom von bis zu ~600 mA, eine niedrige Sättigungsspannung und eine hohe Übergangsfrequenz (~300 MHz).In diesem Artikel werden die wichtigsten Spezifikationen und Funktionen des Geräts, Pinbelegung und CAD-Modelle, gängige Entsprechungen und mehr erläutert.

Der ON Semiconductor MMBT2222A
![]()
MMBT2222A
HY Electronic (Cayman) Limited
SMALL SIGNAL TRANSISTOR
In Stock: 2320 pcs
ist ein kompakter Allzweck-NPN-Transistor in einem SOT-23-Gehäuse, der für zuverlässiges Schalten und Kleinsignalverstärkung ausgelegt ist.Mit einer Kollektor-Emitter-Nennspannung von etwa 40 V und der Fähigkeit, bis zu 600 mA zu verarbeiten, bietet es eine solide Leistung für alltägliche elektronische Anwendungen.Aufgrund seines geringen SMD-Footprints eignet es sich ideal für kompakte oder hochdichte Leiterplattenlayouts, bei denen der Platz begrenzt ist.
Ingenieure verwenden den MMBT2222A häufig für Aufgaben wie die Ansteuerung von LEDs, die Verbindung von Logiksignalen, die Verstärkung kleiner Signale oder das Schalten niedriger bis mittlerer Leistungslasten.Seine hohe Verstärkungsbandbreite unterstützt Schaltkreise mit mittlerer Geschwindigkeit, während sein großer Betriebstemperaturbereich einen stabilen Betrieb in verschiedenen Umgebungen gewährleistet.Als SMD-Gegenstück zum klassischen Durchgangstransistor 2N2222A

2N2222A
NTE Electronics, Inc
TRANS NPN 40V 0.8A TO18
Out Stock
ist er eine bewährte, vielseitige Wahl für moderne Designs.
Wenn Sie Interesse am Kauf des MMBT2222A haben, kontaktieren Sie uns bitte bezüglich Preis und Verfügbarkeit.


|
Pin
Nummer |
Pin
Name |
Beschreibung |
|
1 |
Basis (B) |
Kontrollen
Transistorschaltung;empfängt das Eingangssignal. |
|
2 |
Emitter (E) |
Strom fließt
durch diesen Stift hinaus;normalerweise mit der Erde verbunden. |
|
3 |
Sammler (C) |
Hauptstrom
Pfad;mit der Last verbunden. |
|
Parameter |
MMBT2222A
|
2N2222A
![]() |
BC549
|
BC639
![]() |
2N2369
|
2N3906
![]() |
|
Typ |
NPN |
NPN |
NPN |
NPN |
NPN |
PNP |
|
Paket |
SOT-23 |
TO-92 / TO-18 |
TO-92 |
TO-92 |
TO-18 / TO-92 |
TO-92 |
|
VCEO max |
40 V |
40 V |
30 V |
80 V |
40 V |
–40 V |
|
IC max |
600 mA |
800 mA |
100mA |
1 A |
200mA |
200mA |
|
Macht
Zerstreuung |
~300 mW |
~500 mW |
~500 mW |
~1 W |
~350 mW |
~625 mW |
|
Übergang
Frequenz (fT) |
~300 MHz |
~300 MHz |
~100 MHz |
~50–100 MHz |
~500 MHz |
~250 MHz |
|
Notizen |
SMD-Version von
2N2222A |
Sehr enge Übereinstimmung |
Geräuscharm
Verstärker |
Höher
Spannung/Strom |
Hohe Geschwindigkeit
Schalter |
Komplementär
PNP |
|
Kategorie |
Spezifikation |
|
Transistortyp |
NPN |
|
Montageart |
Oberflächenmontage
(SMD) |
|
Paket/Koffer |
SOT-23 /
TO-236-3 / SC-59 |
|
Anzahl der Pins |
3 |
|
Polarität |
NPN |
|
Element
Konfiguration |
Single |
|
hFE (Min.) |
100 |
|
Gewinnen Sie Bandbreite
Produkt (fT) |
300 MHz |
|
Sammler-Emitter
Spannung (VCEO) |
40 V |
|
Sammlerbasis
Spannung (VCBO) |
75 V |
|
Emitter-Basis
Spannung (VEBO) |
6 V |
|
Max Collector
Strom (IC) |
600 mA |
|
Aktuelle Bewertung
(Allgemein) |
500mA |
|
Sammler-Emitter
Sättigungsspannung (VCE(sat)) |
< 300 mV @
150mA |
|
Sammler-Emitter
Durchbruchspannung |
40 V |
|
Sammler-Cutoff
Strom (ICBO) |
10 nA |
|
Macht
Verlustleistung (PD) |
300–350 mW |
|
Häufigkeit (max.) |
300 MHz |
|
Betrieb
Temperaturbereich |
−55 °C bis +150 °C
(TJ) |
|
Feuchtigkeit
Empfindlichkeitsstufe (MSL) |
1 (Unbegrenzt) |
|
Kündigung |
SMD / SMT |
|
Verpackungsoption |
Band und Rolle |
|
Basisteilenummer |
MMBT2222
![]() |
|
Veröffentlicht |
2016 |
|
RoHS-Status |
RoHS-konform |
|
Bleifrei |
Ja |
|
Halogenfrei |
Ja |
|
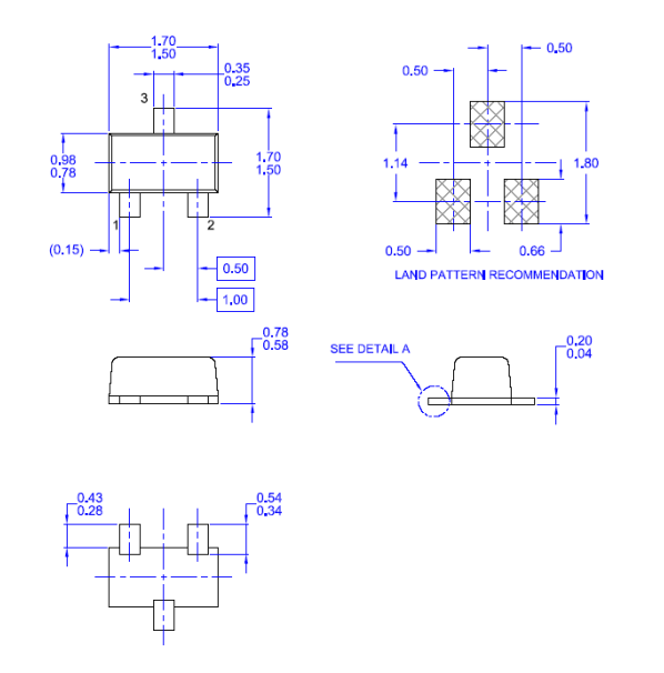
Abmessungen
(Ca.) |
3,05 mm (L) ×
1,4 mm (B) × 1,0 mm (H) |
- Epitaktische Planar-Die-Konstruktion für erhöhte Zuverlässigkeit und konstante Leistung.
-Niedrige Sättigungsspannung, typischerweise VCE(sat) < 300 mV at 150 mA, improving efficiency in switching applications.
-Komplementäres PNP-Paar verfügbar: MMBT2907A für Push-Pull- oder Signalpaarungsschaltungen.
-Ideal für Low-Power-Verstärkung und -Schaltung, unterstützt universelle Designs in kompakter Elektronik.
-Hohe Übergangsfrequenz (fT ≈ 250–300 MHz) ermöglicht eine Signalverarbeitung mit mittlerer Geschwindigkeit.
-Schnelle Schaltfähigkeit, geeignet für digitale Schnittstellen, Treiber und Steuerung auf Logikebene.
-SOT-23-Gehäuse zur Oberflächenmontage, das Platz auf der Leiterplatte spart und eine automatisierte Fertigung ermöglicht.
- Vollständig bleifrei und RoHS-konform, erfüllt Umwelt- und Sicherheitsstandards.
-Halogenfreie und antimonfreie „grüne“ Geräteoptionen für umweltfreundliche Designs verfügbar.
-Großer Betriebstemperaturbereich für zuverlässige Leistung in rauen Umgebungen.

Im ersten Schaltkreis fungiert der MMBT2222A
![]()
MMBT2222A
HY Electronic (Cayman) Limited
SMALL SIGNAL TRANSISTOR
In Stock: 2320 pcs
als unterer NPN-Transistor in einem einfachen Komplementärpaar mit dem PNP-MMBT2907.Hier übernimmt der MMBT2222A das masseseitige Schalten und zieht bei Aktivierung Strom durch das PNP-Gerät.Wenn Q2 (MMBT2222A) eingeschaltet wird, nimmt es Strom von Q1 (MMBT2907) auf, sodass der PNP-Transistor leiten und die Eingangsspannung an den Ausgangsknoten liefern kann.Diese Konfiguration zeigt, wie der MMBT2222A den höherseitigen Strom indirekt über einen Komplementärtransistor steuern kann und so ein effizientes Schalten mit minimaler Komponentenanzahl ermöglicht.

Im zweiten Schaltkreis spielt der MMBT2222A eine stärker integrierte Rolle in einem Präzisionssteuerungssystem.Mehrere MMBT2222A-Transistoren arbeiten zusammen mit dem PNP MMBT2907 und einem MOSFET, um die Ausgangsspannung zu regulieren.Ein MMBT2222A-Gerät übernimmt die Signalverstärkung, während ein anderes die Schaltsteuerung für das MOSFET-Gate übernimmt.Zusammen sorgen sie für eine stabile Spannungsregelung, indem sie schnell auf Änderungen der Steuerspannung reagieren.Dies zeigt die Vielseitigkeit des MMBT2222A sowohl bei der Signalverarbeitung auf niedriger Ebene als auch bei Schaltpfaden mit höherem Strom innerhalb fortschrittlicherer analoger Schaltkreise.
-Allzweckschaltung für niedrige bis mittlere Ströme
-Ansteuerung von LEDs, Relais, kleinen Motoren und Magnetspulen
-Signalverstärkung in Audio- und HF-Schaltkreisen mit geringem Stromverbrauch
-Schnittstelle auf Logikebene und digitale Signalsteuerung
-Push-Pull- oder komplementäre Transistorstufen (gepaart mit MMBT2907A)
-Hochgeschwindigkeitsschaltkreise aufgrund ihrer schnellen Übergangsfrequenz
-Spannungsregelung und Referenzschaltungen
-Transistorbasierte Pegelumsetzer und Pufferstufen
-Sensorsignalaufbereitung und Kleinsignalverarbeitung
-Verwendung in kompakten oder tragbaren Geräten, die ein SOT-23-SMD-Gehäuse erfordern
|
Parameter |
MMBT2222A
|
MMBT2222A-7-F
|
MMBT2222
![]() |
|
Polarität |
NPN |
NPN |
NPN |
|
VCEO (max.) |
40 V |
40 V |
30 V |
|
IC (max.) |
600 mA |
600 mA |
600 mA |
|
Macht
Verlustleistung (Pd) |
ca. 300 mW |
ca. 310 mW |
ca. 350 mW |
|
fT
(Gewinnbandbreite) |
~300 MHz |
~300 MHz |
~250-300 MHz |
|
Paket /
Montage |
SOT-23
Oberflächenmontage |
SOT-23
Oberflächenmontage |
SOT-23
Oberflächenmontage |
|
hFE (min.) |
100 bei 150 mA, 10
V |
100 bei 150 mA, 10
V |
~40 oder mehr
(variiert) |
|
VCBO (max.) |
75 V |
75 V |
~60 V |
|
VEBO (max.) |
6 V |
6 V |
~5 V |

-Kompaktes SOT-23-Gehäuse, ideal für Leiterplattendesigns mit begrenztem Platzangebot
-Hohe Strombelastbarkeit für seine Größe (bis zu 600 mA)
-Schnelle Schaltgeschwindigkeit und hohe Übergangsfrequenz (~300 MHz)
-Niedrige Sättigungsspannung verbessert die Effizienz bei Schaltanwendungen
- Weit verbreitet, kostengünstig und herstellerübergreifend leicht zu beschaffen
-Geeignet sowohl zum Schalten als auch zur Kleinsignalverstärkung
-Komplementäre PNP-Version (MMBT2907A) sofort verfügbar
-RoHS-konform, bleifrei und in „grünen“ halogenfreien Versionen erhältlich
-Zuverlässige Leistung über einen weiten Temperaturbereich
-Geringere Verlustleistung im Vergleich zu Durchsteck-Äquivalenten (TO-92)
-Eingeschränkte Spannungsbelastbarkeit (VCEO = 40 V), nicht für Hochspannungsanwendungen geeignet
-Kleine SMD-Gehäuse können beim manuellen Löten schwierig zu handhaben sein
-Die thermische Leistung hängt stark vom PCB-Layout ab
-Nicht ideal für Hochleistungslasten oder den Dauerbetrieb mit starkem Strom
-Die elektrischen Spezifikationen können je nach Hersteller variieren und erfordern eine Überprüfung der Datenblätter
ON Semiconductor (onsemi) ist ein weltweit tätiges Halbleiterunternehmen, das sich auf intelligente Energie- und Sensortechnologien spezialisiert hat.Ihr umfangreiches Produktportfolio umfasst diskrete und Leistungsmodule, Energiemanagement-ICs, analoge und Mixed-Signal-Komponenten, Sensoren, drahtlose Konnektivität, Motorsteuerungslösungen und kundenspezifische ASSP/SoC-Geräte.Das Unternehmen verfügt über starke Kompetenzen bei hocheffizienten Leistungsgeräten wie Siliziumkarbid (SiC)-MOSFETs und -Dioden sowie fortschrittlichen Bild- und Tiefensensoren für Automobil- und Industriemärkte.
PN,MMBT,PZT2222A Datenblatt.pdf
MMBT2222A ist die SMD-Version, die kompakte PCB-Designs ermöglicht, während 2N2222A durchkontaktiert ist und sich besser für Steckbretter oder eine höhere Wärmeableitung eignet.
Ja.Sein geringer Grundstrombedarf und sein schnelles Schalten machen ihn ideal für die Ansteuerung kleiner Lasten direkt von MCU-GPIO-Pins.
Ja.Seine hohe Übergangsfrequenz und schnelle Schaltreaktion ermöglichen eine saubere, effiziente PWM-Steuerung von LEDs, kleinen Motoren und Treibern.
In vielen Kreisen ja.Es bietet einen ähnlichen oder höheren Strom und schnelleres Schalten, prüfen Sie jedoch immer zuerst die Spannungs- und Verstärkungsanforderungen.
Ja.Um den Strom zu begrenzen und ein ordnungsgemäßes Schalten sicherzustellen, ist ein Basiswiderstand erforderlich.Typische Werte liegen je nach Last zwischen 1 kΩ und 10 kΩ.
Es kann kleine Signalrelais ansteuern, größere Relais können jedoch seine Stromgrenzen überschreiten.Für schwerere Lasten wird ein MOSFET oder ein Transistor mit höherem Strom empfohlen.
Die SOA definiert die Spannungs-Strom-Kombinationen, mit denen sie sicher umgehen kann.Bei 40 V und höheren Strömen gelten strengere Grenzwerte, so dass eine deutliche Unterschreitung der maximalen Nennwerte die Zuverlässigkeit verbessert.
CAP CER 68PF 100V C0G/NP0 0603
CAP TANT 22UF 10% 2.5V 0805
TVS DIODE 495VWM 760VC DO214AA
CRYSTAL 12.0000MHZ 18PF SMD
IC GATE OR 1CH 3-INP SC88
IC LED DRVR RGLTR PWM 1.3A 8MSOP
IC ASYNC COMM ELEMENT 48-LQFP
VOIP RINGING SLIC
215CQA6AVA12FG AMD
KEC SOT23
HIMAX QFP100
PEB3265V1.3 INFINEON
CYNX QFP

TRANS NPN 40V 0.6A SOT23-3
vorrätig: 1296

TRANSISTOR, NPN, 0.8A, 75V, TO-1
vorrätig: 843

TRANS PNP 40V 0.2A TO92
vorrätig: 1329
TRANS NPN 40V 0.6A SOT23-3
vorrätig: 391
TRANS NPN 40V 0.6A SOT23-3
vorrätig: 482
