Deutsch
Zeit: 2025/11/28
Durchsuchen: 522
Der BC847

BC847
CJ
BC847 Original
In Stock: 185300 pcs
ist ein kompakter NPN-SOT-23-Transistor, 45 V VCEO, 100 mA IC, mehrere hFE-Gruppen (A/B/C) und eine Verlustleistung von bis zu ~250 mW.Das Gerät vereint geringes Rauschen, einen guten Frequenzgang und eine gleichbleibende NXP-Fertigungsqualität.In diesem Artikel werden die wichtigsten Spezifikationen, die Pinbelegung, typische Schaltkreisfunktionen, praktische Anwendungen und mehr des BC847 erläutert.

Die BC847

BC847
CJ
BC847 Original
In Stock: 185300 pcs
ist ein NPN-SMD-Transistor, der für zuverlässiges Schalten und Verstärken kleiner Signale entwickelt wurde.Im SOT-23-Gehäuse bietet er eine Kollektor-Emitter-Nennspannung von 45 V, einen Kollektorstrom von 100 mA und eine Verlustleistung von etwa 200 mW.Seine Varianten (BC847A/B/C) bieten unterschiedliche Verstärkungsgruppen, sodass Sie die Verstärkungsstufe wählen können, die Ihren Schaltungsanforderungen am besten entspricht.Der von NXP/Nexperia hergestellte BC847 bietet eine konstante Leistung, geringe Geräuschentwicklung und zuverlässige Schalteigenschaften.Aufgrund seiner geringen Stellfläche eignet es sich für dichte Leiterplatten, tragbare Geräte und moderne oberflächenmontierte Designs.
Wenn Sie Interesse am Kauf des BC847 haben, kontaktieren Sie uns bitte bezüglich Preis und Verfügbarkeit.

|
Pin
Nummer |
Name |
Beschreibung |
|
1 |
Basis (B) |
Steuert die
Betrieb des Transistors durch Regulierung des Stromflusses zwischen C und E. |
|
2 |
Emitter (E) |
Strom fließt
durch diesen Stift hinaus;bei NPN-Nutzung typischerweise mit Masse verbunden. |
|
3 |
Sammler (C) |
Hauptstrom
Eingabe;an die Last in Schalt- oder Verstärkerkreisen angeschlossen. |
|
Modell |
Paket |
VCE
Max |
IC
Max |
hFE
Reichweite |
|
BC845 |
SOT-23 |
45 V |
100mA |
420–800 |
BC846
![]() |
SOT-23 |
65 V |
100mA |
110–800 |
|
MMBT3904
|
SOT-23 |
40 V |
200mA |
100–300 |
|
MMBT2222A
|
SOT-23 |
40 V |
600 mA |
100–300 |
BC850
![]() |
SOT-23 |
45 V |
100mA |
Hohe Verstärkung, niedrig
Lärm |
|
Kategorie |
Parameter |
Wert |
|
Absolutes Maximum
Bewertungen |
Kollektor–Emitter
Spannung (VCEO) |
45 V |
|
Sammlerbasis
Spannung (VCBO) |
50 V |
|
|
Emitter-Basis
Spannung (VEBO) |
6 V |
|
|
Sammler
Strom (IC max) |
100mA |
|
|
Gesamtleistung
Verlustleistung (Ptot bei 25 °C) |
250 mW |
|
|
Kreuzung
Temperatur (Tj max) |
150°C |
|
|
Lagerung
Temperatur (Tstg) |
–65°C bis +150°C |
|
|
Gleichstrom
Eigenschaften |
Aktueller Gewinn
(hFE) A |
110–220 |
|
Aktueller Gewinn
(hFE) B |
200–450 |
|
|
Aktueller Gewinn
(hFE) C |
420–800 |
|
|
Basis-Emitter
Spannung (VBE an @ IC = 2–10 mA)** |
0,62–0,70 V |
|
|
Wechselstrom / Schalten |
Übergang
Frequenz (fT) |
100–300 MHz |
|
Sammler
Kapazität (Ccb)** |
2–4 pF |
|
|
Kollektor–Emitter
Sättigungsspannung (VCE(sat)) |
90–200 mV (je nach
IC) |
|
|
Thermisch |
Thermisch
Widerstand (Rth(j-a)) |
500–625 K/W (typisch
SOT-23) |
|
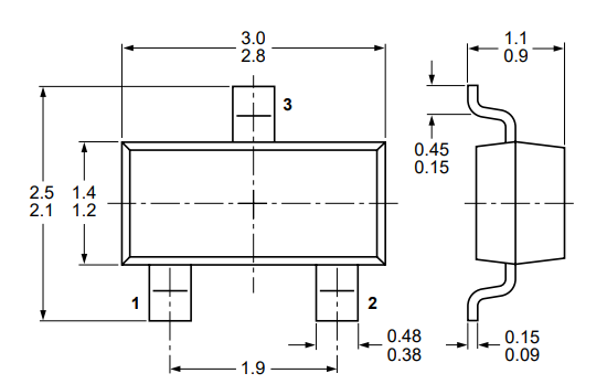
Paket / Pinbelegung |
Paket |
SOT-23
(TO-236AB) |

Das erste Diagramm zeigt einen Kleinsignalverstärker mit gemeinsamem Emitter (BC847

BC847
CJ
BC847 Original
In Stock: 185300 pcs
), der zwischen ±15 V vorgespannt ist. Dies ist eine gültige Demonstration: Der Kopplungskondensator (15 µF) speist den Eingang, der Basis-Vorspannungswiderstand legt den Ruhepunkt fest, der Emitterwiderstand sorgt für Gleichstromstabilisierung und der große Bypass-Kondensator erhöht die Wechselstromverstärkung.Stellen Sie sicher, dass die gewählten RB-, RC- und RE-Werte einen sicheren Ruhekollektorstrom (IC ≤ 100 mA) festlegen und die Verlustleistung des Transistors unter Ptot (≈250 mW) halten.Stellen Sie außerdem sicher, dass die Emitter-/Basisspannungen während Transienten niemals VEBO (6 V) oder VCEO (45 V) überschreiten.

Das zweite Diagramm ist eine klassische astabile/signalaufbereitende → Treiberanordnung mit zwei Transistoren: Zwei BC847 bilden die Timing-/Oszillatorstufen und der dritte BC847 (T3) wird als Schalter zum Ansteuern der LED verwendet.Bei +5 V ist dies für den BC847-Betrieb geeignet. Stellen Sie einfach sicher, dass die Widerstands- und Kondensatorwerte das gewünschte Timing erzeugen und dass der LED-Strom (durch R1) innerhalb der Grenzen bleibt.Überprüfen Sie abschließend immer noch einmal die Pin-Ausrichtung (SOT-23: 1 = Basis, 2 = Emitter, 3 = Kollektor), fügen Sie die Entkopplung der Versorgung hinzu und überprüfen Sie die thermischen Spielräume.
-Allzweck-Signalverstärkung in analogen Schaltkreisen mit geringem Stromverbrauch
-Schalten kleiner Lasten wie LEDs, Relais (bei ordnungsgemäßer Ansteuerung) und Anzeigen
-Digitale Logikpegelverschiebung und Schnittstelle zwischen Schaltkreisen
-Oszillator- und Zeitgeberschaltungen, einschließlich Multivibrator- und Impulserzeugungsstufen
-Sensorsignalaufbereitung für Temperatur-, Licht-, Vibrations- oder Mikrofonsignale
-Strombegrenzung und -regelung in kompakten Power-Management-Schaltkreisen
-Kleinsignal-Audiovorverstärker in tragbaren oder batteriebetriebenen Geräten
-Hochfrequenzstufen bis ~100–300 MHz für HF- oder Kommunikationsschaltungen
-Schutz- und Klemmschaltungen, z. B. Spannungsüberwachung auf Transistorbasis
-Treiberstufen für Transistor-Arrays, kleine Gleichstrommotoren oder Transistor-Darlington-Vortreiber
|
Kategorie |
BC846
![]() |
BC847
![]() |
|
Polarität |
NPN |
NPN |
|
Paket |
SOT-23
(TO-236AB) |
SOT-23
(TO-236AB) |
|
Sammler-Emitter
Spannung (VCEO) |
65 V |
45 V |
|
Sammlerbasis
Spannung (VCBO) |
80 V |
50 V |
|
Emitter-Basis
Spannung (VEBO) |
6 V |
6 V |
|
Sammler
Strom (IC max) |
100mA |
100mA |
|
Macht
Verlustleistung (Ptot) |
250 mW |
250 mW |
|
Gleichstromverstärkung
(hFE A) |
110–220 |
110–220 |
|
Gleichstromverstärkung
(hFE B) |
200–450 |
200–450 |
|
Gleichstromverstärkung
(hFE C) |
420–800 |
420–800 |
|
Übergang
Frequenz (fT) |
100–300 MHz |
100–300 MHz |
|
Sammler
Kapazität (Ccb) |
2–4 pF |
2–4 pF |
|
Kreuzung
Temperatur (Tj max) |
150°C |
150°C |
|
Lagerung
Temperatur (Tstg) |
–65 bis +150°C |
–65 bis +150°C |
|
Thermisch
Widerstand Rth(j-a) |
500–625 K/W |
500–625 K/W |
|
Pin
Konfiguration |
1-B, 2-E, 3-C |
1-B, 2-E, 3-C |
|
Typischer Anwendungsfall |
Höhere Spannung
Anwendungen |
Universell einsetzbar
Kleinsignaleinsatz |

• Kleines SOT-23-Gehäuse
• Geringer Stromverbrauch
• Elektrisch gleichwertig mit BC547
• Schnelle Schaltgeschwindigkeit
• Große Verfügbarkeit
• Niedrige Kosten
• Stabile Leistung in Allzweckschaltungen
• Begrenzter Kollektorstrom (max. 100 mA)
• Geringe Verlustleistung (~250 mW)
• Nicht für Hochleistungslasten geeignet
• Eingeschränkte Nennspannung
• Bei kleinen Gehäusen kann es schwierig sein, sie manuell zu löten
• Gewinnen Sie Variationen zwischen den Gruppen (A/B/C)
Der BC847

BC847
CJ
BC847 Original
In Stock: 185300 pcs
-Transistor wird von hergestellt NXP Halbleiter, ein renommierter globaler Anbieter von Halbleiterkomponenten, der für die Herstellung hochwertiger diskreter Geräte wie Transistoren, Dioden, MOSFETs und Logik-ICs bekannt ist.NXP ist auf die Lieferung zuverlässiger, energieeffizienter und branchenüblicher Komponenten spezialisiert.Mit einem starken Fokus auf konstante Leistung, Langzeitverfügbarkeit und Massenproduktion stellt Nexperia sicher, dass Geräte wie der BC846

BC846
UTC
BC846 Original
In Stock: 180200 pcs
die strengen Qualitäts- und Zuverlässigkeitsstandards erfüllen, die für moderne Elektronikdesigns erforderlich sind.
Zusammenfassend bietet der BC847

BC847
CJ
BC847 Original
In Stock: 185300 pcs
zuverlässige Kleinsignalleistung auf kleinstem Raum: vorhersehbare Verstärkungsgruppen für Designflexibilität, ausreichend Spannungsspielraum für die meisten Niederspannungssysteme und schnelle Übergangsfrequenz für Hochgeschwindigkeitsstufen.Bei Verwendung innerhalb seiner IC-, VCEO- und thermischen Grenzen – und mit korrekter Vorspannung und Entkopplung – funktioniert es sowohl als Verstärker als auch als Schalter gut.
Sie unterscheiden sich in der Gleichstromverstärkung (hFE).A bietet eine niedrige Verstärkung, B eine mittlere Verstärkung und C eine hohe Verstärkung, sodass Entwickler die Verstärkungsstufen an die Schaltungsanforderungen anpassen können.
Ja.Der BC847 funktioniert gut bei niedrigen Spannungen und wird häufig für GPIO-Schaltung, Signalpufferung und Pegelverschiebung in 3,3-V- und 5-V-Logiksystemen verwendet.
Ja.Mit einem fT von bis zu 300 MHz und einer geringen Kapazität unterstützt der BC847 Hochgeschwindigkeitsschaltung und PWM-Steuerung für LEDs, Treiber und digitale Schaltkreise.
Nur sehr kleine Ladungen.Für Relais oder Motoren ist normalerweise ein Transistor mit höherem Strom wie MMBT2222A oder BC817 erforderlich.
Berechnen Sie RB mit RB = (Vdrive – 0,7 V) / IB, wobei IB typischerweise IC/10 für gesättigtes Schalten ist.Stellen Sie sicher, dass der gewählte Widerstand den Basisstrom sicher hält.
A: Dank seiner hohen Übergangsfrequenz kann es in HF- oder Kommunikationsschaltungen mit geringer Leistung bis zu einigen hundert MHz eingesetzt werden.
Der VCE(sat) liegt je nach Kollektorstrom normalerweise zwischen 90 mV und 200 mV und ist somit effizient für verlustarmes Schalten.
Bei der standardmäßigen SOT-23-Ausrichtung ist Pin 1 die Basis, Pin 2 der Emitter und Pin 3 der Kollektor.
CAP CER 3.3PF 25V C0G 0201
CAP CER 1.5PF 25V NP0 0201
CAP CER 1.3PF 50V NP0 0402
IC MPU M683XX 166MHZ 100LQFP
IC TRANSCEIVER HALF 1/1 8SOIC
CCD SIGNAL PROCESSOR
SANYO QFP
NJM4151M JRC
PI2LVD512AEX PERICOM/P
IC MPU I.MX6D ENHANCED 624FCBGA
SST PLCC
SAMSUNG BGA

TRANS NPN 40V 0.2A SOT23-3
vorrätig: 1482

TRANS NPN 40V 0.6A SOT23-3
vorrätig: 1009
TRANS NPN 40V 0.6A SOT23-3
vorrätig: 1849
TRANS NPN 40V 0.2A SOT23-3
vorrätig: 781

BC846 Original
vorrätig: 1219

