Deutsch
Zeit: 2025/12/1
Durchsuchen: 444
Der BC556
![]()
BC556
onsemi
TRANS PNP 65V 0.1A TO92-3
In Stock: 10366 pcs
ist ein vielseitiger epitaktischer PNP-Siliziumtransistor.In diesem Artikel werden die wichtigsten Spezifikationen des BC556, die Pin-Konfiguration, äquivalente Modelle und Austauschhinweise, typische Schaltkreisfunktionen und mehr besprochen.

Die BC556
![]()
BC556
onsemi
TRANS PNP 65V 0.1A TO92-3
In Stock: 10366 pcs
ist ein PNP-Epitaxie-Siliziumtransistor, der für die allgemeine rauscharme Verstärkung und Schaltung entwickelt wurde.Mit einer Kollektor-Emitter-Nennleistung von –65 V, 100 mA Kollektorstrom und einem großen Verstärkungsbereich.Sein TO-92-Gehäuse erleichtert die Integration in kompakte Designs und sorgt gleichzeitig für einen stabilen Betrieb über gängige Spannungsebenen hinweg.
Wenn Sie Interesse am Kauf des BC556 haben, kontaktieren Sie uns bitte bezüglich Preis und Verfügbarkeit.
Die Verstärkungsgruppen des BC556
![]()
BC556
onsemi
TRANS PNP 65V 0.1A TO92-3
In Stock: 10366 pcs
sind wichtig, da Sie damit die richtige Verstärkungsstufe für Ihre Schaltung auswählen können.Lower-gain versions offer stable switching, medium-gain types provide balanced performance, and high-gain versions are ideal for sensitive or low-noise signal stages.Die Auswahl der richtigen Verstärkungsgruppe gewährleistet eine genaue Vorspannung und optimale Schaltungsleistung.
|
Gewinn
Gruppe |
Suffix |
hFE
Reichweite |
Notizen |
|
Geringe Verstärkung |
BC556A |
110 – 220 |
Geeignet für
allgemeine Umschaltung und Grundverstärkung. |
|
Medium Gain |
BC556B
|
200 – 450 |
Am häufigsten
Wahl;ausgewogenes Rauschen und Verstärkung. |
|
Hoher Gewinn |
BC556C |
420 – 800 |
Am besten für
rauscharmes Audio und empfindliche Vorverstärkerstufen. |
|
Modell |
Typ |
VCEO
(Kollektor-Emitter-Spannung) |
IC
Max |
hFE
Reichweite |
Paket |
|
BC557
|
PNP |
–45 V |
100mA |
110–800 |
TO-92 |
|
BC558
|
PNP |
–30 V |
100mA |
110–800 |
TO-92 |
2N3906
![]() |
PNP |
–40 V |
200mA |
100–300 |
TO-92 |
2N4403
![]() |
PNP |
–40 V |
600 mA |
100–300 |
TO-92 |
|
A1015 |
PNP |
–50 V |
150mA |
70–400 |
TO-92 |
S8550
![]() |
PNP |
–25 V |
700 mA |
85–300 |
TO-92 |
|
BC857 |
PNP (SMD) |
–45 V |
100mA |
110–800 |
SOT-23 |

|
Pin
Nummer |
Pin
Name |
Beschreibung |
|
1 |
Sammler |
Strom fließt
vom Emitter zum Kollektor, wenn der Transistor eingeschaltet ist (PNP). |
|
2 |
Basis |
Steuert die
Schalten und Verstärken des Transistors. |
|
3 |
Emitter |
Strom fließt
aus dem Emitter;in PNP-Schaltungen mit der positiveren Spannung verbunden. |
|
Parameter |
Symbol |
Wert |
Einheit |
|
Sammlerbasis
Spannung |
VCBO |
–80 |
V |
|
Kollektor–Emitter
Spannung |
VCEO |
–65 |
V |
|
Emitter-Basis
Spannung |
VEBO |
–5 |
V |
|
Sammler
Strom (DC) |
IC |
–100 |
mA |
|
Peak-Kollektor
Strom (Impuls) |
ICP |
–200 |
mA |
|
Peak Base
Strom (Impuls) |
IBP |
–200 |
mA |
|
Kreuzung
Temperatur |
TJ |
150 |
°C |
|
Lagerung
Temperaturbereich |
TSTG |
–65 bis +150 |
°C |
|
Parameter |
Symbol |
Bedingungen |
Min |
Typ |
Max |
Einheit |
|
Gleichstromverstärkung |
hFE |
IC = −2 mA, VCE
= −5 V |
110 |
— |
800* |
— |
|
Collector–Emitter
Sättigungsspannung |
VCE(Sa) |
IC = −10 mA, IB
= −0,5 mA |
— |
−0,09 |
−0,25 |
V |
|
Basis-Emitter
Sättigungsspannung |
VBE(Sa) |
IC = −10 mA, IB
= −0,5 mA |
— |
−0,55 |
−0,70 |
V |
|
Sammler-Cutoff
Current |
ICBO |
VCB = −30 V |
— |
— |
−15 |
nA |
|
Emitter-Abschaltung
Aktuell |
IEBO |
VEB = −4 V |
— |
— |
−100 |
nA |
|
Basis-Emitter eingeschaltet
Spannung |
VBE(ein) |
IC = −2 mA, VCE
= −5 V |
−0,55 |
−0,65 |
−0,70 |
V |
|
Übergang
Häufigkeit |
fT |
IC = −10 mA, VCE
= −5 V |
— |
150 |
— |
MHz |
|
Collector-Ausgabe
Kapazität |
Cob |
VCB = −10 V, f =
1 MHz |
— |
6 |
— |
pF |
-PNP-Epitaxie-Silizium-BJT für den allgemeinen Einsatz
-Hohe Kollektor-Emitter-Nennspannung (–65 V).
-Großer DC-Stromverstärkungsbereich (110–800)
-Geringes Rauschen, ideal für Audioschaltkreise
-Niedrige Sättigungsspannung für effizientes Schalten
-Hohe Übergangsfrequenz (150 MHz)
-Kompaktes TO-92-Durchsteckgehäuse
- Bietet eine stabile und zuverlässige Kleinsignalverstärkung
-Hervorragende Leistung auf rauscharmen Audiobühnen
-Vielseitig und kann problemlos Lasten mit geringem Stromverbrauch antreiben
-Gute thermische Stabilität bis zu einer Sperrschichttemperatur von 150 °C
-Kostengünstig und allgemein zugänglich für Reparaturen oder Neukonstruktionen
-Einfach austauschbar durch mehrere kompatible PNP-Transistormodelle

Der BC556
![]()
BC556
onsemi
TRANS PNP 65V 0.1A TO92-3
In Stock: 10366 pcs
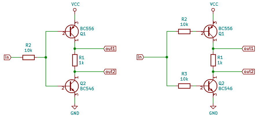
-Transistor in dieser Schaltung fungiert als oberes PNP-Gerät in einer Gegentaktverstärkerstufe, gepaart mit einem NPN-BC546-Transistor auf der unteren Seite.Wenn ein Eingangssignal angelegt wird, reagiert jeder Transistor auf entgegengesetzte Signalpolaritäten.Wenn die Eingangsspannung absinkt, schaltet sich der BC556 ein und lässt Strom von der Versorgung (VCC) zum Ausgang fließen, wodurch die obere Hälfte der Wellenform entsteht.Wenn das Eingangssignal auf High geht, leitet der BC546 und zieht den Ausgangsknoten in Richtung Masse, wodurch die untere Hälfte der Wellenform entsteht.
Der gemeinsame Widerstand zwischen den beiden Transistoren hilft, den Arbeitspunkt zu stabilisieren und sorgt für einen reibungslosen Signalübergang zwischen Q1 und Q2.In der zweiten Version der Schaltung verbessern die hinzugefügten Widerstände auf der Eingangsseite die Isolation, reduzieren die Belastung und tragen zur Aufrechterhaltung einer besseren Linearität bei.The BC556 enables clean amplification of the input by handling the positive portion of the signal in a complementary pair.
-Rauscharme Audio-Vorverstärker
-Kleinsignal-Audioverstärkungsstufen
-Signalverarbeitungs- und Konditionierungsschaltungen
-Allzweck-PNP-Schaltanwendungen
-Treiberstufen für Schwachstromlasten (LEDs, kleine Relais, Sensoren)
-Push-Pull-Verstärkerstufen in Kombination mit NPN-Transistoren (z. B. BC546/BC547)
-Schaltkreise zur Spannungspegelverschiebung
-Analoge und lineare Verstärkerstufen
-Darlington PNP-Konfigurationen
-Komplementäre Transistorpaare in Differenzeingangsschaltungen
-Wechselrichter und Logikschaltkreise mit geringem Stromverbrauch
-Aktive Filter- und Klangregelkreise
-Niederfrequenz-Oszillatorschaltungen
-Stromspiegel- und Konstantstromquellen-Designs
-Batteriebetriebene Schaltkreise, die eine niedrige Sättigungsspannung erfordern
-Transistorisierte Schutz- und Abschaltschaltungen
|
Parameter |
BC556
|
BC557BTA
|
|
Transistortyp |
PNP |
PNP |
|
VCEO
(Kollektor-Emitter-Spannung) |
–65 V |
–45 V |
|
VCBO
(Kollektor-Basis-Spannung) |
–80 V |
–50 V |
|
VEBO
(Emitter-Basis-Spannung) |
–5 V |
–5 V |
|
IC max
(Kollektorstrom) |
–100 mA |
–100 mA |
|
Macht
Zerstreuung |
500 mW |
500 mW |
|
hFE (Gewinn) –
Gruppe B |
200–450 |
200–450 |
|
Paket |
TO-92 |
TO-92 (Band
& Munitionsverpackung) |
|
Geräuschpegel |
Low noise |
Geräuscharm |
|
Verwendungszweck |
Höhere Spannung
Kleinsignalschaltungen |
Allgemein
Niederspannungs-Kleinsignalschaltungen |

ON Semiconductor (onsemi) stellt den BC556
![]()
BC556
onsemi
TRANS PNP 65V 0.1A TO92-3
In Stock: 10366 pcs
-Transistor mit einem starken Fokus auf Zuverlässigkeit, Präzision und Konsistenz für Kleinsignal-PNP-Anwendungen her.Zu ihren Fähigkeiten gehören fortschrittliche epitaktische Siliziumverarbeitung, strenge Parameterkontrolle für Verstärkungsgruppen, rauscharme Geräteoptimierung und hochwertige TO-92-Gehäuse, die sowohl für Verbraucher- als auch für Industrieschaltungen geeignet sind.Die Produktionsstandards von Onsemi gewährleisten stabile Spannungswerte, konsistente hFE-Leistung und robuste thermische Handhabung und machen den BC556 zuverlässig für Audio-, Verstärkungs- und allgemeine Schaltdesigns.
Der BC556 wird häufig für rauscharme Audioverstärkung, Kleinsignalumschaltung und universelle Analogschaltungen verwendet, bei denen eine stabile PNP-Leistung erforderlich ist.
Ja.Sein geringes Rauschen und der große Verstärkungsbereich machen es ideal für Vorverstärkerstufen, Klangregelkreise und empfindliche Audioeingänge.
Ja, aber nur in Niederspannungskreisen.BC557 und BC558 haben niedrigere Nennspannungen. Überprüfen Sie daher vor dem Austausch die VCEO-Anforderungen Ihrer Schaltung.
Das Suffix (A/B/C) gibt die Verstärkungsgruppe an.BC556C hat die höchste Verstärkung, während BC556A die niedrigste hat, wobei alle anderen elektrischen Nennwerte gleich bleiben.
Only if operated near its maximum current or power dissipation values.Der richtige Wärmeabstand oder die richtige Belüftung sorgen für eine stabile Leistung.
Abhängig von der Verstärkungsgruppe bietet der BC556 eine typische Gleichstromverstärkung zwischen 110 und 800, wodurch er vielseitig für die Verstärkung geeignet ist.
Ja.Sein TO-92-Durchsteckgehäuse passt auf Standard-Steckbretter und lässt sich leicht auf Leiterplatten löten.
CAP CER 680PF 25V X7R 0201
CAP CER 0.015UF 50V X7R 0603
CAP TANT 6.8UF 10% 2V 0603
IC ADC/AUDIO 24BIT 96K 32TQFP
SENSOR ANGLE 360DEG SMD
H 18/36/24 28V/ 17.9A
BRIDGE RECT 1PHASE 600V 2A GBL
EXPLORE LQFP-12
AZ75232GS-E1 BCD
CAP TANT 470.UF 6.0V
CAP TANT 4.7UF 20% 20V 1411
IC SWITCH SPST-NOX2 60OHM 8UMAX
AT83C21GC144GH-UL ATMEL

SMALL SIGNAL BIPOLAR TRANSISTOR,
vorrätig: 1059

TRANS PNP 40V 0.2A TO92
vorrätig: 1390
TRANS PNP 40V 0.2A TO92
vorrätig: 733

TRANS PNP 30V 0.1A TO92-3
vorrätig: 446
TRANS PNP 45V 0.1A TO92-3
vorrätig: 1828



