Deutsch
Zeit: 2025/11/28
Durchsuchen: 530
Der BC817

BC817
NEXPERIA
BC817 NXP/NEX
In Stock: 539200 pcs
ist ein Allzweck-NPN-Transistor, der üblicherweise in einem oberflächenmontierbaren SOT-23-Gehäuse (SC-70-3) angeboten wird.Dieser Artikel behandelt praktische Pinbelegungs- und CAD-Modelldetails des BC817, typische Verhaltensweisen im Schaltkreis, geeignete Äquivalente und mehr.

Die BC817

BC817
NEXPERIA
BC817 NXP/NEX
In Stock: 539200 pcs
ist ein kompakter SMD-NPN-Transistor, der üblicherweise in einem SOT-23-Gehäuse geliefert wird und für allgemeines Schalten und Verstärken konzipiert ist.Er bietet eine Kollektor-Emitter-Spannung von 45 V, einen Kollektorstrom von bis zu 500 mA und eine moderate Verlustleistung – wodurch er sich für Steuerstufen mit geringem Stromverbrauch, Signalschnittstellen und kleine Treiberschaltungen eignet.Seine Varianten (z. B. –16, –25, –40) bieten unterschiedliche Verstärkungsgruppen, sodass Designer die Verstärkungsanforderungen genau erfüllen können.
Wenn Sie Interesse am Kauf des BC817 haben, kontaktieren Sie uns bitte bezüglich Preis und Verfügbarkeit.


|
Pin
Nummer |
Pin
Name |
Beschreibung |
|
1 |
Basis (B) |
Steuert die
Funktionsweise des Transistors;empfängt das Eingangssignal. |
|
2 |
Emitter (E) |
Strom fließt
über dieses Terminal hinaus;bei NPN-Nutzung typischerweise mit Masse verbunden. |
|
3 |
Sammler (C) |
Hauptsächlich
stromführende Klemme;mit der Last verbunden. |
|
Spezifikation |
BC817
![]() |
BC547
|
2N3904
![]() |
2N2222
/ PN2222
|
BC337
![]() |
|
Typ |
NPN |
NPN |
NPN |
NPN |
NPN |
|
Paket |
SOT-23 (SMD) |
TO-92 |
TO-92 / SOT-23 |
TO-92 / SOT-23 |
TO-92 |
|
VCEO (Max) |
45 V |
45 V |
40 V |
40 V |
45 V |
|
IC (max
Kollektorstrom) |
500mA |
100mA |
200mA |
600 mA |
800 mA |
|
Macht
Verlustleistung (Pd) |
250–460 mW
(paketabhängig) |
500 mW |
625 mW |
500–650 mW |
625 mW |
|
hFE (Verstärkungsbereich) |
100–600 (variiert
nach Klasse) |
110–800 |
70–300 |
30–300 |
100–630 |
|
Übergang
Frequenz (fT) |
100 MHz |
100 MHz |
300 MHz |
250 MHz |
100 MHz |
|
Montage |
SMD |
Durchgangsloch |
TH/SMD |
TH/SMD |
Durchgangsloch |
|
Parameter |
Wert |
|
Hersteller |
onsemi |
|
Produktkategorie |
Bipolar
Transistoren – BJT |
|
RoHS |
Konform |
|
Technologie |
Si (Silizium) |
|
Montageart |
SMD / SMT |
|
Paket/Koffer |
SC-70-3 |
|
Transistor
Polarität |
NPN |
|
Konfiguration |
Single |
|
Max.Gleichstrom
Kollektorstrom (I₍C₎) |
500mA |
|
Sammler-Emitter
Spannung (VCEO Max) |
45 V |
|
Sammlerbasis
Spannung (VCBO) |
50 V |
|
Emitter-Basis
Spannung (VEBO) |
5 V |
|
Sammler-Emitter
Sättigungsspannung |
700 mV |
|
Macht
Verlustleistung (Pd) |
460 mW |
|
Gewinnen Sie Bandbreite
Produkt (fT) |
100 MHz |
|
Gleichstromverstärkung
(hFE Min.) |
40 |
|
Betrieb
Temperatur (Min.) |
−55 °C |
|
Betrieb
Temperatur (Max) |
+150 °C |
|
Serie |
BC817
![]() |
|
Marke |
onsemi |
|
Verpackung
Optionen |
Rolle, geschnittenes Band,
MouseReel |
|
Stückgewicht |
0,000212 Unzen |

Im ersten Schaltkreis dient der BC817

BC817
NEXPERIA
BC817 NXP/NEX
In Stock: 539200 pcs
als einfacher Low-Side-Schalter für eine LED, gesteuert durch ein 0-1-V-Rechtecksignal.Der Eingang treibt die Basis des Transistors über R2 an und erzeugt einen kleinen Basisstrom.Wenn der Eingang auf etwa 1 V ansteigt, beginnt der BC817 einzuschalten, wodurch ein Strom von +5 V durch R1, die LED und dann durch den Transistor zur Masse fließen kann.Da die Basisspannung niedrig ist, ist der Transistor möglicherweise nicht vollständig gesättigt, was bedeutet, dass die LED möglicherweise nur teilweise aufleuchtet.Dieses Diagramm zeigt, wie der BC817 auf sehr kleine Ansteuerspannungen reagiert und zeigt, dass er auch bei begrenzter Basisansteuerung als Schaltstufe fungieren kann.

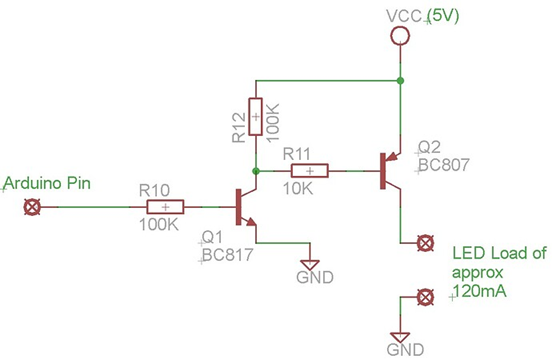
Im zweiten Schaltkreis dient der BC817 als Signalpegel-Inverter und Treiberstufe für einen BC807-PNP-Transistor.Ein Arduino-Pin legt über R10 ein Logiksignal an die BC817-Basis an.Wenn der Arduino-Pin auf High geht, schaltet sich der BC817 ein und zieht die Basis des BC807 über R11 auf Low.Dadurch wird der BC807 eingeschaltet und kann der LED-Last einen viel größeren Strom – etwa 120 mA – zuführen.Durch die Zwei-Transistor-Anordnung kann ein kleiner Mikrocontroller-Pin eine viel größere Last steuern, während die Widerstände für die richtige Vorspannung sorgen und die Transistoren schützen.

Die dritte Schaltung verwendet zwei BC817-Transistoren in einer Darlington-ähnlichen Konfiguration, um eine hohe Stromverstärkung zu erreichen und eine schwerere Last aus einem kleinen GPIO-Signal zu schalten.Der erste BC817 erhält einen winzigen Basisstrom vom GPIO über R3.Sein Kollektorausgang treibt die Basis des zweiten BC817 an, der fast 250 mA durch die Last verarbeitet.Die Widerstände R2 und R4 helfen, den Betrieb zu stabilisieren und die richtige Vorspannung sicherzustellen.Der zweite Transistor geht in die Sättigung und zieht die Last auf Masse, während der erste Transistor für eine Verstärkung sorgt, sodass selbst ein sehr kleiner GPIO-Strom einen großen Laststrom steuern kann.
-Low-Side-Schalten für kleine Lasten wie LEDs, Relais und kleine Motoren
-Signalverstärkung in analogen Schaltkreisen mit geringem Stromverbrauch
-Logikebene Schnittstelle zwischen Mikrocontrollern und Lasten mit höherem Strom
-Vortreiberstufe zur Versorgung von PNP- oder NPN-Leistungstransistoren
-Darlington-Paarkonfigurationen zur Erzielung einer sehr hohen Stromverstärkung
-Hochgeschwindigkeitsschaltung in PWM-, digitalen Steuerungs- und Taktschaltungen
-Pegelverschiebung zwischen verschiedenen Spannungsbereichen (z. B. 1,8 V → 5 V)
-Allgemeines Schalten in batteriebetriebener und tragbarer Elektronik
- Transistorisierte Strombegrenzungs- und einfache Stromregelschaltungen
-Push-Pull-Stufen in Kleinsignal-Audio- oder Digitalschaltungen

-Hohe Stromverstärkung (hFE) – nützlich zur Verstärkung kleiner Eingangssignale
-Kann relativ hohe Ströme schalten (bis zu ~500–800 mA Spitze, je nach Variante)
-Niedrige Sättigungsspannung ermöglicht effizientes Schalten
-Schnelle Schaltgeschwindigkeit, geeignet für PWM- und digitale Logikanwendungen
-Kleines SMD-Gehäuse (SOT-23) spart Platz auf der Leiterplatte
-Kostengünstig und herstellerübergreifend weit verbreitet
-Gute thermische Leistung für seine Größe bei Verwendung mit der richtigen Kupferfläche auf der Leiterplatte
-Vielseitig einsetzbar für allgemeine Verstärkung, Pufferung und Schaltung
-Begrenzte Verlustleistung aufgrund des kleinen SOT-23-Gehäuses
-Der Nennstrom des Kollektors kann irreführend sein (Dauerstrom muss mit der Temperatur herabgesetzt werden)
-Nicht für Hochspannungsanwendungen geeignet (normalerweise begrenzt auf ~45 V)
-Erfordert den richtigen Grundantriebsstrom, um bei höheren Lastströmen vollständig gesättigt zu sein
- Es besteht die Gefahr eines thermischen Durchgehens, wenn es in der Nähe seiner maximalen Nennwerte ohne ausreichende Wärmeverteilung auf der Leiterplatte verwendet wird
-Höheres Rauschen im Vergleich zu einigen speziellen rauscharmen Transistoren
-Ungeeignet für Präzisions-Analoganwendungen, die einen sehr geringen Leckstrom oder Offset erfordern
ON Semiconductor, jetzt unter der Marke onsemi bekannt, ist ein weltweit führender Hersteller von Leistungs- und Signalhalbleitergeräten, der für die Herstellung effizienter, leistungsstarker Lösungen für die Automobil-, Industrie- und Unterhaltungselektronik bekannt ist.Das Unternehmen konzentriert sich auf Energiemanagement, intelligente Sensorik und fortschrittliche Konnektivitätsprodukte und bietet zuverlässige Komponenten wie Transistoren, MOSFETs, Leistungs-ICs, Sensoren und Mixed-Signal-Geräte.onsemi ist für seine robusten Qualitätsstandards, sein breites Produktportfolio und seine starke Unterstützung für energieeffiziente und hochzuverlässige Anwendungen bekannt.
Wählen Sie die Verstärkungsgruppe basierend auf Ihrem erforderlichen Basisantrieb und Laststrom aus: Eine höhere Verstärkung (-40) eignet sich für Mikrocontroller-Ausgänge mit geringer Aussteuerung, während eine niedrigere Verstärkung (-16) für das Schalten mit höherem Strom geeignet ist, wenn die Sättigungskontrolle wichtig ist.
Ja – die meisten MCUs können die Basis des BC817 über einen Widerstand ansteuern, aber stellen Sie sicher, dass der Basisstrom ausreicht, um den Transistor für Ihre Last zu sättigen.
Der BC817 kann bis weit in den niedrigen MHz-Bereich hinein betrieben werden, die praktische Schaltgeschwindigkeit hängt jedoch von der Lastkapazität, den Basiswiderstandswerten und der Sättigungstiefe ab.
Verwenden Sie große Kupferpads zur Wärmeverteilung, vermeiden Sie Dauerbetrieb nahe der 500-mA-Grenze und dimensionieren Sie den Basisantrieb so, dass der Transistor effizient gesättigt wird.
Ja, elektrisch sind sie sehr ähnlich, aber stellen Sie sicher, dass Ihre Leiterplatte das SMD-Gehäuse unterstützt und dass Unterschiede in der Verlustleistung berücksichtigt werden.
Ja, aber nur für Niederstromtypen und typischerweise mit einer Flyback-Diode, um den Transistor vor induktiven Spannungsspitzen zu schützen.
Überprüfen Sie die Spannung zwischen Kollektor und Emitter (VCE).Ein gesättigter BC817 zeigt je nach Strom und Verstärkungsgruppe normalerweise weniger als ~0,2–0,3 V an.
Der BC817 ist einfacher anzusteuern und kostengünstiger, aber MOSFETs bieten einen geringeren Spannungsabfall und eine bessere Effizienz beim Schalten höherer Ströme.
CAP CER 1UF 25V JB 0805
CAP CER 0.47PF 50V C0G/NP0 0805
CAP CER 100PF 1KV X7R 1812
IC PHASE LOCK LOOP DGTL 64TQFP
IC FLASH 16MBIT PARALLEL 48TFBGA
IC OFFLIN CONV MULT TOP ESIP-16B
OPTOISOLATOR 3.75KV TRANS 4SSOP
IC RF AMP GPS 0HZ-15GHZ 32CSMT
STM32F100R8T6 ST
SAMSUNG BGA
HYUNDAI SOJ
MAX9126ESE MAXIM
SST PLCC
TRANS NPN 40V 0.2A TO92-3
vorrätig: 472
TRANS NPN 45V 0.1A TO92-3
vorrätig: 173
TRANS NPN 40V 0.2A TO92-3
vorrätig: 1334

TRANS NPN 40V 0.2A TO92-3
vorrätig: 1213
TRANS NPN 30V 0.6A TO92
vorrätig: 240


