Deutsch
Zeit: 2025/03/12
Durchsuchen: 1,510

Kirchhoffs Voltage Law (KVL), formuliert von deutscher Physiker Gustav R. Kirchhoff im Jahr 1847 ist ein erstes Prinzip im elektrischen Stromkreis Analyse.Es heißt: „Die Summe aller Spannungen in einer geschlossenen Schleife muss Null gleich sind.“Dieses Gesetz ist eine direkte Folge des Energieprinzips Erhaltung.In jeder geschlossenen elektrischen Schleife wurde die Gesamtenergie zur Verfügung gestellt durch Spannungsquellen wird von den Schaltungskomponenten vollständig verbraucht, Sicherstellen, dass keine Energie erzeugt oder verloren geht.
Um dies genauer zu verstehen:
• Eine Schleife ist ein kontinuierlicher Weg in einer Schaltung, die ohne Unterbrechung am gleichen Punkt beginnt und endet.
• Der Begriff algebraische Summe zeigt an, dass sowohl die Größe als auch die Polarität von Spannungen bei der Zusammenstellung berücksichtigt werden müssen.
Im Kern behauptet KVL, dass sich die elektrische Ladung um a geschlossene Schleife, die von Quellen gelieferte Energie (wie Batterien oder Generatoren) wird vollständig von Schaltkomponenten wie Widerständen absorbiert. Kondensatoren und Induktoren.Dies stellt sicher, dass sich keine Nettoenergie ansammelt in der Schleife.
In mathematischer Hinsicht ist KVL geschrieben als:
∑v = 0
wobei jedes V eine Spannung innerhalb der Schleife darstellt.Diese Spannungen können sein:
• Spannungserhöhungen: Beiträge aus Stromquellen wie Batterien oder Spannungsgeneratoren.
• Spannungsabfälle: Energie, die über Widerstände, Induktoren, Kondensatoren oder andere Komponenten abgelöst werden.
Befolgen Sie die folgenden Schritte, um eine Schaltung mit KVL zu analysieren:
• Wählen Sie eine geschlossene Schleife aus
Identifizieren Sie einen kontinuierlichen Schaltungsweg, der eine Schleife bildet.Diese Schleife kann Weitere Komponenten durchlaufen, müssen aber zu seinem Ausgangspunkt zurückkehren.
• Weisen Sie Spannungspolaritäten zu
Markieren Sie die Polarität jeder Spannung, die für potenzielle Erhöhungen positiv ist (Spannungsquellen) und negativ für potenzielle Abfälle (Widerstand Komponenten).
• Bestimmen Sie Spannungszuwächse und -abfälle
Untersuchen Sie jede Komponente, um festzustellen, ob sie die Spannung erhöht oder verringert, wenn der Strom durch sie fließt.Zum Beispiel:
Eine Batterie erhöht die Spannung, wenn Sie sich vom negativen zum positiven Anschluss bewegen.
Ein Widerstand verringert die Spannung, wenn er Energie auflöst.
• Schreiben Sie die KVL -Gleichung
Fügen Sie alle Spannungen in der Schleife hinzu und stellen Sie sicher, dass ihre Polaritäten ordnungsgemäß zugeordnet sind.Die Summe muss Null erreichen.
• Für unbekannte Werte lösen
Wenn einige Spannungen oder Ströme unbekannt sind, verwenden Sie algebraische Techniken (oft kombiniert mit dem Ohmschen Gesetz: V = ir), um sie zu finden.
Beispiel: Kirchhoffs Spannungsgesetz in Aktion
Betrachten Sie eine einfache Serienschaltung mit einer Spannungsquelle (VS) und zwei Widerstände (R1 R2).Das Anwenden von KVL auf diese Schleife führt zu der Gleichung:
VS–VR1–VR2= 0
Wo:
• VS ist die von der Quelle gelieferte Spannung.
• VR1 und VR2 sind die Spannungsabfälle über Widerstände R1 und R2.
Unter Verwendung des Ohm -Gesetzes (V = IR) können die Spannungsabfälle in Bezug auf Strom und Widerstand ausgedrückt werden:
VS- (Ir1) - (ir2) = 0
Diese Gleichung kann gelöst werden, um die Strom- oder Spannungswerte der Schaltung zu ermitteln.
KVL wird in der elektrischen und elektronischen Technik häufig verwendet und spielt eine Rolle in:
• Schaltungsanalyse - Wird verwendet, um unbekannte Spannungen und Ströme in komplexen Netzwerken zu bestimmen.
• Stromverteilungssysteme - stellt sicher, dass die Spannung innerhalb sicherer Betriebsgrenzen bleibt.
• PCB -Design (gedruckte Leiterplatte) - Hilft Ihnen, die Stromverteilung zu optimieren und Verluste zu minimieren.
• Signalverarbeitungsschaltungen - stellt einen stabilen Betrieb in Verstärkerschaltungen und Feedback -Systemen sicher.
Kirchhoffs Voltage Law (KVL) erklärt, dass die Summe aller Spannungen in a geschlossene Schleife muss Null sein.Dies stellt sicher, dass die Energie von versorgt von Spannungsquellen werden vollständig von den Schaltkomponenten verwendet.Zu Demonstrieren Sie dies, analysieren wir eine einfache Serienschaltung und systematisch Spannungsabfälle messen.

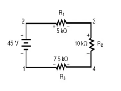
Abbildung 2. Kirchhoffs Spannungsgesetz in einem Serienkreis
Spannungsmessungen in einer Serienschaltung
Die Schaltung besteht aus einer 45 -V -Batterie und drei Widerständen:
R₁ = 5 kΩ
R₂ = 10 kΩ
R₃ = 7,5 kΩ
Jeder Knoten ist für präzise Spannungslesungen gekennzeichnet.Wenn ein Voltmeter ist verbunden zwischen den Punkten 2 und 1 (roter Blei auf 2, schwarzer Blei auf 1), es Register +45 V, der angibt, dass Punkt 2 ein höheres Potential als Punkt hat 1.

Abbildung 3. Rote Testleitung und schwarze Testleitung
Um die Notation zu standardisieren, ist der Spannungsunterschied zwischen zwei Punkten geschrieben als e₂-₁, was die Spannung am Punkt 2 relativ zu Punkt 1 bedeutet.
Spannungsabfälle über Widerstände
Messspannungsabfälle über jeden Widerstand ergibt:
E₃ -₂ = -10 V → Spannungsabfall über r₁
E₄ -₃ = -20 V → Spannungsabfall über r₂
E₁ -₄ = -15V → Spannungsabfall über r₃
Das negative Vorzeichen zeigt eine Abnahme der Spannung entlang der Richtung an des Stromflusses, im Einklang mit dem herkömmlichen Schaltungsverhalten.
Überprüfung von Kirchhoffs Spannungsgesetz
KVL auf die Schleife anwenden:
E2 - 1+e3 - 2+e4–3+e1 - 4 = 0
Werte ersetzen:
+45V - 10 V - 20 V - 15 V = 0V
Dies bestätigt, dass die Gesamtspannung (45 V) vollständig über die Widerstände abgeleitet wird und das Kirchhoff -Gesetz bestätigt.
Alternative Pfadüberprüfung
KVL gilt unabhängig von der Messsequenz.Unter Verwendung eines alternativen Schleifenpfads (3 → 2 → 1 → 4 → 3) erhalten wir:
E₂-₃ = +10 V
E₁ -₂ = -45V
E₄-₁ = +15V
E₃-₄ = +20V
Summieren diese:
+10V - 45 V+15V+20V = 0V
Dies bestätigt, dass KVL unabhängig davon, wie Spannungsabfälle analysiert werden.
Umordnen Sie die Schaltung in ein direktes Layout-Highlights um Spannungspolarität.Das negative Terminal der Batterie befindet sich links und Rechte positiv.Widerstandsspannungsabfälle folgen dem Gegenteil Polarität seit Widerständen gegen den Stromfluss und verursacht eine Spannung Reduzierung der Richtung des Stroms.
Spannungen über Komponenten summieren
Weitere Überprüfung von KVL durch Summieren von Spannungsabfällen über Widerstandskombinationen:
E₃ -₂ = -10 V (über r₁)
E₄ -₃ = -20 V (über r₂)
E₁ -₄ = -15 V (über r₃)
Summieren dieser Werte:
E3 - 2+E4 - 3+E1 - 4 = –10 V - 20 V - 15V = –45 V
Dies entspricht der Batteriespannung (+45 V), jedoch mit entgegengesetzter Polarität, bestätigt, dass alle versorgten Energie innerhalb der Schaltung abgeleitet werden.
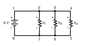
Kirchhoffs Spannungsgesetz (KVL) gilt für alle elektrischen Schaltungen, nicht für Nur Serienkonfigurationen.Dieses Prinzip besagt, dass die Summe von Spannungen um jede geschlossene Schleife in einer Schaltung müssen Null erreichen.Zu Veranschaulichen Sie, wie KVL in einer parallele Schaltung funktioniert Beispiel:

Abbildung 4. Kirchhoffs Spannungsgesetz in einem parallelen Kreislauf
In dieser parallelen Schaltung liefert eine 6 -V -Stromquelle drei Zweige. Jeder enthält einen Widerstand.Da alle Widerstände die gleiche Spannung haben In einer parallele Anordnung ist die Spannung über jeden Widerstand gleich die Quellspannung.Um Kirchhoffs Spannungsgesetz zu überprüfen, analysieren wir a Spezifische Schleife: 2 → 3 → 4 → 5 → 6 → 7 → 2. Summieren der Spannungsänderungen entlang dieser Schleife bestätigt, dass die Gesamtspannung Null entspricht:
• E3-2 = 0V (Spannung von Punkt 3 bis 2)
• E4-3 = 0V (Spannung von Punkt 4 bis 3)
• E5-4 = -6 V (Spannung von Punkt 5 bis 4)
• E6-5 = 0V (Spannung von Punkt 6 bis 5)
• E7-6 = 0V (Spannung von Punkt 7 bis 6)
• E2-7 =+6 V (Spannung von Punkt 2 bis 7)
• E3-2 = 0V (endgültige Spannungssumme)
Da die Schleife an Punkt 2 beginnt und endet, ist die Gesamtsumme der Spannungen entspricht Null und bestätigt KVL.Dieses Ergebnis überprüft, dass keine überschüssige Spannung existiert und diese Energie wird im gesamten Stromkreis erhalten.
Kirchhoffs Voltage Law (KVL) erklärt, dass die Summe der Spannungen in jedem Die Schleife des Schaltkreises ist immer Null.Dieses Prinzip gilt trotzdem ob der Schaltkreis in Reihe oder parallel ist.Auch wenn der interne Die Konfiguration ist versteckt als "schwarze Box" mit nur externem Terminals für die Messung KVL bleiben gültig.

Abbildung 5. Kirchhoffs Spannungsgesetz (KVL) in einer parallelen Konfiguration mit mehreren Spannungsquellen und Zweigen
In dem angegebenen Schaltplan unabhängig von Spannungsreihenfolge Messungen zwischen den Klemmen, ihre algebraische Summe in jeder Schleife wird Immer gleich Null.Dies zeigt die universelle Zuverlässigkeit von KVL über alle elektrischen Netzwerke.
KVL und willkürliche Spannungsschleifen
Eine "Schleife" in KVL erfordert keinen physischen Strom.Es ist jeder geschlossener Pfad durch Schaltungsknoten, an denen Spannungsabfälle und Erhöhungen sind summiert.Diese Flexibilität ermöglicht es KVL, sich selbst bei unkonventionellem Antrag zu bewerben Fälle.
Zum Beispiel kann in einem parallelen Widerstandsnetzwerk eine Schleife verfolgt werden zwischen allen gewählten Punkten, ohne dem echten Elektrik zu folgen Verbindungen.Erwägen Sie, die Sequenz 2-3-6-3-2 in einer solchen Schaltung zu verfolgen. KVL gilt immer noch:

Abbildung 6. Verfolgung von „Schleifen“ 2-3-6-3-2 im gleichen parallelen Widerstandskreis
• Spannung von Punkt 3 bis 2: 0V
• Spannung von Punkt 6 bis 3: -6 V
• Spannung von Punkt 3 bis 6: +6 V
• Spannung von Punkt 2 bis 3: 0V
• Spannung an Punkt 2: 0V
Die Gesamtspannungssumme bestätigt, dass KVL unabhängig davon gültig ist, wie Die Schleife wird durchquert.Dies verstärkt, dass KVL ausschließlich davon abhängt Spannungsverhalten in geschlossenen Schleifen, nicht beim Schaltungslayout.
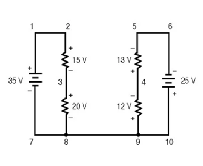
Kirchhoffs Voltage Law (KVL) besagt, dass die Summe der Spannungen um Jede geschlossene Schleife in einer Schaltung entspricht Null.Dieses Prinzip hilft zu bestimmen Unbekannte Spannungen, wenn andere bekannt sind.Das folgende Beispiel gilt KVL zu einer Schaltung mit zwei miteinander verbundenen Schleifen.

Abbildung 7. Kirchhoffs Spannungsgesetz in einem komplexen Stromkreis
Schaltungsübersicht


Dies bedeutet, dass Punkt 4 32 V niedriger als Punkt 3 ist. Der Voltmeter im Diagramm, der zwischen diesen Punkten verbunden ist, würde -32 V lesen, was die Potentialdifferenz bestätigt.
Das Diagramm repräsentiert visuell, wie die beiden Schaltungen interagieren.Der von 35 V angetriebene linke Stromkreis verfügt über Spannungsabfälle von 15 V und 20 V, während der rechte Stromkreis mit 25 V betrieben wird, 21 V und 12 V.Der gemeinsame Draht (7-8-9-10) ermöglicht direkte Spannungsvergleiche.

Bei der Analyse der Spannungsabfälle in der 3-4-9-8-3-Schleife interpretieren wir die Messwerte als digitales Voltmeter.Das rote Blei des Voltmeter wird auf den Punkt gebracht, während die schwarze Führung auf dem Punkt hinter sich ist, wenn wir durch die Schaltung voranschreiten.
Spannung von Punkt 9 bis Punkt 4:
-Der Voltmeter registriert +12 V, wie im ersten Bild gezeigt.
-Da der rote Blei in Punkt 9 und der schwarze Führung in Punkt 4 ist, ist die Lesart positiv.
Spannung von Punkt 3 bis Punkt 8:
-Die Lesung beträgt +20 V, wie im dritten Bild zu sehen ist.
-Das rote Blei wird auf Punkt 3 und das schwarze Blei an Punkt 8 platziert, was auf einen positiven Spannungsabfall hinweist.
Spannung von Punkt 8 bis Punkt 9:
-Der Voltmeter liest 0V, wie im zweiten Bild gezeigt.
-Da die Punkte 8 und 9 elektrisch häufig sind, gibt es keine Potentialdifferenz zwischen ihnen.
Diese Messungen bestätigen die erwarteten Spannungsschwankungen in der Schaltung und gewährleisten die ordnungsgemäße Schritt-für-Schritt-Spannungsprogression.


Kirchhoffs Spannungsgesetz ist ein leistungsstarkes Instrument, um zu verstehen, wie Spannung verhält sich in elektrischen Schaltungen.Es stellt sicher, dass Energie ist weder verloren noch erzeugt, was die Schaltungsanalyse vorhersehbarer macht und zuverlässig.Durch die Anwendung von KVL können Sie unbekannte Spannungen, Design, lösen Bessere Schaltungen und Verbesserung der Leistung des elektrischen Systems.Mastering Dieses Konzept ist die Antwort auf die Arbeit mit allem aus einfachen Batterien zu komplexen Stromnetze.
Ja, Kirchhoffs Voltage Law (KVL) gilt sowohl für AC als auch für DC Schaltungen.In AC -Schaltungen werden Spannungen als Phasoren ausgedrückt (komplex Zahlen) und KVL müssen Phasenunterschiede berücksichtigen und die Reaktanz von Induktoren und Kondensatoren.
Wenn KVL verletzt zu sein scheint, zeigt dies normalerweise die Messung an Fehler, falsche Annahmen oder das Vorhandensein von Nichtkonservativen Elemente wie zeitlich variierende Magnetfelder, die induzierte EMFs einführen Das muss in der Spannungssummierung enthalten sein.
KVL setzt Kreiselelemente und vernachlässigbarer elektromagnetischer Anteil an Strahlung.In Hochfrequenzschaltungen oder solchen mit starkem Magnet Kopplung, induzierte EMFs und parasitäre Wirkungen können Abweichungen von verursachen Ideales KVL -Verhalten.
KVL gibt an, dass die Gesamtspannung um eine geschlossene Schleife Null ist, während Das OHM -Gesetz (v = ir) beschreibt die Beziehung zwischen Spannung, Strom, und Widerstand für eine einzelne Komponente.KVL ist eine Schaltungsanalyse Prinzip, während das Ohmsche Gesetz eine spezifische Gleichung für Widerstand ist Elemente.
Verwenden Sie zum Überprüfen von KVL ein digitales Multimeter, um Spannungen bei zu messen Verschiedene Punkte in einer geschlossenen Schleife und summieren sie algebraisch.Wenn KVL Halt, die Gesamtzahl sollte Null sein (Begleichung von Messtoleranzen).
KVL gilt für jede unabhängige Schleife in einer Schaltung, unabhängig davon, wie Es gibt viele Schleifen.Da Spannung eine skalare Menge ist, summieren Sie Spannungen um jeden geschlossenen Pfad muss immer auf das gleiche Potenzial zurückkehren, Die Gewährleistung des Gesetzes bleibt in komplexen Netzwerken gültig.
CAP CER 3.8PF 25V C0G/NP0 0402
CAP TANT 2.2UF 20% 20V RADIAL
CAP TANT 47UF 10% 10V 2915
IC REG BUCK ADJ 1A 16MSOP
IC OPAMP JFET 2 CIRCUIT 8SOIC
SWITCH TACTILE SPST-NO 0.05A 32V
OPTI QFP
HMC484MS8GE HITTITE
EXAR SOP-24
Lattice QFP128
RES 330 OHM 1% 1/10W 0603




