Deutsch
Zeit: 2025/03/11
Durchsuchen: 2,544

Drei-Phasen-Transformatoren sind für Elektrotechnik grundlegend und spielen eine Schlüsselrolle bei der Stromerzeugung, -verteilung und -übertragung.Im Gegensatz zu einphasigen Transformatoren, die nur eine Phase des Wechselstroms (AC) verarbeiten, verwalten Dreiphasentransformatoren gleichzeitig drei separate Wechselstromphasen.Dieses Design ermöglicht eine effizientere Energieübertragung und eine höhere Stabilität in großen elektrischen Netzwerken.
Im Kern eines dreiphasigen Transformators befinden sich drei Sätze von Primär- und Sekundärwicklungen, die jeweils einer anderen Phase der Wechselstromkraft gewidmet sind.Diese Wicklungen sind um einen gemeinsamen Eisenkern gewickelt, eine Konfiguration, die die magnetische Kopplung stärkt und gleichzeitig Energieverluste reduziert.Diese Struktur stellt sicher, dass elektrische Energie mit minimalem Abfall übertragen wird, wodurch dreiphasige Transformatoren für hochdarstellende Systeme wie Industrieanlagen und Nutzwerte erforderlich sind.
Ein wesentlicher Vorteil dieses Designs ist die Fähigkeit, einen kontinuierlichen und ausgewogenen Stromfluss aufrechtzuerhalten.Da die drei abwechselnden Ströme phasenverschoben sind, um 120 Grad, erfährt das System weniger Schwankungen und arbeitet mit verbesserter Effizienz.Diese stetige Stromverteilung wird zur Aufrechterhaltung der Stabilität in groß angelegten elektrischen Operationen verwendet, bei denen plötzliche Anstände oder Ungleichgewichte zu Gerätenfehlern oder Servicenunterbrechungen führen können.
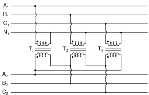
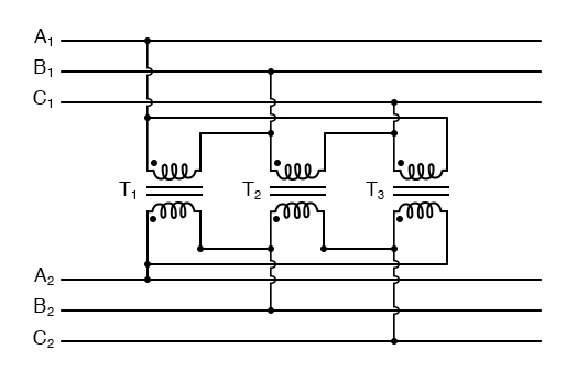
Die Konfiguration der Wicklungen eines dreiphasigen Transformators wirkt sich direkt auf die Leistung, Effizienz und Anpassungsfähigkeit an verschiedene Anwendungen aus.Die beiden Hauptverdrahtungsanordnungen, Stern (Y) und Delta (δ), bestimmen, wie die Spannung transformiert wird und wie das System den Stromfluss verarbeitet.Die Auswahl der richtigen Konfiguration ist erforderlich, um die Stromübertragung zu optimieren und die Stabilität in verschiedenen elektrischen Systemen sicherzustellen.

Abbildung 2. Sternstar-Stern-Verbindung (Y-Y)
In einer Y-Y-Konfiguration sind sowohl die primären als auch die sekundäre Wicklungen in einer Sternbildung verbunden.Dieses Setup bietet einen neutralen Punkt, der als Rückweg für Strom dient und die Systemstabilität verbessert.Es ist hauptsächlich nützlich in Netzwerken, die Erdung und die Fähigkeit erfordern, unausgeglichene Lasten zu verarbeiten.Durch die Aufrechterhaltung einer stabilen Spannung über Phasen hinweg verbessern Y-Y-Verbindungen die Systemsicherheit und werden häufig bei Hochspannungsübertragungen verwendet.

Abbildung 3. Stern-Delta (y-Δ) -Begenehmheit
Mit den Hauptwicklungen im Stern und den sekundären Wicklungen im Delta ist diese Konfiguration zum effizienten Abbruch der Spannung ausgelegt.Es wandelt eine hohe Primärspannung in eine sekundäre Sekundärspannung um, sodass sie für Anwendungen gut geeignet ist, bei denen die Stromversorgung auf einem niedrigeren und sichereren Niveau verteilt werden muss.Y-Δ-Verbindungen werden häufig in Industriestromsystemen und elektrischen Gittern verwendet, um von der Spannung auf Transmissionsebene zur Spannung der Endbenutzer zu wechseln.

Abbildung 4. Delta-Star (Δ-Y) -Bestellung
In einer Δ-Y-Konfiguration befinden sich die primären Wicklungen im Delta, während die sekundären Wicklungen im Stern sind.Dieses Setup ist ideal, um die Spannung zu verbessern, sodass ein System eine niedrigere Eingangsspannung einnehmen und für eine Fernübertragung erhöht.Leistungsverteilungsnetzwerke verwenden häufig Δ-Y-Transformatoren, um die Spannungsniveaus effizient zu erhöhen, wodurch Energieverluste über erweiterte Übertragungsleitungen reduziert werden.

Abbildung 5. Delta-Delta (Δ-Δ) Verbindung
Die Δ-δ-Konfiguration verbindet sowohl primäre als auch sekundäre Wicklungen in einer Delta-Anordnung und erzeugt ein sehr zuverlässiges und langlebiges System.Dieses Setup ist bekannt für seine Fähigkeit, weiterhin zu arbeiten, auch wenn eine Phase ausfällt, was es zu einer bevorzugten Wahl für Anwendungen macht, die ein kontinuierliches Stromversorgungsangebot erfordern.Branchen, die auf schwere Maschinen und gefährliche Infrastruktur angewiesen sind, verwenden häufig Δ-δ-Transformatoren, um eine ununterbrochene Leistung und die Resilienz der Systeme zu gewährleisten.
Die Baumethode eines dreiphasigen Transformators spielt eine wichtige Rolle bei der Effizienz, Haltbarkeit und einfachen Wartung.Die beiden Hauptdesigns, Kern- und Shell-Typ, unterscheiden sich in der Art und Weise, wie sie Wicklungen rund um den magnetischen Kern anordnen und die Leistung und Eignung für bestimmte Anwendungen direkt beeinflussen.

Abbildung 6. Core-Typ-Transformatoren
In einem Kerntransformator sind die Wicklungen über mehrere Gliedmaßen des Magnetkerns verteilt.Diese Anordnung verbessert die magnetische Kopplung, reduziert Energieverluste und verbessert die Effizienz.Aufgrund ihrer Fähigkeit, mit hoher Spannung und erheblichen Stromlasten umzugehen, werden Core-Transformatoren häufig in Stromerzeugungs- und Verteilungsnetzwerken verwendet.Ihr offenes Design erleichtert auch eine bessere Wärmeabteilung, was bei Hochleistungsanwendungen, bei denen das thermische Management ein Problem darstellt, riskant ist.

Abbildung 7. Shell-Typ-Transformatoren
Ein Shell-Typ-Transformator schließt seine Wicklungen um einen zentralen Magnetkern um und erzeugt einen kompakteren und kontrollierteren Magnetweg.Dieses Design minimiert den Leckfluss, verbessert die Gesamteffizienz und macht den Transformator in anspruchsvollen Umgebungen zuverlässiger.Shell-Typ-Transformatoren eignen sich gut für Präzisionsanwendungen wie Instrumentierungssysteme und schwerwiegende Netzteile, bei denen stabile Leistung und minimaler Energieverlust ein Muss sind.Darüber hinaus bietet ihre Struktur eine bessere mechanische Unterstützung, verringert Vibrationen und Rauschen, was bei empfindlichen Installationen von Vorteil ist.
Die Zuverlässigkeit und Effizienz eines dreiphasigen Transformators hängt vom Design und der Funktion seiner Schlüsselkomponenten ab.Jedes Element spielt eine Rolle bei der Aufrechterhaltung sicherer Vorgänge, der Optimierung der Leistung und der Verhinderung von Fehlern.
Die Isolierung verhindert elektrische Shorts und schützt die internen Komponenten des Transformators vor Hochspannungsspannungen.Zu den gängigen Isolationsmaterialien gehören Öl, Papier und Pressebrett, die für ihre dielektrische Festigkeit und Wärmefestigkeit ausgewählt wurden.Bei ölgefüllten Transformatoren erfüllt das Isolieröl einen doppelten Zweck-die elektrische Isolierung und löst Wärme ab.Ohne wirksame Isolierung könnten elektrische Fehler den Kern und die Wicklungen schädigen, was zu einem Systemversagen führt.
Der Tank dient als primäres Schutzgehäuse und schützt den Kern und die Wicklungen vor physischer Schäden und Umweltbelastung.Bei ölgefüllten Transformatoren fungiert es auch als Reservoir für Isolieröl, was die Kühlung und Isolierung verbessert.Die strukturelle Integrität des Panzers wird verwendet, um die Langlebigkeit des Transformators zu gewährleisten, insbesondere in Umgebungen im Freien oder in Hochrisiken.
Transformatoren erzeugen während des Betriebs Wärme, und es ist eine effektive Kühlung erforderlich, um eine Überhitzung zu verhindern, was die Isolierung beeinträchtigen und die Effizienz verringern kann.Die Kühlmethoden variieren je nach Größe, Position und Wärmebelastung des Transformators.Zu den häufigen Systemen gehören luftgekühlte Konstruktionen, die auf natürlichen oder erzwungenen Luftströmen stützen, sowie öl- oder wassergekühlte Systeme, die die Flüssigkeitskreislauf zum Ablösen von Wärme verwenden.Durch die Auswahl der richtigen Kühlmethode sorgt der stabile Betrieb und verlängert die Lebensdauer des Transformators.
TAP Changer regulieren die Ausgangsspannung und ermöglichen die Anpassungen, um Schwankungen des Strombedarfs zuzustimmen.Es gibt zwei Haupttypen:
• On-Load-Tap Changer (OLTCs) Passen Sie die Spannung an, während der Transformator energetisiert ist, und sorgen Sie für eine kontinuierliche Stromversorgung.
• Off-Load-Tap-Changer Erfordern, dass der Transformator vor Anpassungen vorgenommen werden kann.
Die Art und Weise, wie sich Spannung und Strom in einem dreiphasigen Transformator verhalten, hängt von seiner Wickelkonfiguration ab.Die beiden primären Verbindungstypen Stern (Y) und Delta (δ) bestimmen, wie die Leistung verteilt wird und wie der Transformator die Lastanforderungen umgeht.Das Verständnis dieser Beziehungen wird zur Auswahl des richtigen Transformators für eine bestimmte Anwendung verwendet.
In einer Y-Verbindung die Phasenspannung (vP) ist niedriger als die Leitungsspannung (vL) durch den Faktor √3.Dieses Merkmal eignet sich gut für eine Fernkraftübertragung, bei der der Reduktionsspannungsabfall wichtig ist, um die Stabilität aufrechtzuerhalten.Der Phasenstrom (IP) entspricht dem Linienstrom (iL), Vereinfachung des Systemdesigns und erleichtert die Verwaltung elektrischer Komponenten.Aufgrund seiner Fähigkeit, bei niedrigeren Spannungsniveaus effizient zu arbeiten, wird die Y-Konnektion in Leistungsverteilungsnetzwerken häufig verwendet.
In einer Δ-Konnection die Phasenspannung (V)P) und Leitungsspannung (vL) sind gleich.Allerdings der Linienstrom (iL) ist √3 -mal der Phasenstrom (iP), damit das System höhere Stromlasten ohne Erhöhung der Spannung verarbeiten kann.Dies macht die Delta -Konfiguration ideal für industrielle Umgebungen, in denen große Motoren und schwere Maschinen einen erheblichen Stromfluss erfordern.Da keine neutrale Verbindung erforderlich ist, werden Delta -Transformatoren häufig in Anwendungen verwendet, bei denen der Spannungsbilanz schwerwiegend ist.
|
Verbindungsart |
Phasenspannung (vP) |
Leitungsspannung (vL) |
Phasenstrom (iP) |
Zeilenstrom (iL) |
|
Stern (y) |
VP = VL/√3 |
VL= √3 × vP |
ICHP = IL |
ICHL = IP |
|
Delta (δ) |
VP = VL |
VL= VP |
ICHP= IL/√3 | ICHL= √3 x iP |
Über Spannungs- und Stromeigenschaften hinaus bestimmt das Kurvenverhältnis (TR), wie sich die Primärspannung in die Sekundärspannung umwandelt und die Fähigkeit des Transformators, die erforderliche Leistung effizient zu liefern, beeinflusst.Durch die Auswahl des korrekten Kurvenverhältnisses sorgt die ordnungsgemäße Spannungsregelung, reduziert Energieverluste und optimiert den Transformatorbetrieb für eine bestimmte Last.Durch das Verständnis dieser Spannung und der aktuellen Dynamik können Sie fundierte Entscheidungen über die Auswahl und Integration von Transformer treffen und stabile Leistung, Energieeffizienz und Systemzuverlässigkeit für verschiedene Anwendungen sicherstellen.
Drei-Phasen-Transformatoren sind Teile in der Elektrotechnik, weil sie gut in dem sind, was sie tun, kleiner sind und Strom stabil halten.Wie wir gesehen haben, sind sie in vielen Stilen und Designs erhältlich, die zu unterschiedlichen Bedürfnissen entsprechen und sicherstellen, dass sich die Kraft in verschiedenen Systemen reibungslos bewegt.Diese Transformatoren können jedoch komplex und manchmal schwer zu pflegen und zuverlässig zu bleiben.Wenn Sie sowohl die guten Punkte als auch die kniffligen Teile dieser Systeme kennen, können Sie dreiphasige Transformatoren besser verwenden, um die heutigen Änderungsstromanforderungen zu erfüllen.Diese Mischung aus tiefem Wissen und praktischem Know-how zeigt, wie wichtig es ist, dreiphasige Transformatoren gut zu verstehen.
Ein Transformator arbeitet nach dem Prinzip der elektromagnetischen Induktion, um den Wechselstrom (AC) -Spannung von einer Ebene in eine andere zu konvertieren, ohne die Frequenz zu verändern.Es besteht aus zwei Spulen, der primären und sekundären, um einen magnetischen Kern gewickelt ist.Wenn die Wechselstromspannung auf die Primärspule angewendet wird, entsteht ein unterschiedlicher magnetischer Fluss im Kern, der eine Spannung in der Sekundärspule induziert.Das Spannungstransformationsverhältnis zwischen Primär und Sekundär hängt von der Anzahl der Kurven in jeder Spule ab: Eine größere Anzahl von Kurven in der Sekundärspule im Vergleich zum Primär erhöht die Spannung und weniger Kurven verringern sie.
Die Größe eines 3-Phasen-Transformators wird typischerweise durch seine Leistungskapazität definiert, die je nach Anwendung stark variieren kann.Häufige Standardgrößen für den industriellen und kommerziellen Gebrauch umfassen 15 KVA, 30 KVA, 45 KVA, 75 KVA, 150 KVA, 300 KVA, 500 KVA, 750 KVA und 1000 KVA.Jede Größe ist so ausgelegt, dass bestimmte Lastanforderungen erledigt werden, und wird basierend auf dem erwarteten Elektroverbrauch des Systems ausgewählt, das es bedient.
Im Kontext von Transformatoren repräsentieren NP und NS die Anzahl der Wendungen in der primären und sekundären Spulen.Das Verhältnis von NP zu NS bestimmt das Spannungstransformationsverhältnis.Wenn beispielsweise NP (primäre Kurven) 100 und NS (Sekundärrunden) 50 beträgt, reduziert der Transformator die Spannung um die Hälfte.Dieses Verhältnis wirkt sich direkt aus, wie die Spannung entweder aufgestiegen ist oder zwischen den primären und sekundären Seiten des Transformators zurückgetreten ist.
Ein 500-KVA-Transformator kann eine Last bis zu 500 Kilovolt-Ampere verarbeiten.In praktischer Hinsicht kann dieser Transformator unter der Annahme eines Leistungsfaktors (was ein Maß dafür ist, wie effektiv die Leistung von etwa 0,8 verwendet wird).Die tatsächliche Leistungskapazität kann aufgrund des Leistungsfaktors der verwendeten Geräte geringfügig variieren, was sich auswirkt, wie viel der elektrischen Leistung in nützliche Arbeit umgewandelt wird.
Die Spannung für ein 3-Phasen-System kann je nach Land und spezifischer Anwendung (gewerbliche, industrielle oder Wohngebäude) erheblich variieren.Zu den allgemeinen Spannungen für 3-Phasen-Systeme gehören 120/208 Volt, 277/480 Volt und 400/690 Volt.Diese Systeme sind effizienter, um große Lasten im Vergleich zu einphasigen Systemen zu verteilen, und werden hauptsächlich in industriellen Umgebungen eingesetzt, in denen hohe Leistung erforderlich ist.
CAP TANT 68UF 10% 10V 2312
CAP TANT 10UF 16V 10% 1411
MOSFET 2P-CH 20V 3.4A 8-TSSOP
IC TRANSCEIVER FULL 2/2 18SOIC
IC MOTOR DRIVER 4.5V-5.5V 25HSOP
RES SMD 12 OHM 0.5% 1/8W 0805
IGBT Modules
TA1244FN TOSHIBA
PEB20950NV1.1 INFINEO
AGERE BGA
NEC TSSOP-8
LAN CONTROLLER
SN102977AN TI


