Deutsch
Zeit: 2025/10/17
Durchsuchen: 449

Der L7805CV ist ein positiver Spannungsregler mit drei Anschlüssen aus der L7800-Serie, der für die Bereitstellung eines stabilen und geregelten 5-V-DC-Ausgangs aus einer Quelle mit höherer Eingangsspannung ausgelegt ist.Es wird in einem TO-220-Gehäuse geliefert, das eine effiziente Wärmeableitung und eine einfache Installation auf Leiterplatten oder Kühlkörpern gewährleistet.Dieses Gerät ist für seine Zuverlässigkeit und Einfachheit bekannt und wird häufig in Stromversorgungsdesigns für elektronische Systeme, einschließlich Mikrocontroller, Sensoren und Logikschaltungen, verwendet.
Es verfügt über integrierte Schutzmechanismen wie interne Strombegrenzung, thermische Abschaltung und Schutz im sicheren Bereich, was es äußerst langlebig und resistent gegen Überlast- oder Kurzschlussfehler macht.Mit der Fähigkeit, bei ordnungsgemäßer Wärmeableitung einen Ausgangsstrom von über 1 A zu liefern, gewährleistet es eine zuverlässige lokale Spannungsregelung und eliminiert die Probleme von Spannungsabfällen in verteilten Systemen.
|
Parameter |
Beschreibung
/ Typischer Wert |
|
Produktmodell |
L7805CV |
|
Reglertyp |
Positiv linear
Spannungsregler |
|
Ausgangsspannung
(Vout) |
5 V DC (fest) |
|
Eingangsspannung
(Vin) |
7V bis 35V |
|
Ausgangsstrom
(Iout) |
Bis zu 1A (mit
ausreichende Wärmeableitung) |
|
Ausfallspannung |
Typischerweise 2V |
|
Ruhend
Aktuell |
Etwa 6 mA |
|
Lastregulierung |
±100 mV
(typisch) |
|
Linienregulierung |
±50 mV (typisch) |
|
Betrieb
Sperrschichttemperaturbereich |
0°C bis +125°C |
|
Thermal
Schutz |
Ja (eingebaut
thermische Abschaltung) |
|
Strombegrenzung |
Ja (Intern
Schutz) |
|
Pakettyp |
TO-220 |
|
Anzahl der Pins |
3 (Eingabe,
Masse, Ausgang) |
|
Montageart |
Durchgangsloch |

Der Spannungsregler L7805CV spielt eine entscheidende Rolle bei der Erzielung eines konstanten 5-Volt-Ausgangs und schützt gleichzeitig empfindliche elektronische Komponenten vor Spannungsschwankungen.Ein tiefer Einblick in die Pin-Konfiguration verbessert die effektive Nutzung.Dieses Gerät verfügt über drei Pins – Eingang, Masse und Ausgang – von denen jeder erheblich zur Spannungsregulierung beiträgt.
Der als „Vin“ bezeichnete Eingangspin steuert den L7805CV.Es wird an eine ungeregelte Spannungsquelle angeschlossen, typischerweise zwischen 7 und 35 Volt.Dieser Aufbau stellt sicher, dass der Regler den gewünschten Ausgang liefern kann, und erinnert Benutzer daran, den Eingang mindestens 2 Volt über dem Ausgang zu halten.
Der Erdungsstift dient als Referenzpunkt für den Betrieb des Reglers und ist mit der gemeinsamen Masse des Stromkreises verbunden.Diese Verbindung ist für die Stabilisierungsfunktion des Reglers in jedem Schaltungsdesign von entscheidender Bedeutung und ermöglicht einen reibungslosen Betrieb innerhalb eines elektrischen Systems.
Der mit „Vout“ gekennzeichnete Ausgangspin hat die Aufgabe, stabile 5 Volt für eine gleichmäßige Stromversorgung des Schaltkreises bereitzustellen.Seine Aufgabe geht über die Spannungsstabilisierung hinaus, indem es die kontinuierliche Stromversorgung der angeschlossenen Komponenten gewährleistet und so die Funktionalität in verschiedenen Anwendungen aufrechterhält.

Das schematische Diagramm des L7805CV zeigt den internen Aufbau des Spannungsreglers auf Transistorebene.Es besteht aus mehreren Transistoren (Q1–Q17), Widerständen (R1–R21), Dioden (D1, D2) und einem Kondensator (C1), die alle zusammenarbeiten, um einen konstanten 5-V-Ausgang aufrechtzuerhalten.
In der Eingangsstufe bilden Dioden und Vorspannungswiderstände eine Referenzspannungsquelle, die den Regler gegen Schwankungen der Eingangsspannung oder -temperatur stabilisiert.Die Transistoren Q1 bis Q7 bilden den Fehlerverstärker und die Referenzschaltung, die die Ausgangsspannung kontinuierlich mit der internen Referenz vergleicht.Wenn Schwankungen auftreten, passt der Verstärker den Reihenpasstransistor (Q17) an, um die Ausgangsspannung zu korrigieren.
Zusätzliche Transistoren und Widerstände bieten Schutzfunktionen, einschließlich Strombegrenzung und thermischer Abschaltung.Diese Schutzmaßnahmen stellen sicher, dass der L7805CV unter Überlast- oder Überhitzungsbedingungen sicher arbeitet und eine stabile und zuverlässige Spannungsregelung für angeschlossene elektronische Schaltkreise gewährleistet.

Das Funktionsblockdiagramm des L7805CV veranschaulicht die interne Funktionsweise des Spannungsreglers und wie jeder Abschnitt zur Aufrechterhaltung eines stabilen 5-V-Ausgangs beiträgt.Die Schaltung beginnt mit der Startschaltung, die den Regler aktiviert, sobald der Eingang mit Strom versorgt wird.Der Referenzspannungsblock erzeugt eine präzise interne Spannung, die als Benchmark für die Regelung dient, während der Stromgenerator die notwendigen Vorströme für den ordnungsgemäßen Betrieb anderer interner Komponenten bereitstellt.
Der Fehlerverstärker vergleicht kontinuierlich die Ausgangsspannung mit der Referenzspannung.Wenn eine Abweichung auftritt, passt es das Serienpasselement an, das die zum Ausgang fließende Strommenge steuert und sicherstellt, dass der Ausgang konstant bleibt.Um die Zuverlässigkeit zu erhöhen, verhindert der SOA-Schutz (Safe Operating Area), dass das Gerät seine sicheren elektrischen Grenzwerte überschreitet, während der Thermoschutz den Regler im Falle einer Überhitzung automatisch abschaltet und so sowohl den Stromkreis als auch die angeschlossenen Komponenten schützt.
Der Spannungsregler L7805CV wird häufig verwendet Elektronik um einen konstanten 5-V-Ausgang für Schaltkreise bereitzustellen, die eine stabile Stromversorgung benötigen.Es ist eine Schlüsselkomponente in Systemen, die Mikrocontroller verwenden Arduino, Raspberry Pi oder ESP32, Dort sorgt es für eine reibungslose Leistung, indem es Spannungsabfälle verhindert, die Fehler oder Resets verursachen können.In Schaltungen mit Sensoren, Logik-ICs und MikroprozessorenEs hält die Spannung konstant und trägt dazu bei, dass Geräte sicher und genau funktionieren.
In BatterieladesystemeDer L7805CV reguliert die Spannungspegel, um Batterien vor Überladung zu schützen und ihre Lebensdauer zu verlängern.Es ist auch wichtig in Audioverstärkerschaltungen, wo eine stabile Spannung dazu beiträgt, Rauschen und Verzerrungen zu reduzieren und so einen klareren Klang zu erzielen.
Dieser Regler wird häufig verwendet in Hausautomationssysteme, Robotik, Kommunikationsgeräte und LED-Beleuchtungsschaltungen.Es versorgt Displays, Bedienfelder und eingebettete Systeme, bei denen Präzision und Konsistenz von entscheidender Bedeutung sind.Für DIY-Elektronik- und Bildungsprojektebleibt der L7805CV eine zuverlässige und benutzerfreundliche Komponente, was ihn zu einer der beliebtesten Optionen für den Aufbau von Stromversorgungskreisen macht.
Um mit dem L7805CV eine optimale Funktionalität zu erreichen, ist eine Auswahl an Kondensatoren erforderlich, die sowohl von Präzision als auch von Weitsicht spricht.Ein Eingangskondensator von 0,33 μF wird verwendet, um Spannungsspitzen abzuschwächen.Unterdessen spielt ein 0,1μF-Kondensator am Ausgang eine subtile, aber wichtige Rolle bei der Geräuschdämpfung und Spannungsstabilisierung.Eine solche sorgfältige Komponentenkonstruktion sorgt nicht nur für einen reibungsloseren Betrieb, sondern schützt auch vor möglichen Spannungsunregelmäßigkeiten.
Die Sicherstellung einer konstanten Eingangsspannung an Pin 1, die konstant zwischen 7 und 35 Volt liegt, verlängert die Betriebslebensdauer des L7805CV und beugt stressbedingten Ausfällen vor.Erdungsstift 2 ist sicher mit der gemeinsamen Erdung des Stromkreises verbunden und vermeidet so Erdschleifen, die zu unerwünschtem Rauschen oder Unvorhersehbarkeit führen könnten.Der Anschluss von Pin 3 an die Stromleitung gewährleistet einen zuverlässigen 5-Volt-Ausgang, ein Rückgrat für empfindliche Komponenten, die eine konstante Spannungsstabilität erfordern.
Unter Hochlastbedingungen leitet der L7805CV möglicherweise mehr Wärme ab, als man zunächst vermuten würde.Beobachtungen im praktischen Einsatz belegen die Wirksamkeit eines Kühlkörpers bei der Ableitung dieser Wärme und schützen so vor Leistungseinbußen aufgrund thermischer Belastung.Darüber hinaus verbessert die Förderung einer ausreichenden Luftzirkulation nicht nur das Wärmemanagement, sondern sorgt auch für eine gleichbleibende Effizienz, sodass die Komponenten so atmen können, wie sie sollten.

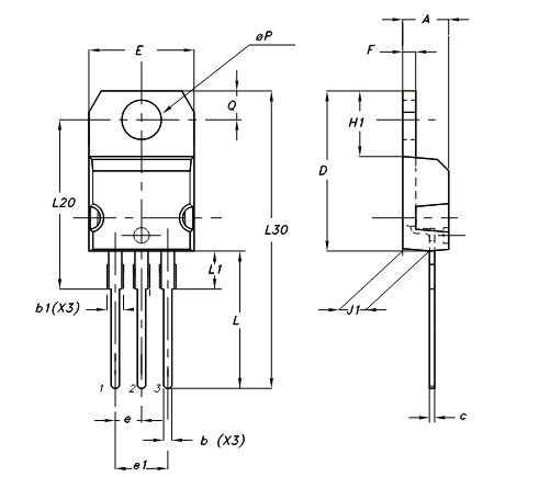
|
DIM. |
mm
(MIN) |
mm
(TYP) |
mm
(MAX) |
Zoll
(MIN) |
Zoll
(TYP) |
Zoll
(MAX) |
|
A |
4.40 |
4,60 |
– |
0,173 |
– |
0,181 |
|
B |
0,61 |
0,88 |
– |
0,024 |
– |
0,034 |
|
b1 |
1.15 |
– |
1,70 |
0,045 |
– |
0,067 |
|
C |
0,49 |
– |
0,70 |
0,019 |
– |
0,027 |
|
D |
15.25 |
– |
15.75 |
0,600 |
– |
0,620 |
|
E |
10.0 |
– |
10.40 |
0,393 |
– |
0,409 |
|
e |
2.4 |
– |
2.7 |
0,094 |
– |
0,106 |
|
e1 |
4,95 |
– |
5.15 |
0,194 |
– |
0,203 |
|
F |
1.23 |
– |
1.32 |
0,048 |
– |
0,051 |
|
H1 |
6.2 |
– |
6.6 |
0,244 |
– |
0,260 |
|
J1 |
2,40 |
– |
2,72 |
0,094 |
– |
0,107 |
|
L |
13.0 |
– |
14.0 |
0,511 |
– |
0,551 |
|
L1 |
3.5 |
– |
3,93 |
0,137 |
– |
0,154 |
|
L20 |
– |
16.4 |
– |
– |
0,645 |
– |
|
L30 |
– |
28.9 |
– |
– |
1.138 |
– |
|
φP |
3,75 |
– |
3,85 |
0,147 |
– |
0,151 |
|
Q |
2,65 |
– |
2,95 |
0,104 |
– |
0,116 |
Der Spannungsregler L7805CV wird von mehreren namhaften Halbleiterherstellern hergestellt und gewährleistet so eine breite Verfügbarkeit und gleichbleibende Leistung über alle Marken hinweg.Zu den wichtigsten Herstellern gehören STMicroelectronics, Texas Instruments (TI), ON Semiconductor, Fairchild Semiconductor, NXP Semiconductors, Microchip Technology, Rochester Electronics und SparkFun Electronics. Andere Lieferanten von Elektronikkomponenten wie z UTC (Unisonic Technologies), Diotec Semiconductor, Central Semiconductor und Toshiba bieten auch Äquivalente oder kompatible Versionen an.Trotz unterschiedlicher Marken und Verpackungen befolgen alle Hersteller die gleichen elektrischen und thermischen Standards, die für die 7805-Serie definiert wurden, und garantieren so austauschbare Funktionalität und zuverlässige 5-V-Ausgangsregelung für verschiedene Schaltkreisanwendungen.
Zusammenfassend lässt sich sagen, dass der Spannungsregler L7805CV Einfachheit, Haltbarkeit und eine konstante 5-V-Ausgangsleistung bietet.Seine integrierten Schutzsysteme – Strombegrenzung, thermische Abschaltung und Schutz des sicheren Betriebsbereichs – gewährleisten langfristige Stabilität und Sicherheit in einem breiten Anwendungsspektrum.Ob in Heimwerkerprojekten, Automatisierungssystemen oder Industrieanlagen verwendet, diese Komponente steht für Zuverlässigkeit bei der Spannungsregelung.Wenn Sie Interesse am Kauf des L7805CV haben, kontaktieren Sie uns bitte bezüglich Preis und Verfügbarkeit.
Bei beiden handelt es sich um 5V-Linearregler aus der 7805-Familie.Der L7805CV wird üblicherweise von STMicroelectronics hergestellt, während der LM7805 ein Äquivalent von Texas Instruments ist.Ihre Leistung und Pin-Konfiguration sind identisch, sodass sie in den meisten Anwendungen austauschbar sind.
Ja.Der L7805CV kann Eingangsspannungen von etwa 7 V bis 35 V akzeptieren, sodass ein 12-V-Eingang perfekt für die Bereitstellung eines stabilen 5-V-Ausgangs geeignet ist.
Bei ordnungsgemäßer Wärmeableitung kann es bis zu 1 A Dauerausgangsstrom liefern.Ohne ausreichende Kühlung kann die Strombelastbarkeit aufgrund thermischer Grenzen sinken.
Ja.Um die Stabilität zu verbessern und Rauschen zu reduzieren, werden ein 0,33-µF-Kondensator am Eingang und ein 0,1-µF-Kondensator am Ausgang empfohlen.
Absolut.Der L7805CV wird häufig zur Stromversorgung von Arduino-Boards, Mikrocontrollern und anderen digitalen Niederspannungsschaltkreisen verwendet, die eine stabile 5-V-Versorgung erfordern.
Wenn die Eingangsspannung unter 7 V fällt, kann es sein, dass der Regler keinen konstanten 5-V-Ausgang aufrechterhält, was zu einer instabilen oder unzureichenden Stromversorgung der angeschlossenen Komponenten führt.
CAP CER 150PF 100V X8R 0402
CAP CER 2700PF 630V U2J 1206
IC MCU 8/16BIT 32KB FLASH 64TQFP
RES 137 OHM 1% 1/10W 0603
DC DC CONVERTER 3.3V 264W
IGBT Modules
MARVELL BGA
IC RECEIVER 0/4 16QSOP
TAI-TECH 1212
IC LED DRV LIN PWM 50MA 38HTSSOP




