Deutsch
Zeit: 2025/11/11
Durchsuchen: 738

Die HC-06 Bluetooth-Modul ist ein kostengünstiges und einfach zu bedienendes Gerät, das die drahtlose serielle Kommunikation zwischen Mikrocontrollern wie Arduino und Bluetooth-fähigen Geräten wie Smartphones oder PCs ermöglicht.Es arbeitet mit Bluetooth 2.0 + EDR bei 2,4 GHz und sorgt für eine stabile Verbindung in einer Reichweite von bis zu 10 Metern.Das Modul unterstützt die UART-Kommunikation mit einer Standard-Baudrate von 9600 bps und ermöglicht so eine einfache Integration in bestehende serielle Systeme für die Ferndatenübertragung oder Steuerungsanwendungen.
Der HC-06 ist ausschließlich für den Betrieb im Slave-Modus konzipiert und eignet sich ideal für Projekte, bei denen ein Mikrocontroller Befehle empfangen oder Daten drahtlos senden muss.Seine LED-Anzeige zeigt den Verbindungsstatus an und mit seiner geringen Stellfläche und dem geringen Stromverbrauch eignet es sich perfekt für eingebettete Systeme.Zu den häufigsten Anwendungen gehören die Robotersteuerung, die drahtlose Sensordatenübertragung und die Heimautomation.

|
Pin
Name |
Beschreibung |
Funktion
|
|
SCHLÜSSEL |
Ziehen Sie HIGH in AT
Befehlsmodus |
Wird zur Eingabe von AT verwendet
Befehlsmodus für die Konfiguration |
|
VCC |
Stromversorgung
(3,6 V bis 6 V) |
An 5V anschließen
(oder 3,3 V) Stromquelle |
|
GND |
Boden |
Verbinden mit
Systemmasse |
|
TXD |
Daten übertragen |
Mit RXD verbinden
Pin des Mikrocontrollers (3,3V-Logik) |
|
RXD |
Daten empfangen |
Mit TXD verbinden
Pin des Mikrocontrollers (3,3-V-Logik, Spannungsteiler verwenden, wenn die MCU 5 V hat) |
|
STAAT |
Verbindung
Status |
Gibt HIGH aus
wenn verbunden;Kann an eine Status-LED angeschlossen werden |
|
Modul |
Bluetooth
Version |
Modus |
Standard
Baudrate |
Spannung |
Reichweite |
|
HC-02 |
Bluetooth 2.0 +
EDR |
Nur Sklave |
9600 bps |
3,3V – 6V |
~10m |
|
HC-03 |
Bluetooth 2.0 +
EDR |
Meister &
Sklave |
9600 bps |
3,3V – 6V |
~10m |
|
HC-04 |
Bluetooth 2.0 +
EDR |
Nur Sklave |
9600 bps |
3,3V – 6V |
~10m |
|
HC-05 |
Bluetooth 2.0 +
EDR |
Meister &
Sklave |
9600 bps |
3,3V – 6V |
~10m |

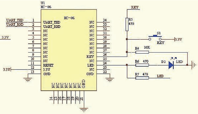
Das Diagramm zeigt eine typische Anwendungsschaltung für das Bluetooth-Modul HC-06 und demonstriert, wie es mit externen Komponenten zur Kommunikation und Steuerung interagiert.Das Modul arbeitet mit 3,3 V, wobei die Pins für die UART-Kommunikation (TXD und RXD) mit der seriellen Schnittstelle eines Mikrocontrollers verbunden sind.Dadurch kann der HC-06 Daten drahtlos über Bluetooth senden und empfangen.
Ein KEY-Pin wird verwendet, um den AT-Befehlsmodus zu aktivieren, der die Konfiguration von Parametern wie Baudrate oder Name ermöglicht.Der KEY-Pin wird durch einen Druckknopfschalter (S1) und zugehörige Widerstände (R4, R5 und R6) gesteuert, die ein einfaches Pull-up- und Strombegrenzungsnetzwerk bilden, um stabile Logikpegel sicherzustellen.Eine über Widerstände (R6, R7) angeschlossene LED (D2) fungiert als Statusanzeige und zeigt durch Aufleuchten die Modulaktivität oder den Bluetooth-Verbindungsstatus an.
Dieser Aufbau gewährleistet eine zuverlässige Kommunikation und einfache Konfiguration, wodurch sich der HC-06 für drahtlose serielle Datenübertragungsanwendungen eignet.
|
Parameter |
Spezifikation |
|
Modell |
HC-06 |
|
Bluetooth
Version |
2.0 + EDR
(Erweiterte Datenrate) |
|
Betrieb
Häufigkeit |
2,4 GHz ISM-Band |
|
Kommunikation
Schnittstelle |
UART (seriell) |
|
Standard-Baud
Bewerten |
9600 bps
(konfigurierbar: 1200–115200 bps) |
|
Betrieb
Spannung |
3,3 V – 6 V (logisch
Pegel: 3,3V) |
|
Aktuell
Verbrauch |
≤ 40 mA (aktiv
Modus) |
|
Übertragung
Reichweite |
Bis zu 10 Meter
(Sichtlinie) |
|
Bluetooth-Rolle |
Nur Sklave |
|
Modulation
Technik |
GFSK (Gaussian
Frequenzumtastung) |
|
Sicherheit |
Authentifizierung
und Verschlüsselung unterstützt |
|
Standardpaarung
Code |
1234 oder 0000 |
|
Abmessungen |
Ca.27 mm ×
13 mm × 2 mm |
|
Betrieb
Temperatur |
–20°C bis +75°C |
Unterstützt Bluetooth 2.0 + EDR-Technologie für stabile und effiziente Datenübertragung.
Verwendet eine UART-Schnittstelle (serielle Kommunikation) für eine einfache Verbindung mit Mikrocontrollern wie Arduino oder STM32.
Arbeitet mit einer Versorgungsspannung von 3,3 V bis 6 V und verwendet 3,3 V-Logikpegel.
Funktioniert ausschließlich im Slave-Modus und ermöglicht die Kopplung mit Master-Geräten wie Smartphones oder PCs.
Die Standardbaudrate beträgt 9600 Bit/s und kann über AT-Befehle konfiguriert werden.
Bietet eine drahtlose Kommunikationsreichweite von bis zu 10 Metern im offenen Raum.
Verfügt über einen geringen Stromverbrauch, ideal für batteriebetriebene Anwendungen.
Kompaktes und leichtes Design, geeignet für eingebettete Systeme und Heimwerkerelektronik.
Bietet Authentifizierung und Verschlüsselung für eine sichere Bluetooth-Kommunikation.
Ausgestattet mit einer LED-Anzeige zur Anzeige des Verbindungs- und Kommunikationsstatus.
Drahtlose Datenübertragung zwischen Mikrocontrollern und Bluetooth-fähigen Geräten.
Fernsteuerungssysteme, etwa zur Steuerung von Robotern, Drohnen oder Haushaltsgeräten über Smartphones.
Drahtlose Sensorüberwachung, bei der Daten von Temperatur-, Feuchtigkeits- oder Bewegungssensoren an ein mobiles Gerät gesendet werden.
Hausautomationsprojekte, die die drahtlose Steuerung von Beleuchtung, Ventilatoren und anderen elektronischen Geräten ermöglichen.
Drahtlose serielle Kommunikation, die herkömmliche kabelgebundene serielle Verbindungen für Komfort und Flexibilität ersetzt.
Industrielle Automatisierung, die eine Bluetooth-basierte Steuerung und Überwachung von Maschinen oder Geräten ermöglicht.
IoT-Anwendungen (Internet of Things), die eine einfache Kommunikationsbrücke für angeschlossene Geräte bieten.
Bildungsprojekte und Prototyping zum Erlernen und Experimentieren mit drahtlosen Kommunikationssystemen.
Kabelloses Datenlogging, Übertragung aufgezeichneter Daten auf einen PC oder ein Smartphone ohne Kabel.
Entwicklung eingebetteter Systeme, die eine einfache Integration für drahtlose Verbindungen über kurze Entfernungen bieten.
Das Bluetooth-Modul HC-06 ist eine einfache und kostengünstige Möglichkeit, Mikrocontroller-Projekten drahtlose Kommunikation hinzuzufügen.Es fungiert als Bluetooth-Slave-Gerät und nutzt eine UART-Schnittstelle (TXD/RXD) zur Kommunikation mit Boards wie Arduino oder Raspberry Pi sowie seriell fähigen PCs.Dies macht es ideal für die drahtlose Datenübertragung in IoT-, Automatisierungs- und Robotikanwendungen.
Um es einzurichten, versorgen Sie das Modul mit einer 3,3-V-6-V-Versorgung und verbinden Sie den TXD-Pin des Moduls mit dem RX-Pin des Controllers und den RXD-Pin über einen Spannungsteiler mit dem TX-Pin, wenn Ihre Platine 5-V-Logik verwendet.Stellen Sie sicher, dass die Erdung zwischen beiden Geräten geteilt wird.Der KEY-Pin kann den AT-Befehlsmodus für die Konfiguration aktivieren und der STATE-Pin kann mit einer LED verbunden werden, um den Verbindungsstatus anzuzeigen.

Die Kommunikation erfolgt über UART mit 9600 bps, der Standard-Baudrate des Moduls.Mit der Serial- oder SoftwareSerial-Bibliothek von Arduino können Sie Daten einfach senden und empfangen.Der HC-06 fungiert nur als Slave, was bedeutet, dass er ein Master-Gerät wie ein Smartphone, einen PC oder ein HC-05-Modul benötigt, um die Kopplung einzuleiten.Nach der Kopplung und Authentifizierung mit dem Standardpasswort 1234 entsteht eine transparente serielle Verbindung für die drahtlose Kommunikation.
Sie können den HC-06 auch über einen USB-zu-Seriell-Adapter an einen PC anschließen und AT-Befehle wie AT+NAME oder AT+PIN verwenden, um den Namen oder das Passwort des Moduls zu ändern.Wenn das Pairing fehlschlägt, überprüfen Sie die Verkabelung, überprüfen Sie die Baudrate und stellen Sie eine gemeinsame Erdung sicher.Bei richtiger Einrichtung bietet der HC-06 eine zuverlässige drahtlose Verbindung mit geringem Stromverbrauch für Arduino-, IoT- und Heimautomatisierungsprojekte.

|
Vorteile |
Einschränkungen |
|
Einfach zu bedienen und
über einfache AT-Befehle konfigurieren |
Funktioniert nur in
Slave-Modus (kann nicht als Master fungieren) |
|
Kostengünstig und
weit verbreitet |
Begrenzte Reichweite
(ca. 10 Meter) |
|
Kompatibel mit
die meisten Mikrocontroller (z. B. Arduino, PIC, STM32) |
Unterstützt nur Bluetooth
2.0, nicht geeignet für BLE-Anwendungen (Bluetooth Low Energy).
|
|
Bietet Stabilität
serielle Kommunikation über UART-Schnittstelle |
Es kann keine Verbindung hergestellt werden
an mehrere Geräte gleichzeitig |
|
Geringe Leistung
Verbrauch,
Ideal für tragbare oder batteriebetriebene Projekte |
Kommunikation
Geschwindigkeit im Vergleich zu neueren Bluetooth-Standards begrenzt |
|
Kompakt und
leichtes Design für einfache Integration |
Benötigt Spannung
Pegelverschiebung für 5V-Mikrocontroller |
|
Zuverlässige LED
Statusanzeige zur Verbindungsüberwachung |
Kein eingebauter
Verschlüsselungskonfiguration für erweiterte Sicherheit |
Das Bluetooth-Modul HC-06 wird von mehreren namhaften Herstellern elektronischer Komponenten hergestellt, die hauptsächlich von in China ansässigen Herstellern stammen, wie z Guangzhou HC Informationstechnologie Co., Ltd. und andere OEM-Lieferanten, die sich auf drahtlose Kommunikationsmodule spezialisiert haben.Diese Hersteller konzentrieren sich auf die Bereitstellung zuverlässiger, kostengünstiger Bluetooth-Lösungen für eingebettete Systeme, Automatisierung und Bildungsprojekte.Der HC-06 wird unter strengen Qualitätsstandards hergestellt, um eine gleichbleibende Leistung, Kompatibilität und Haltbarkeit bei verschiedenen Anwendungen zu gewährleisten.
Zusammenfassend lässt sich sagen, dass der HC-06 aufgrund seiner zuverlässigen Fertigung und bewährten Zuverlässigkeit weiterhin eine vertrauenswürdige Komponente in der Welt der eingebetteten Kommunikationssysteme ist.Obwohl es gewisse Einschränkungen gibt, wie z. B. die Funktion nur im Slave-Modus und eine begrenzte Reichweite, überwiegen seine Vorteile diese Nachteile bei den meisten Standardanwendungen bei weitem.
Der HC-06 bietet normalerweise eine Reichweite von bis zu 10 Metern im offenen Raum, aber unter realen Bedingungen mit Wänden oder Störungen kann sich die Reichweite auf 5–8 Meter verringern.
Ja, der HC-06 kann über Bluetooth-Terminal-Apps direkt mit Android-Smartphones gekoppelt werden, aber iPhones (iOS) unterstützen HC-06 aufgrund von Bluetooth-Versionseinschränkungen im Allgemeinen nicht.
Sie können den Namen oder die PIN des Moduls ändern, indem Sie in den AT-Befehlsmodus wechseln und über ein serielles Terminal Befehle wie AT+NAME=NewName oder AT+PIN=1234 verwenden.
Der HC-06 verwendet Bluetooth 2.0, das für eine kontinuierliche Datenübertragung ausgelegt ist, während BLE-Module (wie HM-10) Bluetooth 4.0+ verwenden, das für geringen Stromverbrauch und intermittierende Verbindungen optimiert ist.
Ja, der HC-06 funktioniert mit den UART-Pins des Raspberry Pi und ermöglicht so die drahtlose serielle Kommunikation mit in Python oder C geschriebenen Skripten.
Das Modul arbeitet mit einer 3,3-V-Logik, akzeptiert jedoch einen Eingang von bis zu 6 V.Verwenden Sie bei 5-V-Mikrocontrollern einen Spannungsteiler oder Logikpegelumsetzer auf der TX-Leitung, um den RX-Pin zu schützen.
Verbindungsprobleme entstehen häufig durch falsche Baudrateneinstellungen, nicht übereinstimmende PIN-Codes oder durch zuvor gekoppelte Geräte, die noch immer mit der Verbindung verbunden sind.Zurücksetzen und erneut koppeln, um das Problem zu beheben.
Nein, der HC-06 arbeitet nur im Slave-Modus, d. h. er kann keine Verbindungen initiieren oder direkt mit einem anderen HC-06-Modul kommunizieren.
CAP CER 0.18UF 25V Y5V 0603
CAP TANT POLY 330UF 2.5V 2917
MOSFET N-CH 1500V 4A TO220AB
IC MCU 32BIT 32KB FLASH 24QFN
IC SWITCH SPST-NO X 2 7OHM US8
IC MCU 32BIT 256KB FLASH 64QFN
IC RF SWITCH SPDT 4GHZ 8MSOP
NJM4565MD JRC
LCMX02-256HC-4MG132I LATTICE
TK10A50D TOS
R5F102AAAA03SP RENESAS
CONN SOCKET 100POS SMD GOLD
SIS BGA


