Deutsch
Zeit: 2026/02/10
Durchsuchen: 11

Die DS18B20 Der Temperatursensor ist ein digitaler Temperatursensor, der Temperaturen von -55 °C bis +125 °C mit hoher Genauigkeit messen kann.Es liefert Temperaturdaten im 9-Bit- bis 12-Bit-Digitalformat, was bedeutet, dass kein externer Analog-Digital-Wandler erforderlich ist.Dies erleichtert die Anbindung an Mikrocontroller und eingebettete Systeme.
Einer seiner Hauptvorteile ist das 1-Wire-Kommunikationsprotokoll, das es dem Sensor ermöglicht, über nur eine Datenleitung und Masse zu kommunizieren.Jeder DS18B20 verfügt über eine eindeutige 64-Bit-ID, sodass mehrere Sensoren an derselben Datenleitung angeschlossen und einzeln gelesen werden können.Diese Funktion ist sehr nützlich, um Temperaturen an verschiedenen Punkten mit einem einzigen Controller zu überwachen.Der Sensor unterstützt auch den Parasite-Power-Modus, bei dem er Strom direkt aus der Datenleitung bezieht, was den Verkabelungsaufwand reduziert.
Wenn Sie am Kauf des Temperatursensors DS18B20 interessiert sind, kontaktieren Sie uns bitte bezüglich Preis und Verfügbarkeit.

|
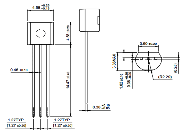
Pin
Nein. |
Pin
Name |
Alternativ
Name |
Beschreibung |
|
1 |
GND |
Boden |
Verbunden mit
Masse (0 V Referenz) |
|
2 |
DQ |
Daten |
1-Draht
bidirektionale Datenleitung zur Kommunikation |
|
3 |
VDD |
VCC |
Stromversorgung
Eingang (3,0 V–5,5 V) |
Das DS18B20-Blockdiagramm zeigt, wie der Sensor die Temperatur misst, Daten speichert und über eine einzige 1-Wire-Datenleitung kommuniziert.Der Temperatursensorblock erfasst die Umgebungstemperatur und sendet den umgewandelten digitalen Wert zur Verarbeitung und Übertragung an die internen Datenregister.
Der 64-Bit-ROM und der 1-Wire-Port identifizieren jedes DS18B20-Gerät eindeutig und übernehmen die Kommunikation mit dem Mikrocontroller.Dadurch können mehrere Sensoren die gleiche Datenleitung nutzen und dennoch individuell angesprochen werden.Die Speichersteuerlogik verwaltet Lese-/Schreibvorgänge zwischen Sensor, Registern und Kommunikationsschnittstelle.

Der Notizblockspeicher speichert vorübergehend Temperaturdaten, Konfigurationseinstellungen und Alarmwerte.Die im EEPROM gespeicherten Register „Alarm hoch“ (TH) und „Alarm niedrig“ (TL) ermöglichen es dem Sensor, Alarme auszulösen, wenn Temperaturgrenzen überschritten werden.Das Konfigurationsregister steuert die Auflösungseinstellungen, während der CRC-Generator die Datenintegrität während der Kommunikation gewährleistet.
Das Netzteil und der Parasitenstromkreis ermöglichen den Betrieb des DS18B20 entweder über eine externe VDD-Versorgung oder direkt über die Datenleitung mit Parasitenstrom.Die interne Power-Sense-Schaltung erkennt automatisch den Energiemodus und gewährleistet einen stabilen Betrieb auch bei minimalem Verkabelungsaufwand.
|
Parameter |
Spezifikation |
|
Produktname |
DS18B20
Temperatursensor |
|
Hersteller |
Maxim integriert |
|
Sensortyp |
Digital
Temperatursensor |
|
Kommunikation
Schnittstelle |
1-Draht |
|
Betrieb
Spannung (VDD) |
3,0 V bis 5,5 V |
|
Pull-up-Spannung
(VPU) |
3,0 V bis VDD |
|
Temperatur
Messbereich |
−55 °C bis +125
°C |
|
Genauigkeit |
±0,5 °C (−10 °C
bis +85 °C) |
|
Genauigkeit
(Erweiterte Reichweite) |
±2 °C (−55 °C bis
+125 °C) |
|
Auflösung |
9-Bit bis 12-Bit
(programmierbar) |
|
Temperatur
Konvertierungszeit |
93,75 ms
(9-Bit), 187,5 ms (10-Bit), 375 ms (11-Bit), 750 ms (12-Bit) |
|
Einzigartiges Gerät
Adresse |
64-Bit-ROM-Code |
|
Alarmfunktion |
Programmierbar
Alarme für hohe und niedrige Temperaturen |
|
Nichtflüchtig
Erinnerung |
EEPROM für
Konfigurations- und Alarmregister |
|
EEPROM-Schreiben
Ausdauer |
50.000 schreiben
Zyklen |
|
EEPROM-Daten
Aufbewahrung |
10 Jahre |
|
Aktive Versorgung
Aktuell
|
1 mA (typisch), 1,5
mA (max.) |
|
Standby-Strom |
750 nA (typisch), 1
µA (max.) |
|
Sinkstrom
(DQ) |
4mA |
|
Eingangslogik High
(VIH) |
≥2,2 V (lokal).
Leistung), ≥3,0 V (parasitäre Leistung) |
|
Eingangslogik niedrig
(VIL) |
−0,3 V bis +0,8 V |
|
Kapazität
(E/A) |
25 pF |
|
Leistungsmodi |
Externe Versorgung
oder Parasitenkraft |
|
Pakettypen |
TO-92, SOP,
Wasserdichte Sonde |
• 1-Draht-Digitalschnittstelle – Verwendet eine einzige Datenleitung für die Kommunikation und reduziert so den Verkabelungsaufwand
• Großer Temperaturbereich – Misst Temperaturen von –55 °C bis +125 °C
• Hohe Genauigkeit – Bietet eine Genauigkeit von ±0,5 °C von –10 °C bis +85 °C
• Programmierbare Auflösung – Unterstützt 9-Bit- bis 12-Bit-Auflösung für flexible Präzision und Geschwindigkeit
• Einzigartige 64-Bit-Adresse – Ermöglicht den Betrieb mehrerer Sensoren am selben 1-Wire-Bus
• Parasite Power Support – Kann nur über die Datenleitung und Masse betrieben werden
• Integriertes EEPROM – Speichert Konfigurations- und Alarmeinstellungen intern
• Programmierbare Alarmfunktion – Löst Alarme aus, wenn die Temperatur die festgelegten Grenzwerte überschreitet
• Geringer Stromverbrauch – Geeignet für batteriebetriebene Systeme und Systeme mit geringem Stromverbrauch
• Mehrere Paketoptionen – Erhältlich in TO-92-, SOP- und wasserdichten Sondenversionen
Der DS18B20 ist für die einfache und zuverlässige Temperaturmessung mithilfe des 1-Wire-Kommunikationsprotokolls konzipiert.Diese Schnittstelle ermöglicht sowohl die Datenübertragung als auch die Gerätesteuerung über eine einzige Signalleitung, was den Verkabelungsaufwand erheblich reduziert.Zunächst wird der DQ-Pin (Daten) mit einem GPIO-Pin des Mikrocontrollers verbunden und ein 4,7-kΩ-Pull-up-Widerstand zwischen der Datenleitung und der Stromversorgung platziert.Der GND-Pin ist mit Masse verbunden, während der VDD-Pin extern mit Strom versorgt werden kann oder im Parasitenstrommodus ungenutzt bleiben kann.

Sobald die Verkabelung abgeschlossen ist und Strom angelegt wird, kommuniziert der Mikrocontroller mit dem Sensor, indem er Befehle über den 1-Wire-Bus sendet.Diese Befehle weisen den DS18B20 an, eine Temperaturumrechnung durchzuführen.Der Sensor misst intern die Umgebungstemperatur, wandelt sie in einen digitalen Wert um und speichert das Ergebnis in seinem internen Speicher.Der Mikrocontroller ruft diese Daten dann über dieselbe Datenleitung ab und gewährleistet so eine effiziente und zuverlässige Kommunikation.
Ein wesentlicher Vorteil des DS18B20 ist seine einzigartige 64-Bit-ROM-Adresse.Diese Funktion ermöglicht den Betrieb mehrerer Sensoren am selben 1-Wire-Bus ohne Signalkonflikte und ist somit ideal für Mehrpunkt-Temperaturüberwachungssysteme.In den meisten Anwendungen verwalten leicht verfügbare Mikrocontroller-Bibliotheken das Kommunikations-Timing und die Befehlssequenzen automatisch, sodass sich Benutzer auf das Systemdesign und nicht auf Protokolldetails auf niedriger Ebene konzentrieren können.
• HVAC-Systeme
• Industrielle Temperaturüberwachung
• Wetterstationen
• Smart-Home-Automatisierung
• Kühlung und Kühllagerung
• Temperaturüberwachung im Rechenzentrum
• Temperaturmessung medizinischer Geräte
• Lebensmittelverarbeitung und -lagerung
• Batterie- und Energiemanagementsysteme
• Embedded- und IoT-Projekte
|
Funktion |
DS18B20 |
DHT22
(AM2302) |
|
Sensortyp |
Digital
Temperatursensor |
Digital
Temperatur- und Feuchtigkeitssensor |
|
Gemessen
Parameter |
Nur Temperatur |
Temperatur und
Luftfeuchtigkeit |
|
Kommunikation
Protokoll |
1-Draht |
Eindrahtig
proprietäres Protokoll |
|
Betrieb
Spannung |
3,0 V – 5,5 V |
3,3 V – 6,0 V |
|
Temperatur
Reichweite |
−55 °C bis +125
°C |
−40 °C bis +80 °C |
|
Temperatur
Genauigkeit |
±0,5 °C (−10 °C
bis +85 °C) |
±0,5 °C |
|
Luftfeuchtigkeitsbereich |
Nicht unterstützt |
0 % bis 100 % relative Luftfeuchtigkeit |
|
Luftfeuchtigkeit
Genauigkeit |
Nicht unterstützt |
±2 % bis ±5 % relative Luftfeuchtigkeit |
|
Auflösung |
9-Bit bis 12-Bit
(programmierbar) |
16-Bit |
|
Konvertierungszeit |
Bis zu 750 ms
(12-Bit) |
~2 Sekunden |
|
Eindeutige Geräte-ID |
Ja (64-Bit-ROM) |
Nein |
|
Mehrere Sensoren
in einem Bus |
Ja |
Nein (ein Sensor
pro Pin) |
|
Macht
Verbrauch |
Sehr niedrig |
Niedrig |
|
Parasitenkraft
Unterstützung |
Ja |
Nein |
|
Pull-up-Widerstand
Erforderlich |
Ja (4,7 kΩ) |
Ja |
|
Wasserdicht
Version verfügbar |
Ja |
Ja |
|
Typisch
Anwendungen |
Industrie,
eingebettete, lange Kabelwege |
Wetter
Stationen, Raumklimaüberwachung |
|
Kabellänge
Unterstützung |
Lange (zig
Meter) |
Begrenzt (kurz
Kabel empfohlen) |
|
Paketoptionen |
TO-92, SOP,
wasserdichte Sonde |
Modul,
wasserdichte Sonde |

Der digitale Ausgang, die 1-Wire-Schnittstelle und die einzigartige 64-Bit-Adresse des DS18B20-Temperatursensors vereinfachen das Systemdesign und ermöglichen gleichzeitig skalierbare Multisensor-Setups.Funktionen wie programmierbare Auflösung, Alarmfunktion, geringer Stromverbrauch und Unterstützung für Fremdstrom erhöhen die Vielseitigkeit sowohl bei einfachen als auch bei anspruchsvollen Projekten zusätzlich.Im Vergleich zu anderen Sensoren wie dem DHT22 erweist sich der DS18B20 als besonders geeignet für Umgebungen, die eine präzise Temperaturüberwachung, lange Kabelwege und robuste Kommunikation erfordern.
Ja, der DS18B20 arbeitet zuverlässig bei 3,3 V und ist vollständig kompatibel mit ESP32, ESP8266 und anderen 3,3 V-Mikrocontrollern.
Für die meisten Setups wird ein 4,7-kΩ-Pull-up-Widerstand empfohlen, der eine stabile 1-Wire-Kommunikation über kurze bis mittlere Kabellängen gewährleistet.
Dutzende DS18B20-Sensoren können einen Daten-Pin gemeinsam nutzen, da jedes Gerät über eine eindeutige 64-Bit-Adresse zur individuellen Identifizierung verfügt.
Ja, der DS18B20 unterstützt große Kabellängen, oft bis zu mehreren zehn Metern, wenn die richtige Verkabelung und der Pull-up-Widerstand verwendet werden.
Nein, der DS18B20 ist werkseitig kalibriert und liefert genaue Temperaturmesswerte ohne zusätzliche Benutzerkalibrierung.
Der Parasite-Power-Modus ermöglicht es dem Sensor, Strom aus der Datenleitung zu beziehen. Dies ist nützlich, wenn die Verkabelung reduziert werden soll, aber weniger ideal für lange Kabel.
Die Messgeschwindigkeit hängt von der Auflösung ab und reicht von etwa 94 ms bei 9 Bit bis 750 ms bei 12 Bit Auflösung.
CAP ALUM 220UF 20% 63V RADIAL
IC GATE DRVR LOW-SIDE 8SOIC
RES SMD 7.5K OHM 0.5% 1/4W 1206
DC DC CONVERTER 15V 100W
8-BIT, EEPROM, ACE1502 CPU
IC FLASH 8MBIT PARALLEL 48FBGA
LM81B1MTX-3/NOPB TI
QM81003ME3.1TR7X RFMD
SC4808BIMS SEMTECH
profichip QFP
MICRO 2016+RoHS





