Deutsch
Zeit: 2026/02/10
Durchsuchen: 280

Die DHT22 Der Temperatur- und Feuchtigkeitssensor, auch bekannt als AM2302, ist ein digitaler Sensor zur Messung der Umgebungstemperatur und der relativen Luftfeuchtigkeit in Elektronik- und IoT-Projekten.Es integriert ein kapazitives Feuchtigkeitssensorelement und einen Präzisionstemperatursensor und liefert einen werkseitig kalibrierten digitalen Ausgang für zuverlässige Messwerte.
Im Vergleich zu Sensoren der Einstiegsklasse bietet der DHT22 einen größeren Messbereich und eine bessere Genauigkeit.Es kann die Luftfeuchtigkeit von 0–100 % RH und die Temperatur von –40 °C bis +80 °C messen, mit stabiler Leistung über lange Zeiträume.Der Sensor nutzt eine digitale Eindraht-Kommunikationsschnittstelle und ermöglicht so eine einfache Verbindung mit Mikrocontrollern wie Arduino, ESP8266, ESP32 und Raspberry Pi.
Wenn Sie am Kauf des Temperatur- und Feuchtigkeitssensors DHT22 interessiert sind, kontaktieren Sie uns bitte bezüglich Preis und Verfügbarkeit.

|
Pin
Nummer |
Pin
Name |
Beschreibung |
|
1 |
VCC |
Stromversorgung
Eingabe.An 3,3 V oder 5 V Gleichstrom anschließen. |
|
2 |
DATEN |
Digitaler Daten-Pin
zur Temperatur- und Feuchteausgabe (Single-Wire-Protokoll). |
|
3 |
NC |
Nicht verbunden.
Dieser Pin ist unbenutzt und sollte schwebend bleiben. |
|
4 |
GND |
Boden
Verbindung.Mit Systemerde verbinden. |
|
Pin
Nummer |
Pin
Name |
Beschreibung |
|
1 |
VCC |
Stromversorgung
Eingang, typischerweise 3,3 V oder 5 V DC. |
|
2 |
DATEN |
Digitaler Ausgang
Pin für Temperatur- und Luftfeuchtigkeitsdaten.Normalerweise wird ein Pull-up-Widerstand eingebaut
in das Modul ein. |
|
3 |
GND |
Erdungsstift für
elektrische Referenz. |
• AM2302
• SHT21
• SHT31
• HDC1080
• BME280
|
Parameter |
Spezifikation |
|
Modell |
DHT22 / AM2302 |
|
Sensortyp |
Digital
Temperatur- und Feuchtigkeitssensor |
|
Stromversorgung
Spannung |
3,3 V bis 6,0 V
Gleichstrom |
|
Betrieb
Aktuell |
~0,3 mA
(Messung), ~60 µA (Standby) |
|
Ausgangssignal |
Digitales Signal
über Single-Wire-Bus |
|
Sensorelement |
Polymer
kapazitiver Feuchtigkeitssensor + Bandlücken-Temperatursensor |
|
Luftfeuchtigkeit
Messbereich |
0 bis 100 % RH |
|
Temperatur
Messbereich |
−40 °C bis +80 °C |
|
Luftfeuchtigkeit
Genauigkeit |
±2 %rF
(typisch), ±5 % RH (max.) |
|
Temperatur
Genauigkeit |
±0,5 °C |
|
Luftfeuchtigkeit
Auflösung |
0,1 %rF |
|
Temperatur
Auflösung |
0,1 °C |
|
Wiederholbarkeit |
±1 %rF
(Feuchtigkeit), ±0,2 °C (Temperatur) |
|
Luftfeuchtigkeit
Hysterese |
±0,3 %rF |
|
Langfristig
Stabilität |
±0,5 %rF pro
Jahr |
|
Probenahmezeitraum |
≥ 2 Sekunden |
|
Datenformat |
40-Bit seriell
Daten (Feuchte + Temperatur + Prüfsumme) |
|
Schnittstelle |
Eindrahtig
digitale Kommunikation |
|
Austauschbarkeit |
Vollständig
austauschbar, werkseitig kalibriert |
|
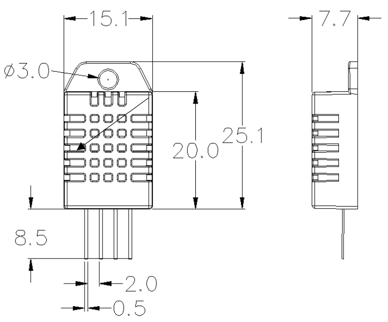
Abmessungen
(Sensorkörper) |
Klein: 14 × 18 ×
5,5 mm |
|
Abmessungen
(Modul/Paket) |
Groß: 22 × 28 ×
5 mm |
|
Betrieb
Umwelt |
Innenbereich,
nicht kondensierend |
|
Kalibrierung |
Fabrik
kalibriert |
• Digitaler Ausgang – Bietet kalibrierte Temperatur- und Feuchtigkeitsdaten, ohne dass eine analoge Signalverarbeitung erforderlich ist
• Großer Messbereich – Misst 0–100 % relative Luftfeuchtigkeit und –40 °C bis +80 °C Temperatur
• Hohe Genauigkeit – Bietet eine Genauigkeit von ±2 % relative Luftfeuchtigkeit und eine Temperaturgenauigkeit von ±0,5 °C für zuverlässige Messwerte
• Feine Auflösung – Unterstützt eine Auflösung von 0,1 % RH und 0,1 °C für eine präzise Umgebungsüberwachung
• Single-Wire-Schnittstelle – Verwendet eine Datenleitung, reduziert die Komplexität der Verkabelung und spart MCU-Pins
• Werkskalibriert – Keine externe Kalibrierung erforderlich, wodurch konsistente und wiederholbare Messungen gewährleistet sind
• Geringer Stromverbrauch – Geeignet für batteriebetriebene und energiesparende Anwendungen
• Langzeitstabilität – Behält die Leistung im Laufe der Zeit bei minimaler Abweichung bei
• Hohe Austauschbarkeit – Sensoren können ohne Neukalibrierung ausgetauscht werden
• Einfache MCU-Integration – Kompatibel mit Arduino, ESP32, ESP8266 und anderen Mikrocontrollern
Das Diagramm zeigt eine einfache Eindrahtverbindung zwischen der MCU und dem DHT22-Sensor, weshalb dieser Sensor einfach zu integrieren ist.Pin 1 (VDD) des DHT22 ist mit der Stromversorgung verbunden, während Pin 4 (GND) mit Masse verbunden ist und die erforderliche Betriebsspannung bereitstellt.

Der wichtigste Signalpfad ist Pin 2 (DATA).Dieser Pin ist direkt mit einem digitalen I/O-Pin der MCU verbunden.Wie im Diagramm gezeigt, wird ein 5-kΩ-Pull-up-Widerstand zwischen VDD und der DATA-Leitung platziert.Dieser Widerstand hält die Datenleitung auf einem stabilen High-Pegel, wenn kein Gerät ihn aktiv auf Low zieht, was für eine zuverlässige Kommunikation unerlässlich ist.
Um eine Messung zu starten, zieht die MCU die DATA-Leitung kurz auf Low und gibt sie dann frei.Der DHT22 erkennt diese Anfrage und antwortet, indem er Temperatur- und Feuchtigkeitsinformationen über dieselbe Datenleitung zurücksendet.Der Sensor überträgt die Daten als zeitgesteuertes digitales Signal, das die MCU in lesbare Werte interpretiert.
Diese Verkabelungsmethode funktioniert bei den meisten Mikrocontrollern gleich und viele DHT22-Module enthalten bereits den Pull-up-Widerstand, was den Anschluss noch weiter vereinfacht.
Der Temperatur- und Feuchtigkeitssensor DHT22 (AM2302) wird über ein Steckbrett mit einem Arduino Uno verbunden.Die Verkabelung ist einfach, da der DHT22 eine einzige digitale Datenleitung zur Übertragung sowohl der Temperatur- als auch der Luftfeuchtigkeitswerte verwendet.Damit ist es ideal für Einsteiger und gängige Arduino-basierte Projekte.

In diesem Aufbau ist der VCC-Pin des DHT22 über ein rotes Kabel mit dem 5-V-Pin des Arduino Uno verbunden.Der GND-Pin des Sensors wird über ein schwarzes Kabel mit dem Arduino-GND verbunden und vervollständigt so den Stromkreis.Diese beiden Anschlüsse ermöglichen den Betrieb des Sensors innerhalb seines unterstützten Spannungsbereichs.
Der DATA-Pin des DHT22 ist über ein gelbes Kabel mit einem der digitalen I/O-Pins des Arduino verbunden, üblicherweise Pin D2.Diese Datenleitung überträgt das digitale Signal, das Temperatur- und Feuchtigkeitsmesswerte darstellt.Zwischen VCC und der DATA-Leitung ist ein Pull-up-Widerstand (typischerweise 4,7 kΩ bis 10 kΩ) erforderlich, um eine stabile Kommunikation zu gewährleisten.Bei Verwendung eines DHT22-Moduls ist dieser Widerstand häufig bereits eingebaut.
Nach der Verkabelung kommuniziert der Arduino mit dem DHT22, indem er ein Startsignal auf der Datenleitung sendet.Der Sensor antwortet dann, indem er einen zeitgesteuerten digitalen Datenstrom sendet, den der Arduino mithilfe einer kompatiblen Bibliothek dekodiert.Dieser Aufbau ermöglicht genaue Umgebungsmessungen mit minimalem Hardwareaufwand.
• Wetterstationen
• Smart-Home-Systeme
• HVAC-Überwachung und -Steuerung
• Überwachung der Raumluftqualität
• Klimakontrolle im Gewächshaus
• Landwirtschaftliche Überwachungssysteme
• Datenprotokollierungssysteme
• IoT-Umweltsensorik
• Überwachung der Temperatur und Luftfeuchtigkeit im Serverraum
• Industrielle Umweltüberwachung
|
Parameter |
DHT22
(AM2302) |
DHT11 |
|
Sensortyp |
Digital
Temperatur- und Feuchtigkeitssensor |
Digital
Temperatur- und Feuchtigkeitssensor |
|
Betrieb
Spannung |
3,3 V – 6,0 V |
3,3 V – 5,5 V |
|
Luftfeuchtigkeitsbereich |
0–100 % relative Luftfeuchtigkeit |
20–80 % relative Luftfeuchtigkeit |
|
Temperatur
Reichweite |
−40 °C bis +80 °C |
0 °C bis +50 °C |
|
Luftfeuchtigkeit
Genauigkeit |
±2 % RH (typisch) |
±5 %rF |
|
Temperatur
Genauigkeit |
±0,5 °C |
±2 °C |
|
Luftfeuchtigkeit
Auflösung |
0,1 %rF |
1 %rF |
|
Temperatur
Auflösung |
0,1 °C |
1 °C |
|
Ausgangssignal |
Digital
(eindrahtig) |
Digital
(eindrahtig) |
|
Abtastrate |
≥ 2 Sekunden |
≥ 1 Sekunde |
|
Kalibrierung |
Fabrik
kalibriert |
Fabrik
kalibriert |
|
Typische Kosten |
Höher |
Niedriger |
|
Typische Verwendung |
Präzise
Überwachung, IoT, HVAC |
Einfach, günstig
Projekte |

AOSONG (Guangzhou Aosong Electronic Co., Ltd.) ist der Originalhersteller des DHT22 (AM2302) und auf Temperatur- und Feuchtigkeitssensortechnologien spezialisiert.Das Unternehmen entwickelt und produziert Sensoren, die kapazitive Polymer-Feuchtigkeitselemente in Kombination mit präzisen Temperaturerfassungskomponenten verwenden und eine stabile und genaue digitale Ausgabe liefern.AOSONG betreibt automatisierte Produktions- und Kalibrierlinien und gewährleistet so werkseitig kalibrierte Sensoren mit hoher Austauschbarkeit und langfristiger Zuverlässigkeit.Der Herstellungsprozess umfasst strenge Qualitätskontrollen, Umwelttests und elektrische Überprüfungen, um eine gleichbleibende Leistung über große Produktionsmengen hinweg sicherzustellen.
Der DHT22 ist standardmäßig nicht wetterfest.Für den Einsatz im Freien muss es in einem belüfteten, wasserdichten Gehäuse untergebracht werden, um es vor Regen und Kondenswasser zu schützen.
Der DHT22 hat ein Mindestabtastintervall von ca. 2 Sekunden, was bedeutet, dass Messwerte nicht häufiger angefordert werden sollten, um Fehler zu vermeiden.
Ja, der DHT22 arbeitet zuverlässig mit 3,3-V-Systemen wie ESP8266, ESP32 und Raspberry Pi ohne Pegelverschiebung.
Dies ist in der Regel auf fehlende Pull-Up-Widerstände, lange Kabel, Instabilität der Stromversorgung oder schnellere Messwerte des Sensors als die zulässige Abtastrate zurückzuführen.
Ja, aber jeder DHT22 benötigt einen eigenen dedizierten Daten-Pin, da das Protokoll keine Adressierung auf einem gemeinsam genutzten Bus unterstützt.
Für stabile Messwerte sollte die Kabellänge idealerweise unter 20 Metern liegen;Längere Kabel erfordern möglicherweise stärkere Pull-up-Widerstände.
Der DHT22 reagiert mäßig schnell, ist aber im Vergleich zu Industriesensoren nicht ideal für sehr schnelle Temperaturschwankungen.
CAP CER 82PF 50V C0G/NP0 0201
CAP TANT 0.47UF 20% 35V RADIAL
IC CLK BUFFER 1:5 133MHZ 16QSOP
IC OPAMP VFB 2 CIRCUIT 10MSOP
IC REG LINEAR 5V 500MA SOT223-3
DGTL ISO 1000VRMS 4CH GP 16QSOP
DGTL ISO 2500VRMS 4CH GP 16SOIC
INTEL PLCC44
AD TSOT23-5
4-BIT, OTPROM, 4MHZ
CAP TANT 10UF 20% 20V 1411
CAP TANT 47UF 20% 6.3V 2917
LPC764BDH PHI


