Deutsch
Zeit: 2025/05/9
Durchsuchen: 2,539

Ein Brückengleichrichter ist eine Art Vollwellengleichrichter, das zum Umwandeln von Wechselstrom (AC) in Gleichstrom (DC) ausgestattet ist.Es verwendet vier Dioden, die in einer quadratischen Konfiguration angeordnet sind, die einer Brücke ähnelt.Dieses Layout beseitigt die Notwendigkeit eines Transformators mit zentralem Tapped, wodurch die Schaltung einfacher, kompakter und kostengünstiger zu produzieren ist.
Die Brückengleichrichter sind in verschiedenen Formen abhängig von den Anforderungen an die Anwendung und Stromversorgung vorhanden:
• Einphasenbrückengleichrichter Behandeln Sie grundlegende Wechselstromeingänge, die häufig in Geräte mit niedrigerer Leistung wie Adaptern oder kleinen Geräten verwendet werden.
• Drei-Phasen-Brückengleichrichter sind für industrielle oder leistungsstarke Anwendungen gebaut und bieten konsistentere Leistung mit weniger Rippeln.
• Unkontrollierte Brückengleichelemente Arbeiten Sie ausschließlich auf der Diodenkonfiguration und dem Wechselstromeingang ohne externe Steuerung über den Ausgangszeitpunkt.
• Kontrollierte Brückengleichrichter Geben Sie Komponenten wie Thyristoren oder SCRs ein, die eine genauere Regulierung der Ausgangsspannung und des Zeitpunkts ermöglichen.
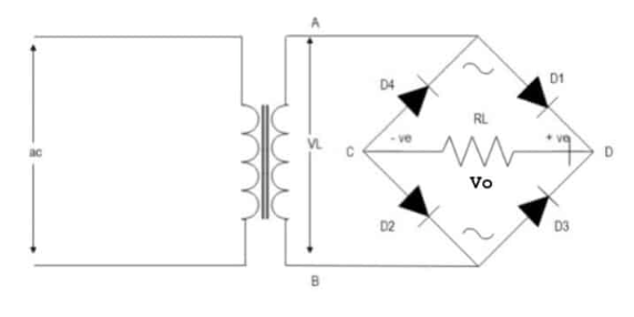
Ein einphasiger unkontrollierter Brückengleichrichter verwendet vier Dioden, die in einem quadratischen Layout angeordnet sind und eine geschlossene Schleife bilden.Diese Dioden sind typischerweise D1 bis D4 markiert.Der Wechselstromeingang stammt aus der sekundären Wicklung eines Transformators und verbindet mit zwei Eingangspunkten mit A und B markiert. Die von einem Widerstand (RL) dargestellte Last wird über die beiden Ausgangsanschlüsse C und D geplant, die ermöglicht, die Last unabhängig von der Richtung des Wechselstromeingangs durch die Last zu passieren.

Abbildung 2. Einphasige unkontrollierte Brückengleichrichter
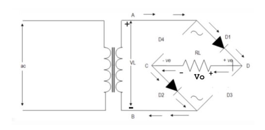
Wenn Punkt A elektrisch positiver wird als Punkt B, sind die Dioden D1 und D2 vorwärts vorgespannt und beginnen zu leiten.Gleichzeitig sind D3 und D4 umgekehrte und Blockstrom.Der elektrische Strom folgt dieser Route: Er tritt in Punkt A ein, fließt durch die Diode D1, führt durch den Lastwiderstand RL, setzt sich durch Diode D2 fort und verlässt an Punkt B einen Spannungsabfall über den Widerstand, wobei Punkt D ein höheres Potential als Punkt C hat.

Abbildung 3. Die positive Hälfte des Wechselstromzyklus
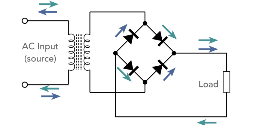
Wenn die Wechselstromspannung in die entgegengesetzte Richtung schwingt und Punkt B positiver als Punkt A wird, schaltet das leitende Paar.Jetzt sind Dioden D3 und D4 vorwärts und tragen Strom, während D1 und D2 ausgeschaltet sind.Der Strom tritt durch Punkt B ein, führt durch die Diode D3, führt die Last in die gleiche Richtung wie zuvor durch, setzt sich durch die Diode D4 fort und verlässt an Punkt A. Obwohl der Wechselstromeingang umgekehrt ist, empfängt die Last immer noch Strom, der in die gleiche Richtung fließt und eine konsistente Polarität beibehält.

Abbildung 4. Negative Hälfte des Wechselstromzyklus
In beiden Hälften des Wechselstromzyklus sieht die Last immer den Strom in eine Richtung.Dies erzeugt eine pulsierende Gleichspannung über die Ausgangsklemmen.Die Spannungswellenform enthält Peaks, die jedem Halbzyklus des Eingangs entsprechen, aber keine umgekehrte Polarität.
Die Ausgabe des Gleichrichters hat zwar immer positiv, aber aufgrund der Lücken zwischen den Peaks immer noch auffällige Wellen.Um diese Schwankung zu verringern und eine glattere, stabilere DC -Spannung zu erzeugen, wird ein Kondensator häufig über den Ausgang zugesetzt.Der Kondensator lädt während der Spannungspeaks und entlädt bei Dips, wodurch die Lücken füllen und die Wellenform abflachen.

Abbildung 5. Einphase -Brücken Gleichrichterwellenform
• Effizienz - Die Effizienz sagt uns, wie viel von der Eingabe -AC -Leistung erfolgreich in nutzbare Gleichstromleistung verwandelt wird.Es wird berechnet, indem die Gleichstromausgangsleistung mit der Gesamt -Wechselstrom -Eingangsleistung verglichen wird.
Um die Effizienz zu finden, betrachten wir zunächst die DC -Leistung, die an den Lastwiderstand geliefert wird.Dies ist gegeben durch:
• Gleichstromausgangsleistung:

Hier, ichDC ist der durchschnittliche Strom durch die Last.Für eine mit Vollwellen behobene Sinuswelle entspricht dieser Strom:

wo ichM ist der Spitzenstrom.
Wenn Sie dies in die Ausgangsleistung einsetzen, gibt es:

Betrachten wir nun die gesamte Eingabe -Wechselstromleistung.Wenn wir ideale Komponenten annehmen (keine in den Dioden oder im Transformator verlorenen Leistung), wird die Eingangsleistung unter Verwendung des RMS -Werts des Eingangsstroms berechnet:
• Wechselstromeingangsleistung:

Hier:
• RF ist der Vorwärtsbeständigkeit der Dioden.
• RS ist der sekundäre Wickelwiderstand des Transformators,
• RL ist der Lastwiderstand.
Beide Leistungswerte in die Effizienzformel eingeben:

Vereinfachung:

Wenn wir einen idealen Fall annehmen, wo rF und rS sind im Vergleich zu R vernachlässigbarL, die Formel wird:

Dies bedeutet, dass ein Brückengleichrichter unter perfekten Bedingungen bis zu 81,2% der Eingangs -Wechselstromleistung in DC umwandeln kann.
• Peak Inverse Spannung (PIV) -Jede Diode in der Brückenschaltung muss in der Lage sein, einer Spannung standzuhalten, die dem Peak der sekundären Wechselspannung des Transformators entspricht, wenn sie sich im nicht leitenden (Reverse-BIA)-Zustand befindet.Dieser Wert ist:
Piv pro diode = vm
Im Vergleich zu einem Gleichrichter mit zentralem Tapped, bei dem jede Diode dieser Spannung zweimal standhalten muss, erfordert das Brückendesign niedrigere PIV-Bewertungen, was die Sicherheit verbessert und die Kosten senken kann, indem die Verwendung von Dioden mit niedrigerer Bewertung ermöglicht wird.
• Ripple -Faktor - Der Ripple -Faktor misst, wie viel Wechselstromvariation (oder "Ripple") nach der Berichtigung in der Ausgabe bleibt.Es wird unter Verwendung des Verhältnisses des RMS -Werts des Ausgangsstroms zu seinem Durchschnittswert (DC) berechnet:
Ripple -Faktor:

Für eine reine Vollwellenausgabe ohne Filterung:

Diese in die Formel ersetzen:

Dies bedeutet, dass der Ausgang immer noch etwa 48% Wechselstrargen enthält, wenn keine Filterung verwendet wird.Aus diesem Grund werden Filterkomponenten, normalerweise Kondensatoren, am Ausgang hinzugefügt, um die Wellenform zu glätten.Diese Komponenten helfen dabei, Energie während der Spannungspeaks zu speichern und sie während der Täler freizusetzen, die Schwankungen zu verringern und den Gleichstromausgang stabiler zu machen.
Ein dreiphasiger unkontrollierter Brückengleichrichter ist so konzipiert, dass es dreiphasige Wechselstrom in DC umwandelt.Es werden sechs Dioden verwendet, die in einer Brückenbildung angeordnet sind und mit drei Wechselstromeingangsleitungen angeschlossen sind, markiert R (rot), y (gelb) und b (blau).Im Vergleich zu einphasigen Gleichrichter liefert dieses Setup einen viel glatteren Gleichstromausgang mit deutlich weniger Ripple, was es für Hochleistungsanwendungen effizienter macht.
In einem dreiphasigen Wechselstromsystem sind die Spannungen der drei Eingangsleitungen durch 120 elektrische Grad ausgeglichen.Aus diesem Grund ändert sich die Spannung zwischen zwei beliebigen Phasen ständig, und zu jedem Zeitpunkt gibt es immer eine Phase bei einer höheren Spannung und eine andere bei einer niedrigeren Spannung.
Der Gleichrichter nutzt diese sich ändernden Spannungsniveaus.In jedem Moment während des Wechselstromzyklus verhalten zwei der sechs Dioden:
• Eine Diode verbindet sich mit der Phase, die sich derzeit auf der höchsten Spannung befindet.
• Die andere Diode verbindet sich mit der Phase, die sich bei der niedrigsten Spannung befindet.

Abbildung 6. Dreiphasenbrückengleichrichterschaltung
Diese beiden Dioden erzeugen einen Pfad für den Strom, der durch den Lastwiderstand fließt.Wenn sich die Spannungen zwischen den Phasen verschieben, schalten sich unterschiedliche Diodenpaare ein und aus, wobei jeweils etwa 120 ° des Wechselstromzyklus läuft.Da das Schalten in überlappenden Intervallen auftritt, hat der Ausgang mehrere Spannungsimpulse, die sich eng aneinander folgen.
Diese Überlappung bedeutet, dass es keine großen Lücken zwischen Impulsen gibt und der Strom durch die Last in einer konsistenten Richtung fließt.Infolgedessen ist der behobene Gleichstromausgang nahezu kontinuierlich, wobei weit weniger Welligkeit als in einem einphasigen Gleichrichter zu sehen ist.
Wenn sich die Spannungsbeziehungen zwischen den Phasen ändern, tragen verschiedene Diodenpaare den Strom.Zum Beispiel:
• Wenn die Phase R positiver als Phase Y ist und Phase Y positiver als Phase B ist, werden die Dioden D1 und D4 den Durchgang.
• Wenn die Phase R positiver als Phase B ist und Phase B negativer als R, dienen Dioden D1 und D6.
• Wenn die Phase Y positiver ist als Phase B, werden die Dioden D3 und D6 verhalten.
• Wenn die Phase Y positiver ist als Phase R, werden Dioden D3 und D2 verhalten.
• Wenn Phase B positiver ist als Phase R, werden Dioden D5 und D2 verhalten.
• Wenn Phase B positiver als Phase Y ist, werden die Dioden D5 und D4 verhalten.
Jedes Paar leitet den Strom aus der höheren Spannungsphase, zwei Dioden und dann über die Last.Diese kontinuierliche Schaltung stellt sicher, dass die Ausgangsspannung stabil bleibt und die Ripple minimal ist, ein nützlicher Vorteil bei Anwendungen, bei denen eine glatte Gleichstromleistung erforderlich ist.

Abbildung 7. Dreiphasenbrückengleichgleichungswellenform

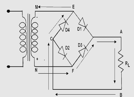
Abbildung 8. Mittelkleberbrückengleichrichter
Ein Center-Tap Bridge-Gleichrichter ist ein Vollwellen-Richtigungskreis, der einen Transformator mit einer sekundären Wicklung und zwei Dioden mit zentraler Weise verwendet.Diese Konfiguration ermöglicht es der Schaltung, die gesamte Wechselstromwellenform in einen unidirektionalen Ausgang umzuwandeln, jedoch mit einem anderen Ansatz als die häufigere Vier-Dioden-Brücke.
Die sekundäre Wicklung des Transformators wird in zwei Hälften aufgeteilt, wobei der Mittelpunkt als Referenzpunkt dient und wie ein Boden in der Schaltung wirkt.Jede Hälfte der Wicklung liefert eine Spannung während einer Hälfte des Wechselstromzyklus.Während der positiven Hälfte des Wechselstromeingangs wird ein Ende des Transformators positiver als das Mittelpunkt.In diesem Moment wird die mit dieser Hälfte angeschlossene Diode vorwärtsbias und lässt den Strom durch die Last fließen.Wenn sich der Eingang in die negative Hälfte des Zyklus verlagert, wird die andere Seite der Wicklung im Verhältnis zum Mittelteil positiver.Die zweite Diode führt jetzt durch und sendet Strom durch die Last in die gleiche Richtung wie zuvor.
Diese abwechselnde Leitung stellt sicher, dass der Strom durch die Last immer in eine Richtung fließt und beide Hälften der Wechselstromwellenform effektiv in einen kontinuierlichen Gleichstromausgang umwandelt.Während diese Methode mit nur zwei Dioden die Vollwellenreparatur erreicht, erfordert sie einen Mittel-Tap-Transformator.Dies fügt zusätzliche Kosten und Komplexität hinzu, insbesondere im Vergleich zum Standard-Vier-Dioden-Brückengleichrichter, für das kein Mittelpunkt erforderlich ist.Für Anwendungen, bei denen das Transformatordesign flexibel ist, kann die Mittel-Tap-Konfiguration nützlich sein.In vielen Fällen machen das einfachere Layout und die verbesserte Effizienz einer Vier-Dioden-Brücke jedoch die bevorzugte Wahl.

Abbildung 9. Halbwellenbrückengleichrichter
Ein Halbwellenbrückengleichrichter ist ein Grundtyp der Gleichrichterschaltung, der nur zwei Dioden verwendet, um die Wechselstromleistung in DC umzuwandeln.Es ist so konzipiert, dass der Strom die Last während der Hälfte des Wechselstromzyklus, der positiven Hälfte, durch die Ladung passt, während die negative Hälfte vollständig blockiert.
Wenn der Wechselstromeingang in die Schaltung gelangt, steigt die Spannung und fällt in ein sinusförmiges Muster.Während der positiven Hälfte jedes Zyklus wird einer der Dioden vorwärtsgerüst und ermöglicht es Strom, an die Last zu gelangen.Die zweite Diode, die in der Brücke angeordnet ist, wird in dieser Zeit ebenfalls vorwärts gereizt. Er vervollständigt den Schaltkreis und leitet den Strom entlang eines einzelnen konsistenten Pfades durch die Last.Wenn die Wechselstromspannung die Richtung im negativen Halbzyklus umkehrt, werden beide Dioden umgekehrt voreingenommen.In diesem Zustand blockieren sie den Strom und während dieses Teils des Zyklus wird keine Leistung an die Last geliefert.
Da nur die Hälfte der Eingangswellenform verwendet wird, erscheint der Ausgangsstrom in kurzen, getrennten Bursts und nicht als glatte oder kontinuierliche Fluss.Dies erzeugt ein hohes Maß an Ripple und führt zu einer geringeren Umwandlungseffizienz im Vergleich zu Vollwellengleichrichter.Der Gleichstromausgang ist ungleichmäßig mit signifikanten Lücken zwischen den Impulsen.Aufgrund dieser Einschränkungen werden Halbwellenbrückengleichelemente in geringen Strom- oder Nebenanwendungen verwendet, bei denen eine stabile oder gut gefilterte Gleichstromversorgung nicht erforderlich ist.Sie sind in Situationen geeignet, in denen die Einfachheit der Schaltung, die geringen Kosten oder die minimale Leistungsbehandlung wichtiger sind als die Ausgangsqualität.
• In UnterhaltungselektronikBrückengleichrichter befinden sich in den Stromversorgungen von Telefonen, Tabletten, Laptops und vielen Haushaltsgeräten.Diese Geräte stützen sich auf Gleichrichter, um die Wand-Schock-Wechselstrom in nutzbare DC für interne Schaltungen umzuwandeln.
• Batterieladesysteme hängen auch von Brückengleichrichter ab.Egal, ob es sich um ein Smartphone -Ladegerät, eine Batterie -Sicherungseinheit oder ein Fahrzeugladesystem handelt, die Gleichrichter stellen sicher, dass die eingehende Wechselstromleistung sicher in DC umgewandelt wird, bevor die Batterie geladen wird.
• In IndustrieautomatisierungBrückengleichrichter sind ein grundlegender Bestandteil von Motorsteuerungssystemen.Motoren, die auf DC laufen, benötigen eine behobene Versorgung, und Gleichrichter liefern die stetige Spannung, die für die reibungslose Geschwindigkeit und die Drehmomentregelung erforderlich ist.
• LED -Treiber und Beleuchtungsschaltungen Verwenden Sie auch Brückengleichrichter, um LED -Leuchten zu betreiben.Da LEDs auf DC laufen, werden Gleichrichter die Umwandlung von Wechselstromküsten aus und ermöglichen eine effiziente und flackernde Beleuchtung.
• In Erneuerbare Energiesysteme, wie Solarstrominstallationen, Brückengleichrichter helfen dabei, die variable Wechselstromausgabe von Wechselrichtern oder bestimmten Solarpanelsanordnungen in DC umzuwandeln.Diese DC -Leistung kann dann in Batterien gespeichert oder zum Ausführen angeschlossener Geräte verwendet werden.
• Brückengleichrichter sind gefährlich in unterbrechungsfreie Stromversorgungen (UPS), die Notfall -Sicherungsleistung bieten.Sie tragen dazu bei, dass der Übergang zwischen Netzstrom und Batteriesicherung reibungslos und ununterbrochen ist und die erforderlichen Systeme online hält.
• Telekommunikationssysteme und Rechenzentren Abhängig von Gleichrichter, um stabile Leistung für Server, Netzwerkschalter und Kommunikationsgeräte aufrechtzuerhalten.Die ständige Nachfrage nach Verfügbarkeit und Zuverlässigkeit in diesen Umgebungen macht eine präzise DC -Konvertierung zu einem Muss.
• Im medizinisches Feld, Geräte wie MRT-Scanner, Röntgengeräte und Patientenüberwachungssysteme verwenden Brückengleichrichter, um die genaue und gefilterte DC-Leistung zu liefern, die diese sensiblen Instrumente benötigen.
• Hochleistungsindustriewerkzeuge, einschließlich Schweißmaschinen und leistungsstarker Herstellungsgeräte, stützen sich auch auf Gleichrichter.Diese Tools benötigen einen stetigen Gleichstrom für einen effizienten Betrieb und die Prozesssteuerung.
• Audioverstärker und Hochfidelheits-Soundsysteme Fügen Sie Brückengleichungsmittel in ihre Stromversorgungsstadien ein.Clean and Stable DC wird zur Reduzierung von Rauschen und Verzerrungen in der Audioausgabe verwendet, insbesondere in professionellen Systemen.
Bridge -Gleichrichter bieten mehrere praktische Vorteile, die sie sowohl in Verbraucher- als auch in Industriestromanwendungen zu einer beliebten Wahl machen.Wie bei jeder Schaltung sind sie jedoch auch einige Kompromisse für den Anwendungsfall in Betracht gezogen.
• Einer der größten Vorteile eines Brückengleichrichters ist die ITS Fähigkeit zur Durchführung der Vollwellenberechnung ohne einen Mittel-Tap-Transformator zu benötigen.Dies vereinfacht das Design des Transformators und senkt die Gesamtkosten und den Großteil des Netzteilsystems.
• Die Brückenkonfiguration verwendet sowohl die positiven als auch die negativen Hälften des Wechselstromeingangssignals, was zu mehr führt effiziente Leistungsumwandlung und stärker, konsistenter DC -Ausgang.Diese volle Nutzung der Wellenform verbessert den Gesamtleistungstransfer zur Last.
• Die Schaltung selbst ist unkompliziert und kompaktmit nur vier Dioden in einem gut etablierten Layout.Es ist weit verbreitet und einfach zu implementieren und macht es ideal für eine Vielzahl von Designs, von kleinen Verbraucherladegeräten bis hin zu größeren Industriesystemen.
• wegen seiner Effizienz und EinfachheitDer Brückengleichrichter ist ebenfalls kostengünstig.Es ist oft die Lösung für Sie, die ein Gleichgewicht zwischen Leistung, Zuverlässigkeit und einfacher Integration benötigen.
• Trotz seiner Vorteile hat ein Brückengleichrichter einige Einschränkungen.Während des Betriebs führen zwei Dioden in jedem Halbzyklus gleichzeitig aus Vorwärtsspannungsabfall.Dieser Abfall reduziert die Ausgangsspannung geringfügig, insbesondere in Niederspannungsanwendungen, bei denen jeder Volt zählt.
• Beim Umgang mit höheren Strömen die Stromverlust Aus diesen Dioden können erhebliche Wärme erzeugen.In solchen Fällen können Kühlkörper oder Wärmemanagementkomponenten erforderlich sein, um eine Überhitzung zu verhindern und einen stabilen Betrieb sicherzustellen.
• Die Schaltung ist auch nicht gut geeignet für sehr hochfrequente Wechselstromsignale.Die umgekehrte Wiederherstellungszeit von Standarddioden kann bei diesen Frequenzen Ineffizienzen verursachen und die Verwendung von schnelleren Schaltkomponenten wie Schottky- oder Fast-Recovery-Dioden erfordern.
• Für Anwendungen, die schwere oder schnell ändernde Lasten beinhalten, können zusätzliche Filter- oder Regulierungskomponenten erforderlich sein, um einen reibungslosen und zuverlässigen Ausgang aufrechtzuerhalten.Dies ergänzt die Komplexität und Kosten der Schaltung, je nachdem, wie anspruchsvoll die Anwendung ist.
Brückengleichrichter bleiben ein hilfreicher Baustein in der modernen Elektronik und bieten eine zuverlässige Lösung für die Umwandlung von Wechselstrom und DC über eine Vielzahl von Anwendungen.Ihr einfaches und dennoch effektives Design ermöglicht eine effiziente Vollwellenberechnung, reduzierte Komponentenkosten und eine verbesserte Stromversorgung.Egal, ob es sich um alltägliche Geräte handelt, Industriemaschinen unterstützt oder erneuerbare Energiesysteme ermöglicht, Brückengleichrichter liefern weiterhin die stetige DC -Leistung, von der die Technologien abhängen.
Ein Brückengleichrichter lässt den Strom nicht in beide Richtungen des Ausgangs fließen.Stattdessen wandelt es sowohl die positiven als auch die negativen Hälften eines Wechselstromsignals in einen unidirektionalen Gleichstromausgang um, indem vier Dioden verwendet werden, die abhängig von der Eingangspolarität zu zweit leiten.Während Wechselstrom die Richtung weiter ändert, bleibt der Strom, der durch die Last fließt, in eine Richtung und erzeugt die Vollwellenreparatur.
Ein Brückengleichrichter ist besser als ein Gleichrichter mit mittlerer Tapped, da er keinen Transformator für den Mittelpunkt benötigt, die gesamte sekundäre Wicklung während der beiden Hälften des Wechselstromzyklus verwendet und eine höhere Ausgangsspannung mit einer besseren Transformatorauslastung liefert.In praktischen Builds führt dies zu einem kleineren, einfacheren und kostengünstigeren Design mit verbesserter Effizienz und weniger Komplikationen für Transformatorwickler
Wenn ein Filter mit einem Gleichrichter verwendet wird, verbessert er die Leistung erheblich, indem die Spannungsripple reduziert und einen stabileren Gleichstromausgang liefert.In der praktischen Verwendung bedeutet dies, dass elektronische Geräte, die mit dem Gleichrichter verbunden sind, eine glattere Spannungsversorgung erhalten, die das Flackern in LEDs, instabile Messwerte in Sensoren und unregelmäßiges Verhalten in Kontrollschaltungen verhindern.
Kondensatoren werden in Brückengleichrichter verwendet, um den pulsierenden Gleichstromausgang zu glätten, indem sie beim Abfall der Spannung aufgeladen werden, und die Spannungsabschläge zwischen den Zyklen effektiv ausfüllen.Diese Aktion hilft dabei, eine konsistentere Ausgangsspannung aufrechtzuerhalten, die für die Leistung empfindlicher elektronischer Komponenten und die Gewährleistung eines zuverlässigen Betriebs in tatsächlichen Anwendungen erforderlich ist.
Die Gleichrichterleistung wird durch verschiedene Faktoren bestimmt, einschließlich der Eingangsspannung und -frequenz, der Menge des Laststroms, der Größe und Qualität des Filterkondensators, der Eigenschaften der verwendeten Dioden (wie der Spannung und Geschwindigkeit) und der Fähigkeit des Transformators, Lastschwankungen zu handhaben.In praktischen Szenarien beeinflussen diese Faktoren, wie sauber und stabil der Ausgang ist, wie viel Wärme die Komponenten erzeugen und wie effizient die Schaltung der Last Leistung liefert.
CAP CER 1UF 25V X6S 0603
CAP CER 6.2PF 50V C0G/NP0 0603
CAP CER 0.7PF 25V C0G/NP0 0201
CAP CER 1.8PF 25V C0G/NP0 0201
IC OPAMP JFET 2 CIRCUIT 8SOIC
IC CLK BUFFER 1:10 100MHZ 24SSOP
RES SMD 6.04KOHM 0.5% 1/10W 0603
IGBT Modules
P2507SFC1 ENE
MITSUMI TO89-4
MAX3223EEA MAXIM
EXAR QFP




