Deutsch
Zeit: 2025/01/15
Durchsuchen: 4,477

Abbildung 1. Die Diodenklemmschaltung
Eine Halbleiterdiode ist ein einfaches Zwei-terminaler-Gerät, das den Stromfluss in eine Richtung steuert.Aus einer P-N-Übergang gebaut, normalerweise unter Verwendung von Silizium, besteht es aus einer Anode (positiver Klemme) und einer Kathode (negativer Anschluss).Sein Hauptzweck ist es, die Stromrichtung in elektronischen Schaltungen zu regulieren.

Abbildung 2. Diodensymbol
Wenn sich eine Diode in der Vorspannung befindet, ist die Anode mit dem positiven Anschluss einer Spannungsquelle verbunden und die Kathode mit dem negativen Anschluss verbunden.Diese Ausrichtung verringert die potenzielle Barriere an der P-N-Übergang.Sobald die Spannung über die Diode ihre Schwellenspannung (ungefähr 0,7 V für Siliziumdioden) überschreitet, wird die Kreuzung leitend.In diesem Zustand fließt Strom von der Anode zur Kathode, und die Dioden funktioniert wie ein geschlossener Schalter.Dieser unidirektionale Stromfluss ist das Schlüsselverhalten einer Diode im Vorspannungsmodus.
Bei umgekehrter Vorspannung ist die Anode mit dem negativen Anschluss verbunden und die Kathode ist mit dem positiven Anschluss der Spannungsquelle verbunden.Diese Konfiguration erhöht die potenzielle Barriere an der P-N-Verbindung und verhindert den Stromfluss effektiv.In diesem Zustand wirkt die Diode wie ein Open-Circuit-Switch und blockiert einen signifikanten Strom.Ein kleiner Leckstrom kann aufgrund von Minderheitenladungsunternehmen fließen, dies ist jedoch in den meisten Standarddioden vernachlässigbar.
Eine Diodenklemmschaltung ist eine Spannungsstufeschaltung, die die Ausgangsspannung durch Zugabe oder Subtrahieren einer Gleichspannung zum Eingangssignal modifiziert.Diese Einstellung wird mit einer Diode, einem Kondensator und einem Widerstand erreicht.Die Arbeit der Schaltung kann wie folgt zusammengefasst werden:
- Während eines Halbzyklus des Eingangssignals speichert der Kondensator eine Gleichspannung.In dieser Phase führt die Diode Strom durch und verhält sich wie ein Kurzschluss.
- Während des gegenüberliegenden Halbzyklus wird die gespeicherte Spannung im Kondensator zum Eingangssignal hinzugefügt und an den Ausgang geliefert.In dieser Phase ist die Diode umgekehrt vorgespannt und wirkt als offener Stromkreis.
Damit der Klemmschaltungskreis effektiv funktioniert, werden der Widerstand (R) und der Kondensator (c) so ausgewählt, dass die RC -Zeitkonstante viel größer ist als die Zeitperiode der Eingangswellenform.Dies stellt sicher, dass die im Kondensator gespeicherte Spannung nicht wesentlich sinkt, wenn sie sich mit dem Eingangssignal verbindet.
Die Diodenklemmschaltungen sind in mehreren Konfigurationen erhältlich, die jeweils für bestimmte Anwendungen zugeschnitten sind.Die Haupttypen umfassen:
• Der positive Schraupunkt
• Der negative Schrau
• Der positive Kluggel mit positiven oder negativen Verzerrungsspannungen
• Der negative Geschicht mit positiven oder negativen Verzerrungsspannungen
Lassen Sie uns in jeden Typ eintauchen, um ein klares Verständnis ihrer unterschiedlichen Funktionen zu erlangen.

Abbildung 3. Positive Schraukreis
Der positive Schraupunkt ist eine Schaltung, die den Gleichstrompegel einer Eingangswellenform durch einen positiven Wert nach oben verändert und gleichzeitig die Form der Wellenform beibehält.Diese Funktionalität ist in Signalkonditionierungsanwendungen von entscheidender Bedeutung, bei denen die Einstellungsspannungsniveaus erforderlich sind.
Während des negativen Halbzyklus der Eingangswellenform ist die Diode (d) vorwärts vorgespannt, da die Anode mit einer positiven Spannung verbunden ist und die Kathode mit einer negativen Spannung verbunden ist.In diesem Zustand führt die Diode Strom durch und wirkt als Kurzschluss, sodass der Kondensator (c) die Spitzeneingangsspannung (VM) ladet, wie sie am Ausgangsanschluss (VO) zu sehen sind.Die mit der Eingangsspannung (VI) verbundene Kondensatorplatte wird negativ geladen, während die gegenüberliegende Platte positiv geladen wird.
Im positiven Halbzyklus wird die Diode umgekehrt vorgespannt und fungiert als offener Schaltkreis und blockiert den Stromfluss.Der geladene Kondensator behält seine Spannung (VC) bei und fügt sie zur Eingangsspannung (VI) am Ausgangsanschluss (VO) hinzu.Folglich entspricht die Ausgangsspannung der Summe der Eingangsspannung und der gespeicherten Spannung des Kondensators.Dieser Prozess verschiebt effektiv die Gleichstrompegel der Eingangswellenform nach dem Wert der Ladung des Kondensators (VM).

Abbildung 4. Negative Schraukreis
Der negative Geschicht ist eine Schaltung, die den Gleichstrompegel einer Eingangswellenform durch einen negativen Wert nach unten verändert.Dies ermöglicht es der Grundlinie der Wellenform, sich unter die ursprüngliche Referenzebene zu bewegen, während die Form der Wellenform beibehalten wird, wodurch es für die Signalverarbeitung und Kompatibilität mit nachfolgenden Stadien in elektronischen Systemen wesentlich ist.
Während des positiven Halbzyklus der Eingangswellenform wird die Diode (d) vorwärts vorgespannt, da die Anode ein positives Potential hat und die Kathode ein negatives Potential hat.In diesem Zustand führt die Diode Strom durch und wirkt als Kurzschluss, sodass der Kondensator (c) aufgeladen werden kann.Aus der Perspektive des Ausgangsterminals (VO) berechnet der Kondensator eine Spannung von -vm.Die mit der Eingangsspannung (VI) angeschlossene Kondensatorplatte erhält eine positive Ladung, während die andere Platte negativ geladen wird.
Im negativen Halbzyklus wird die Diode umgekehrt und wirkt als offener Stromkreis, wodurch der Stromfluss blockiert.Der geladene Kondensator behält seine Spannung (VC) bei und kombiniert sie mit der Eingangsspannung (VI) am Ausgangsanschluss.Infolgedessen entspricht die Ausgangsspannung (VO) der Summe der Eingangsspannung und der gespeicherten Spannung des Kondensators, wodurch der Gleichstrompegel der Wellenform nach VM nach unten verlagert wird.
Der positive Schrau -Schaltkreis wird durch Hinzufügen einer Gleichspannungsquelle erweitert, um die Spannungsverzerrung um einen bestimmten Wert anzupassen.Diese Vorspannung kann entweder positiv oder negativ sein und bietet eine präzise Kontrolle über den Gleichstrompegel der Ausgangswellenform.

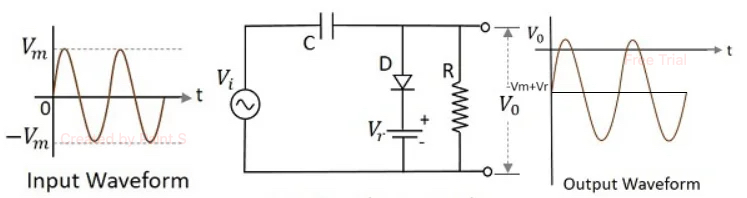
Abbildung 5. Positive Spannungsklemmung mit positiver Vorspannungspannung
Wie Sie im Bild sehen können, funktioniert der positive Klemmungsgerät mit einer positiven Verzerrungsspannung ähnlich wie der grundlegende positive Klamper, jedoch einen Schlüsselunterschied.Während des negativen Halbzyklus lädt der Kondensator zu einer Spannung, die VM + VR entspricht, wobei VM die Spitzeneingangsspannung ist und VR die positive Spannungsspannung ist, die von der DC-Quelle eingeführt wird.Diese zusätzliche Spannung verschiebt den Gleichstrompegel der Eingangswellenform von 0 nach VM + VR, wodurch im Vergleich zur Standardkonfiguration eine größere Aufwärtsanpassung in der Ausgangswellenform erzeugt wird.

Fig. 6
Im positiven Geschicht mit negativer Vorspannung folgt die Schaltung auch dem Grundprinzip, führt jedoch eine negative DC -Spannungsquelle in Reihe mit der Diode ein.Während des negativen Halbzyklus lädt der Kondensator eine Spannung von VM - VR auf, wobei VR die negative Vorspannung ist.Dies führt zu einer kleineren Aufwärtsverschiebung, wodurch der Gleichstrompegel der Ausgangswellenform von 0 nach VM - VR bewegt wird, was eine kontrollierte Verringerung der Pegelanpassung ermöglicht.
Durch die Einbeziehung positiver oder negativer Verzerrungsspannungen erweitert dieser Klemmschaltkreis die Funktionalität des positiven Standards.Es bietet eine größere Flexibilität und Genauigkeit bei der Anpassung des Gleichstroms der Ausgangswellenform, wodurch es für Anwendungen, die maßgeschneiderte Änderungen der Spannungsniveau erfordern, unerlässlich sind.
Der negative Schrau -Schaltkreis wird durch Einführung einer Gleichspannungsquelle zur Einstellung der Spannungsverzerrung verstärkt.Diese Verzerrungsspannung, die positiv oder negativ sein kann, liefert eine höhere Kontrolle über den Gleichstromniveau der Ausgangswellenform.Im Folgenden finden Sie die beiden Konfigurationen dieser Schaltung:

Fig. 7
Das obige Bild zeigt den negativen Kluggel mit einer positiven Vorspannung.Die Schaltung arbeitet ähnlich wie der grundlegende negative Klamper mit einem bemerkenswerten Unterschied während des positiven Halbzyklus des Eingangssignals.Während dieser Phase berechnet der Kondensator eine Spannung von -VM + VR, wobei:
• VM ist die Spitzeneingangsspannung.
• VR ist die positive Vorspannung der DC -Quelle.
Diese positive Verzerrung reduziert die Abwärtsverschiebung des Gleichstrompegels und bewegen die Grundlinie der Wellenform auf -VM + VR.Das Ergebnis ist eine kontrollierte Abwärtsanpassung der Ausgangswellenform -Grundlinie.

Abbildung 8. Negativspannungsklemme mit negativer Vorspannung
In dem negativen Geschicht mit negativer Vorspannung wird eine negative DC -Spannungsquelle in Reihe mit der Diode zugesetzt.Während des positiven Halbzyklus lädt der Kondensator eine Spannung von -vm -VR auf, wobei VR die negative Vorspannung darstellt.Dies führt zu einer größeren Verschiebung nach unten und bewegen die Grundlinie der Wellenform auf -VM - VR.Diese Konfiguration ermöglicht eine tiefere Einstellung in der Ausgangswellenform.
Durch die Einbeziehung positiver oder negativer Vorspannungsspannungen wird der negative Schraupunkt zu einer sehr vielseitigen Schaltung.Es ermöglicht eine präzise Steuerung über den Gleichstrompegel der Ausgangswellenform und macht es zu einem wertvollen Werkzeug für Anwendungen, die fein abgestimmte Spannungsanpassungen und Signalkonditionierung erfordern.
Diodenklemmschaltungen zeigen, wie einfache Teile wie Dioden, Kondensatoren und Widerstände erstaunliche Dinge in der Elektronik tun können.Sie passen Spannungsstufen und Formsignale ein und machen sie für viele Anwendungen wesentlich.Egal, ob es sich um einen positiven oder negativen Kluggel oder einen mit zusätzlichen Verzerrungsspannungen handelt, diese Schaltungen sind flexibel und einfach zu bedienen.Sie beweisen, dass selbst grundlegende Komponenten komplexe Probleme lösen können und Ihnen helfen, zuverlässige und effiziente Designs zu erstellen.
Es wird als Wellenbildschaltung bezeichnet, da er die Spannungsniveaus von Wellenformen einstellt, um sicherzustellen, dass sie spezifische Anforderungen entsprechen, ohne das Signal zu verzerren.
Diese Schaltungen werden in der Signalkonditionierung, der Wellenformerzeugung und der Modifizierung von Spannungsniveaus für die Kompatibilität mit elektronischen Systemen verwendet.
Die RC -Zeitkonstante sorgt dafür, dass der Kondensator seine Ladung lang genug behält, um die Gleichspannung des Eingangssignals effektiv hinzuzufügen.
Ein positiver Klamper verschiebt die Wellenform nach oben und erhöht den Gleichstrompegel, während ein negativer Klemmleiter die Wellenform nach unten verschiebt und den Gleichstromniveau verringert.
Die Vorspannung ermöglicht eine präzise Steuerung über die Verschiebung der Gleichstrompegel und ermöglicht fein abgestimmte Einstellungen an der Ausgangswellenform.
CAP CER 10UF 25V JB 1206
IC OPAMP GP 2 CIRCUIT 8MSOP
OPTOISO 5KV 1CH TRANS LSOP4
RICOH BGA/6*6
MT46V32M4TG-75 MICRON
RENESAS BGA
MT48LC2M32B2P-6AIT:J MICRON
PI74VCX16245AX PERICOM
CN2240-350BG1096-G GAVIIUM
LM81003-02V SN





