Deutsch
Zeit: 2025/01/17
Durchsuchen: 4,835

Zenerdioden sind spezielle Halbleitergeräte, die die Spannung mit Präzision regulieren.Ihre Fähigkeit, die Spannung zu stabilisieren, beruht auf der Reverse -Breakdown -Eigenschaft eines PN -Übergangs.
Eine Zenerdiode sorgt für einen stabilen Spannungsausgang, der als Zenerspannung bezeichnet wird, unabhängig von den Variationen des Laststroms über ihre Klemmen.Diese Stabilität wird durch einen Prozess erreicht, der als Reverse Breakdown bezeichnet wird.Wenn die Diode umgekehrt voreingenommen ist, verhält sie sich zunächst wie eine typische Diode-blockierende Stromfluss mit einem hohen Widerstand.Das Verhalten der Diode ändert sich jedoch dramatisch, sobald die Rückspannung einen bestimmten Schwellenwert (die Zenerspannung) erreicht.Der Widerstand fällt stark ab und lässt den Strom fließen, während die Spannung konstant bleibt.
Dieser Übergang vom hohen Widerstand zu niedrigem Widerstand an der Zenerspannung ist der Schlüssel zu seinem Betrieb.Wenn die Spannung über die Diode die Zenerspannung überschreitet, lässt die Diode nicht zu, dass die Rückspannung signifikant zunimmt.Stattdessen wird genügend Strom durchgeführt, um die Spannung auf einem stabilen Niveau aufrechtzuerhalten.Im Gegensatz zu einem Fehlermodus wird dieser Vorgang sorgfältig gesteuert.Die Diode arbeitet in einem sogenannten Avalanche -Zusammenbruch - einem sicheren und stabilen Mechanismus, mit dem die Diode eine überschüssige Rückspannung ohne Beschädigung verarbeiten kann.

Abbildung 2. IV -Eigenschaften von Zenerdioden
Zenerdioden werden hauptsächlich im umgekehrten Vorspannungsmodus verwendet, wobei die Anode mit dem negativen Anschluss und der Kathode mit dem positiven Anschluss der Stromquelle verbunden ist.Diese Konfiguration nutzt die Fähigkeit der Diode, die Spannung zu stabilisieren, eine Funktion, die für Schaltungen gefährlich ist, die eine konsistente und präzise Spannungsregelung erfordern.
In praktischen Schaltungen werden Zenerdioden absichtlich in umgekehrter Verzerrung betrieben, um ihre einzigartigen Spannungsstabilisierungseigenschaften zu nutzen.Wenn die Diode auf diese Weise verbunden ist, ist sie ausgelegt, um Spannungsschwankungen entgegenzuwirken, indem eine feste Spannung über ihre Klemmen aufrechterhalten wird.Diese feste Spannung, die als Zenerspannung bezeichnet wird, ist ein vordefinierter Wert, der den stabilen Betrieb empfindlicher Komponenten in der Schaltung gewährleistet.
Beispielsweise werden in Stromversorgungsschaltungen Zenerdioden häufig parallel zur Last platziert, um die Spannung zu stabilisieren.Ihre Fähigkeit, überschüssige Spannung zu klemmen und Komponenten vor Schäden zu schützen, macht sie zu einem nützlichen Instrument zur Aufrechterhaltung der Systemzuverlässigkeit.Die Stromspannungseigenschaften (IV) einer Zenerdiode liefern ein klares Bild seines Verhaltens unter verschiedenen elektrischen Bedingungen.Im umgekehrten Vorbettmodus:
• Bei Spannungen unterhalb der Zenerspannung blockiert der Diodenstrom, ähnlich einer regulären Diode.
• Sobald die Umkehrspannung die Zenerspannung erreicht, tritt die Diode in ihren Aufschlüsselungsbereich ein.Hier stabilisiert sich die Spannung über die Diode und bleibt nahezu konstant, selbst wenn der Strom durch die Diode zunimmt.
Dieser flache Abschnitt der IV -Kurve - wo die Spannung trotz Stromschwankungen stetig bleibt - ilerstreuiert die Fähigkeit der Diode, die Spannung effektiv zu regulieren.Dieses Merkmal macht Zenerdioden für Anwendungen, die eine zuverlässige Spannungsregulierung erfordern, größtenteils wertvoll.
Zener -Dioden passen sich dynamisch an Änderungen des aktuellen Bedarfs an und ermöglichen es ihnen, eine konstante Ausgangsspannung aufrechtzuerhalten.So reagieren sie:
• Wenn der Strombedarf steigt, führt die Diode mehr Strom durch und stellt sicher, dass die Spannung über die Last stabil bleibt.
• Wenn der Strombedarf abnimmt, führt die Diode weniger Strom durch und verhindert, dass die Spannung unter das gewünschte Niveau fällt.
Dieses Selbstanpassungsverhalten stellt sicher, dass die Lastspannung unter unterschiedlichen Bedingungen konstant bleibt und für angeschlossene Komponenten einen ernsthaften Schutz und Zuverlässigkeit bietet.
Ein Zener-Diodenregler ist so ausgelegt, dass er einen stabilen und ripple-freien Spannungsausgang liefert, selbst wenn die Lastbedingungen oder die Eingangsspannung schwanken.Diese Stabilität wird erreicht, indem eine Zenerdiode in einen Schaltkreis mit einem Serienwiderstand und einer Spannungsquelle eingebaut wird.Der Widerstand spielt eine ernsthafte Rolle bei der Kontrolle des Stroms durch die Diode und sorgt für einen sicheren und effizienten Betrieb.
Der Standardaufbau eines Zener -Diodenreglers besteht aus einem Serienwiderstand, einer Zenerdiode und einer parallel zur Diode verbundenen Last.Der Serienwiderstand begrenzt den in die Diode fließenden Strom, während die Zenerdiode eine stabile Spannung über die Last beibehält.

Abbildung 3. Zener -Stabilisatorschaltung
In dieser Konfiguration wird die Lastspannung an der Zener -Breakdown -Spannung stabilisiert, auch wenn die Eingangsspannung oder der Lastwiderstand variiert.Jede überschüssige Spannung über die Zenerspannung hinaus wird durch die Diode verschoben, wodurch verhindert wird, dass der Ausgang über den gewünschten Wert steigt.Diese einfache, aber effektive Konfiguration macht Zener -Diodenregulatoren zu einer beliebten Wahl für die Aufrechterhaltung stabiler Spannungen in Schaltungen, die empfindliche Komponenten enthalten.
Der Serienwiderstand muss sorgfältig berechnet werden, um den Strom zu steuern, der durch die Zenerdiode fließt.Wenn der Strom die maximale Bewertung der Diode überschreitet, könnte die Diode überhitzen und beschädigt werden.Der Widerstand sorgt dafür, dass der Strom innerhalb der sicheren Betriebsgrenzen der Diode bleibt, selbst wenn die Eingangsspannung steigt.Die Zenerdiode absorbiert überschüssige Spannung und hält eine konsistente Ausgangsspannung für die Last.Zusammen bilden der Widerstand und die Zener-Dioden ein selbstregulierendes System, das sich an Schwankungen der Eingangsspannung und des Strombedarfs anpasst und die ordnungsgemäße Funktion von spannungsempfindlichen Geräten sicherstellt.
Die Zenerdiode löst auch überschüssige Energie auf, die durch Spannungsspitzen oder -stapfen erzeugt werden.Auf diese Weise schützt es die Schaltung vor plötzlichen Spannungsschwankungen und hält ihre Betriebstemperatur innerhalb sicherer Grenzen.Diese Energieabteilung stellt sicher, dass die Schaltung stabil bleibt und ihre Komponenten vor potenziellen Schäden geschützt werden.
Angenommen, eine stabile 5,0 -V -Ausgabe wird von einer 12 -V -Gleichstromquelle benötigt.Für dieses Design wird eine Zenerdiode mit 5 V und 2W ausgewählt.
• Schritt 1: Maximale Strom bestimmen
Der maximale Strom, den die Zener -Diode nicht überschreiten kann, ohne ihre Leistungsbewertung zu überschreiten, wird unter Verwendung von:

• Schritt 2: Berechnen Sie den Serienwiderstandswert
Der Widerstand muss die überschüssige Spannung (Eingangsspannung minus Zenerspannung) fallen, während der Strom auf 0,4a begrenzt wird.Der erforderliche Widerstandswert ist:

• Schritt 3: Laststrom bestimmen
Wenn der Lastwiderstand 1 kΩ beträgt, wird der Laststrom berechnet wie:

• Schritt 4: Überprüfen Sie den Zenerstrom unter Volllast
Der Gesamtstrom, der durch die Schaltung fließt, darf die sichere Grenze der Zenerdiode nicht überschreiten.Der Zenerstrom wird gegeben durch:

Zenerdioden sind hoch vielseitige Komponenten, die häufig mit Standarddioden in einer Serienkonfiguration kombiniert werden, um kundenspezifische Referenzspannungen zu erstellen.Diese maßgeschneiderten Spannungen sind in einer Vielzahl von elektronischen Anwendungen grundlegend, von einfachen Spannungsklemmen bis hin zu fortgeschrittenen mehrstufigen Spannungsregulatoren.Durch sorgfältige Auswahl von Dioden mit spezifischen Breakdown -Spannungen und kombinieren Sie sie mit Standard -Siliziumdioden, die typischerweise einen Vorwärtsspannungsabfall von 0,6–0,7 V haben, können Sie genaue Ausgangsspannungen erreichen, die den bestimmten Schaltungsanforderungen entsprechen.

Abbildung 4. Zenerdioden, die in Reihe angeschlossen sind
Wenn Zenerdioden in Reihe mit Standarddioden angeschlossen sind, ist die Gesamtausgangsspannung die Summe ihrer Spannungsabfälle.Diese Konfiguration bietet Ihnen die Flexibilität, Spannungsstufen der Feinabstimmung zu erhalten.Wenn eine Zenerdiode mit einer Breakdown -Spannung von 5 V mit einer Standard -Siliziumdiode mit einem Vorwärtsspannungsabfall von 0,7 V gepaart ist, beträgt die resultierende Gesamtspannung ungefähr 5,7 V.Durch das Hinzufügen weiterer Dioden in die Serie ermöglicht eine weitere Anpassung der Referenzspannung und ermöglicht eine präzise Anpassung für die gewünschte Anwendung.Diese Fähigkeit, mehrere Dioden mit unterschiedlichen Spannungseigenschaften zu kombinieren, gibt Ihnen die Kontrolle über die Spannungsregulation auf eine Weise, die eine einzelne Diode allein nicht erreichen kann.
BZX55 Zenerdiode (Nennleistung 500 MW)
|
Stromspannung |
2,4 V |
2,7 V |
3.0V |
3.3 V |
3.6 V |
3,9 V |
4.3 V |
4,7 V |
|
5.1v |
5.6 V |
6.2v |
6,8 V |
7,5 V |
8.2v |
9.1V |
10V |
|
|
11V |
12V |
13v |
15 V |
16V |
18V |
20V |
22V |
|
|
24 V |
27V |
30V |
33V |
36 V |
39V |
43 V |
47V |
BZX85 Zenerdiode (Nennleistung 1,3 W)
|
Stromspannung |
3.3 V |
3.6 V |
3,9 V |
4.3 V |
4,7 V |
5.1v |
5.6 V |
6.2v |
|
6,8 V |
7,5 V |
8.2v |
9.1V |
10V |
11V |
12V |
13V |
|
|
15 V |
16V |
18V |
20V |
22V |
24 V |
27V |
30V |
|
|
33V |
36 V |
39V |
43 V |
47V |
51V |
56 V |
62V |
Zenerdioden sind vielseitige Komponenten, die sowohl in DC- als auch in AC -Anwendungen verwendet werden.In AC -Schaltungen sind sie meist wirksam zur Gestaltung von Wellenformen und zur Begrenzung von Spannungsspitzen.Durch die Integration von Zenerdioden in Klemmkreise können Sie verhindern, dass Spannungen bestimmte Schwellenwerte überschreiten, empfindliche Komponenten schützen und konsistente Signalamplituden aufrechterhalten.
Eine Zener -Klemmschaltung ist so ausgelegt, dass sie die Spitzenspannung einer Wechselstromwellenform auf einen vordefinierten Niveau "klemmt" oder begrenzt.Die Schaltung erreicht dies mit einer parallel zur Last verbundenen Zenerdiode.Wenn die Spannung über die Diode ihre Bannungsspannung (Zenerspannung) überschreitet, beginnt die Diode zu leiten und begrenzt die Spannung bei der Last auf die Zenerspannung.Wenn die Eingangsspannung unter der Zenerspannung liegt, bleibt die Diode nicht leitend, sodass die Wellenform ungeladet passieren kann.Dieses Setup stellt sicher, dass die Wellenform ihre Form bei niedrigeren Amplituden beibehält, während die Schaltung vor Spannungsspitzen oder Überspannungsbedingungen bei höheren Amplituden schützt.
Zener -Klemmschaltungen werden üblicherweise in Systemen verwendet, in denen die Aufrechterhaltung der Wellenformintegrität und des Schutzes von Komponenten vor Spannungsspitzen schwerwiegend sind.Einige gängige Anwendungen umfassen sicherzustellen, dass die Signalamplituden für eine genaue Datenübertragung oder -verarbeitung in einem gewünschten Bereich bleiben.Schutz sensibler Kommunikationskomponenten vor Überspannungsbedingungen und bei der Konservierung der Signaltreue.Schutzkomponenten in Netzteilen oder elektronischen Schaltungen vor Spannungsspitzen, die durch vorübergehende Ereignisse verursacht werden.

Abbildung 5. Zenerdiodenklemmeschaltung
Das Entwerfen eines effektiven Zener -Klemmkreises erfordert sorgfältige Aufmerksamkeit auf die folgenden Faktoren.Die Zenerspannung bestimmt die maximal zulässige Spitzenspannung.Wenn beispielsweise eine Schaltung 10 V nicht überschreiten darf, wird eine Zenerdiode mit einer Breakdown -Spannung von 10 V ausgewählt.Die Zener -Diode muss in der Lage sein, die Strom- und Stromversorgung während des Klemmens zu bewältigen.Die Leistung der Diode muss diesen Wert überschreiten, um Schäden zu vermeiden.
Die Zenerdiode sollte parallel mit der Last angeschlossen werden.Auf diese Weise kann es als Bypass wirken, wenn die Spannung den Zenerspiegel überschreitet, wodurch die überschüssige Spannung effektiv klemmt und die Last schützt.Wenn der Schaltkreis häufige oder hohe Größenspannungsspitzen erfährt, muss die Energieverhandlung der Diode ausreichen, um einen Ausfall zu verhindern.Ein Serienwiderstand kann hinzugefügt werden, um den Spitzenstrom während der Klemme zu begrenzen.
Zenerdioden sind aktive Komponenten in elektronischen Schaltungen und bieten sowohl Spannungsstabilisierung als auch Schutz.Ihre Fähigkeit, Spannungen zu regulieren und zu klemmen, macht sie in einer Vielzahl von Anwendungen erforderlich, von der Unterhaltungselektronik bis hin zu Industriesystemen.

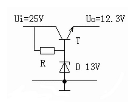
Abbildung 6. Serienreglerschaltung
Die Spannung an der Basis des Transistors T wird durch die Zenerdiode D bei 13 V stabilisiert. Diese Komponente dient als Referenz und stellt sicher, dass die Basisspannung auch dann stabil bleibt, wenn die externen Bedingungen schwanken.Mit der festen Basisspannung gibt der Emitter einen stabilen 12,3 V aus.Dieser Wert wird durch den inhärenten Basis -Emitter -Spannungsabfall bestimmt, typischerweise 0,7 V, von der Basisspannung (13 V - 0,7 V = 12,3 V) abtrahiert. Die Schaltung ist so ausgelegt, dass die Spannung über einen bestimmten Bereich der Betriebsbedingungen effektiv reguliert wird.Es passt Änderungen in der Eingangsspannung an und kompensiert die Verschiebungen des Lastwiderstands und weist so einen konsistenten Ausgang bei.Diese Fähigkeit, eine konstante Leistung bereitzustellen, macht den Schaltkreis in vielen elektronischen Anwendungen, die eine präzise Spannungsregelung erfordern, unverzichtbar, z. B. Kommunikationsgeräte, Sensoren oder Steuerungssysteme. Der 7805 ist ein beliebter linearer Spannungsregler, der einen festen 5 V ausgibt.Es gehört zu einer größeren Reihe von Regulatoren, mit Modellen wie 7809, 7812 und 7824, die feste Ausgangsspannungen von 5 V bis 24 V anbieten.Diese Geräte sind aufgrund ihrer Einfachheit, Zuverlässigkeit und Fähigkeit, eine stabile Ausgangsspannung trotz Abweichungen der Eingangsleistung oder der angeschlossenen Last aufrechtzuerhalten.

Abbildung 7. 7805 Serie Integrierte Spannungsreglerschaltung

Abbildung 8. Überspannungsschutzkreis in Fernseher in Fernsehern
In Fernsehsendungen werden Zenerdioden zum Überspannungsschutz benötigt.Sie verhindern, dass Spannungsspitzen schwerwiegende Komponenten wie Mikroprozessoren beschädigen oder Module anzeigen, um die langfristige Zuverlässigkeit des Geräts zu gewährleisten.
Die Zenerdiode ist positioniert, um die Überspannung zu klemmen, wenn sie über den sicheren Niveau steigt.Wenn eine Spannungsspitze auftritt, wird die Diode läuft, wodurch die überschüssige Spannung absorbiert und als Wärme gelöst wird.Dies verhindert, dass die Hochspannung empfindliche Komponenten in der Stromversorgung und in anderen Teilen des Fernsehgeräts erreicht und beschädigt.Durch die effektive Reaktion auf Spannungsschwellen schützen Zenerdioden komplexe und teure Komponenten und behalten die operative Integrität von Fernsehern bei.

Abbildung 9. ARC -Unterdrückung in Industrieschaltungen
In industriellen Umgebungen werden Zenerdioden verwendet, um elektrische Bögen in Schaltungen zu unterdrücken, die elektromagnetische Hochleistungskomponenten wie Relais, Schalter und Motoren umfassen.Das Lichtbogen tritt auf, wenn sich über diese Komponenten über Hochspannungsspitzen bilden, was zu Schäden und Sicherheitsrisiken führen kann.
Die Zener -Diode stabilisiert die Spannung an riskanten Punkten in der Schaltung und verhindert Hochspannungsspitzen, die sonst zu einem Lichtbogen führen würden.Durch die Klemme der Spannung schützt die Diode Komponenten, reduziert den Verschleiß und minimiert das Risiko elektrischer Gefahren.Diese Funktionalität verbessert nicht nur die Sicherheit der industriellen Geräte, sondern erweitert auch die Betriebsdauer und senkt die Wartungskosten und Ausfallzeiten.Zenerdioden sind besonders wertvoll in Umgebungen mit hohen Einsätzen, in denen Zuverlässigkeit und Sicherheit oberste Prioritäten haben.
Zenerdioden werden durch einen Bereich von Spezifikationen definiert, die ihre Eignung für verschiedene Schaltungsanwendungen bestimmen.Diese Parameter führen Sie bei der Auswahl der richtigen Zenerdiode für ihre spezifischen Anforderungen.Das Verständnis dieser Spezifikationen gewährleistet einen zuverlässigen Betrieb, eine effiziente Leistung und den Schutz des Gesamtkreises.
|
Spezifikation |
Details |
|
Breakdown -Spannung |
Die Spannung, bei der die Zenerdiode beginnt, in
Reverse -Verzerrung, typischerweise mit der gewünschten Ausgangsspannung der Schaltung übereinstimmt.
Beispiel: 12 V für eine 12 -V -Reglerschaltung. |
|
Leistungsbewertung |
Gibt die maximale Leistung an, die die Zenerdiode auflösen kann
ohne Schaden, gemessen in Watts. Beispiel: 0,5W Diode sollte nicht überschreiten 500 mw. |
|
Strombewertungen |
Maximaler Strom (iZmax): Der höchste Strom, den die Diode ohne verarbeiten kann
Schaden. Mindeststrom (iZmin): Das Minimum Strom erforderlich für eine stabile Spannungsregelung. |
|
Paketart |
Die physikalische Form der Zenerdiode, die Wärme beeinflusst
Dissipation und Leistung. Gemeinsame Typen umfassen Do-35 (niedrige Stromversorgung) und To-220 (Hochleistungsstärke). |
|
Thermischer Widerstand |
Misst die Wirksamkeit der Wärmeableitung, ausgedrückt
in ° C/w.Niedrigere Werte zeigen eine bessere Wärmeabteilung an, kritisch in
Hochleistungsanwendungen. Beispiel: 50 ° C/w mit 1W Leistung führt zu 50 ° C erheben. |
|
Dynamische Impedanz |
Der Widerstand innerhalb des Spannungsbereichs,
Auswirkung der Spannungsregulierung.Niedrigere Werte sind für eine präzise Spannung vorzuziehen
Stabilität. |
|
Umgekehrter Leckstrom |
Der kleine Strom, der fließt, wenn die Rückspannung ist
Unterhalb der Breakdown -Spannung, normalerweise im Mikroampere -Bereich.Bemerkenswert in
Ultra-Low-Power-Anwendungen. |
|
Betriebliche Überlegungen |
Faktoren wie die Auswahl einer Breakdown -Spannung leicht oben
Normale Betriebsspannung für Puffer gegen Anstände, um die Leistung zu gewährleisten
trifft die Worst-Case-Szenarien und die Verwendung von Kühlkörper in Hochleistungsanwendungen
Wärme verwalten. |
Der Schlüsselunterschied zwischen Standard -PN -Übergangsdioden und Zenerdioden liegt in ihrem Verhalten unter Umkehrspannungsbedingungen.Diese Unterscheidung ist für ihre Anwendungen riskant, hauptsächlich in der Spannungsregulierung und im Schaltungsschutz.Im Folgenden finden Sie einen detaillierten Vergleich ihrer Funktionen und Verwendungen.
|
Besonderheit |
Zenerdioden |
PN -Junction -Dioden |
|
Rückwärtsspannungsverhalten |
Zenerdioden sind so ausgelegt, dass Strom umgekehrt ist
Wenn die Spannung einen bestimmten Schwellenwert überschreitet, der als Zenerspannung bezeichnet wird.
Dieser umgekehrte Durchbruch wird kontrolliert und stabil, was sie ideal für sie macht
Spannungsregulierung. |
Standard -PN -Übergangsdioden blockieren den Strom umgekehrt
Richtung.Wenn die Umkehrspannung die Breakdown -Spannung überschreitet, kann dies sein
dauerhaft beschädigt.Sie sind nicht für die Umkehrleitung oder Spannung ausgelegt
Verordnung. |
|
Spannungsregulierung |
Zener -Dioden übertreffen bei der Regulierung der Spannung.Wenn verbunden
Bei umgekehrter Verzerrung behalten sie eine konstante Ausgangsspannung auf, die ihrem Zener entspricht
Spannung, unabhängig von der Eingangsspannung oder Laststromschwankungen.Ideal für
Netzteile, Spannungsreferenzen und stabilisierende sensitive Elektronik. |
Standard -PN -Übergangsdioden können die Spannung nicht regulieren.Sie
Erlauben Sie den Stromfluss nur bei Vorspannung und blockieren Sie ihn in umgekehrter Vorspannung.
Begrenzung ihrer Anwendungen auf Gleichberechtigung und einfache Schutzaufgaben. |
|
Schaltungsschutz |
Zenerdioden werden in Überspannungsschutzschaltungen verwendet.
Sie führen sicher über der Zenerspannung überschüssige Spannung weg von
Empfindliche Komponenten, die sie vor Spannungsstacheln oder -staus schützen. |
Standard -PN -Übergangsdioden können grundlegenden Schutz bieten
durch Verhinderung des Umkehrstromflusses oder als "Scheckventile", aber aber
Ihnen fehlt die Fähigkeit, eine umgekehrte Verzerrung durchzuführen und sie weniger zu machen
Wirksam zum Überspannungsschutz. |
Zenerdioden werden in elektronischen Schaltungen für ihre Zuverlässigkeit und Wirksamkeit bei der Spannungsregulation und des Schutzes häufig eingesetzt.Wie jede Komponente haben sie jedoch spezifische Vorteile und Einschränkungen, die ihre Eignung für verschiedene Anwendungen beeinflussen.Unten finden Sie eine detaillierte Aufschlüsselung ihrer Stärken und Nachteile.
Spannungsregulierung und Schutz
Zenerdioden sind sehr effektiv bei der Aufrechterhaltung eines stabilen Spannungsniveaus, wodurch sie in Schaltungen erforderlich sind, die eine präzise Spannungsregulierung erfordern.Sie stellen sicher, dass empfindliche Komponenten innerhalb ihres optimalen Spannungsbereichs funktionieren, Geräte vor Spannungsschwankungen schützen und Schäden verhindern.Netzteile, Spannungsreferenzschaltungen und Überspannungsschutzsysteme stützen sich auf Zenerdioden für eine konsistente Leistung.
Kompakt und kostengünstig
Zenerdioden sind klein und erschwinglich, wodurch sie für eine Vielzahl von Anwendungen geeignet sind.Ihre kompakte Größe ermöglicht es ihnen, leicht in miniaturisierte Schaltungen integriert zu werden, wie sie in der Unterhaltungselektronik enthalten sind.Ihre niedrigen Kosten machen sie zu einer wirtschaftlichen Wahl für die Produktion mit hoher Volumen sowohl in Verbrauchergeräten als auch in spezialisierten Industriesystemen.
Einfache Integration
Zenerdioden erfordern minimale zusätzliche Komponenten, die den Schaltungskonstruktion und die Baugruppe vereinfachen.Sie sind leicht in verschiedene Konfigurationen einzubeziehen, z. B. Spannungsregulatoren, Klemmkreise oder Schutzmechanismen.Ihre unkomplizierte Implementierung trägt dazu bei, die Komplexität des Systems zu verringern, Zeit und Ressourcen während des Schaltungsdesigns und der Herstellung zu sparen.
Begrenzte Stromhandhabung
Zenerdioden sind nicht für hohe Strömungen ausgelegt.Sie können überschwellen oder scheitern, wenn sie Strömungen über ihre Nennkapazität hinaus ausgesetzt sind.Dies macht sie für Hochleistungsanwendungen wie Motorantriebe oder große Stromversorgungen, bei denen höhere Strombewertungen erforderlich sind, ungeeignet.
Feste Ausgangsspannung
Die Ausgangsspannung einer Zenerdiode wird während der Herstellung bestimmt und kann nicht eingestellt werden.Unterschiedliche Anwendungen können Zenerdioden mit spezifischen Durchbruchspannungen erfordern, wodurch die Komplexität der Verwaltung mehrerer Komponenten erhöht wird.Durch die Aufrechterhaltung des Bestands von Zenerdioden mit unterschiedlichen Spannungsbewertungen kann die logistischen Kosten erhöht werden, insbesondere für Designs, die eine Vielzahl von Spannungsniveaus erfordern.
Wärmeempfindlichkeit
Zenerdioden können durch Temperaturschwankungen beeinflusst werden, die sich auf ihre Leistung auswirken können.Temperaturänderungen können die Breakdown -Spannung leicht verändern und die Genauigkeit der Spannungsregulation verringern.In Schaltkreisen, die in Hochtemperatur- oder thermisch instabilen Umgebungen betrieben werden, kann zusätzliches thermisches Management (wie Kühlkörper) erforderlich sein, um eine konsistente Leistung sicherzustellen.
Zenerdioden sind ernsthaft für die Bereitstellung von Spannungsregelung und -schutz über verschiedene elektronische Anwendungen, von der Unterhaltungselektronik bis hin zu Industriesystemen.Dieser Artikel beschreibt ihre operativen Merkmale, wie z. B. eine Breakdown -Spannung und dynamische Impedanz, und demonstriert ihre praktischen Implementierungen bei der Regulierung von Spannung, dem Schutz vor Spitzen und dem Anpassen von Schaltungen.Trotz einiger Einschränkungen der aktuellen Kapazität und der thermischen Empfindlichkeit sind Zenerdioden weiterhin grundlegend für die Gestaltung zuverlässiger und effizienter elektronischer Schaltungen, was ihren dauerhaften Wert in der Elektronik veranschaulicht.
Eine Standarddiode ermöglicht es, vorwiegend in eine Richtung (vorwärts Richtung) zu fließen und in der Rückseite zu blockiert, wobei er als Schaltungsventil wirkt.Im Gegensatz dazu ist eine Zenerdiode ausgelegt, um zuverlässig in umgekehrter Richtung zu leiten, wenn die Spannung einen bestimmten Wert überschreitet, der als Zener -Breakdown -Spannung bezeichnet wird.
Die Hauptaufgabe einer Zenerdiode in einer Schaltung ist die Spannungsregulation.Es hält trotz Änderungen des Laststroms oder der Eingangsspannung eine konstante Ausgangsspannung bei, die üblicherweise in Netzteilen verwendet werden, um stabile Spannungsniveaus sicherzustellen.
Eine Zenerdiode arbeitet, indem der Strom in die umgekehrte Richtung fließen kann, wenn die umgekehrte Spannung über die Zenerspannung gelangt oder überschreitet.Es nutzt die Eigenschaft des Zener -Zusammenbruchs aus und hält eine nahezu konstante Spannung über einen weiten Bereich von umgekehrten Strömen bei, was es ideal für die Spannungsregelung macht.
Ohne einen Widerstand würde die Zener -Diode der vollständigen Eingangsspannung ausgesetzt, die ihre Breakdown -Spannung überschreiten und zu übermäßigem Stromfluss führen kann.Diese Risiken, die die Diode aufgrund des unkontrollierten Stroms überhitzt und potenziell beschädigt wird, die ihre Lebensdauer verkürzt oder sofortiges Versagen verursacht.
Eine Zener -Diode kann hauptsächlich aufgrund einer übermäßigen Leistungsabteilung scheitern, die ihre maximale Bewertung übersteigt, was zu einer Überhitzung führt.Es kann auch scheitern, wenn es einer Spannungsspitze über die Pannenspannung hinausgeht, wenn sie falsch umgekehrt ist oder sich im Laufe der Zeit vom anhaltenden Betrieb in der Nähe seiner maximalen Grenzen abnutzt.
MOSFET P-CH 100V 12A D2PAK
FIXED IND 6.8UH 1.5A 100MOHM SMD
IC FPGA 295 I/O 484FBGA
IC MCU 32BIT 512KB FLSH 176HLQFP
IC GATE DRVR LOW-SIDE 14HTSSOP
IGBT Modules
NS TO-3
PF38F3040M0Y3DFA Numonyx
STLC2593TR STM
TPS2205IDBRG4 TI
UPD78F1840AGKA-GAK-G RENESAS
SDIN9DS2-32G SANDISK




