Deutsch
Zeit: 2025/07/8
Durchsuchen: 4,242

Abbildung 1. Schmitt Trigger
Ein Schmitt -Trigger ist eine mit Hysterese verbesserte Komparatorschaltung, mit der langsam variierende oder verrückte analoge Signale in scharfe, stabile digitale Ausgänge umgewandelt werden.Diese 1934 von Otto H. Schmitt entwickelte Schaltung verwendet positives Feedback, um zwei unterschiedliche Spannungsschwellenwerte zu definieren: eines für das Anstieg des Signals (obere Schwellenspannung, VUT) und eine für Stürze (untere Schwellenspannung, VLT).Dieser Dual-Schwellenwert-Mechanismus verhindert ein fehlerhaftes Schalten und gewährleistet genaue Übergänge in digitalen Systemen, Signalverarbeitung und Wellenformformung.
• Hysterese: Die Hysterese ist zentral für die Funktion des Schmitt -Triggers.Es schafft eine Spannungspaltung zwischen dem steigenden und fallenden Schwellenwert (VUT und VLT), wodurch die Ausgabe gegen geringfügige Schwankungen um einen Schaltpunkt immun immun ist.Das Ergebnis sind stabile und deterministische Ausgangsübergänge.
• Rauschablehnung: Da der Eingang einen genau definierten Spannungsschwellenwert überqueren muss, um eine Zustandsänderung auszulösen, sind Schmitt-Trigger inhärent gegen Rauschen resistent.Kleine Störungen oder Wellen im Eingang werden ignoriert, wodurch sie ideal für elektrisch verrauschte Umgebungen sind.
• Bistable Output: Ein Schmitt -Trigger hält einen herrlichen Zustand - entweder hoch oder niedrig -, bis die Eingangsspannung den gegenüberliegenden Schwellenwert überschreitet.Dieses Verriegelungsverhalten sorgt für eine konsistente Ausgabe, auch wenn der Eingang in der Nähe des Mittelpunkts zwischen den beiden Schwellenwerten bleibt.
Der Schaltkreis vergleicht die Eingangsspannung kontinuierlich mit zwei vordefinierten Schwellenwerten.Das Ausgangsverhalten kann wie folgt zusammengefasst werden:
|
Eingangsspannung (vIn) |
Ausgangsspannung (vaus) |
|
VIn VUt |
Hoch (1) |
|
VLTV VUt |
Keine Änderung |
|
VIn VLt |
Niedrig (0) |
Dieser Ansatz ermöglicht ein schnelles, sauberes Schalten und macht es besonders nützlich, um analoge Wellenformen zu digitalisieren und die Signaltreue zu verbessern.

Abbildung 2. Nicht invertierende Schmitt-Auslöser
In einer nicht invertierenden Konfiguration wird der Eingang auf das nicht invertierende Terminal eines Operationsverstärkers angewendet.Der Ausgang schaltet hoch, wenn der Eingang die VUT überschreitet und niedrig zurückgibt, wenn er unter VLT fällt.Die resultierende Übertragungskurve verfügt über eine definierte Hystereseschleife, die ideal zum Umwandeln von lauten Sensorsignalen in saubere digitale Impulse.

Abbildung 3.. Inverting Schmitt Trigger invertiert
In dieser Version ist die Eingabe mit dem invertierenden Terminal verbunden.Der Ausgang bleibt hoch, bis der Eingang über der VUT steigt. An diesem Punkt schaltet er sich niedrig.Wenn der Eingang unter VLT fällt, kehrt die Ausgabe hoch zurück.Dieses Setup wird in Anwendungen, die eine Signalinversion mit Rauschfilterung erfordern, häufig verwendet.

Abbildung 4. Schmitt Wellenformverhalten auslösen
Ein Schmitt löst einen allmählich änderenden analogen Eingang in einen knusprigen Quadratwellenausgang aus.Wenn der Eingang die VUT überquert, übergeht der Ausgang stark hoch.Es bleibt trotz geringfügiger Schwankungen hoch, bis der Eingang unter VLT fällt, was zu einem Schalter auf niedrig ist.Diese Wellenformung macht SCHMITT aus, die bei der Umwandlung von Sinus- oder dreieckigen Signalen in digitale Formen umwandeln können, die für Takt- und Timing -Schaltungen geeignet sind.

Abbildung 5. Schmitt-Auslöser auf OP-Amamp-Basis
• Inverting -Konfiguration: Eingabe in das invertierende Terminal.Rückkopplungswiderstände R1 und R2 bestimmen die Schwellenwerte.
Schwellenholzformel:
• Nicht invertierende Konfiguration: Eingabe am nicht invertierenden Terminal.Eine positive Rückkopplungsschleife erzeugt Hysterese.
Übertragungsfunktionsformel:

Abbildung 6. Transistorbasierte Schmitt Triggers
Diese verwenden ein Paar BJTs und ein Widerstandsnetzwerk, um eine Hysterese zu erreichen.Kompakt und effizient sind sie in diskreten digitalen Logikschaltungen für die grundlegende Schwellenwerterkennung und Signalreinigung üblich.

Abbildung 7. Schmitt Triggeroszillator
Durch das Hinzufügen eines RC -Netzwerks kann ein Schmitt -Trigger als einfacher Oszillator fungieren, der quadratische Wellen produziert.Die Frequenz ist gegeben durch:
Diese Konfiguration wird in Timing-Schaltungen, Tongeneratoren und Pulsbreitenmodulation verwendet.

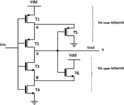
Abbildung 8. CMOS Schmitt Auslöser
CMOS-basierte Varianten, die mit MOSFETs gebaut wurden, bieten Hochgeschwindigkeitsumschaltungen, ultra-niedriger Stromverbrauch und überlegene Geräuschimmunität.Sie sind oft in Logik -Gate -ICs wie die 74HC14 oder 40106 eingebettet.

Abbildung 9. Schmitt -Trigger mit einem 555 -Timer
Ein 555-Timer-IC fungiert als Schmitt-Auslöser, indem er seine internen Komparatoren und Flip-Flop nutzt.Es definiert zwei interne Schwellenwerte bei 1/3 VCC Und 2/3 VCCErmöglichen Sie saubere Übergänge für laute Eingänge.Im astable Modus kann es quadratische Wellen erzeugen.Im monostabilen Modus kann es aus mechanischen Schalter filtern.Diese Vielseitigkeit macht es für die Wellenformung und die Erzeugung digitaler Puls geeignet.
Das genaue Entwerfen der Schwellenspannungen sorgt für zuverlässige und Rausch-Immun-Schaltungen in Schmitt-Triggerschaltungen.Die beiden Schlüsselspannungen sind:
• obere Schwelle (VUT) - die Eingangsspannung, bei der der Ausgang schaltet von niedrig bis hoch.
• niedrigerer Schwellenwert (VLT) - die Eingangsspannung, bei der der Ausgang schaltet von hoch nach niedrig.
Diese Schwellenwerte werden unter Verwendung eines Widerstandsspannungsteilers in der positiven Rückkopplungsschleife eingestellt.
Für eine invertierende Konfiguration, wobei der Eingang auf das invertierende Terminal des Operationsverstärkers angewendet wird und das Rückkopplung auf das nicht invertierende Terminal angewendet wird, können die Schwellenspannungen abgeleitet werden:
Annehmen:
• Der Widerstand R1 verbindet den Op-Ampere-Ausgang mit dem nicht invertierenden Eingang.
• Der Widerstand R2 verbindet den nicht invertierenden Eingang mit Masse.
• vAUS wechselt zwischen vOh (hoch) und vOL (niedrig).
• Die nicht invertierende Klemmenspannung bestimmt den Schwellenwert.
Unter Verwendung der Spannungs-Teilerformel beträgt die Spannung am nicht invertierenden Eingang (der als Referenzschwelle fungiert):
Wenn VREF = 0V (geerdeter R2), vereinfacht dies zu:
• Wenn die Ausgabe hoch ist:
• Wenn die Ausgabe niedrig ist:
Diese Formeln definieren die oberen und unteren Schwellenspannungen, bei denen das Eingangssignal dazu führt, dass der Ausgang die Zustände umschaltet.
Gegeben:
R1 = 10 kΩ
R2 = 30k Ω
VOut (hoch) = +15V
VAus (niedrig) = –15 V
Berechnen vUt und vLt:
Finden Sie das Widerstandsverhältnis:
Formeln anwenden:
• obere Schwelle:
VUt= 0,25 × (+15 V) =+3,75 V.
• Niedrigere Schwelle:
VLt= 0,25 × (–15 V) = - 3,75 V
• Interpretation: Der Eingang muss über +3,75 V steigen, um den Ausgang hoch zu schalten und unter –3,75 V zu fallen, um die Ausgabe niedrig zu schalten.Diese Hysteresebande von 7,5 V hilft dabei, die falsche Auslösen aufgrund von Rauschen oder langsamen Eingangsübergängen zu beseitigen.
Während sowohl Komparatoren als auch Schmitt -Trigger verwendet werden, um analoge Signale in digitale Ausgänge umzuwandeln, unterscheiden sie sich in Verhalten, Stabilität und Anwendungen signifikant.Die wichtigsten Unterschiede sind unten beschrieben:
|
Besonderheit |
Vergleicher |
Schmitt Trigger |
|
Rückmeldung |
Es wird kein Feedback angewendet. |
Beinhaltet positives Feedback zur Kontrolle
Verhalten des Schaltens. |
|
Hysterese |
Keine Hysterese;Die Schwelle ist festgelegt und
Gleiches gilt für steigende und fallende Signale. |
Beinhaltet Hysterese, dh es verwendet zwei
unterschiedliche Schwellenspannungen (vUt Und
VLt) für steigende und fallende Inputs. |
|
Schwellenwerte |
Verwendet eine einzelne Referenzspannung für
Entscheidungsfindung. |
Verwendet zwei Schwellenwerte, um hohe und zu definieren und
Niedrige Schaltpunkte. |
|
Lärmablagerung |
Schlechter Widerstand gegen Lärm;klein
Schwankungen können mehrere Ausgangsübergänge verursachen. |
Ausgezeichnete Geräuschimmunität aufgrund
Hysterese, vermeiden falsche Auslöser. |
|
Ausgangsumschaltung |
Sehr empfindlich gegenüber Eingangsschwankungen in der Nähe
Die Schwelle, die zu potenziellem Jitter führt. |
Bietet sogar sauberes und stabiles Umschalten, sogar
mit langsam wechselnden oder lauten Eingängen. |
|
Gemeinsame Anwendungen |
Ideal für einfache Aufgaben wie Zero Crosssing
Erkennung oder Niveauvergleich. |
Geeignet für die Entladung mechanischer
Schalter, Wellenformformung und Signalkonditionierung. |
• Bietet saubere digitale Übergänge von verrückten analogen Eingängen.
• Excellent for switch debouncing and signal filtering.
• Einfaches, kostengünstiges Design.
• Unterstützt Oszillator- und Wellenformgenerierungsanwendungen.
• Nicht ideal für die analoge Präzisionsmessung.
• Die Schwellenwertdesign erfordert eine sorgfältige Auswahl der Widerstände.
• Die Hysterese führt die Nichtlinearität ein und begrenzt bestimmte Anwendungsfälle.
SCHMITT-Trigger werden üblicherweise sowohl in analogen als auch in digitalen Systemen verwendet, da sie saubere Übergänge für Rausch-Immun-Signalübergänge bereitstellen können.Im Folgenden finden Sie einige ihrer Hauptanwendungen:
Oszillatorschaltungen: Schmitt -Trigger werden häufig in Relaxationsoszillatorschaltungen verwendet, um quadratische Wellen zu erzeugen.Diese Oszillatoren dienen als Timing-Quellen für Mikrocontroller, Uhren oder Puls-Breitenmodulationssignale (PWM).Durch das Laden und Ableiten eines Kondensators zwischen den definierten Schwellenspannungen erzeugen sie konsistente und stabile Wellenformen, die ideal für digitale Timing -Anwendungen sind.
Wellenformformung: Analoge Signale wie Sinuswellen, Sägenwellen oder andere langsam variierende Eingänge können unter Verwendung eines Schmitt -Triggers in scharfe digitale Signale geformt werden.Diese Konvertierung ist für die Analog-Digital-Schnittstelle von wesentlicher Bedeutung, bei der für die weitere digitale Verarbeitung Signale auf sauberer Logikebene erforderlich sind.
Switch -Debouncing: Mechanische Schalter erzeugen beim Drücken oder Freigeben häufig schnelle, unbeabsichtigte Übergänge (Spulen).Ein Schmitt -Trigger hilft, diese Signale zu beenden, indem kleine Schwankungen abgelehnt werden und sichergestellt werden, dass nur ein sauberer Übergang pro Betätigung registriert ist.Dies ist besonders wichtig bei Benutzeroberflächen wie Tastaturen oder Steuerungsträgern.
Rauschfilterung in digitalen Eingängen: In Umgebungen mit hohem elektrischem Rauschen wie industrielle Steuerungssysteme oder langen Übertragungsleitungen können die digitalen Eingänge instabil werden.Schmitt löst die Signalzuverlässigkeit durch, indem er Rauschen herausfiltert und sicherstellt, dass nur absichtliche Signaländerungen zu einem Zustandsübergang führen.Dies macht sie in eingebetteten Systemen und Kommunikationsschaltungen von unschätzbarem Wert.
SCHMITT -Trigger sind üblicherweise in digitale Familien integrierte Schaltkreise (ICs) und Logic Gate -Familien eingebettet, um die Signalintegrität und die Rauschimmunität zu verbessern.Viele Standard-Logik-Tore wie Wechselrichter, NANDS und NORS sind mit integrierten Schmitt-Trigger-Funktionalität erhältlich.Diese spezialisierten Tore enthalten Hysterese auf ihren Eingängen, die es ihnen ermöglichen, Rauschen abzulehnen und langsame oder verrückte analoge Signale in scharfe digitale Übergänge umzuwandeln.
For example, ICs like the 74HC14 or 74LS14 are hex inverters with Schmitt Trigger inputs, designed to handle signals with slow rise or fall times.Durch die Integration der Hysterese verhindern diese Gates unregelmäßige Schalte, die durch Spannungsschwankungen in der Nähe des logischen Schwellenwerts verursacht werden.Dies macht sie besonders nützlich bei Anwendungen wie dem Entfouncing mechanischer Schalter, der Wellenformformung oder der Schnittstelle mit analogen Sensoren.
In CMOS- und TTL -Logikfamilien werden häufig Schmitt -Trigger im Eingangsstadium verwendet, um selbst in elektrisch verrauschten Umgebungen einen zuverlässigen Betrieb zu gewährleisten.Ihre Aufnahme verringert die Anfälligkeit für falsches Auslösen und verbessert die Zeitstabilität, insbesondere in Systemen, in denen Eingangssignale allmählich variieren oder durch elektromagnetische Interferenzen (EMI) beeinflusst werden.
Schmitt Trigger sind leistungsstarke Werkzeuge zur Verbesserung der Signalintegrität sowohl in analogen als auch in digitalen Systemen.Ihr Hysterese-basierter Betrieb sorgt für stabile Übergänge, eine hervorragende Rauschimmunität und eine verbesserte Leistung in den Bereichen Timing-, Erfassungs- und Kontrollschaltungen.Unabhängig davon, ob sie mit Op-Amps, Transistoren oder Logik-ICs implementiert sind, bieten Schmitt Trigger zuverlässige Lösungen für Ingenieure, die die Herausforderungen der realen Signalkonditionierung in Angriff nehmen.Wenn Sie ihre Prinzipien und Designnuancen verstehen, können Sie sie sicher auf eine Vielzahl elektronischer Anwendungen anwenden.
Die Hysterese bezieht sich auf den Spannungsspalt zwischen den oberen und unteren Schaltpunkten, während Schwellenwerte (VUT und VLT) die genauen Spannungen sind, bei denen sich der Ausgang ändert.Die Hysterese liefert Rauschimmunität;Schwellenwerte definieren das Schaltverhalten.
Ja.SCHMITT-Trigger werden häufig mit analogen Sensoren verwendet, um verrückte oder sich langsam ändernde Signale in saubere digitale Ausgaben umzuwandeln, wodurch die Zuverlässigkeit bei mikrocontrollerbasierten Systemen verbessert wird.
Hysteresespannung ist der Unterschied zwischen den oberen und unteren Schwellenwerten: VH = VUt - vLt.
Sie können V ableitenUt und vLt Verwenden von Widerstandswerten im Feedback-Netzwerk von OP-Am-Am-Basis-Schaltkreisen.
Ja.Schmitt Trigger bieten aufgrund ihrer Hysterese eine schnellere und stabilere Schaltung bei lauten oder langsamen Signalbedingungen.Dies reduziert falsche Übergänge und gewährleistet eine bessere Leistung in Echtzeitanwendungen.
Ein Hardware-basierter Schmitt-Auslöser beseitigt Entladung Verzögerungen, reduziert die CPU-Last und sorgt für sofortige, zuverlässige Signalkonditionierung-insbesondere in Hochgeschwindigkeits- oder Rauschempfindlichkeitsumgebungen.
CAP CER 2200PF 100V C0G/NP0 1210
MOSFET N-CH 150V 6.5A/23A TO252
IC MCU 16BIT 32KB FLASH 52LQFP
IGBT Modules
HD6432646B26FCJ RENESAS
MT47H64M16HR-3AIT:H MICRON
MICRON QFP-80
LEVEL PLCC
GENESIS QFP
TOSHIBA TQFP264
SERVO DRIVER 2.5A 200V LOAD
ATAR8920 ATMEL
IC 72MB VIDEO FRAME BUFFER





