Deutsch
Zeit: 2025/11/11
Durchsuchen: 772
Das drahtlose HF-Modul NRF24L01
![]()
NRF24L01
Nordic Semiconductor ASA
IC RF TXRX ISM>1GHZ 20VFQFN
In Stock: 16502 pcs
ist eines der am häufigsten verwendeten Transceiver-Module in eingebetteten Systemen und IoT-Anwendungen.In diesem Artikel werden die Übersicht, die Anschlussschaltung, Spezifikationen, Funktionen, Anwendungen, Vorteile und mehr des nRF24L01-Moduls erläutert.

Die nRF24L01 ist ein leistungsstarkes drahtloses Transceiver-Modul, das sowohl Daten senden als auch empfangen kann.Der Einsatz im 2,4-GHz-ISM-Band ist in den meisten Ländern legal und eignet sich daher für verschiedene Ingenieur- und Kommunikationsprojekte.Bei effizientem Betrieb kann eine Reichweite von bis zu 100 Metern (200 Fuß) erreicht werden, was es ideal für ferngesteuerte Systeme und drahtlose Datenübertragungsanwendungen macht.
Dieses Modul arbeitet mit 3,3 V und gewährleistet so die Kompatibilität mit 3,2 V- oder 5 V-Systemen.Es unterstützt bis zu 125 eindeutige Adressen und ermöglicht die gleichzeitige Kommunikation mit sechs anderen Modulen, wodurch die Bildung von Mesh- oder Sternnetzwerkkonfigurationen ermöglicht wird.Sein kompaktes Design, sein geringer Stromverbrauch und seine zuverlässige Leistung machen es zur bevorzugten Wahl für IoT-Projekte, Heimautomation und Robotik.
Wenn Sie am Kauf des drahtlosen HF-Moduls NRF24L01
![]()
NRF24L01
Nordic Semiconductor ASA
IC RF TXRX ISM>1GHZ 20VFQFN
In Stock: 16502 pcs
interessiert sind, kontaktieren Sie uns bitte bezüglich Preis und Verfügbarkeit.

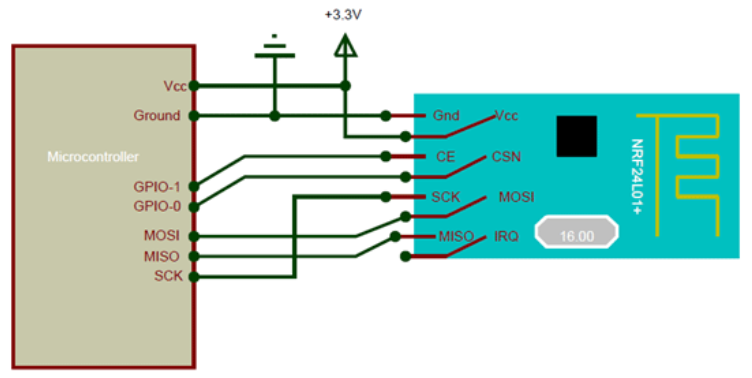
Dieser Schaltplan zeigt den Anschluss des drahtlosen Transceivermoduls NRF24L01
![]()
NRF24L01
Nordic Semiconductor ASA
IC RF TXRX ISM>1GHZ 20VFQFN
In Stock: 16502 pcs
an einen Mikrocontroller.Das mit U4 gekennzeichnete Modul verfügt über acht Pins: GND, VCC, CE, CSN, SCK, MOSI, MISO und IRQ.Der GND-Pin ist mit Masse verbunden, während der VCC-Pin über eine durch die Dioden D1, D2 und D3 (1N4007) geschützte Leitung versorgt wird, die dazu beiträgt, eine Beschädigung des Moduls durch Verpolung und Spannungsspitzen zu verhindern.
Die Pins CE (Chip Enable) und CSN (Chip Select Not) sind mit den digitalen I/O-Pins des Mikrocontrollers verbunden und steuern die Datenübertragung und die SPI-Kommunikation.Die SCK-, MOSI- und MISO-Pins bilden die SPI-Kommunikationsschnittstelle und ermöglichen den Datenaustausch zwischen dem Mikrocontroller und dem Modul.Der IRQ-Pin ist eine Interrupt-Leitung, die dem Controller signalisiert, wenn die Datenübertragung oder der Datenempfang abgeschlossen ist.
Dieser Aufbau gewährleistet eine sichere Stromversorgung und eine effiziente SPI-Kommunikation zwischen dem Mikrocontroller und dem nRF24L01-Modul.
|
Parameter |
Spezifikation |
|
Modultyp |
2,4 GHz kabellos
Transceiver-Modul |
|
Betrieb
Häufigkeit |
2,4 GHz ISM-Band |
|
Betrieb
Spannung |
1,9 V – 3,6 V
(typischerweise 3,3 V) |
|
Kommunikation
Schnittstelle |
SPI (Serial
Peripherieschnittstelle) |
|
Datenrate |
250 kbit/s, 1
Mbit/s oder 2 Mbit/s wählbar |
|
Ausgangsleistung |
0 dBm (typisch) |
|
Empfindlichkeit |
-85 dBm bei 2
Mbit/s |
|
Reichweite |
Bis zu 100 Meter
(offener Bereich) |
|
Aktuell
Verbrauch |
11,3 mA (TX-Modus).
bei 0 dBm), 13,5 mA (RX-Modus) |
|
Standby-Strom |
22 µA |
|
Ausschalten
Aktuell |
900 nA |
|
Anzahl
Kanäle |
125 Kanäle
(für Frequenzsprung) |
|
Maximale Nutzlast
Größe |
32 Bytes pro
Paket |
|
Modulationstyp |
GFSK (Gaussian
Frequenzumtastung) |
|
Antennentyp |
PCB Trace oder
Externe Antenne (je nach Version) |
|
Betrieb
Temperatur |
-40°C bis +85°C |
|
Abmessungen |
Ca.15 mm ×
29mm |
GHz-HF-Transceivermodul (kann Daten senden und empfangen)
Betriebsspannung: 1,9 V – 3,6 V (typischerweise 3,3 V)
Nennstrom: 50mA
Betriebsstrom: 250 mA (maximal während der Übertragung)
Strom im Abschaltmodus: < 900nA (ultra-low power)
Standby-Strom: 22 µA (typisch)
Kommunikationsprotokoll: SPI (Serial Peripheral Interface)
Baudrate: 250 kbit/s, 1 Mbit/s oder 2 Mbit/s (wählbar)
Kanalbereich: 125 Kanäle (für Frequenzsprung)
Betriebsfrequenz: 2,4 GHz ISM-Band (weltweit lizenzfrei)
Reichweite: 50 – 200 Fuß (bis zu 100 Meter im freien Gelände)
Datenpaketgröße: Bis zu 32 Byte pro Paket
Maximale Datenleitungen/Knoten: 6 gleichzeitige Kommunikationskanäle
Modulationstechnik: GFSK (Gaussian Frequency Shift Keying)
Antennentyp: PCB-Leiterbahn oder externe Antenne (je nach Version)
Verbesserte ShockBurst™-Technologie für effiziente Datenverarbeitung
Automatische Paketbearbeitung: Automatische Bestätigung und erneute Übertragung
Integrierter CRC für Datenintegrität und Fehlererkennung
Kostengünstige und kompakte drahtlose Kommunikationslösung
Betriebstemperatur: -40 °C bis +85 °C

Der NRF24L01
![]()
NRF24L01
Nordic Semiconductor ASA
IC RF TXRX ISM>1GHZ 20VFQFN
In Stock: 16502 pcs
ist ein drahtloser 2,4-GHz-Transceiver, der über das SPI-Protokoll (Serial Peripheral Interface) mit Mikrocontrollern kommuniziert.Es unterstützt sowohl 3,3-V- als auch 5-V-Mikrocontroller, das Modul selbst muss jedoch immer von einer sauberen und stabilen 3,3-V-Versorgung gespeist werden.Ein direkter Anschluss an 5 V kann das Modul dauerhaft beschädigen.
In der unten gezeigten Schaltung sind die MOSI-, MISO- und SCK-Pins des nRF24L01 mit den entsprechenden SPI-Pins des Mikrocontrollers verbunden.Die CE- und CSN-Pins sind mit Allzweck-I/O-Pins verbunden, während der IRQ-Pin optional ist und bei Bedarf unverbunden bleiben kann.
Um eine stabile Leistung zu gewährleisten, platzieren Sie einen 10 µF- und 0,1 µF-Kondensator parallel zwischen VCC und GND in der Nähe des Moduls.Dies trägt dazu bei, Spannungsrauschen und Leistungsschwankungen zu reduzieren.Wenn Sie den nRF24L01 mit einem Arduino verwenden, installieren Sie die RF24-Bibliothek, die den Kommunikationsaufbau vereinfacht und eine drahtlose Datenübertragung mit nur wenigen Codezeilen ermöglicht.
Bei richtiger Verkabelung, Leistungsstabilität und Bibliothekskonfiguration bietet der nRF24L01 eine zuverlässige, kostengünstige Lösung für die drahtlose Kommunikation über kurze Distanzen in IoT- und eingebetteten Anwendungen.
Drahtlose Sensornetzwerke (WSN): Werden verwendet, um mehrere Sensoren zur Datenerfassung und -übertragung ohne Kabel zu verbinden.
Heimautomatisierungssysteme: Ermöglicht die drahtlose Steuerung von Lichtern, Ventilatoren und Geräten mithilfe von Mikrocontrollern wie Arduino oder ESP32

ESP32
ESP
In Stock: 500 pcs
.
Fernsteuerungssysteme: Wird häufig in ferngesteuerten Autos, Drohnen und Robotern für die drahtlose Kommunikation über große Entfernungen verwendet.
IoT-Projekte (Internet der Dinge): Erleichtert die Kommunikation von Gerät zu Gerät in Smart-Home- und industriellen IoT-Setups.
Drahtlose Datenprotokollierung: Überträgt Sensordaten zur Überwachung und Analyse an einen zentralen Empfänger oder Computer.
Wetterstationen: Sendet Temperatur-, Luftfeuchtigkeits- und Druckdaten drahtlos an eine Basiseinheit oder ein Display.
Drahtlose Gamecontroller: Bietet Kommunikation mit geringer Latenz zwischen einem Controller und einem Spielesystem.
Sicherheits- und Alarmsysteme: Überträgt Warnungen oder Sensorsignale (z. B. Bewegungserkennung) an eine zentrale Überwachungseinheit.
Intelligente Landwirtschaft: Verbindet mehrere Feldsensoren zur drahtlosen Boden-, Temperatur- und Feuchtigkeitsüberwachung.
Industrielle Automatisierung: Wird in drahtlosen Maschine-zu-Maschine-Kommunikations- und Fernüberwachungssystemen (M2M) verwendet.
|
Funktion
/ Modul |
NRF24L01
|
Bluetooth
(HC-05/HC-06) |
WLAN
(ESP8266
![]() ![]() |
LoRa
(SX1278
![]() |
Zigbee
(XBee) |
|
Kommunikation
Typ |
SPI (2,4 GHz HF) |
Seriell (2,4 GHz) |
TCP/IP (2,4 GHz) |
Sub-GHz-HF
(433/868/915 MHz) |
Mesh (2,4 GHz) |
|
Typischer Bereich |
100 m (bis 1
km mit PA+LNA) |
10–30 m |
100–150 m |
2–10 km |
100–300 m |
|
Datenrate |
Bis zu 2 Mbit/s |
Bis zu 1 Mbit/s |
Bis zu 10 Mbit/s |
Bis zu 50 Kbit/s |
Bis zu 250 Kbit/s |
|
Macht
Verbrauch |
Sehr niedrig |
Niedrig |
Hoch |
Sehr niedrig |
Niedrig |
|
Betrieb
Spannung |
1,9 V – 3,6 V |
3,3V – 5V |
3,0 V – 3,6 V |
1,8 V – 3,7 V |
3,3 V |
|
Netzwerktopologie |
Punkt-zu-Punkt /
Stern |
Punkt-zu-Punkt |
Infrastruktur
(Routerbasiert) |
Stern / Netz |
Netz |
|
Einfache Einrichtung |
Mäßig
(erfordert SPI-Codierung) |
Einfach (AT
Befehle) |
Mäßig |
Mäßig |
Einfach |
|
Internet
Konnektivität |
Nein |
Begrenzt |
Ja |
Nein |
Begrenzt |
|
Kosten |
Sehr niedrig |
Niedrig |
Mäßig |
Hoch |
Hoch |
|
Am besten für |
Kabellos
Sensoren, Automatisierung, Robotik |
Smartphone
Kommunikation |
IoT-Geräte mit
WLAN |
Langstrecken-IoT
Netzwerke |
Industriegeflecht
Netzwerke |

Geringer Stromverbrauch – Der NRF24L01
![]()
NRF24L01
Nordic Semiconductor ASA
IC RF TXRX ISM>1GHZ 20VFQFN
In Stock: 16502 pcs
ist für den Betrieb mit extrem geringem Stromverbrauch optimiert und eignet sich daher ideal für batteriebetriebene Geräte und langfristige drahtlose Sensornetzwerke.
Hohe Datenrate – Es unterstützt Datenübertragungsraten von bis zu 2 Mbit/s und gewährleistet so eine schnelle und zuverlässige Kommunikation für zeitkritische Anwendungen.
Große Kommunikationsreichweite – Standardmodule können bis zu 100 Meter erreichen, während erweiterte PA+LNA-Versionen die Reichweite in offenen Umgebungen auf 1 Kilometer erweitern.
Stabile und zuverlässige Verbindung – Es arbeitet im 2,4-GHz-ISM-Band und verfügt über automatische Bestätigung, erneute Übertragung und Fehlererkennung für eine stabile Datenübertragung auch in lauten Umgebungen.
Kompakt und kostengünstig – Durch die geringe Größe und die geringen Kosten des Moduls eignet es sich für kompakte Designs und Großprojekte, ohne die Gesamtkosten wesentlich zu erhöhen.
Einfache Mikrocontroller-Integration – Es nutzt die SPI-Schnittstelle, die von den meisten Mikrocontrollern wie Arduino, ESP32

ESP32
ESP
In Stock: 500 pcs
, STM32 und Raspberry Pi unterstützt wird, und ermöglicht eine schnelle Einrichtung und Kommunikation.
Mehrkanalkommunikation – Das Modul unterstützt 125 Kanäle und ermöglicht so den gleichzeitigen Betrieb mehrerer Geräte ohne Interferenzen, ideal für Netzwerke mit mehreren Knoten.
Bidirektionale Kommunikation – Der nRF24L01 kann Daten senden und empfangen und ermöglicht so eine bidirektionale Kommunikation zwischen Geräten in Echtzeit.
Starke Community-Unterstützung – Es stehen zahlreiche Open-Source-Bibliotheken (wie die RF24-Bibliothek) und Tutorials zur Verfügung, was die Lösung für Anfänger geeignet und die Fehlerbehebung einfach macht.
Spannungsempfindlichkeit – Das Modul arbeitet ausschließlich mit 3,3 V.Die Versorgung mit 5 V kann zu dauerhaften Schäden führen.Beim Einsatz von 5V-Mikrocontrollern werden Logikpegelwandler benötigt.
Begrenzte Reichweite in behinderten Bereichen – Obwohl es in offenen Räumen gut funktioniert, können Wände und Störungen durch andere 2,4-GHz-Geräte die effektive Reichweite erheblich verringern.
Kein integrierter Netzwerk-Stack – Der nRF24L01 unterstützt keine Standard-Netzwerkprotokolle wie TCP/IP.Benutzer müssen mit der Kommunikationslogik in der Software umgehen.
Mäßige Kommunikationsentfernung – Im Vergleich zu LoRa oder Zigbee ist die Reichweite begrenzt, sodass es für Langstrecken- oder Industrieanwendungen weniger geeignet ist.
Geräuschempfindlichkeit der Stromversorgung – Das Modul benötigt eine saubere Stromquelle.Spannungsschwankungen oder Rauschen können zu Verbindungsabbrüchen oder Datenfehlern führen.
Erfordert Programmierkenntnisse – Anfänger benötigen grundlegende Programmier- und SPI-Kenntnisse, um das Modul effektiv zu konfigurieren und mit ihm zu kommunizieren.
Das NRF24L01
![]()
NRF24L01
Nordic Semiconductor ASA
IC RF TXRX ISM>1GHZ 20VFQFN
In Stock: 16502 pcs
-Modul wird von Nordic Semiconductor hergestellt, einem norwegischen Unternehmen, das weltweit für seine Innovationen bei drahtlosen Kommunikationslösungen mit geringem Stromverbrauch bekannt ist.Nordic Semiconductor entwickelt und produziert hochleistungsfähige integrierte Hochfrequenzschaltkreise und -systeme und ist auf Bluetooth Low Energy-, 2,4-GHz-HF- und Mobilfunk-IoT-Technologien spezialisiert.Das Unternehmen ist für die Bereitstellung zuverlässiger und energieeffizienter drahtloser Komponenten bekannt, die in der Unterhaltungselektronik, der industriellen Automatisierung und IoT-Anwendungen eingesetzt werden.
Das NRF24L01
![]()
NRF24L01
Nordic Semiconductor ASA
IC RF TXRX ISM>1GHZ 20VFQFN
In Stock: 16502 pcs
-Modul ist eine kostengünstige Wahl für die drahtlose Kommunikation über kurze Entfernungen.Aufgrund seines ausgewogenen Verhältnisses von Leistung, Energieeffizienz und kompaktem Design eignet es sich für eine Vielzahl von Embedded- und IoT-Anwendungen.Der von Nordic Semiconductor hergestellte nRF24L01 setzt weiterhin Maßstäbe in der drahtlosen Kommunikationstechnologie mit geringem Stromverbrauch.
Das Standardmodul nRF24L01 hat eine Reichweite von bis zu 100 Metern im offenen Raum, während die erweiterte PA+LNA-Version je nach Antennenqualität und Umgebungsbedingungen bis zu 1 Kilometer erreichen kann.
Ja, das geht, aber nur durch eine ordnungsgemäße Verkabelung.Der nRF24L01 arbeitet mit 3,3 V. Wenn Sie also einen 5-V-Mikrocontroller wie Arduino Uno verwenden, müssen Sie das Modul mit 3,3 V versorgen und Logikpegelwandler an SPI-Pins verwenden, um Schäden zu vermeiden.
Instabile Stromversorgung ist die häufigste Ursache.Fügen Sie 10 µF- und 0,1 µF-Kondensatoren in der Nähe der VCC- und GND-Pins des Moduls hinzu, stellen Sie eine saubere 3,3-V-Versorgung sicher und verwenden Sie kürzere Überbrückungsdrähte, um Störungen zu reduzieren.
Verwenden Sie die PA+LNA-Version mit einer externen Antenne, reduzieren Sie die Datenrate auf 250 kbit/s und stellen Sie eine Sichtverbindung zwischen den Modulen sicher.Vermeiden Sie Metallgehäuse und WLAN-Störungen, um eine bessere Leistung zu erzielen.
Der nRF24L01+ ist eine aktualisierte Version, die niedrigere Datenraten (250 kbps) für eine größere Reichweite unterstützt und eine verbesserte Paketverarbeitung und erweiterte ShockBurst™-Funktionen für eine zuverlässigere Datenübertragung umfasst.
Ja.Jedes Modul kann mit bis zu sechs anderen Modulen gleichzeitig über unterschiedliche Datenleitungen und eindeutige Adressen kommunizieren, was Konfigurationen mit mehreren Knoten oder Mesh-Netzwerken ermöglicht.
Absolut.Der nRF24L01 nutzt die SPI-Schnittstelle, die vollständig von Raspberry Pi, ESP32, STM32 und Arduino-Boards unterstützt wird, was die Integration mit verfügbaren RF24-Bibliotheken vereinfacht.
CAP CER 0.1UF 25V X7R 0402
CAP CER 2.2UF 16V X5R 0402
CAP CER 820PF 50V C0G/NP0 0603
CAP CER 10UF 16V X5R 1210
CAP CER 1000PF 50V X7R 0805
IC ADC 12BIT 196BGA
IC OPAMP GP 4 CIRCUIT 14SOIC
TB6572AFG TOSHIBA
IDT71016S17Y IDT
DC DC CONVERTER 12V
DC DC CONVERTER 5V 100W
RICOH TQFP128
BROADCOM BGA


