Deutsch
Zeit: 2025/05/24
Durchsuchen: 1,885

A Spannungsgesteuerte Spannungsquelle (VCVs) ist eine Art abhängiger Quelle, die in elektronischen Schaltungen verwendet wird.Im Gegensatz zu unabhängigen Quellen (die feste Spannung oder Strom liefern) erzeugt ein VCVs eine Ausgangsspannung, die durch eine andere Spannung an einem anderen Ort in derselben Schaltung bestimmt wird.
In einfachen Worten wirkt ein VCVs wie ein Spannungsspiegel, den er reflektiert und die Eingangsspannung automatisch skaliert.Sie können sich auf VCVS -Elemente verlassen, um Signale zu formen, Spannungen zu verstärken oder das gewünschte Systemverhalten aufrechtzuerhalten, ohne externe Anpassungen zu erfordern.
Operativ folgt die VCVs folgenden Schritten:
Eingabeauswahl - Ein Punkt in der Schaltung liefert die Steuerspannungs -Vin.
Einstellung gewinnen - Der VCVs wendet einen Verstärkungsfaktor A an, der normalerweise mit Widerstandsnetzen oder internen Konfigurationen festgelegt wird.
Ausgangsgenerierung - Die VCVs berechnen die Ausgangsspannung mit der Beziehung:
Vaus= A × vIn
Wenn beispielsweise a = 5 und die Eingangsspannung 2 V beträgt, skaliert die Ausgangsspannung automatisch auf 10 V ohne manuelle Einstellungen erforderlich.
Bei der Schaltungskonstruktion sind abhängige Quellen Elemente, deren Ausgänge basierend auf anderen Signalen innerhalb desselben Schaltkreises einstellen.Im Gegensatz zu unabhängigen Quellen, die unabhängig davon, was an anderer Stelle passiert, eine feste Spannung oder einen festen Strom liefern, reagieren abhängige Quellen dynamisch auf Schaltungsbedingungen.
Sie können sich auf abhängige Quellen verlassen, wenn Sie fortgeschrittene Komponenten wie Transistoren modellieren und Betriebsverstärker (Op-Amps).Dieser Ansatz erleichtert das Entwerfen, Simulieren und Feinstimmen komplexe Schaltkreise, ohne alles in winzige, detaillierte Interaktionen aufzuteilen.Es gibt 4 Arten von abhängigen Quellen:

Abbildung 2. Vier Arten von abhängigen Quellen
• Spannungsgesteuerte Spannungsquelle (VCVS) -Voltage -Kontrollspannung.
• Stromgesteuerte Spannungsquelle (CCVS) - Stromsteuerspannung.
• Spannungssteuerungsstromquelle (VCCS) - Spannungssteuerungsstrom.
• Stromgesteuerte Stromquelle (CCCS) - Strom steuert Strom.
Eine spannungsgesteuerte Spannungsquelle (VCVs) ist eine Art abhängige Spannungsquelle.Die Ausgangsspannung ist nicht festgelegt - angenommen, sie variiert basierend auf einer Eingangsspannung von anderer Stelle in der Schaltung.Der Ausgang reagiert auf eine vorhersehbare, lineare Art und Weise zu diesem Eingang, wodurch die VCVs für Aufgaben nützlich sind, bei denen die Spannung unter kontrollierten Bedingungen skaliert oder verstärkt werden muss.
Die Beziehung zwischen Eingang und Ausgangsspannung wird durch die Gleichung definiert:
u₂ = μU₁
Hier ist u₁ die steuerliche Eingangsspannung, und u₂ ist die Ausgangsspannung, die von den VCVs erzeugt wird.Der Faktor μ ist eine Konstante, die als Spannungsverstärkung oder Kontrollkoeffizient bezeichnet wird.Es hat keine Einheiten und zeigt einfach, wie viel die Eingangsspannung multipliziert wird, um den Ausgang zu erzeugen.Wenn beispielsweise μ 4 und U₁ 1,5 Volt beträgt, wäre u₂ 6 Volt.
VCVS -Komponenten werden üblicherweise in analogen Schaltungen verwendet, insbesondere in Verstärkern und Signalsteuerungssystemen.Sie ermöglichen es Ihnen, die Spannungsniveaus mit anderen Spannungen genau zu steuern.Obwohl ihre Funktion der eines Transformators ähneln kann - wo eine Spannung von einer anderen abhängt -, arbeitet die VCVs durch einen völlig anderen internen Mechanismus.

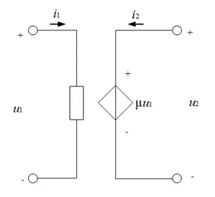
Abbildung 3.. Spannungsgesteuerte Spannungsquelle (VCVs)
In Schaltplänen wird ein VCVs normalerweise als mit μU₁ markiertes diamantförmiges Symbol dargestellt, was darauf hinweist, dass der Ausgang von der Eingangsspannung abhängt.Bei der Unterstützung von Diagrammen zeigen Pfeile wie I₁ und ich häufig aktuelle Richtungen an den Eingangs- und Ausgangsanschlüssen.Während der Strom durch die Schaltung fließt, wirkt sich dies nicht direkt auf das VCVS -Verhalten aus - die Quelle reagiert nur auf Spannung, nicht auf Strom.
Eine stromgesteuerte Spannungsquelle (CCVS) ist eine Art abhängige Spannungsquelle.Die Ausgangsspannung wird direkt durch einen separaten Eingangsstrom an anderer Stelle in der Schaltung bestimmt.Dieses Setup ist besonders nützlich in der analogen Elektronik, wobei ein Teil eines Systems proportional auf den Strom in einem anderen fließt.
Die Beziehung zwischen dem Eingangsstrom und der Ausgangsspannung wird durch die Gleichung beschrieben:
u₂ = r · i₁
Hier:• I₁ ist der Eingangs- oder Steuerstrom.
• U₂ ist die resultierende Ausgangsspannung.
• R ist der Übertragungswiderstand - ein fester Wert, der definiert, wie viel Spannung pro Eingangseinheit erzeugt wird.Es wird in Ohm (ω) gemessen.

Abbildung 3.. Stromgesteuerte Spannungsquelle (CCVs)
In einer typischen Konfiguration fließt der Eingangsstrom I₁ durch einen festgelegten Teil der Schaltung (häufig auf der linken Seite), während die Ausgangsspannung u₂ an einem separaten Ort (häufig rechts) erscheint, der von der abhängigen Spannungsquelle erzeugt wird.In den Diagrammen wird diese Quelle normalerweise durch ein diamantförmiges Symbol mit der Bezeichnung R · i₁ dargestellt, wobei die Pfeile die Richtung sowohl der Steuerung als auch der resultierenden Ströme deutlich anzeigen.
Dieses Modell ist besonders nützlich in Schaltungen, bei denen das Verhalten eines Teils basierend auf aktuellen Änderungen in einem anderen anpassen muss - wie in analogen Verstärkern, Sensor -Grenzflächenschaltungen und Rückkopplungssteuerungssystemen.Das Erkennen, wie die Ausgangsspannung mit dem Eingangsstrom für die genaue Analyse und Gestaltung solcher Systeme wesentlich ist.
Eine spannungsgesteuerte Stromquelle (VCCS) ist ein elektrisches Element, bei dem der Ausgangsstrom direkt durch eine Eingangsspannung bestimmt wird.Es handelt sich um eine Art abhängige Quelle, die häufig in analoge Schaltungen integriert ist, für die Strom proportional auf Spannungsänderungen reagiert - wie Verstärker und Transkonduktionssysteme.
Die Beziehung wird durch die Gleichung definiert:
ich2 = g Oh1
In diesem Ausdruck:
• 𝑢1 - Ist der Steuerspannungseingang.
• 𝑖2 - Ist der resultierende Ausgangsstrom.
• 𝑔 - ist die Übertragungsleitfähigkeit, gemessen in Siemens (en), was angibt, wie viele Stromverflüsse für jeden angelegten Volt angewendet werden.

Abbildung 4. Spannungsgesteuerte Stromquelle (VCCs)
Im Schaltplattendiagramm (Abbildung 3) erscheint die Spannung U1 auf der linken Seite und dient als Steuersignal.Auf der rechten Seite repräsentiert ein diamantförmiges Symbol die aktuelle Quelle.Der Ausgangsstrom I2, berechnet als 𝑔oge, fließt in die durch die Pfeile angegebene Richtung.Diese Pfeile können auch klarstellen, wie sich der Strom durch verschiedene Teile der Schaltung bewegt.
VCCS-Elemente liefern eine zuverlässige lineare Steuerung und werden in der Signalverstärkung und den Stromantriebskomponenten häufig verwendet.
Eine aktuell gesteuerte Stromquelle (CCCS) ist eine Art abhängiger Stromquelle.Es erzeugt einen Ausgangsstrom basierend auf dem Wert eines anderen Stroms an anderer Stelle in der Schaltung.Diese Beziehung ist definiert durch:
i₂ = β · i₁
In dieser Gleichung:
• I₁ ist der Eingangs- oder Steuerstrom.
• I₂ ist der Ausgangsstrom.
• β ist eine Konstante (dimensionlos), die als Stromverstärkung oder Kontrollfaktor bezeichnet wird.
Der CCCS reagiert direkt auf Änderungen des Kontrollstroms.Wenn i₁ zunimmt oder abnimmt, passt der Ausgangsstrom i₂ proportional ein, skaliert durch den Faktor β.
Dieses Konzept wird häufig in der analogen Elektronik verwendet.Ein praktisches Beispiel ist ein Transistor, bei dem der Kollektorstrom (Ausgang) vom Basisstrom (Eingabe) abhängt.Hier erfasst der CCCS, wie aktuell in einem Teil des Geräts der Strom an anderer Stelle bestimmt wird.

Abbildung 5. Stromkontrollierte Stromquelle (CCCs)
In Schaltplänen wird die CCCs typischerweise mit einer klaren Teilung angezeigt: Die Eingangsseite trägt i₁ und die Ausgangsseite liefert β · i₁.Das Quellsymbol betont, dass der Ausgangsstrom nur aufgrund des Eingangsstroms existiert.
Sie können dieses Modell verwenden, um zu vereinfachen, wie sich reale Komponenten verhalten, insbesondere bei der Analyse von Systemen, die auf der aktuellen Verstärkung beruhen.Es bietet eine klare, abstrakte Möglichkeit, zu verstehen und vorherzusagen, wie Geräte wie Transistoren unter verschiedenen Bedingungen arbeiten.
Zu den praktischen Rollen eines VCVs im Schaltungsdesign gehören Verstärkung von Signalen, die Formungsfrequenzantwort und die Regulierung der Leistung.Durch die genaue Einstellung der Spannung durch Feedback und Steuerung sorgen VCVS -Schaltkreise in Anwendungen wie Audiosystemen, Signalfiltern und Spannungsregulatoren eine stabile, effiziente Leistung.
Verstärker - Verstärker sind eine klassische VCVS -Anwendung.Hier liegt der Fokus darauf, wie Sie die Verstärkung und die Systemreaktion mithilfe von Widerstandsnetzen und Schaltungskonfigurationen feinstimmen und eine vorhersehbare Verstärkung in allem von Audiosystemen bis hin zu Präzisionsmesswerkzeugen ermöglichen.
Signalverarbeitung -VCVS-basierte Filter wie Tiefpass-, Hochpass- oder Bandpassdesigns, Säuber von Signalen durch Gestaltung des Frequenzgangs.Sie wenden VCVS -Stufen an, um die gewünschten Amplituden- und Phaseneigenschaften aufrechtzuerhalten. Dies ist ein schwerwiegender Faktor für Geräte wie Funksysteme oder Audiomischer, bei denen nur ausgewählte Frequenzen eine Verstärkung oder Unterdrückung erfordern.
Leistungsregulierung - In Spannungsregulierungsschaltungen ist die VCVs in Rückkopplungsschleifen eingebettet.Wie bereits beschrieben, vergleicht es den Ausgang mit einer Referenz und passt Steuersignale dynamisch an.Diese sofortige Korrektur ist erforderlich, um die Ausgangsspannung stabil zu halten, insbesondere in empfindlichen Elektronik wie Kommunikationssystemen oder Mikrocontrollern.
Um Schaltungen, die eine spannungsgesteuerte Spannungsquelle (VCVs) enthalten, genau zu analysieren, müssen Sie sowohl das Verhalten der Quelle als auch die Interaktion mit dem Rest der Schaltung verstehen.Ein VCVs erzeugt eine Ausgangsspannung, die direkt proportional zu einer separaten Spannung an anderer Stelle in der Schaltung ist.Im Gegensatz zu unabhängigen Quellen hängt sein Betrieb vom Zustand eines anderen Teils des Systems ab.Die Analyse solcher Schaltkreise erfordert eine Kombination aus Basisgesetzen, algebraischen Methoden und häufig Simulationswerkzeugen.
1. Anwendung von Kirchhoffs Gesetzen in VCVS -Schaltungen
Beginnen Sie mit dem Spannungsgesetz von Kirchhoff (KVL) und Kirchhoffs aktuellem Gesetz (KCL).KVL gibt an, dass die Gesamtspannung um jede geschlossene Schleife Null sein muss, während KCL den Gesamtstrom verlangt, der in einen Knoten eintritt, um dem Gesamtstrom zu entsprechen.Diese Prinzipien helfen Ihnen beim Schreiben von Gleichungen, die das Verhalten von Spannungen und Strömen über den Schaltkreis beschreiben.
In Schaltkreisen mit VCVs werden diese Gleichungen noch kritischer.Sie identifizieren die Steuerspannung und definieren dann den Ausgang der VCVs anhand dieser Spannung.Zum Beispiel wenn VKontrolle Ist die Eingangsspannung, die die VCVs steuert und A ist die Verstärkung, dann erzeugt die VCVs eine Ausgabe:
𝑉aus= AëvKontrolle
Diese Beziehungen sind von Anfang an in das Gleichungssystem eingebaut.
2. Lösen von VCVS -Schaltungen mit linearer Algebra
Da die VCVs eine lineare Abhängigkeit in das System einführen, kann das Gesamtkreisverhalten unter Verwendung linearer Gleichungen modelliert werden.Jede Gleichung stellt entweder eine Spannungsschleife oder einen Stromknoten dar.
Sobald Sie alle Gleichungen haben, können Sie sie in eine Matrix ordnen.Jede Variable (wie Spannungen und Ströme) wird zu einem Matrixelement.Sie können dann die Matrix mithilfe von Methoden wie Gaußschen Eliminierung, Cramers Regel oder Matrixinversion lösen.Diese Techniken sind besonders nützlich für Schaltkreise mit mehreren voneinander abhängigen Komponenten und helfen Ihnen dabei, genaue Lösungen effizienter zu finden, als jede Gleichung manuell zu lösen.
3. Simulation von VCVS -Schaltungen
Für komplexe oder experimentelle Konstruktionen können Schaltungssimulationssoftware wie Spice, LTSPICE und CircuitLab von unschätzbarem Wert sein.Mit diesen Plattformen können Sie die Schaltung in einer virtuellen Umgebung erstellen, die Eigenschaften der VCVs definieren und das Verhalten des Systems unter verschiedenen Bedingungen beobachten.Simulationswerkzeuge ermöglichen schnelle Anpassungen und bieten visuelle Feedback durch Spannung und Stromdiagramme.Dies hilft nicht nur dabei, die theoretische Analyse zu überprüfen, sondern auch frühzeitig mit Entwurfsfehler zu identifizieren.Durch das Testen der Schaltung in Software können Sie Ihr Design iterieren, bevor Sie sich zu einem physischen Build verpflichten und sowohl Zeit als auch Ressourcen sparen.
Über grundlegende Anwendungen hinaus ermöglichen VCVS-Elemente erweiterte Designstrategien, insbesondere für Modellierung auf Systemebene und dynamische Steuerung.
Modellierung komplexer Komponenten
Anstatt jedes Detail in einem Transistor oder Halbleiter zu modellieren, verwenden Sie häufig ein VCVs, um die gesamte Input-Output-Beziehung darzustellen.Sie identifizieren Kontrollpunkte (Gate-Source-Spannung), fügen einen VCVS-Block ein, der widerspiegelt, wie sich diese Steuerungspunkte auf die Ausgabe auswirken, und Verstärkungsfaktoren aus Datenblättern oder Messungen anwenden.Diese Abstraktion vereinfacht Ihr Schaltungsdesign, mehrstufige Verstärker oder große Signalketten und ermöglicht es Ihnen, das Systemverhalten vorherzusagen, ohne jede mikroskopische Wechselwirkung zu verfolgen.
Feedback- und Steuerungssysteme
Sie stellen eine Referenz- oder Zielausgabe fest und verwenden dann die VCVs, um die Systemantwort dynamisch anzupassen.Sie stimmen die Schleife ein, um die Stabilität auch dann beizubehalten, wenn sich die Eingangs- oder Lastbedingungen ändern.Beispiele sind regulierte Stromversorgungen und automatische Schaltkreise (Automatic Gain Control), wobei die VCVs eine genaue, sofortige Korrekturen ohne manuelle Abstimmung gewährleisten.
Sie müssen praktische Faktoren berücksichtigen, die die VCVS -Leistung beeinflussen.
Schritt 1: Überprüfen Sie die Frequenzgrenzen
Unter Verwendung von Testsignalen und Oszilloskopen bestimmen sie die effektive Bandbreite der Schaltung und identifizieren, wo die Verstärkung abrollt und bestätigt, dass sie den Entwurfsanforderungen entspricht.
Schritt 2: Messen Sie die Schlupfrate
Angewendet sich schnell verändernde Eingänge (quadratische Wellen, Impulse) und beobachten, ob der Ausgang Tempo oder Verzögerungen hält und die Slew-Rate-Grenze feststellt.
Schritt 3: Bewerten Sie die Lastbehandlung
Sie verbinden unterschiedliche Lasten und verfolgen, wie der VCVs -Ausgang unter Spannung hält und die Auswirkungen der Ausgangsimpedanz von ungleich Null.
Schritt 4: Rauschen reduzieren
Unter Verwendung von Spektrumanalysatoren bestimmen sie Rauschquellen und wenden Korrekturen wie ein verbessertes Layout, Abschirm- oder Entkopplungskondensatoren an.
Schritt 5: Umwelteffekte testen
Temperaturtests (mit Kammern oder Heißkünstlern) zeigen, ob die Verstärkung oder die Ausgangsdrifts zur Verwendung von thermischen Kompensation oder temperaturstabilen Komponenten veranlasst werden.
Schritt 6: Ansprechen parasitärer Effekte
Sie überprüfen PCB -Layouts, um die parasitäre Kapazität oder Induktivität zu minimieren, Layout -Korrekturen vorzunehmen oder nach Bedarf Bodenebenen hinzuzufügen.
Verstehen, wie eine Spannungsspannungsquelle funktioniert, öffnet die Tür für den Bau intelligenter und zuverlässigerer elektronischer Systeme.VCVs, von der Verstärkung von Klang bis hin zur Regulierung von Kraft- und Gestaltungssignalen, hilft, Präzision und Kontrolle in Ihre Designs zu bringen.Während es mit einigen Herausforderungen verbunden ist, wie das Umgang mit Geräuschen oder die Anpassung an Temperaturänderungen, macht es Sie zu einem stärkeren und selbstbewussteren Designer.Unabhängig davon, ob Sie ein Anfänger oder ein erfahrenes in Schaltkreisen sind, bietet Mastering VCVs wertvolle Werkzeuge, um eine bessere Leistungselektronik zu erstellen.
Ja.Ein VCVs kann sowohl Wechselstrom- (Wechselstrom-) als auch DC -Signale (Gleichstrom-) Signale verarbeiten. Für das Design ist jedoch möglicherweise zusätzliche Komponenten (z.
Normalerweise setzen Sie die Verstärkung mithilfe von Widerstandsnetzwerken um die VCVs oder durch Konfiguration integrierter Verstärkungseinstellungen bei der Verwendung eines integrierten Schaltkreises.Die Auswahl der richtigen Widerstandswerte ist wichtig, um das korrekte Spannungsverhältnis für Ausgang zu Eingabe zu erhalten.
Ja.Obwohl der VCVS -Ausgang von einer anderen Spannung abhängt, benötigt die Schaltung selbst Strom (normalerweise von einer Gleichstromversorgung), um seine inneren Teile zu betreiben und die kontrollierte Ausgangsspannung zu erzeugen.
Wenn die Eingangsspannung zu hoch ist, können die VCVs sättigen oder schließen, was bedeutet, dass der Ausgang den Maximum (oder Minimum) trifft und die erwartete Verstärkung nach dem Vorgang stoppt.Dies kann eine Signalverzerrung oder den Schaltungsausfall verursachen, wenn sie nicht kontrolliert werden.
Nein. Ein VCVs steuert die Spannung, liefert jedoch keine elektrische Isolierung zwischen Eingang und Ausgang.Wenn Sie Isolation wünschen, verwenden Sie andere Komponenten wie Transformatoren oder Opto-Isolatoren.
Sie testen es, indem Sie kleine Störungen oder unterschiedliche Lasten anwenden und prüfen, ob die Ausgabe konstant bleibt oder sich schnell wieder normalisiert.Die Verwendung von Tools wie Bode -Diagramme oder Phasen-/Verstärkungsrandüberprüfungen bestätigt die Stabilität.
Beide haben Wert.Simulationen (unter Verwendung von Tools wie Spice) sind schneller und zeigen das Verhalten unter vielen Bedingungen, aber Handberechnungen helfen Ihnen, zu verstehen, wie die Schaltung funktioniert und warum.Idealerweise sollten Sie beide Methoden kombinieren.
Ja, aber es ist oft einfacher und genauer, operative Verstärker (OP-AMPs) zu verwenden, die als VCVS-Blöcke konfiguriert sind.Diskrete Transistorbasis-Designs sind möglich, aber komplexer und empfindlicher für Komponentenunterschiede.
Mehrere Faktoren begrenzen die Genauigkeit: Die Qualität der Komponenten (wie Widerstände), die OP-Ampere-Leistung (Slw-Rate, Bandbreite), Temperaturänderungen und externes Rauschen können sich auf die enge Ausgabe auswirken, wie die Ausgabe mit der idealen Berechnung übereinstimmt.
VCVs ist erforderlich, da Sie Spannungen genau in einer Schaltung steuern und formen können.Es ist das Rückgrat für den Bau von Verstärkern, Filtern, Regulierungsbehörden und vielen Signalverarbeitungssystemen, wodurch die moderne Elektronik zuverlässig und effizient macht.
CAP CER 0.047UF 100V X7R 0805
CAP CER 220PF 100V X7R 0603
CAP CER 9.1PF 50V C0G/NP0 0603
FILTER RC(PI) 68 OHM/47PF SMD
IC FPGA 720 I/O 1924FCBGA
LP2985AIBPX-3.0 NS
SAMSUNG QFP44
PARITY GENERATOR/CHECKER, 9-BIT
HS353106 LG
BTS4025-0E QUALCOMM
MB88544PF-G-248M-BND FUJI
NORTEL PLCC


