Deutsch
Zeit: 2025/04/9
Durchsuchen: 1,551

Ein T-Flip-Flop ist ein nützlicher Baustein in der digitalen Elektronik, mit dem binäre Zustände gespeichert und verändert werden.Es verfügt über zwei Haupteingänge: die Umschalteingabe (T) und einen Takteingang (CLK).Die Art und Weise, wie sich der Schaltkreis verhält, hängt vom Wert von T im genauen Moment ab, in dem sich das Taktsignal ändert.
Wenn T niedrig ist, hält der Flip-Flop an seinem aktuellen Zustand fest.Es wird nicht aktualisiert oder ändert sich unabhängig von der Uhr.Wenn T jedoch hoch ist, wechselt der Ausgang mit jeder steigenden Kante des Taktsignals in den gegenüberliegenden Zustand.Dies bedeutet, dass der Ausgang jedes Mal zwischen 0 und 1 zwischen niedrig zu hoch wechselt.Das Design reagiert auf den Zeitpunkt der Uhr, wodurch sein Verhalten vorhersehbar und leicht in Schaltkreisen zu kontrollieren ist, die nur in bestimmten Momenten staatliche Änderungen erfordern.

Abbildung 2. T Flip-Flop-Symbol
Das Standarddiagramm für ein T-Flip-Flop zeigt die T- und CLK-Eingänge zusammen mit den beiden Ausgängen mit q und q̅ (die Umkehrung von q).Ein kleines Detail im Symbol hilft zu identifizieren, wie der Schaltkreis auf das Taktsignal reagiert: einen winzigen Kreis oder "Blasen" zum Takteingang.
Wenn der CLK-Eingang eine Blase vorhanden ist, bedeutet dies, dass der Flip-Flop ausgelöst wird, wenn die Uhr von hoch zu niedrig wird (fallende Kante).Wenn es keine Blase gibt, löst es aus, wenn die Uhr von niedrig zu hoch wechselt (steigende Kante).Dieser einfache visuelle Hinweis hilft den Ingenieuren, schnell zu verstehen, wie sich der Flip-Flop in einer Schaltung verhalten wird, ohne die interne Logik zu analysieren.
Um vollständig zu erfassen, wie ein T-Flip-Flop funktioniert, hilft es, sowohl seinen Wahrheitstisch als auch sein Timing-Diagramm zu betrachten.Diese Tools zeigen, wie die Schaltung im Laufe der Zeit auf Änderungen der Eingangs- und Taktsignale reagiert.
|
T |
Qn |
Qn+1 |
Beschreibung |
|
0 |
0 |
0 |
Unverändert / halten |
|
0 |
1 |
1 |
Unverändert / halten |
|
1 |
0 |
1 |
Umschalten |
|
1 |
1 |
0 |
Umschalten |
Die Wahrheitstabelle beschreibt zwei Schlüsselverhalten basierend auf dem Wert der T -Eingabe:
• Wenn T 0 ist, hält der Flip-Flop den Stromausgang.Egal was die Uhr tut, die Ausgabe bleibt stabil.Dies ist nützlich, wenn der gespeicherte Wert unverändert bleibt.
• Wenn T 1 ist, schaltet der Flip-Flop jedes Mal, wenn das Taktsignal von niedrig zu hoch übergeht.Dieses Verhalten verwandelt es in einen einfachen Binärschalter, der mit jedem Taktimpulszustände flippt.
Diese beiden Bedingungen bilden die Kernfunktionalität des T-Flip-Flop: Stabilität bei Bedarf und zuverlässige Umschaltungen, wenn sie ausgelöst werden.

Abbildung 3. T Flip-Flop-Signale
Um sich zu visualisieren, wie das T Flip-Flop funktioniert, berücksichtigen Sie eine Folge von Ereignissen, die in einem typischen Timing-Diagramm gezeigt sind:
• Anfangsmoment (T₀): Die Schaltung beginnt mit q, der auf 0 und q̅ auf 1 eingestellt ist. Dies definiert den Ausgangszustand der Ausgänge.
• Bei t₁: Das Taktsignal steigt, aber T ist immer noch niedrig.Da T 0 ist, bleiben die Ausgänge unverändert.Dies bestätigt die Fähigkeit der Schaltung, seinen aktuellen Zustand unter konstanten Bedingungen zu behalten.
• Bei t₂: T wechselt von niedrig zu hoch.Obwohl dies keine Änderung selbst auslöst, richtet sie die Schaltung so ein, dass sie bei der nächsten Uhrenereignis unterschiedlich reagiert.
• Bei t₃ : Eine weitere steigende Uhrskante kommt an, und jetzt ist T hoch.Der Flip-Flop reagiert durch Schalten des Ausgangs-Q wird 1 und q̅ wird zu 0. Dies markiert den ersten Umschalter in der Ausgabe.
• Von t₃ weiter: Solange T hoch bleibt, wechselt der Flip-Flop jedes Mal, wenn das Taktsignal steigt.Zwischen T₃ und T₇ zum Beispiel flipps q nur einmal für zwei Taktimpulse.Dies zeigt, wie der T-Flip-Flop die Taktfrequenz effektiv durch 2 teilt, was sie in Schaltungen wertvoll macht, bei denen ein langsameres Ausgangssignal benötigt wird.
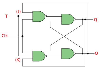
Ein JK-Flip-Flop kann leicht neu konfiguriert werden, um als T-Flip-Flop zu fungieren, indem die J- und K-Eingänge angeschlossen werden.Sobald sie sich angeschlossen haben, verhalten sie sich als einzelne Toggle -Eingang (t).Diese einfache Änderung ermöglicht es der Schaltung, den Zustand zu wechseln-oder um zu „umschalten“-auf jedem Taktpuls, wenn T hoch ist, und das Verhalten eines dedizierten T-Flip-Flops nachzubilden.
Die Logik, die diese Transformation antreibt, wird klarer, wenn der JK-Flip-Flop unter verschiedenen Eingabebedingungen reagiert.Hier ist eine vereinfachte Sicht auf die Beziehung zwischen Input-to-output, wenn J und K zusammengebunden und als T verwendet werden:
|
T |
Qₙ
(Aktuell) |
Qₙ₊₁ (Weiter) |
J |
K |
|
0 |
0 |
0 |
0 |
X |
|
0 |
1 |
1 |
X |
0 |
|
1 |
0 |
1 |
1 |
X |
|
1 |
1 |
0 |
X |
1 |
Um ein stabiles und vorhersehbares Umschalten zu gewährleisten, wird die Ausgabe des Flip-Flop (q) häufig an beide Eingänge angeschlossen. J und K. Dieser Rückkopplungsweg stellt sicher, dass die Schaltung weiterhin korrekt funktioniert, insbesondere während wiederholter Taktzyklen.Dieses Setup wird besonders wertvoll in Systemen, die eine präzise Zustandskontrolle erfordern, wie Frequenzteiler oder digitale Zähler.Alle zwei Taktimpulse führen zu einem vollständigen Umschalter, was die Frequenz des Ausgangssignals effektiv halbiert.
Durch die Verwendung eines JK Flip-Flop als T-Flip-Flop wird die Gesamtkreislauf vereinfacht.Anstatt ein separates T-Flip-Flop hinzuzufügen, können Sie vorhandene JK-Designs verwenden, indem Sie die Eingänge neu konfigurieren.Dies spart Raum und Komponenten und beibehalten der Funktionalität.In Anwendungen wie Kontrollschaltungen und Binärzählern verringert diese Methode die Komplexität und verbessert die Effizienz.Durch die Wiederverwendung dessen, was bereits verfügbar ist, wird es einfacher, zuverlässige und kompakte digitale Systeme aufzubauen.

Abbildung 4. Schaltpläne des T -Flip -Flops aus JK Flip Flop
Um eine SR-Flip-Flop zu rekonfigurieren, um als T-Flip-Flop zu fungieren, werden grundlegende logische Gates und sorgfältig abgeleitete logische Ausdrücke verwendet.Diese Transformation vereinfacht die Eingangsbeschaffung, während das Umschaltverhalten des T-Flip-Flop-Verhaltens beibehalten wird, wodurch es einfacher ist, in Systeme zu integrieren, die kontrollierte Zustandsänderungen erfordern.
Um zu verstehen, wie diese Transformation funktioniert, untersuchen Sie zunächst, wie sich die Eingänge und Ausgänge während der Taktübergänge miteinander beziehen.Die folgende Tabelle zeigt, wie sich die T -Eingabe auf den aktuellen Zustand (qₙ) und den nächsten Zustand (qₙ₊₁) auswirkt, zusammen mit den erforderlichen Werten für S (SET) und R (Reset):
|
T |
Qₙ |
Qₙ₊₁ |
S |
R |
|
0 |
0 |
0 |
0 |
X |
|
0 |
1 |
1 |
X |
0 |
|
1 |
0 |
1 |
1 |
0 |
|
1 |
1 |
0 |
0 |
1 |
In dieser Tabelle:
• T steuert, ob der Flip-Flop umschaltet oder gilt.
• Qₙ ist der Stromausgang vor der Taktkante.
• Qₙ₊₁ ist der Ausgang nach der Taktkante.
• S und r Bestimmen Sie, wie der SR Flip-Flop auf Eingaben reagiert.
• X stellt eine Bedingung "egal" dar, was bedeutet, dass die Eingabe entweder 0 oder 1 sein kann, ohne das Ergebnis zu beeinflussen.
Wenn T 0 ist, hält der Schaltkreis ihren Zustand.Wenn t 1 ist, schaltet der Ausgangsschalter - wenn der aktuelle Status 0 ist, setzt er fest;Wenn der aktuelle Zustand 1 ist, wird er zurückgesetzt.
Mit Karnaugh Maps kann die erforderliche Logik für S und R in zwei saubere Ausdrücke vereinfacht werden:
S = T und nicht qₙ
R = t und qₙ
Das heisst:
• Der SET (s) Der Eingang aktiviert, wenn T hoch ist und der aktuelle Zustand niedrig ist.
• Der Reset (R) Der Eingang aktiviert, wenn T hoch ist und der aktuelle Zustand hoch ist.
Jeder Eingang reagiert direkt auf eine Kombination des T-Signals und den Stromausgang des Flip-Flop.Diese Bedingungen sorgen für ein Umschaltverhalten, wenn T aktiv ist.
Erstellen der Schaltung mit Logik -Toren
Um dies in Hardware zu implementieren, verbinden Sie zwei und Gates:
• Man empfängt T und die umgekehrte Stromausgabe (q̅).
• Der andere empfängt T und die aktuelle Ausgabe (q).
Die Ausgänge dieser Tore werden in die S- und R-Eingänge des SR-Flip-Flop eingespeist.Dieses Setup sorgt für Folgendes:
• Wenn T 1 ist, wird entweder der S- oder R -Eingang abhängig vom Q -Status von Q aktiv, wodurch eine Zustandsänderung ausgelöst wird.
• Wenn T 0 ist, bleiben sowohl S als auch R inaktiv und der Flip-Flop hält seinen aktuellen Zustand.
Diese Konfiguration wandelt den SR-Flip-Flop effektiv in einen T-Flip-Flop um, ohne zusätzliche komplexe Komponenten zu erfordern.
Diese Methode ist besonders wertvoll in Systemen wie Timing -Schaltkreisen und Binärschaltern, bei denen kontrolliertes Umschalten erforderlich ist.Durch die Verwendung eines grundlegenden SR-Flip-Flops mit zusätzlichen Logikgoren können Sie vermeiden, separate Komponenten für das Umschalten des Verhaltens einzuführen.

Abbildung 5. Schaltplan des T -Flip -Flops aus dem SR -Flip -Flop
Ein D Flip-Flop kann durch Einführung eines einzelnen XOR-Logik-Gates als Einführung eines einzelnen XOR-Logik-Tors neu konfiguriert werden.Dieser Ansatz verwendet das XOR-Gate, um zu steuern, wenn der Ausgang umgeschaltet wird, wodurch ein Verhalten erstellt wird, das mit dem eines echten T-Flip-Flop identisch ist, während die Schaltung einfach und effizient bleibt.
Die Transformation beruht auf der Analyse, wie der D Flip-Flop auf seine Eingaben reagiert.In diesem Fall definieren wir T als den Umkippungssteuereingang und qₙ als aktueller Status der Ausgabe.Ziel ist es, die korrekte Eingabe für den D-PIN so zu erzeugen, dass der Flip-Flop den Zustand entweder umschaltet oder ihren Zustand hält, abhängig vom Wert von T.
Die folgende Tabelle beschreibt die Beziehung:
|
T |
Qₙ |
Qₙ₊₁ |
D |
|
0 |
0 |
0 |
0 |
|
0 |
1 |
1 |
1 |
|
1 |
0 |
1 |
1 |
|
1 |
1 |
0 |
0 |
Hier ist, was diese Tabelle zeigt:
• Wenn T 0 ist, ändert sich die Ausgabe nicht.D empfängt einfach den aktuellen Ausgangswert.
• Wenn T 1 ist, umschalten die Ausgabe.D erhält das Gegenteil der Stromausgabe.
Dieses Verhalten entspricht der Ausgabe eines XOR -Gate, der T und Qₙ als Eingänge empfängt.Der logische Ausdruck für den D -Eingang wird:
D = t ⊕ qₙ
Dies bedeutet, dass das XOR -Gate die korrekte Logikpegel für den D -Eingang erzeugt, basierend darauf, ob der Ausgang flippt oder nicht.
Um dieses Setup zu implementieren:
• Schließen Sie den Umschalteingang T und den aktuellen Ausgang q an ein XOR -Gate an.
• Nehmen Sie die Ausgabe des XOR-Tors und füttern Sie es in den D-Eingang des Flip-Flop.
Diese einfache Anordnung sorgt für zwei Ergebnisse:
• Wenn T hoch ist, erzwingt das XOR-Gate den D-Eingang, wodurch sich der Flip-Flop an der nächsten Taktkante umschaltet.
• Wenn T niedrig ist, übergibt das XOR -Gate den gleichen Wert wie Q nach D, was bedeutet, dass die Ausgabe unverändert bleibt.
Das XOR -Gate wird verwendet, indem er feststellt, ob der aktuelle Zustand abhängig vom Wert von T gedrückt oder umdrehen soll.
Diese Methode ist meist nützlich für digitale Designs, die vorhersehbares Umschalten erfordern, z. B. Ereigniszähler, Timing-Schaltungen oder Taktkomponenten.Da für die gesamte Konvertierung zusätzlich zum D Flip-Flop nur ein XOR-Gate erforderlich ist, hält es das Design kompakt und einfach zu verwalten.Die Einfachheit der Logik erleichtert auch die Fehlerbehebung und Änderung.Es zeigt deutlich, wie D Flip-Flops, die normalerweise direkte Eingaben folgen, für dynamische Zustandsänderungen mit minimalem Aufwand angepasst werden können.Diese Art der effizienten Wiederverwendung von Komponenten ist im digitalen Systemdesign üblich und verstärkt, wie wichtig es ist, zu verstehen, wie logische Beziehungen das Schaltkreisverhalten verändern können, ohne zusätzliche Hardware zu benötigen.
Das T Flip-Flop ist ein einfaches, aber effektives Binärspeicherelement, das in digitalen Systemen weit verbreitet ist.Es arbeitet nur mit einem Eingang und ermöglicht es, wenn es ein Auslösersignal empfängt.Dieses Design mit einem Eingang verringert die Anzahl der benötigten Steuersignale, wodurch das Schaltungsdesign einfacher wird und die Fehler sowohl während der Entwicklung als auch während des Betriebs minimiert.
• Eines seiner stärksten Merkmale ist die Fähigkeit, a zu pflegen stabiler Zustand bis eine neue Eingabe empfangen wird.Nach der Einstellung hält der T Flip-Flop seinen Ausgangswert, ohne konstante Aktualisierungen oder Aktualisierungssignale zu benötigen.Dies macht es ideal für Systeme, bei denen eine konsistente Datenspeicherung schwerwiegend ist.Es stellt sicher, dass gespeicherte Informationen im Laufe der Zeit auch ohne kontinuierliche Überwachung intakt bleiben.
• Energieeffizienz ist ein weiterer wichtiger Vorteil.Im Vergleich zu anderen Arten von Flip-Flops verbraucht das T-Flip-Flop weniger Leistung.Diese Nutzung mit geringer Leistung macht es zu einer guten Wahl für große digitale Systeme, bei denen Energieeinsparungen zu niedrigeren Betriebskosten führen können.Es passt auch gut zu den wachsenden Anforderungen der Branche nach grüneren und nachhaltigeren elektronischen Lösungen.
• Das Design des T Flip-Flop ist auch kostengünstig.Es kann nur mit grundlegenden Logikstoren erstellt werden, die die Eintrittsbarriere für Systementwickler senkt.Sogar Projekte mit engen Budgets können zuverlässige Speicherfunktionen implementieren, ohne die Leistung zu beeinträchtigen.
• Der T-Flip-Flop hilft bei der Aufrechterhaltung Systemzuverlässigkeit durch Vermeiden von undefinierten oder ungültigen Zuständen.Dies verringert das Risiko eines unvorhersehbaren Verhaltens und macht das Gesamtsystem robuster und einfacher zu debuggen.
Das T Flip-Flop ist ein einfaches, aber leistungsstarkes Element in der digitalen Elektronik, das weit verbreitet ist, da es effizient grundlegende Steuerungs- und Speicheraufgaben erledigt.Sein Verhalten - der seinen Zustand mit jeder Auslösereingabe - macht es hauptsächlich nützlich in Operationen, die Timing, Zählen und Bitspeicher beinhalten.
Eine der häufigsten Verwendungen des T Flip-Flop ist die Frequenzteilung.Wenn ein T-Flip-Flop ein reguläres Taktsignal empfängt, umschaltet es den Ausgang auf jedem Impuls.Dies führt zu einer Ausgangsfrequenz, die genau die Hälfte der Eingangsfrequenz beträgt.Diese Funktion ist nützlich in digitalen Uhren, Frequenzzähnen und ähnlichen Systemen, die genaue Zeitintervalle erfordern.In einer digitalen Uhr stellt der T-Flip-Flop beispielsweise sicher, dass die Zeit genau nach vorne tickt, indem die Frequenz des ursprünglichen Signals so reduziert wird, dass sie mit menschlich lesbarem Intervallen übereinstimmen.Dieser Teilungsprozess ist nicht nur konsistent, sondern auch hocheffizient.Nach der Integration benötigt der T Flip-Flop keine zusätzliche Intervention, um die Genauigkeit aufrechtzuerhalten, sodass es zu einer Anlaufstelle für die Frequenzsteuerung in kompakten Systemen ist.
Während die Frequenzteilung häufiger vorkommt, kann der T-Flip-Flop auch zu einer Frequenzmultiplikation beitragen, wenn sie mit zusätzlichen Logikschaltungen kombiniert werden.Bei digitalen Signalprozessoren und Frequenzsynthesizern erfordern Systeme häufig eine Frequenzskalierung in beide Richtungen - UP und Down.Hier spielt das T Flip-Flop eine unterstützende Rolle und hilft bei der Form von Signalen im Rahmen breiterer Timing-Manipulationsschaltungen.Diese Anpassungsfähigkeit ermöglicht es Ihnen, die Systemleistung der Systeme ohne Überholung des Designs zu optimieren.
Über die Frequenzkontrolle ist der T Flip-Flop ein zuverlässiger Baustein zum Speichern einzelner Datenbits.Es wird häufig in Schichtregistern verwendet, wobei Daten in einer kontrollierten Reihenfolge von einem Punkt zum anderen verschoben oder verschoben werden müssen.Diese werden üblicherweise in einfachen Speichermodulen oder in Geräten gefunden, die serielle Datenströme verarbeiten, z. B. Kommunikationsschnittstellen.In solchen Anwendungen ist Präzision und Stabilität mehr als Volumen.Der T Flip-Flop unterstützt keine groß angelegten Speichervorgänge, aber in Systemen, in denen nur wenige Bits vorübergehend gespeichert und erhalten werden müssen, bietet sie eine kostengünstige Lösung mit niedriger Komplexität.
T-Flip-Flops werden auch in Binärzählern häufig verwendet, die zum Verfolgen von Ereignissen oder Intervallen erforderlich sind.Beispielsweise hängen Ereigniszähler in industriellen Automatisierungssystemen vom konsistenten Umschaltverhalten von T-Flip-Flops ab, um Maschinenzyklen oder Elementzahlen aufzuzeichnen.In digitalen Timern stellen T-Flip-Flops sicher, dass jede Sekunde mit Präzision gemessen wird.Diese Zähler stützen sich auf ein vorhersehbares Zustandsmuster, das der T-Flip-Flop aufgrund ihrer Umschüttungsnatur mühelos bietet.Dies macht es besonders nützlich in Systemen, die Genauigkeit und Haltbarkeit gegenüber der Hochgeschwindigkeitsverarbeitung priorisieren.
Das T Flip-Flop ist mehr als nur ein einfaches Speicherelement.Es ist ein flexibles Werkzeug beim Entwerfen digitaler Schaltkreise.Es kann mit verschiedenen Arten von Flip-Flops eingerichtet und in vielerlei Hinsicht verwendet werden, um bestimmte Anforderungen zu erfüllen.Wir haben erklärt, wie es mit einfachen Diagrammen funktioniert, und haben gezeigt, wie es von JK- und SR-Flip-Flops gedreht und mit einem D Flip-Flop eingerichtet werden kann.Wir haben gesehen, dass T-Flip-Flops an verschiedene Anforderungen angepasst werden können.Diese Flexibilität hilft, den Entwurfsprozess zu optimieren und die Durchführung der Schaltkreise zu verbessern.Da die digitale Technologie weiter voranschreitet, ist es der Schlüssel zu wissen, wie diese Komponenten funktionieren und angepasst werden können, um effektivere und zuverlässigere Systeme zu gestalten.
T Flip-Flops oder Toggle Flip-Flops sind digitale Speichergeräte, die in sequentiellen Logikschaltungen verwendet werden.Sie haben eine einzelne Eingabe, die als T (Toggle) bezeichnet wird, und ändern ihren Ausgangszustand nur, wenn T hoch (1) und ein Taktpuls empfangen wird.Dies bedeutet, dass jedes Mal, wenn ein Taktpuls auftritt, während der T -Eingang hoch ist, der Ausgang zwischen 0 und 1 umschaltet. Dieses Verhalten ist nützlich für binäre Zählungen und einfache Umschaltfunktionen.
Eine der Hauptbeschränkungen von T-Flip-Flops ist die Abhängigkeit von dem genauen Zeitpunkt des Taktsignals und des Steuereingangs, um eine Fehloperation zu vermeiden.Sie können ihren Zustand nur an den Rändern eines Taktimpulses umschalten, der möglicherweise nicht für Anwendungen geeignet ist, die unabhängig von einer Uhr unabhängige Zustandsänderungen benötigen.Darüber hinaus können T-Flip-Flops ohne zusätzliche Schaltkreise anfällig für Störungen oder unbeabsichtigtes Umschalten sein, wenn der T-Eingang den Zustand in der Nähe der Taktkante ändert.
T Flip-Flops sind synchrone Geräte, was bedeutet, dass ihre Operationen (Umschaltungsstatus) durch ein Taktsignal gesteuert werden.Änderungen am Ausgang hängen von Taktimpulsen ab und richten Änderungen über mehrere Flip-Flops in größeren Schaltungen aus, die zur Gewährleistung eines vorhersehbaren und geordneten Verhaltens in digitalen Systemen verwendet werden.
Ein T-Flip-Flop hat typischerweise drei Eingänge: die T (Toggle) Eingabe, die Takteingabe und einen Reset-Eingang.Der T-Eingang bestimmt, ob der Flip-Flop seinen Ausgang umkippt, wenn ein Taktpuls auftritt.Der Takteingang steuert den Zeitpunkt, wenn das Umschalten auftreten kann, und der Rücksetzeingang wird verwendet, um die Ausgabe auf einen bekannten Zustand (normalerweise 0), unabhängig von der Takt- oder Umschalteingänge zu setzen.
Der Rader-Around-Zustand tritt in JK-Flip-Flops auf, ein Typ, der eng mit T-Flip-Flops zusammenhängt, wenn sowohl die J- als auch die K-Eingänge hoch sind und der Taktpuls relativ zur Ausbreitungsverzögerung durch die Flip-Flop zu lang ist.In solchen Fällen kann der Ausgang während eines einzelnen Taktpulses mehrmals umschalten, was zu unvorhersehbaren Ergebnissen führt.Um dies zu vermeiden, werden JK Flip-Flops häufig mit Taktimpulsen ausgelegt oder verwendet, um mehrere Umschaltungen zu verhindern, oder zusätzliche Schaltkreise werden eingesetzt, um das Timing zu verwalten und das Verhalten zu steuern.
CAP CER 7.5PF 25V NP0 0603
IC MOTOR DRIVER 3V-5.5V 28TQFN
FAIRCHI SOP30
LP3930TMX-18285 NS
PCF5075T PHILIPS
LTC3797EUKG#PBF LINEAR
NUVOTON TSSOP-28
SF103041MDWE FREESCALE
SI9111DY VISHAY
UPEK BGA
LTC6101HVAHMS8 LINEAR
SAMSUNG FBGA96




