Deutsch
Zeit: 2025/04/19
Durchsuchen: 921

Ein Leistungswandler ist ein elektronisches Gerät, das die elektrische Energie in eine verwendbare Form umwandelt Spannung, Strom oder Frequenz einstellen. Es stellt sicher, dass eingehender Strom verschiedene Geräte sicher mit Strom versorgen kann.In allem, von Telefonladegeräten bis hin zu Industriegeräten, werden Stromversorger benötigt, da die meisten Elektronik Elektrizität nicht direkt von der Quelle verwenden können.
Stromquellen wie Verkaufsstellen, Batterien oder Generatoren liefern häufig Strom in einem Formular, das nicht den Anforderungen bestimmter Geräte entspricht.Während die Verkaufsstellen beispielsweise Hochspannungs-Wechselstromleistung liefern, erfordern viele Geräte wie Laptops oder Router mit niedrigem SpannungsdC.Der Konverter fungiert als Brücke, nimmt den Wechselstromeingang und liefert einen für das Gerät geeigneten stetigen Gleichstromausgang.
Im Inneren des Wandlers führen Komponenten wie Transformatoren, Gleichrichter und Spannungsregulatoren eine schnelle Abfolge von Aufgaben durch.Der Transformator passt die Spannung ein, der Gleichrichter wandelt Wechselstrom in pulsierende Gleichstrom um, und der Regler glättet ihn in eine stabile Gleichstromleistung.Diese Umwandlung schützt empfindliche Schaltkreise, verbessert die Energieeffizienz und wird für den sicheren und zuverlässigen Betrieb der modernen Elektronik verwendet.
Ein Leistungswandler verändert die Form oder das Verhalten der elektrischen Energie unter Verwendung wichtiger elektronischer Komponenten.Dazu gehören Transistoren, Dioden und andere Halbleiter.Ihre Hauptaufgabe ist es, den Stromfluss auf kontrollierte Weise schnell ein- und auszuschalten.Dieser Schalter hilft dabei, die Spannung, den Strom oder die Frequenz so einzustellen, dass der Ausgang entspricht, was das angeschlossene Gerät benötigt.
Eine der häufigsten Methoden, die in modernen Konvertern verwendet werden, ist Impulsbreitenmodulation (PWM).Diese Technik funktioniert, indem sie einen Schalter ein- und aus vielen Tausenden oder sogar Millionen von Male pro Sekunde ein- und ausschalten.Das Verhältnis der Zeit, in der der Schalter eingeschaltet bleibt, wird im Vergleich zum Ausschalten des Arbeitszyklus bezeichnet.Durch die Änderung dieses Verhältnisses steuert der Konverter, wie viel Leistung an die Ausgabe geliefert wird.
Der Betrieb eines Leistungswandlers folgt typischerweise einer Abfolge von Schlüsselschritten:
Bevor die Kraft in seine endgültige Form geformt wird, benötigt der Wandler eine Möglichkeit, Energie zu bewältigen und vorübergehend zu speichern.Dies geschieht mit Induktoren und Kondensatoren.
• Induktoren Energie in einem Magnetfeld speichern.Dies geschieht, während der Strom durch eine Drahtspule fließt.
• KondensatorenSpeichern Sie andererseits Energie als elektrische Ladung zwischen zwei Tellern.
Diese Komponenten regulieren das Timing und die Glätte des Energieflusses innerhalb des Stromkreises.
Als nächstes verwendet der Konverter Halbleiterschalter häufig Transistoren, um zu steuern, wie sich die Energie durch die Schaltung bewegt.Diese Schalter arbeiten bei hohen Geschwindigkeiten, oft von Kilohertz bis zu mehreren Megahertz.Bei diesen Geschwindigkeiten können sie fein formen, wie viel Energie durchfließt und wie sie in die Ausgangsstufe geliefert wird.Dieser schnelle Umschalten macht den Konverter sowohl präzise als auch effizient.
Um den Ausgang stabil zu halten, verwenden Konverter einen Steuerkreis, der die Ausgangsspannung oder den Strom ständig überprüft.Wenn sich die Last- oder Eingangsbedingungen ändert, passt das Steuerungssystem das Schaltverhalten an.Diese Rückkopplungsschleife hilft bei der Aufrechterhaltung einer konsistenten Leistung, auch wenn die Bedingungen variieren.
Nach dem Umschalten ist das elektrische Signal noch nicht bereit.Es kann Wellen-, Rausch- oder Hochfrequenzschwankungen enthalten.Daher geht der Konverter das Signal durch Filter aus Kondensatoren und Induktoren über.Diese Filter glätten das Signal, entfernen unerwünschte Variationen und liefern einen sauberen, stabilen Ausgang.
Schließlich erzeugt der Konverter einen Ausgang, der den spezifischen Anforderungen des Geräts entspricht, das es ausführt.Dies könnte dazu beitragen, den Strom als DC zu halten, aber die Spannung (wie bei DC-DC-Wandlern) oder das Wechsel von DC in Wechselstrom (wie bei Wechselrichtern) zu ändern.Die Art der Konvertierung hängt vollständig von der Anwendung ab.
Mit diesem Schritt-für-Schritt-Prozess kann der Leistungswandler rohe elektrische Energie einnehmen und einen maßgeschneiderten, effizienten und sicheren Ausgang liefern.Durch die Kombination von Energiespeicher, schnellem Umschalten, Rückkopplungsregelung und Filterung stellen diese Systeme sicher, dass die Elektronik genau die Art von Leistung erhält, die sie zum reibungslosen Betrieb benötigen.
Die Stromversorger sind in verschiedenen Typen erhältlich, die jeweils so ausgelegt sind, dass die elektrische Energie von einer Form in eine andere transformiert wird, basierend auf dem, was das Endgerät benötigt.Die vier Hauptkategorien sind: Wechselstrom zu DC, DC bis AC, DC zu DC und Wechselstrom zu AC -Konvertern.Jedes funktioniert anders und wird in verschiedenen Umgebungen verwendet - von kleinen Elektronik bis hin zu Industriestromsystemen.

Abbildung 2. Wechselstrom zu DC -Konvertern (Gleichrichter)
Wechselstrom (AC) ändert ständig die Richtung, aber die meisten elektronischen Geräte benötigen Leistung, der stetig in eine Richtung fließt und als Gleichstrom (DC) bezeichnet wird.AC zu DC -Konvertern, auch Gleichrichter genannt, verarbeiten dies, indem der Strom umgestaltet wird, damit er nur in eine Richtung fließt.
Arten von Gleichrichter

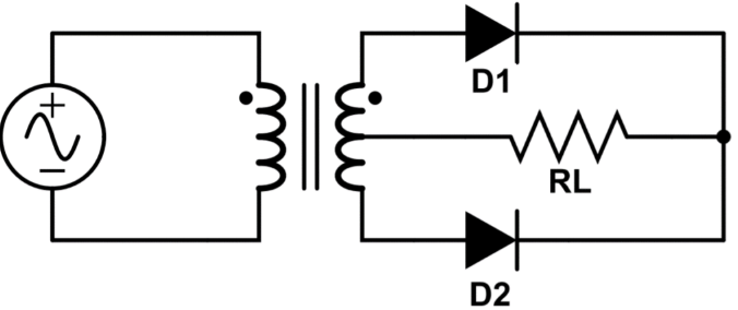
Abbildung 3. Halbwellengleichrichter
• Halbwellenrichter - Dies ist der einfachste Typ.Es verwendet nur eine Diode, um den Strom während der Hälfte der Wechselstromwellenform nur durch den Strom zuzulassen.Obwohl es einfach zu implementieren ist, verschwendet es die Hälfte der Eingangsleistung und erzeugt eine sehr "holprige" oder abgelöste Ausgabe, die für empfindliche Elektronik nicht ideal ist.

Abbildung 4. Vollwellengleichrichter
• Vollwellenrichter - Dieses Design verwendet beide Hälften des Wechselstromsignals, wodurch es effizienter und reibungsloser ist als die Halbwellenversion.Es kann entweder mit einem Mittel-Tap-Transformator und zwei Dioden oder mit vier Dioden in Brückenform gebaut werden.Das Ergebnis ist ein konsistenterer Fluss der Gleichstromleistung.
Glättung und Spannungsregulierung
Sobald AC in DC umgewandelt wurde, enthält der Strom immer noch einige Wellen.Kondensatoren helfen dabei, diese Schwankungen zu glätten, indem sie die Energie vorübergehend aufbewahrt und sie freigeben, um die Lücken zu füllen.Danach treten Spannungsregulatoren ein, um den Ausgang ruhig zu halten.Dies wird zum Schutz empfindlicher Komponenten in elektronischen Schaltungen verwendet.

Abbildung 5. DC zu Wechselstromkonvertern (Wechselrichter)
DC zu Wechselstromkonvertern oder Wechselrichtern nehmen eine stetige Gleichstromkraft ein und verwandeln sie in AC.Dies ist für Systeme erforderlich, die die Batteriespeicherung wie Solarkraft -Setups, ununterbrochene Stromversorgungen (UPS) und Elektrofahrzeuge verwenden, da die meisten Haushaltsgeräte und Industriemaschinen auf AC laufen.
Gemeinsame Wechselrichterkonstruktionen
• PWM -Wechselrichter (Modulation der Pulsbreite) - Dieses Design verwendet einen schnellen elektronischen Schalter, um eine Wechselstromwellenform nachzuahmen.Durch Anpassen der Länge, wie lang jeder Impuls bleibt (seine Breite), kann der Wechselrichter sowohl die Spannung als auch die Frequenz genau steuern und eine effiziente und flexible Leistung ermöglichen.
• H-Brücke Wechselrichter - Dieses Design verwendet vier elektronische Schalter, die in einer H -Form angeordnet sind, um die Richtung des Stromflusses umzukehren.Auf diese Weise in einer kontrollierten Sequenz erzeugt es eine Wechselstromwellenform aus einem Gleichstromeingang.
Ausgangswellenformtypen
• Quadratwelle - Einfach zu erzeugen, aber voller Verzerrungen.Heute selten aufgrund von Kompatibilitätsproblemen mit moderner Elektronik verwendet.
• Modifizierte Sinuswelle - Eine stufenlose Näherung einer glatten Wechselstromwellenform.Es ist kompatibler als eine quadratische Welle, kann aber trotzdem Probleme mit empfindlichen Geräten oder Motoren verursachen.
• Reine Sinuswelle - Diese Ausgabe entspricht eng mit der glatten Wechselstromleistung des Dienstprogramms.Es ist ideal für alle Arten von Geräten, insbesondere für solche mit Motoren, Kompressoren oder Audiogeräten.

Abbildung 6. DC an DC -Konverter
Diese Wandler passen den Spannungsniveau eines Gleichstromversorgung an die Bedürfnisse bestimmter Schaltungen oder Geräte an.Sie sind in allem gefunden, von Smartphones und Laptops bis hin zu Automobilsystemen und eingebetteten Elektronik.
Zwei Haupttypen
• Lineare Regulierungsbehörden - Diese sind einfach und ruhig, aber ineffizient, um große Unterschiede zwischen Eingangs- und Ausgangsspannung zu bewältigen.Die zusätzliche Energie wird in Wärme umgewandelt, was ein Nachteil der leistungsempfindlichen Anwendungen sein kann.
• Switch-Mode-Netzteile (SMPS) - Diese sind viel effizienter, da sie den Strom schnell ein- und ausschaltet und dann mit Induktoren, Kondensatoren und Rückkopplungsregelung umgestalten.
Häufige SMPS -Topologien
• Buck Converter - senkt die Spannung von Eingang zu Ausgang.Nützlich, um die Batteriespannung auf tragbaren Geräten zu treten.
• Boost Converter - Erhöht die Spannung.Häufig in LED -Treibern und Stromversorgungssystemen verwendet.
• Buck-Boost-Konverter - Kann die Spannung je nach Eingangs- und Ausgangsbedingungen erhöhen oder verringern.Gut für Systeme, bei denen die Eingangsspannung variiert.
• CUK -Konverter - Außerdem steigt die Spannung nach oben oder unten, aber die Ausgangspolarität wird umgekehrt.Häufig in Audio- oder Telekommunikationsgeräten verwendet.
Isolierte DC-DC-Konverter
In Anwendungen, bei denen die elektrische Trennung zwischen Eingang und Ausgang erforderlich ist (wie in medizinischen Geräten oder Telekommunikation), verwenden isolierte Konverter Transformatoren, um die Schaltkreise physisch und elektrisch getrennt zu halten.In diesen Szenarien sind Designs wie Flyback, Stürmer und Topologien in voller Brücke häufig.Diese Wandler helfen auch dabei, die elektromagnetische Interferenz (EMI) zu kontrollieren und die Sicherheit zu verbessern.

Abbildung 7. AC zu Wechselstromkonvertern
Diese Konverter modifizieren die Wechselstromleistung, ohne sie zuerst in DC zu konvertieren.Sie werden in Situationen verwendet, in denen sowohl der Eingang als auch der Ausgang Wechselstrom bleiben müssen, aber die Eigenschaften wie Spannung oder Frequenz, die eingestellt werden müssen.
Arten von AC-to-AC-Konvertern
• Wechselstromspannungsregler (auch Choppers genannt) - Diese steuern, wie viel von jedem Wechselstromzyklus den Ausgang erreicht.Durch die Anpassung der Zeit bleibt ein Schalter während des Zyklus geschlossen und kann die Spannung effektiv reduzieren.Zu den häufigen Anwendungen gehören Lichtdimmer, elektrische Heizungen und einfache Motordrehzahlregelsysteme.
• Cycloconverters -Diese konvertieren einen Hochfrequenz-Wechselstromeingang in einen Wechselstromausgang mit niedrigerer Frequenz ohne einen Zwischen-Gleichstromschritt.Sie werden häufig verwendet, um große Motoren mit langsamer Geschwindigkeit in Hochleistungsindustrien wie Bergbau oder Stahlherstellung zu fahren.
• Matrixkonverter - Diese sind fortgeschrittener und verwenden eine gitterartige Anordnung von Schalter, um den Wechselstromeingang direkt in die Wechselstromausgang umzuwandeln.Sie können sowohl Spannung als auch Frequenz mit hoher Präzision einstellen.Ihre kompakte Größe und Effizienz machen sie ideal für leistungsstarke Motorantriebe und Luft- und Raumfahrtsysteme.
Die Auswahl des richtigen Leistungswandlers erfordert eine sorgfältige Berücksichtigung mehrerer wichtiger technischer und praktischer Faktoren.Diese Entscheidungen beeinflussen direkt die Leistung, Sicherheit und Effizienz des Gesamtsystems, unabhängig davon, ob Sie an einem kleinen tragbaren Gerät oder einem großen industriellen Setup arbeiten.Hier ist eine Aufschlüsselung der wichtigsten Elemente, die bewertet werden sollen:
• Spannungskompatibilität - Überprüfen Sie zunächst, ob der Konverter die Eingangsspannung von Ihrer Stromquelle akzeptieren und die spezifische Ausgangsspannung liefern kann, die von Ihrem Gerät erforderlich ist.Nicht übereinstimmende Spannungen können einen unzuverlässigen Betrieb oder einen dauerhaften Schaden verursachen.Beispielsweise funktioniert ein Gerät, das für 5 -V -Eingänge ausgelegt ist, nicht richtig oder sicher -, wenn der Konverter nur 12 V ausgibt.Bestätigen Sie immer sowohl die Eingangs- als auch die Ausgangsbereiche, insbesondere in Systemen, in denen die Spannungsniveaus schwanken können.
• Aktuelle Kapazität - Es reicht nicht aus, um die Spannung zu entsprechen. Der Konverter muss auch in der Lage sein, während des normalen Gebrauchs und der temporären Spitzenlast genügend Strom für Ihr Gerät zu liefern.Geräte ziehen beim Starten oder bei intensiven Aufgaben häufig mehr Strom.Wenn der Konverter diese Anforderungen nicht erfüllen kann, kann er sich im Laufe der Zeit überhitzen, abschalten oder sich verschlechtern.Wählen Sie einen Konverter mit einer aktuellen Bewertung aus, die nicht nur die stationären Anforderungen Ihres Geräts abdeckt, sondern auch die Kopffreiheit für kurzfristige Umstände ermöglicht.
• Effizienz - Eine höhere Effizienz bedeutet, dass mehr der Eingangsleistung an die Last geliefert wird, wobei weniger als Wärme verschwendet wird.Dies ist besonders wichtig für batteriebetriebene Systeme, bei denen jedes Stück Energie zählt.Ein effizienterer Konverter verlängert die Akkulaufzeit und reduziert den Bedarf an sperrigen Kühlkomponenten.Selbst in Systemen, die mit einer konstanten Stromquelle verbunden sind, führt eine bessere Effizienz zu niedrigeren Energiekosten und einer verbesserten thermischen Leistung.
• Größe und physische Passform - Der Konverter muss in den in Ihrem Design verfügbaren physischen Raum passen.Dies ist größtenteils schwerwiegend für tragbare Elektronik, eingebettete Systeme und räumlich begrenzte Gehäuse.Ein zu großer Konverter kann andere Komponenten beeinträchtigen oder den Luftstrom begrenzen.Suchen Sie beim Entwerfen enger Layouts nach Kompaktkonvertern mit hoher Leistungsdichte und überprüfen Sie die Abmessungen sorgfältig, bevor Sie Ihre Auswahl abschließen.
• Thermalmanagement - Alle Leistungswandler erzeugen Wärme, insbesondere wenn Sie höhere Lasten umgehen.Ohne ordnungsgemäße Wärmeableitung können die inneren Temperaturen steigen, was zu einer verringerten Lebensdauer oder einer Systeminstabilität führt.Abhängig vom Stromniveau und der Umgebung können thermische Lösungen Kühlkörper, Luftströme oder sogar aktive Kühlung wie Lüfter umfassen.In Systemen mit begrenzter Belüftung müssen Sie möglicherweise den Konverter "unter seine maximale Kapazität betreiben", um die Temperaturen in Schach zu halten.Überprüfen Sie immer die thermischen Richtlinien für Ihr spezifisches Setup.
• Kosten und Leistung ausbalancieren - Es ist verlockend, die günstigste Option zu wählen, aber Kosteneinsparungen im Voraus können später zu höheren Kosten führen.Ein kostengünstiger Wandler kann vorzeitig unterdurchschnittlich sein, vorzeitig ausfallen oder keine Schutzmaßnahmen verhindern, die Schäden an verbundenen Geräten verhindern.Die Investition in einen hochwertigen, gut abgestimmten Konverter führt typischerweise zu einer größeren Systemzuverlässigkeit, einem geringeren Wartungsbedarf und einer längeren Lebensdauer des gesamten Lebens.Bei schwerwiegenden Anwendungen führt die Priorisierung der Qualität gegenüber dem Preis häufig im Laufe der Zeit zu einem besseren Wert.
Powerconverter werden in der Funktionsweise der modernen Technologie verwendet.Sie helfen dabei, elektrische Leistung in einer Form zu kontrollieren, sich anzupassen und zu liefern, die Geräte und Systeme sicher verwenden können.Von persönlichen Geräten bis zu großen Industrieautomaten stellen diese Konverter sicher, dass Energie in einer Vielzahl von Umgebungen effizient und zuverlässig genutzt wird.
Jeden Tag wie Elektronik wie Laptops, Smartphones, Gaming -Konsolen und Smart -Home -Geräte Alle hängen von Stromversorgern ab - entweder im Produkt gebaut oder als externe Adapter enthalten.Wenn ein Gerät in eine Wandauslass angeschlossen ist, ist der Eingang der Stromversorgung in der Regel mit hoher Spannung abwechselnden Strom (AC).Die meisten elektronischen Komponenten arbeiten jedoch mit niedrigem Spannungs-Gleichstrom (DC).Powerconverter nehmen diese eingehende Wechselstromkraft und reduzieren sie auf einen sicheren, verwendbaren Gleichstromniveau.Sie regulieren auch die Ausgabe, um ihn ruhig zu halten, selbst wenn die Eingangsleistung schwankt - etwas, das empfindliche Schaltkreise vor beschädigter Schaltungen schützt.Viele in der Unterhaltungselektronik verwendete Konverter sind so konzipiert, dass sie mit unterschiedlichen Spannungsniveaus und Frequenzen arbeiten.Dies bedeutet, dass in mehreren Ländern ein einzelnes Ladegerät oder Adapter verwendet werden kann, ohne separate Geräte zu benötigen, was besonders für Reisende nützlich ist.
In Solarenergie und anderen Setups für erneuerbare Energien sind Kraftwerke nützlich, um Rohenergie in etwas Praktisches zu verwandeln. Sonnenkollektoren Zum Beispiel Strom in Form von DC erzeugen.Aber die meisten Haushaltsgeräte und das Stromnetz verwenden AC.Ein Konverter - insbesondere ein Wechselrichter - muss diesen Solar DC in Wechselstromkraft umwandeln, das Geräte ausführen oder wieder in das Netz geschickt werden kann.Um die Effizienz zu verbessern, umfassen diese Systeme häufig Technologien genannt Maximale Power Point Tracking (MPPT).Auf diese Weise kann der Wandler seinen Betrieb anpassen, um die maximal mögliche Energie aus den Sonnenkollektoren zu ziehen, auch wenn sich die Sonneneinstrahlungsbedingungen im Laufe des Tages ändern.In gittergebundene SystemeDie Konverter passen auch die Ausgabe an die Phase und Frequenz des Netzes an.Dies hält die Verbindung reibungslos und stabil und vermeidet Störungen oder Energieverluste.
In Herstellungsanlagen und automatisierte SystemePower -Konverter werden verwendet, um den Betrieb effizient und präzise zu halten.Eine der häufigsten Verwendungen ist in Variable Frequenz -Laufwerke (VFDS), die es Motoren ermöglichen, je nach Aufgabe mit unterschiedlicher Geschwindigkeit zu laufen.Durch die Einstellung der Motordrehzahl können Fabriken Energie sparen, den Verschleiß von Maschinen reduzieren und die Prozesskontrolle verbessern.Konverter werden auch in spezialisierten Netzteilen für Geräte wie verwendet Sensoren, Aktuatoren und Robotik.Diese Systeme verändern häufig die elektrischen Anforderungen, und Konverter tragen dazu bei, eine stabile Ausgabe aufrechtzuerhalten, unabhängig davon, wie sich die Last verschiebt.In robusten oder hochdarsten Umgebungen wie Bergbau, Luft- und Raumfahrt oder automatisierte Montagelinien, Kraftwerker werden mit verstärkten Konstruktionen gebaut, um Wärme, Vibration und elektrischem Rauschen zu widerstehen.Diese Haltbarkeit hilft, Ausfallzeiten und Wartung zu verringern.
Elektrofahrzeuge verlassen sich stark auf Kraftumwandler, um Energie in den Systemen des Fahrzeugs zu verwalten.Wenn ein EV an eine Ladestation angeschlossen ist, muss die eingehende Wechselstromkraft in DC umgewandelt werden, um die Batterie zu laden.Sobald die Batterie geladen ist, treten andere Konverter ein, um die Energie auf verschiedene Fahrzeugsysteme zu verteilen.DC-DC-Wandler stellen den Hochspannungsbatterieausgang auf niedrigere Pegel ein, um Dinge wie wie Innenbeleuchtung, Armaturenbrettelektronik, Unterhaltungssysteme und Sicherheitskontrollen.In regenerativen Bremssystemen spielen Konverter auch eine Schlüsselrolle.Wenn sich das Fahrzeug verlangsamt, wird die kinetische Energie wieder in Elektrizität umgewandelt.Der Konverter erfasst diese Energie und leitet sie auf, um die Batterie wieder aufzuladen und die Gesamteffizienz und den Antriebsbereich zu verbessern.
Das Verständnis von Leistungskonverter ist nützlich, um zu erfassen, wie die heutige Elektronik- und Elektrosysteme effizient funktionieren.Unabhängig davon, ob es sich um Hochspannungs-Wechselstrom in DC mit niedrigem Volt-DC für Ihren Laptop, die invertierende Solarpanelausgabe für den Heimgebrauch oder die Verwaltung des Stromflusses in einem EV umgewandelt hat, machen Konverter alles möglich.Durch die Erforschung ihrer Betriebs-, Typ- und Auswahlkriterien unterstreicht dieser Artikel ihre Rolle bei der Ermöglichung einer sicheren, optimierten und zuverlässigen Leistung in nahezu jedem Sektor des modernen Lebens.
Ja, Konverter ändern die Spannung, indem sie entweder erhöht (steigern) oder abnehmen (Knicken), um den Anforderungen des angeschlossenen Geräts entsprechen.Beispielsweise reduziert ein Telefonladegerät 220 V AC von einem Wandauslass auf 5 V DC.Wenn der Konverter angeschlossen ist, erkennt der Konverter die Eingangsspannung und verwendet interne Komponenten wie Transformatoren und Regulatoren, um die Ausgangsspannung anzupassen und zu stabilisieren.
Wenn Sie einen Stromverritter verwenden, wenn er nicht benötigt wird, kann Ihr Gerät überschwächt, fehlfassen oder dauerhaft beschädigt werden.Wenn Sie beispielsweise ein 110 -V -Gerät in einen 220 -V -Auslass ohne Konverter einfügen, kann die Innernkreis sofort ausbrennen.Umgekehrt kann die Verwendung eines 220 -V -Geräts auf einer 110 -V -Linie dazu führen, dass es schwach oder gar nicht ausgeführt wird.In einigen Fällen kann eine unsachgemäße Spannung Sicherheitssicherungen oder sogar Brandgefahren verursachen.
Sie können feststellen, dass Ihr Spannungskonverter funktioniert, wenn das angeschlossene Gerät normalerweise eingeschaltet wird, stetig funktioniert und nicht überhitzt.Um genauer zu bestätigen, verwenden Sie einen Multimeter an den Ausgangsanschlüssen des Konverters - wenn der Spannungswert mit der Nennleistung (z. B. 12 -V -DC) übereinstimmt, funktioniert es korrekt.Während des Gebrauchs kann sich der Konverter warm anfühlen, was normal ist, aber er sollte niemals zu heiß oder völlig kalt sein, während er unter Last ist.
Der Spannungsbereich eines Wandlers hängt von seinem Typ ab.Einige Konverter akzeptieren einen breiten Eingangsbereich wie 100 V bis 240 V AC und geben eine feste niedrige Spannung wie 5 V, 12 V oder 24 V DC aus.Andere sind einstellbar und können je nach Design einen Bereich von Ausgangsspannungen liefern.Beispielsweise kann ein DC-DC-Buck-Konverter 24 V DC einnehmen und ihn je nach festgelegt auf 1,25 V und 20 V DC reduzieren.
Ein 220-V-Wechselstrom-DC-Wandler ist ein Gerät, das Hochspannungs-Wechselstrom aus einer Wandsteck nimmt und sie sicher reduziert und in einen 5-V-Gleichstrom umwandelt, der üblicherweise zur Durchführung von USB-Geräten, Mikrocontrollern und Sensoren verwendet wird.Es enthält eine Step-Down-Schaltung, einen Gleichrichter und einen Spannungsregler, der zusammen einen stabilen und sicheren Gleichstromausgang gewährleistet.Diese Konverter treten häufig in mobilen Ladegeräten, LED -Treibern und Eingebett -System -Netzteilen vor.
CAP CER 10UF 2.5V X5R 0402
CAP CER 0.2PF 50V C0G/NP0 0402
CAP CER 10UF 16V X5R 1206
CAP CER 4.7UF 6.3V JB 0603
IC INVERT SCHMITT 6CH 1-INP 14SO
IC CURRENT MONITOR 3.5% 8SOIC
IC FLASH 16GBIT PARALLEL 63VFBGA
IGBT Modules
INTEL CLCC68
PI49FC38052CHEX PERICOM
IDT72V221L15PGI IDT
SKHYINX BGA



