Deutsch
Zeit: 2025/12/24
Durchsuchen: 516
Der Temperatursensor TMP36 ist eine beliebte Wahl für genaue und unkomplizierte Temperaturmessungen in analogen und digitalen Systemen.In diesem Artikel werden die Varianten und Gehäuse des TMP36-Temperatursensors, die Pinbelegung, das Funktionsprinzip, der interne Schaltkreisbetrieb, technische Spezifikationen und mehr erläutert.

Der TMP36-Temperatursensor ist ein analoger Niederspannungssensor, der zur genauen und einfachen Messung der Umgebungstemperatur entwickelt wurde.Es wird von Analog Devices hergestellt und bietet einen linearen Spannungsausgang, der die Temperatur direkt darstellt, was die Verbindung mit Mikrocontrollern und analogen Schaltkreisen vereinfacht.
Der TMP36 arbeitet in einem weiten Temperaturbereich von etwa −40 °C bis +125 °C und arbeitet mit Versorgungsspannungen von 2,7 V bis 5,5 V. Er gibt 10 mV pro Grad Celsius mit einem Offset von 500 mV bei 0 °C aus, was bedeutet, dass keine externe Kalibrierung erforderlich ist.
|
TMP36
Teilenummer |
Genauigkeit
(Typisch) |
Temperatur
Reichweite |
Paket
Typ |
Paket
Code |
Notizen |
|
TMP36FS
|
±2,0 °C |
−40 °C bis +125
°C |
8-Leiter-SOIC
(SOIC_N) |
R-8 |
Standard
Genauigkeitsgrad |
|
TMP36FS-REEL
|
±2,0 °C |
−40 °C bis +125
°C |
8-Leiter-SOIC
(SOIC_N) |
R-8 |
Band und Rolle |
|
TMP36FSZ
|
±2,0 °C |
−40 °C bis +125
°C |
8-Leiter-SOIC
(SOIC_N) |
R-8 |
Bleifrei |
|
TMP36FSZ-REEL
|
±2,0 °C |
−40 °C bis +125
°C |
8-Leiter-SOIC
(SOIC_N) |
R-8 |
Bleifrei, Rolle |
|
TMP36GR |
±2,0 °C |
−40 °C bis +125
°C |
5-poliger SOT-23 |
RJ-5 |
Höhere Genauigkeit
Klasse |
|
TMP36GR-REEL7 |
±2,0 °C |
−40 °C bis +125
°C |
5-poliger SOT-23 |
RJ-5 |
Rollenverpackung |
|
TMP36GS
|
±3,0 °C |
−40 °C bis +125
°C |
8-Leiter-SOIC
(SOIC_N) |
R-8 |
Standardnote |
|
TMP36GS-REEL
|
±3,0 °C |
−40 °C bis +125
°C |
8-Leiter-SOIC
(SOIC_N) |
R-8 |
Band und Rolle |
TMP36GT
![]() |
±3,0 °C |
−40 °C bis +125
°C |
3-Pin TO-92 |
T-3-1 |
Durchgangsloch |
|
TMP36GT9
|
±3,0 °C |
−40 °C bis +125
°C |
3-Pin TO-92 |
T-3-1 |
Großverpackung |
|
TMP36GT9Z
|
±3,0 °C |
−40 °C bis +125
°C |
3-Pin TO-92 |
T-3-1 |
Bleifrei |
TMP36-PT7
![]() |
— |
−40 °C bis +125
°C |
Bare Die |
— |
Für kundenspezifische
Montage |

|
Modell |
Hersteller |
Ausgabe
Typ |
Temperatur
Reichweite |
Bemerkungen |
|
LM50 |
Texas
Instrumente |
Analog |
−40 °C bis +125
°C |
Ähnlich
Betriebsbereich und linearer Ausgang |
MCP9700
![]() |
Mikrochip
Technologie |
Analog |
−40 °C bis +125
°C |
Geringer Stromverbrauch,
TMP36-ähnliches Verhalten |
|
MCP9701 |
Mikrochip
Technologie |
Analog |
−40 °C bis +125
°C |
Verbessert
Genauigkeitsversion |
|
AD22100 |
Analoge Geräte |
Analog |
−50 °C bis +150
°C |
Ratiometrisch
Analoger Ausgang |
|
LMT84 |
Texas
Instrumente |
Analog |
−50 °C bis +150
°C |
Kleines Paket,
lineare Reaktion |
|
MAX6605 |
Maxim integriert |
Analog |
−40 °C bis +125
°C |
Werkseitig kalibriert
analoger Sensor |

Das Ersatzschaltbild des TMP36-Temperatursensors zeigt, wie das Gerät die Temperatur in einen stabilen und genauen Spannungsausgang umwandelt.Das Herzstück der Schaltung ist eine Bandlückenreferenz, die aus angepassten Bipolartransistoren mit unterschiedlichen Emitterflächen aufgebaut ist.Diese Struktur erzeugt eine Spannungsdifferenz, die sich vorhersehbar mit der Temperatur ändert und das grundlegende Temperaturerfassungselement bildet.
Transistoren und Widerstände im Schaltkreis skalieren diese temperaturabhängige Spannung, um einen linearen Ausgang von 10 mV pro °C mit einem Offset von 500 mV bei 0 °C zu erzeugen.Dieser Offset ermöglicht es dem TMP36, sowohl positive als auch negative Temperaturen zu messen, ohne dass eine negative Versorgungsspannung erforderlich ist.
Die Ausgangsstufe puffert das interne Signal und bietet ausreichende Ansteuerfähigkeit, sodass eine stabile Spannung am Ausgangspin auch bei Anschluss an externe Schaltkreise gewährleistet ist.

Das Funktionsblockdiagramm des TMP36-Temperatursensors zeigt eine vereinfachte Ansicht der Funktionsweise und Verbindung des Geräts innerhalb eines Systems.Der Sensor wird über den +VS-Pin mit Strom versorgt, der eine Versorgungsspannung von 2,7 V bis 5,5 V akzeptiert, wodurch er für stromsparende und batteriebetriebene Anwendungen geeignet ist.Der GND-Pin dient als Referenzmasse für einen stabilen Betrieb.
Der VOUT-Pin liefert eine analoge Spannung, die direkt proportional zur gemessenen Temperatur ist.Dieser Ausgang ist werkseitig kalibriert und linear, so dass die Temperatur einfach von einem Analog-Digital-Wandler ohne zusätzliche Signalaufbereitung abgelesen werden kann.
Mit dem SHUTDOWN-Pin kann der Sensor in einen Energiesparmodus versetzt werden, wenn keine Temperaturmessungen erforderlich sind.Diese Funktion reduziert den Stromverbrauch und ist besonders bei energieeffizienten Designs nützlich.
|
Parameter |
Spezifikation |
|
Sensortyp |
Analog
Temperatursensor |
|
Ausgabetyp |
Analoge Spannung |
|
Temperatur
Reichweite |
−40 °C bis +125
°C |
|
Genauigkeit |
±1 °C (typisch).
bei 25 °C) |
|
Linearität |
±0,5 °C
(typisch) |
|
Ausgabeskala
Faktor |
10 mV/°C |
|
Ausgangsspannung
bei 25 °C |
750 mV |
|
Versorgungsspannung
Reichweite |
2,7 V bis 5,5 V |
|
Versorgungsstrom |
< 50 µA
(typisch) |
|
Selbsterwärmung |
< 0,1 °C Zoll
noch Luft |
|
Reaktionszeit |
< 1 Sekunde
(typisch) |
|
Betrieb
Temperatur |
−40 °C bis +125
°C |
|
Ausgangsimpedanz |
Niedrig (geeignet
für ADC-Eingang) |
|
Kalibrierung |
Fabrik
kalibriert |
|
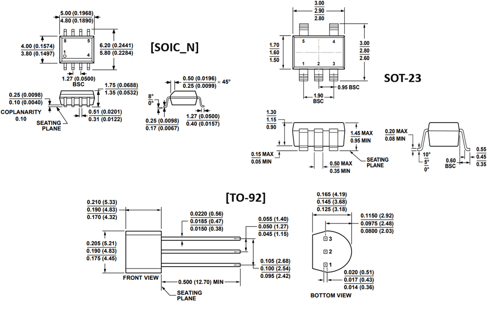
Typische Pakete |
TO-92;SOIC-N;
SOT-23 |
Der TMP36 liefert eine Ausgangsspannung, die direkt der Temperatur in Grad Celsius entspricht.Dies bedeutet, dass keine zusätzlichen Berechnungen oder komplexen Konvertierungen erforderlich sind, was die Verwendung sowohl in analogen als auch in digitalen Temperaturmessanwendungen sehr einfach macht.
Der Sensor erzeugt einen linearen Ausgang von 10 mV pro °C, was die Temperaturmessung und das Systemdesign vereinfacht.Da sich der Ausgang gleichmäßig mit der Temperatur ändert, lässt er sich problemlos mit Mikrocontrollern, ADCs und Datenerfassungssystemen verbinden.
Der TMP36 kann Temperaturen von ca. −40 °C bis +125 °C messen.Dieser große Bereich ermöglicht den Einsatz in vielen Umgebungen, einschließlich Industrieanlagen, Unterhaltungselektronik und Außenanwendungen.
Er wird mit einer einzigen Versorgungsspannung zwischen 2,7 V und 5,5 V betrieben. Aufgrund dieser geringen Spannungsanforderung eignet sich der TMP36 ideal für batteriebetriebene Geräte und eingebettete Systeme mit geringem Stromverbrauch.
Der Sensor verbraucht während des Betriebs nur sehr wenig Strom, was dazu beiträgt, den Gesamtstromverbrauch zu reduzieren.Diese Funktion ist besonders wichtig für tragbare Geräte, IoT-Projekte und energieeffiziente Designs.
Der TMP36 ist werkseitig kalibriert, sodass er sofort nach dem Auspacken präzise funktioniert.Designer müssen keine Trimmkomponenten hinzufügen oder eine manuelle Kalibrierung durchführen, was sowohl Zeit als auch Kosten während der Entwicklung spart.
Das Gerät bietet eine gute Genauigkeit bei üblichen Betriebstemperaturen und ist daher für die meisten allgemeinen Temperaturüberwachungsaufgaben zuverlässig.Diese Genauigkeit reicht für Anwendungen wie Wärmeschutz, Systemüberwachung und Umgebungssensorik aus.
Mit nur drei Pins – Strom, Masse und Ausgang – lässt sich der TMP36 sehr einfach anschließen.Diese einfache Schnittstelle reduziert die Komplexität der Verkabelung und eignet sich sowohl für Anfänger als auch für professionelle Designs.
Der TMP36 bietet einen stabilen Analogausgang mit minimalem Rauschen, was dazu beiträgt, konsistente Temperaturmesswerte sicherzustellen.Diese Stabilität ist wichtig in Systemen, in denen kleine Temperaturänderungen genau und ohne Signalschwankungen erfasst werden müssen.
Der TMP36 ist auf eine lange Lebensdauer ausgelegt und behält über die Zeit hinweg eine konstante Leistung bei.Dadurch eignet es sich für Anwendungen, die eine kontinuierliche Temperaturüberwachung ohne häufigen Austausch oder Neukalibrierung erfordern.
Der Sensor reagiert schnell auf Temperaturänderungen, sodass Systeme schneller auf steigende oder fallende Temperaturen reagieren können.Dies ist nützlich bei Schutzschaltungen, thermischen Abschaltsystemen und Echtzeitüberwachungsanwendungen.
Änderungen der Versorgungsspannung haben kaum Auswirkungen auf die Ausgangsgenauigkeit des TMP36.Diese Funktion verbessert die Zuverlässigkeit in Systemen, in denen die Stromversorgung leicht schwanken kann, beispielsweise bei batteriebetriebenen oder tragbaren Geräten.
Der TMP36 benötigt für den Grundbetrieb keine externen Widerstände, Kondensatoren oder Referenzspannungen.Dies vereinfacht das Schaltungsdesign, reduziert die Anzahl der Komponenten und senkt die Gesamtsystemkosten.
Der TMP36 ist in kleinen Gehäusetypen erhältlich und passt problemlos in platzbeschränkte Designs.Aufgrund seiner kompakten Größe eignet es sich für dichte Leiterplatten, kompakte Unterhaltungselektronik und eingebettete Module.
Der analoge Ausgangsspannungsbereich des TMP36 ist mit den ADC-Eingängen der meisten Mikrocontroller kompatibel.Dies ermöglicht eine einfache Integration in Arduino, PIC, ARM und andere eingebettete Plattformen ohne spezielle Schnittstellenschaltungen.
Im Gegensatz zu einigen Sensoren, die nur über 0 °C funktionieren, kann der TMP36 negative Temperaturen genau messen.Dies macht es nützlich für Kühlsysteme, die Überwachung von Kühllagern und die Messung der Außentemperatur.
Der TMP36 ist ein linearer analoger Niederspannungs-Temperatursensor, der eine Spannung direkt proportional zur Umgebungstemperatur ausgibt.Es ist einfach zu bedienen und erfordert nur wenige externe Komponenten, um zuverlässig zu funktionieren.

In einer typischen Schaltung ist der +VS-Pin mit einer Stromversorgung (normalerweise 2,7 V bis 5,5 V) verbunden, der GND-Pin ist mit der Schaltungsmasse verbunden und der VOUT-Pin liefert eine analoge Spannung, die die Temperatur darstellt.Ein kleiner 0,1-µF-Entkopplungskondensator wird zwischen Versorgung und Masse platziert, um Rauschen zu reduzieren und die Stabilität zu verbessern.
Der TMP36 verfügt über eine lineare Ausgangsskala von 10 mV/°C mit einem Offset von 500 mV bei 0 °C.Dieser Offset ermöglicht es dem Sensor, Temperaturen unter dem Gefrierpunkt zu messen, ohne dass eine negative Versorgungsspannung erforderlich ist.Die Temperatur kann mit der Formel berechnet werden:
Temperatur (°C) = (VOUT − 500 mV) ÷ 10 mV
In der gezeigten Beispielschaltung wird ein Widerstandsteiler (R1 und R2) verwendet, um die Ausgangsspannung für bestimmte Messbereiche oder Schnittstellen zu skalieren oder zu referenzieren.Der Ausgang zeigt beispielsweise etwa 18 mV bei –40 °F und etwa 315 mV bei +257 °F an, was zeigt, wie die Spannung stetig mit der Temperatur ansteigt.
Um TMP36 mit einem Mikrocontroller zu verwenden, verbinden Sie einfach VOUT mit einem ADC-Pin und wandeln Sie die gemessene Spannung mithilfe der obigen Formel in Temperatur um.Sein geringer Stromverbrauch, seine gute Genauigkeit und die minimalen externen Komponenten machen den TMP36 ideal für eingebettete Systeme, Umweltüberwachung, Unterhaltungselektronik und Hobbyprojekte.
• Überwachung der Umgebungslufttemperatur
• Wärmesensorik in der Unterhaltungselektronik
• Mikrocontroller-basierte Temperaturprojekte (Arduino, Raspberry Pi usw.)
• HVAC- und Klimakontrollsysteme
• Überwachung der Batterietemperatur
• Überhitzungsschutz des Netzteils
• Temperaturmessung von Industrieanlagen
• Messung der Fahrzeuginnentemperatur
• Medizinische und Gesundheitsüberwachungsgeräte
• Datenlogger und Wetterstationen
• Hausautomation und intelligente Geräte
• Übertemperaturerkennung und Alarme
|
Funktion |
TMP36 |
LM35 |
|
Sensortyp |
Analog
Temperatursensor |
Analog
Temperatursensor |
|
Ausgabetyp |
Analoge Spannung |
Analoge Spannung |
|
Ausgabeskala |
10 mV/°C mit
500 mV Offset |
10 mV/°C (Nr
Offset) |
|
Ausgabe bei 0 °C |
500 mV |
0 mV |
|
Temperatur
Reichweite |
−40 °C bis +125
°C |
0 °C bis +150 °C |
|
Versorgungsspannung |
2,7 V bis 5,5 V |
4 V bis 30 V |
|
Genauigkeit
(Typisch) |
±1 °C bei 25 °C |
±0,5 °C bei 25 °C |
|
Erfordert
Negatives Angebot |
Nein |
Ja (für unter 0
°C) |
|
Kalibrierung
Erforderlich |
Nein |
Nein |
|
Macht
Verbrauch |
Sehr niedrig |
Niedrig |
|
Einfachheit der MCU
Schnittstelle |
Sehr einfach |
Einfach |
|
Gewöhnlich
Anwendungen |
Batteriebetrieben
Geräte, Mikrocontroller |
Industrie,
Labor, eingebettete Systeme |

Analog Devices, Inc. stellt den TMP36 mit präzisem Analogdesign, bewährten Halbleiterprozessen und strenger Qualitätskontrolle her.Fortschrittliche Wafer-Fertigung, automatisierte Montage und Werkskalibrierung sorgen für gleichbleibende Genauigkeit, geringen Stromverbrauch und zuverlässige Leistung und ermöglichen so eine Massenproduktion und langfristige Produktverfügbarkeit.
Verwenden Sie eine ordnungsgemäße PCB-Erdung, kurze Signalleitungen und einen 0,1-µF-Entkopplungskondensator in der Nähe des Sensors, um Rauschen zu reduzieren und die Messwerte zu stabilisieren.
Ja, aber lange Kabel können Rauschen verursachen;Die Verwendung abgeschirmter Kabel oder das Hinzufügen eines Pufferverstärkers trägt zur Aufrechterhaltung der Signalintegrität bei.
Ein 10-Bit-ADC eignet sich gut für den allgemeinen Gebrauch, während ein 12-Bit-ADC oder höher eine bessere Temperaturauflösung und Präzision bietet.
Der TMP36 ist auf Langzeitstabilität ausgelegt und weist unter normalen Betriebsbedingungen typischerweise eine sehr geringe Drift auf.
Platzieren Sie es in der Nähe der zu messenden Wärmequelle und fern von Luftströmungen, Leistungskomponenten oder wärmeerzeugenden ICs.
Ja, es kann in einem wasserdichten Gehäuse eingeschlossen oder mit wärmeleitendem Epoxidharz beschichtet werden, um es in feuchten Umgebungen oder im Freien zu verwenden.
Die Anwendung digitaler Mittelwertbildung oder eines einfachen Tiefpassfilters in der Firmware trägt zur Stabilisierung der Temperaturmesswerte bei.
Der TMP36 ist weitgehend unempfindlich gegenüber kleinen Versorgungsschwankungen und ist daher in batteriebetriebenen und tragbaren Systemen zuverlässig.
Ja, nach der Berechnung von Celsius aus der Ausgangsspannung kann das Ergebnis mit einer einfachen Formel in der Software in Fahrenheit umgerechnet werden.
CAP CER 0.68UF 16V X7R 1206
CAP TANT 33UF 20% 35V 2917
IC MCU 32BIT 256KB FLASH 100LQFP
IC LED DRVR LINEAR 45MA 24TSSOP
IGBT Modules
IC FLAT PANEL INTERFACE 128-MQFP
IR21141SS IR
TPHR9003NL TOSHIBA
TOREX USP-6B
CAP TANT 220UF 10% 10V 2917
TLC272BCPSR TI
XC5VLX110FFG1153FNU0833 XILINX
SENSOR ANALOG -40C-125C TO92-3
vorrätig: 613
SENSOR ANALOG -40C-125C 8SOIC
vorrätig: 1188
SENSOR ANALOG -40C-125C 8SOIC
vorrätig: 487
SENSOR ANALOG -40C-125C 8SOIC
vorrätig: 102
SENSOR ANALOG -40C-125C 8SOIC
vorrätig: 413



