Deutsch
Zeit: 2025/11/20
Durchsuchen: 11

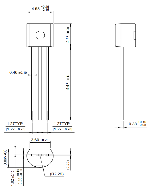
Die SS9014 ist ein Kleinsignal-NPN-Bipolartransistor, der für Low-Level-Verstärkungs- und Schaltanwendungen entwickelt wurde.Er arbeitet typischerweise mit einer Kollektor-Emitter-Spannung von etwa 45 V und kann einen Kollektorstrom von bis zu 100 mA verarbeiten, wodurch er sich für die Ansteuerung von LEDs, Sensoren und anderen Lasten mit geringem Stromverbrauch eignet.Seine Übergangsfrequenz nahe 150 MHz ermöglicht eine gute Leistung in Audio- und Hochfrequenzschaltungen.
Dieser Transistor ist häufig in TO-92- und SOT-23-Gehäusen zu finden und bietet Flexibilität sowohl für Durchsteck- als auch für Oberflächenmontagedesigns.Mit einer Verlustleistung von typischerweise 200 mW bis 450 mW eignet es sich am besten für Schaltkreise, in denen die Wärme gut kontrolliert wird.Der SS9014 wird aufgrund seiner stabilen Verstärkungseigenschaften und seines geringen Rauschens häufig in Audio-Vorverstärkern, Signalverarbeitungs- und Allzweck-Schaltkreisen verwendet.
Wenn Sie Interesse am Kauf des Produktmodells SS9014 haben, kontaktieren Sie uns bitte bezüglich Preis und Verfügbarkeit.
|
Modell |
Typ |
VCEO
Max |
IC
Max |
|
KSP06
|
NPN |
80V |
500mA |
|
KSP42 |
NPN |
300V |
500mA |
|
MPSA42 |
NPN |
300V |
500mA |
|
MPSW06 |
NPN |
80V |
1A |
|
BC549 |
NPN |
30V |
100mA |
|
BC636 |
NPN |
80V |
1A |
|
BC639 |
NPN |
80V |
1A |
|
BC547 |
NPN |
45V |
100mA |
|
2N2369 |
NPN |
15V |
200mA |
|
2N3055 |
NPN |
60V |
15A |
|
2N3904 |
NPN |
40V |
200mA |
|
2N3906 |
PNP |
40V |
200mA |
|
2SC5200 |
NPN |
230V |
15A |
|
2N5551 |
NPN |
160V |
600mA |

|
Pin
Nummer |
Pin
Name |
Funktion
|
|
1 |
Emitter |
Strom fließt ab
des Transistors;normalerweise in NPN-Schaltungen mit Masse verbunden. |
|
2 |
Basis |
Steuert die
Transistorschaltung;Ein kleiner Strom, der hier angelegt wird, reguliert einen größeren Strom
zwischen Kollektor und Emitter. |
|
3 |
Sammler |
Hauptstrom
Eingabe;in den meisten Schalt- oder Verstärkerschaltungen mit der Last verbunden. |
|
Symbol |
Parameter |
Bewertung |
Einheiten |
|
VCBO |
Sammlerbasis
Spannung |
50 |
V |
|
VCEO |
Sammler-Emitter
Spannung |
45 |
V |
|
VEBO |
Emitter-Basis
Spannung |
5 |
V |
| Ic |
Sammler
Aktuell |
100 |
mA |
| Stk |
Kollektorleistung
Zerstreuung |
450 |
mW |
| Tj |
Kreuzung
Temperatur |
150 |
°C |
|
TSTG |
Lagerung
Temperatur |
−55 bis +150 |
°C |
|
Parameter |
Testen
Zustand |
Werte
(Min./Typ/Max.) |
Einheiten |
|
Sammlerbasis
Durchbruchspannung (BVCBO) |
IC = 100 µA, IE =
0 |
Min.: 50 |
V |
|
Sammler-Emitter
Durchbruchspannung (BVCEO) |
IC = 1mA, IB = 0 |
Minute: 45 |
V |
|
Emitter-Basis
Durchbruchspannung (BVEBO) |
IE = 100µA, IC =
0 |
Min.: 5 |
V |
|
Sammler
Abschaltstrom (ICBO) |
VCB = 50 V, IE =
0 |
Maximal: 50 |
nA |
|
Emitter-Abschaltung
Aktuell (IEBO) |
VEB = 5V, IC = 0 |
Maximal: 50 |
nA |
|
Gleichstromverstärkung
(hFE) |
VCE = 5V, IC =
1mA |
Min: 60 / Typ:
280 / Maximal: 1000 |
— |
|
VCE (Sa) |
IC = 100mA, IB =
5mA |
Typ: 0,14 / Max:
0,30 |
V |
|
VBE(Sa) |
IC = 100mA, IB =
5mA |
Typ: 0,84 / Max:
1,0 |
V |
|
VSEIN(an) |
VCE = 5V, IC =
2mA |
Min: 0,58 / Typ:
0,63 / Maximal: 0,70 |
V |
|
Ausgabe
Kapazität (Cob) |
VCB = 10 V, f =
1 MHz |
Typ: 2.2 / Max:
3.5 |
pF |
|
Aktueller Gewinn
Bandbreite (fT) |
VCE = 5V, IC =
10mA |
Min: 150 / Typ:
270 |
MHz |
|
Rauschzahl
(NF) |
VCE = 5V, IC =
0,2 mA, f = 1 kHz, RS = 2 kΩ |
Min.: 0,9 / Max.:
10 |
dB |
Kleinsignal-NPN-Bipolartransistor (BJT)
Geeignet für rauscharme Verstärkungs- und Schaltanwendungen
Kollektor-Emitter-Spannung (VCEO): 45 V maximal
Kollektorstrom (Ic): 100 mA maximal
Hohe Gleichstromverstärkung (hFE): je nach Klassifizierung bis zu 1000
Geringe Ausgangskapazität für verbesserte Hochfrequenzleistung
Hohe Übergangsfrequenz (fT): bis zu 270 MHz
Niedrige Kollektor- und Emitter-Abschaltströme für eine effiziente Signalsteuerung
Erhältlich im TO-92-Gehäuse (wird häufig in Durchsteckdesigns verwendet)

Eine typische SS9014-Vorverstärkerkonfiguration umfasst vier Vorspannungswiderstände und zwei Koppelkondensatoren, die so angeordnet sind, dass sie einen reibungslosen Wechselstromsignalfluss und einen stabilen Transistorbetrieb gewährleisten.Das Eingangssignal durchläuft den Kondensator C1 und gelangt in die Basis von Q1, dem SS9014-Transistor.Der Kollektor ist über den Widerstand R1 mit VCC verbunden, während der verstärkte Ausgang über den Kondensator C2 gekoppelt ist.Der Emitter ist über den Widerstand R2 mit Masse verbunden.Unterdessen bilden die Widerstände R3 und R4 einen Spannungsteiler, der für die richtige Basisvorspannung sorgt, sodass der Transistor in seinem aktiven Bereich arbeiten und Verzerrungen reduzieren kann.
Um Widerstandswerte zu berechnen, wählen Sie zunächst den gewünschten Kollektorstrom-IC aus.Bestimmen Sie dann den Basisstrom, indem Sie IC durch die Stromverstärkung hFE des Transistors dividieren.Wählen Sie anhand dieser Werte geeignete Widerstandswerte für einen stabilen Betrieb.Ein beispielhafter Berechnungsansatz ist Ib = Ic / hFE, gefolgt von der Bestimmung der Vorspannungswiderstandswerte, um konsistente Betriebsbedingungen aufrechtzuerhalten.Die richtige Vorspannung gewährleistet eine saubere Verstärkung und verhindert Verschiebungen, die zu Übersteuerung oder Rauschen führen.
Der SS9014 bietet mehrere Vorteile bei der Audioverstärkung, darunter geringes Rauschen für eine klarere Klangwiedergabe, hohe Verstärkung für starke Signalanhebung und zuverlässige Funktion in elektronischen Niederspannungsdesigns.Seine Verfügbarkeit und Erschwinglichkeit machen es zur bevorzugten Wahl sowohl für Lernanwendungen als auch für professionelle Audioschaltungen.

Abbildung 1. Statische Charakteristik
Dieses Diagramm zeigt die Beziehung zwischen dem Kollektorstrom (IC) und der Kollektor-Emitter-Spannung (VCE) für verschiedene Basisströme (IB).Jede Kurve stellt einen konstanten Basisstromwert dar.Wenn VCE ansteigt, steigt IC zunächst schnell an und pendelt sich dann ein, was darauf hinweist, dass der Transistor in den aktiven Bereich eintritt.Ein höherer Basisstrom führt zu einem proportional höheren Kollektorstrom, was das Stromverstärkungsverhalten des Transistors zeigt.Der flachere Teil jeder Kurve spiegelt wider, dass der Kollektorstrom im aktiven Bereich weitgehend unabhängig von VCE wird.
Abbildung 2. DC-Stromverstärkung (hFE)
Dieses Diagramm zeigt, wie sich die Gleichstromverstärkung mit dem Kollektorstrom bei VCE = 5 V ändert.Bei niedrigem Kollektorstrom steigt hFE an und bleibt dann über einen breiten Strombereich relativ stabil, was auf eine effiziente Verstärkung hinweist.Wenn sich der Kollektorstrom höheren Werten nähert, beginnt die Verstärkung abzunehmen, was bedeutet, dass der Transistor den Strom bei starker Belastung weniger effektiv verstärkt.

Abbildung 3. Basis-Emitter- und Kollektor-Emitter-Sättigungsspannung
Diese Abbildung veranschaulicht, wie sich die Sättigungsspannungen VBE(sat) und VCE(sat) mit zunehmendem Kollektorstrom ändern.Die Sättigung tritt auf, wenn der Transistor vollständig eingeschaltet ist, und eine weitere Erhöhung der Basisansteuerung kann den Kollektorstrom nicht wesentlich erhöhen.VCE(sat) bleibt typischerweise niedrig, was auf einen geringen Spannungsabfall in der Sättigung hinweist, wodurch der Transistor als Schaltgerät nützlich ist.VBE(sat) steigt langsam mit dem Strom an, was zeigt, dass der Basis-Emitter-Übergang bei größeren Strömen eine höhere Vorwärtsvorspannung erfordert.
Abbildung 4. Aktuelles Verstärkungsbandbreitenprodukt (fT)
Dieses Diagramm zeigt die Übergangsfrequenz fT über dem Kollektorstrom, wiederum bei VCE = 5 V.Der Wert von fT stellt die Frequenz dar, bei der die Stromverstärkung des Transistors auf 1 sinkt. Mit zunehmendem Kollektorstrom steigt fT auf einen Spitzenwert an, was darauf hinweist, dass der Transistor bei diesem Betriebsstrom seine beste Hochfrequenzleistung erreicht.Nach Überschreiten des optimalen Strombereichs nimmt fT ab, was einen Verlust der Hochfrequenzverstärkungsfähigkeit zeigt.
Signalverstärkung - Der SS9014 kann schwache Audio-, Sensor- oder HF-Signale in Vorverstärker- und rauscharmen Verstärkerstufen von Radios, Gegensprechanlagen und kleinen Audiogeräten verstärken.Seine relativ hohe Verstärkung und sein geringes Rauschen tragen zur Aufrechterhaltung der Signalqualität bei.
Allzweck-Switching - Er wird oft als stromsparender Schalter verwendet, der von einem Mikrocontroller, einem Logikgatter oder einem Sensor gesteuert wird.Der Transistor kann Relais, LEDs oder kleine Motoren ansteuern, indem er ermöglicht, dass ein niedriger Basisstrom einen höheren Laststrom steuert.
Oszillator- und Zeitschaltungen - Aufgrund seines guten Frequenzgangs eignet sich der SS9014 gut für Oszillatoren, Wellenformgeneratoren, Timer und Taktschaltungen, die in Kommunikations- und Steuerungssystemen verwendet werden.
Spannungsregulierung und Pegelverschiebung - Der SS9014 findet sich in einfachen Spannungsreglern, Rückkopplungsschaltungen und Pegelverschiebungsstufen, wo Signale zwischen Logikpegeln oder Referenzspannungen wechseln müssen.
HF- und Kommunikationsschaltungen - Mit einer Übergangsfrequenz (fT) im Hunderte-MHz-Bereich kann es in HF-Verstärkern mit geringer Leistung, ZF-Stufen und Empfänger-Frontends in drahtlosen Modulen verwendet werden.
|
Funktion
|
SS9014 |
BC547B |
|
Pakettyp |
TO-92 |
TO-92 |
|
Polarität / Typ |
NPN |
NPN |
|
Bewerbung
Kategorie |
Geräuscharm,
Hochfrequenz-Allzweck |
Universell einsetzbar
rauscharmer Verstärker |
|
VCE(max) –
Kollektor-Emitter-Spannung |
~ 45 V |
45 V |
|
VBE(on) – Basis-Emitter
Auf Spannung |
~ 0,65–0,75 V |
~ 0,65–0,70 V |
|
IC(max) – Max. Kollektor
Aktuell |
~ 100 mA |
100mA |
|
hFE (DC-Verstärkung)
Typischer Bereich |
~ 80 – 350
(variiert je nach Modell) |
200 – 450 (B
Klassenstufe) |
|
Geräuschpegel |
Im Allgemeinen niedrig
Lärm |
Geräuscharm (BC547
Familie ist für ihren geringen Lärm bekannt) |
|
Übergang
Frequenz (fT) |
~ 250–600 MHz
(höhere HF-Fähigkeit) |
~ 100 MHz
typisch |
|
Macht
Dissipation, PD |
~ 300–400 mW |
~ 500 mW |
|
Sammler-Emitter
Sättigungsspannung VCE(sat) |
~ 90–200 mV (bei
IC ≈ 10mA) |
~ 90–200 mV
(ähnlich) |
|
Basis-Emitter
Sättigungsspannung VBE(sat) |
~ 0,8–1,0 V |
~ 0,75–0,90 V |
|
Typische Verwendung
Bereiche |
HF-Module,
Kleinsignal-HF-Verstärker, Audio-Vorverstärker, rauscharme Stufen |
Allgemein
Schalten, Audiovorverstärker, Sensoren, MCU-Schnittstelle |
|
Stärken |
Besser
Hochfrequenzleistung, gutes Geräuschverhalten |
Weitgehend
verfügbar, stabile Verstärkung, üblich in der Ausbildung und im Prototyping |
|
Schwächen |
Etwas niedriger
Verlustleistung, nicht so allgemein erhältlich wie BC547B |
Langsamer für RF
Verwendung, niedrigerer fT als SS9014 |
|
Ersatz
Notizen |
Kann ersetzen
In vielen Fällen 2N3904, aber überprüfen Sie fT und Bias |
Oft
je nach Spannungs- und Geräuschanforderungen durch BC548/BC549 austauschbar |

Onsemi, ein weltweit führender Halbleiterhersteller, liefert SS9014 und ähnliche Kleinsignal-NPN-Transistoren mit starken Fähigkeiten in der Massenproduktion mit hoher Zuverlässigkeit für Verbraucher-, Industrie- und Kommunikationselektronik.Das Unternehmen ist bekannt für seine strengen Prozesskontrollen, die Optimierung geräuscharmer Geräte und seine konstante Leistung über alle Temperatur- und Spannungsbereiche hinweg.Onsemi unterstützt fortschrittliche Verpackungen, automatisierte Tests und Branchenzertifizierungen, einschließlich RoHS- und REACH-Konformität.
Insgesamt bietet der NPN-Transistor SS9014 ein ausgewogenes Verhältnis zwischen rauscharmer Verstärkung, zuverlässigem Schaltverhalten und Hochfrequenzleistung, was ihn zu einer praktischen Wahl für Entwickler macht, die mit Audio-Vorverstärkern, HF-Stufen und allgemeinen Signalaufbereitungsschaltungen arbeiten.Seine klar definierte Pinbelegung, absolute Maximalwerte und elektrischen Parameter vereinfachen die Vorspannung und das Schaltungsdesign, während seine Verfügbarkeit in Standardgehäusen und die Kompatibilität mit gängigen Ersatzprodukten wie BC547B und 2N3904 die Designflexibilität und Versorgungssicherheit erhöhen.
Der SS9014 hat ein geringeres Rauschen und eine höhere Übergangsfrequenz, wodurch er sich besser für Audio- und HF-Schaltkreise eignet, während der 2N3904 ein universellerer und weit verbreiteter NPN-Transistor ist.
Ja.Sein niedriges Rauschmaß und die stabile Verstärkung ermöglichen eine gute Leistung in Mikrofonvorverstärkern, Klangregelkreisen und kleinen Audioverstärkern.
Stellen Sie mithilfe eines Spannungsteilers eine geeignete Basisvorspannung ein, wählen Sie einen Kollektorstrom basierend auf der gewünschten Verstärkung und stellen Sie sicher, dass der Transistor im aktiven Bereich arbeitet, um Verzerrungen zu vermeiden.
Ja.Mit einem fT von typischerweise über 150 MHz funktioniert es gut in HF-Stufen, Oszillatoren und ZF-/Empfängerschaltungen mit geringem Stromverbrauch.
Der Betrieb kann bei -55 °C bis +150 °C erfolgen, sodass er für die meisten Verbraucher- und Industrieumgebungen geeignet ist.
Verwenden Sie für zuverlässiges Schalten einen Basiswiderstand, der als RB = (Vcontrol − VBE) / IB berechnet wird, wobei IB normalerweise IC/10 beträgt.
CAP CER 1.5PF 50V C0G/NP0 0402
CAP CER 2.3PF 100V C0G/NP0 0603
IC ADC 8BIT SAR 8VSSOP
IC MCU 8BIT ROMLESS 44PLCC
IC FLASH 256MBIT PAR 64EASYBGA
IGBT Modules
MAX9123 QUAD LVDS LINE DRIVER
ISP1581BD NXP
DYNAMICALLY ADJUSTABLE, SYNCHRON
RC82562GZ INTEL
M30624FGNHP RENESAS
LPC1751FBD80551 NXP
CAP CER 1.5PF 250V 0603
vorrätig: 1034


