Deutsch
Zeit: 2025/11/9
Durchsuchen: 1,284
Das SIM800L

SIM800L
SIMCOM
SIMCOM LGA
In Stock: 22200 pcs
GSM-Modul ist ein leistungsstarkes und dennoch kompaktes Kommunikationsgerät, das entwickelt wurde, um mobile Netzwerkfunktionen in Mikrocontroller-basierte Systeme zu integrieren.Es wurde von SIMCom entwickelt und ermöglicht Benutzern die Ausführung wesentlicher GSM-Funktionen wie das Tätigen von Sprachanrufen, das Senden von SMS-Nachrichten und das Herstellen einer Verbindung zum Internet über GPRS.In diesem Artikel werden die Funktionen, Spezifikationen, Bedienung, Anwendungen und mehr des SIM800L GSM-Moduls erläutert.

Die SIM800L

SIM800L
SIMCOM
SIMCOM LGA
In Stock: 22200 pcs
ist ein kompaktes GSM/GPRS-Modul, das von Simcom entwickelt wurde und jeden Mikrocontroller mit vollen GSM-Funktionen ausstatten soll.Es ermöglicht mobile Netzwerkkonnektivität für Sprachanrufe, SMS und Internetzugang über GPRS-, TCP- und IP-Protokolle.Durch den Betrieb auf Standard-Mobilfunkfrequenzen ist eine globale Verwendbarkeit in den Bändern GSM 850 MHz, EGSM 900 MHz, DCS 1800 MHz und PCS 1900 MHz gewährleistet.
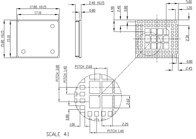
Mit Abmessungen von nur 15,8 × 17,8 × 2,4 mm ist der SIM800L ideal für kompakte Anwendungen wie Smartphones, PDAs und eingebettete Geräte.Es unterstützt GPRS-Multi-Slot-Klasse 12, CS-1 bis CS-4-Kodierungsschemata und verfügt über USB, serielle Anschlüsse, SIM-Schnittstelle, FM-Unterstützung, PWM-Ausgang und Audiokanäle mit Mikrofon- und Lautsprecheranschlüssen.Es ist auf Effizienz ausgelegt und verbraucht im Schlafmodus nur 0,7 mA, was es perfekt für stromempfindliche Projekte macht.
Wenn Sie Interesse am Kauf des GSM-Moduls SIM800L haben, kontaktieren Sie uns bitte bezüglich Preis und Verfügbarkeit.

|
Pin
Nein. |
Pin
Name |
Beschreibung |
Funktion |
|
1 |
NET |
Netzwerkstatus
Indikator |
Wird zum Verbinden verwendet
eine externe LED zur Anzeige des Netzwerkstatus (blinkt, um das Signal anzuzeigen). |
|
2 |
VCC |
Stromversorgung
Eingabe |
Verbindet sich mit
3,7 V–4,2 V Gleichstrom (empfohlen 4,0 V). |
|
3 |
RST |
Pin zurücksetzen |
Wird zum Zurücksetzen verwendet
das Modul;aktiv niedrig. |
|
4 |
RXD |
UART-Empfangspin |
Empfängt seriell
Daten vom Mikrocontroller (an TX der MCU anschließen). |
|
5 |
TXD |
UART-Übertragung
Stift |
Überträgt seriell
Daten an den Mikrocontroller (an RX der MCU anschließen). |
|
6 |
GND |
Boden |
Gemeinsamkeit
Verbindung. |
|
7 |
SPK– |
Lautsprecher negativ |
Verbindet sich mit
externen Lautsprecher (Minuspol). |
|
8 |
SPK+ |
Sprecher positiv |
Verbindet sich mit
externen Lautsprecher (Pluspol). |
|
9 |
MIC– |
Mikrofon
negativ |
Verbindet sich mit
Mikrofon (Minuspol). |
|
10 |
MIC+ |
Mikrofon
positiv |
Verbindet sich mit
Mikrofon (Pluspol). |
|
11 |
DTR |
Datenterminal
Bereit |
Wird zum Schlafen verwendet
Steuerung oder serielles Kommunikationsmanagement. |
|
12 |
RING |
Ringanzeige |
Geht niedrig, wenn ein
eingehender Anruf oder SMS empfangen wird. |
|
Modul |
Netzwerk
Bands |
GPRS
Klasse |
Speziell
Funktionen |
Typisch
Anwendungen |
SIM800
![]() |
Quad-Band
(850/900/1800/1900 MHz) |
Klasse 12 |
Stabil
Leistung, UART-Schnittstelle, Bluetooth optional |
IoT, M2M
Kommunikation |
SIM800C
![]() |
Quad-Band
(850/900/1800/1900 MHz) |
Klasse 12 |
Kompakt, niedrig
Leistung, kostengünstig |
Wearables,
kompakte IoT-Geräte |
SIM808
![]() |
Quad-Band
(850/900/1800/1900 MHz) |
Klasse 12 |
Integriertes GPS+
GSM |
Fahrzeug
Tracking, Navigationssysteme |
SIM900
![]() |
Quad-Band
(850/900/1800/1900 MHz) |
Klasse 10 |
Älter aber
zuverlässiges Modell |
Allgemeines GSM/GPRS
Kommunikation |
SIM7600
![]() |
LTE (4G,
regionalspezifisch) |
LTE Cat 1 / Cat
4 |
Hochgeschwindigkeitsdaten,
GNSS, VoLTE-Unterstützung |
Erweitertes IoT,
Industrielle Automatisierung |

Das Funktionsblockdiagramm des SIM800L

SIM800L
SIMCOM
SIMCOM LGA
In Stock: 22200 pcs
veranschaulicht, wie das GSM/GPRS-Modul intern funktioniert und mit externen Komponenten kommuniziert.Das Netzteil versorgt das Modul mit der notwendigen Spannung, während die Power-Management-Einheit (PMU) den Strom regelt und an verschiedene Abschnitte verteilt, einschließlich der Hochfrequenzeinheit (RF) und der Basisbandschaltungen.Der HF-Bereich kümmert sich um die drahtlose Kommunikation und verwaltet sowohl GSM- als auch FM-Signale über die Antenne.
Der Basisbandbereich ist in analoge und digitale Komponenten unterteilt.Das analoge Basisband verarbeitet Sprach- und Analogsignale und ist mit Komponenten wie der Audioschaltung und dem Analog-Digital-Wandler (ADC) verbunden, die die Toneingabe und -ausgabe ermöglichen.Das digitale Basisband verwaltet die Datenverarbeitung, die Steuerlogik und die Signalmodulation/-demodulation.
Auf der rechten Seite verbindet die digitale Schnittstelle das Modul über GPIO-, UART-, SIM-, USB- und KEY-Schnittstellen mit externen Geräten und Mikrocontrollern.Diese Verbindungen ermöglichen die Kommunikation, den Datenaustausch und die Steuerung zwischen dem SIM800L und den Hostsystemen.
|
Parameter |
Spezifikation |
|
Modultyp |
Quad-Band
GSM/GPRS-Modul |
|
Frequenzbänder |
GSM 850, EGSM
900, DCS 1800, PCS 1900 MHz |
|
GPRS |
Klasse mit mehreren Slots
12 / GPRS-Mobilstation Klasse B |
|
Versorgungsspannung |
3,4 V – 4,4 V
(typisch 4,0 V) |
|
Aktuell
Verbrauch |
Leerlauf: ~1 mA,
Sprache: ~350 mA, Spitze: bis zu 2A |
|
Energiesparen
Modus |
< 1 mA (Ruhezustand).
Modus) |
|
Kommunikation
Schnittstelle |
UART (unterstützt
Baudraten 1200–115200 bps) |
|
Audio-Interface |
Mikrofon und
Sprecherunterstützung |
|
SIM-Schnittstelle |
1,8V / 3V SIM
Karte |
|
Antenne
Schnittstelle |
Externe Antenne
über HF-Anschluss |
|
Betrieb
Temperatur |
-40°C bis +85°C |
|
Körperlich
Abmessungen |
25 mm × 23 mm ×
3mm |
|
Gewicht |
Ungefähr 5g |
|
Netzwerk
Protokolle |
TCP/IP, HTTP,
FTP, SSL, SMS, MMS |
|
Sprachfunktionen |
Echo
Unterdrückung, Rauschunterdrückung |
|
Kontrolle
Schnittstelle |
AT-Befehlssatz
(3GPP TS 27.007, 27.005) |
|
Zusätzlich
Funktionen |
FM-Empfänger, RTC
(Echtzeituhr), Bluetooth (optional) |

Das Diagramm zeigt, wie das GSM-Modul SIM800L

SIM800L
SIMCOM
SIMCOM LGA
In Stock: 22200 pcs
mit einem Arduino Uno verbunden wird, um die Kommunikation über ein Mobilfunknetz zu ermöglichen.Das SIM800L-Modul arbeitet über eine serielle UART-Schnittstelle, die es ihm ermöglicht, Daten mit dem Arduino auszutauschen.Das Modul wird von einer stabilen 5-V-Versorgung oder einer Batterie mit Spannungswandler gespeist, da es für eine ordnungsgemäße Funktion einen konstanten Strom benötigt.Die Verbindung umfasst die TX- (Senden) und RX- (Empfangen) Pins zwischen Arduino und SIM800L für die serielle Kommunikation sowie GND für eine gemeinsame Masse.
Mit diesem Setup kann der Arduino AT-Befehle an den SIM800L senden, die das Modul interpretiert, um Aufgaben wie das Senden und Empfangen von Textnachrichten, das Tätigen oder Beantworten von Telefonanrufen und die Überprüfung der Signalstärke auszuführen.Darüber hinaus kann das Modul auf das Internet zugreifen und die GPRS-Kommunikation abwickeln.Über den Taster im Schaltkreis können bestimmte Aktionen ausgelöst werden, beispielsweise ein Anruf eingeleitet oder eine Nachricht gesendet werden.
Der Schaltplan veranschaulicht die Schnittstelle zwischen einem ESP32-Mikrocontroller und dem GSM-Modul SIM800L

SIM800L
SIMCOM
SIMCOM LGA
In Stock: 22200 pcs
für die Kommunikation über Mobilfunknetze.Der SIM800L benötigt eine stabile 4-V-Stromversorgung, daher wird ein Mini-360 DC/DC-Abwärtswandler (U3) verwendet, um den 12-V-Eingang auf die entsprechende Spannung herunterzuwandeln.Die Schaltung umfasst Kondensatoren (C1–C4) zum Filtern und Stabilisieren der Ausgangsspannung, um einen reibungslosen Betrieb zu gewährleisten und Rauschen oder Spannungsschwankungen zu reduzieren, die sich auf das GSM-Modul auswirken könnten.

Der ESP32 und der SIM800L kommunizieren über serielle UART-Verbindungen, wobei der TXD des ESP32 mit dem RXD des SIM800L verbunden ist und umgekehrt.Die GND-Pins werden gemeinsam genutzt, um eine gemeinsame elektrische Referenz aufrechtzuerhalten.Die Widerstände R1 und R2 dienen der Signalaufbereitung und Reset-Steuerung und gewährleisten so eine zuverlässige Kommunikation und Schutz vor Spannungsfehlanpassungen.
Mit dieser Schaltung kann der ESP32 AT-Befehle an den SIM800L senden und so GSM-Funktionen wie das Senden von Nachrichten, das Tätigen von Anrufen oder die Verbindung zum Internet über GPRS ausführen.
SMS-Kommunikation – Senden und empfangen Sie Textnachrichten mit AT-Befehlen.
Sprachanrufe – Tätigen und empfangen Sie Telefonanrufe über GSM-Netze.
Internetverbindung (GPRS) – Aktivieren Sie die Datenübertragung für IoT- und Remote-Geräte.
Fernüberwachung – Wird in IoT-Projekten verwendet, um Sensordaten an Server oder Cloud-Plattformen zu senden.
GPS-Tracking-Systeme – Kombiniert mit GPS-Modulen zur Fahrzeug- und Anlagenverfolgung.
Hausautomation – Steuern Sie Haushaltsgeräte oder Systeme per SMS oder Anrufbefehlen.
Industrielle Automatisierung – Überwachen und steuern Sie Geräte in entfernten Industrieanlagen.
Intelligente Landwirtschaft – Senden Sie Aktualisierungen zu Bodenfeuchtigkeit, Temperatur oder Wetter an Landwirte.
Sicherheits- und Alarmsysteme – Senden Sie Warnungen oder Benachrichtigungen per SMS, wenn eine Bewegung oder ein Einbruch erkannt wird.
Gesundheitsüberwachungsgeräte – Übertragen Sie Patienten- oder Gerätedaten aus der Ferne an medizinische Server.
|
Funktion |
SIM800L
![]() |
SIM900
![]() |
|
Hersteller |
SIMCom |
SIMCom |
|
Netzwerktyp |
GSM / GPRS |
GSM / GPRS |
|
Frequenzbänder |
Quadband: 850 /
900 / 1800 / 1900 MHz |
Quadband: 850 /
900 / 1800 / 1900 MHz |
|
Versorgungsspannung |
3,4 V – 4,4 V
(typ. 4,0V) |
3,2 V – 4,8 V
(typ. 4,0V) |
|
Aktuell
Verbrauch |
Leerlauf: ~1 mA,
Spitze: bis zu 2A |
Leerlauf: ~1,5 mA,
Spitze: bis zu 2A |
|
Kommunikation
Schnittstelle |
UART (Standard),
unterstützt Baudraten von 1200–115200 bps |
UART (Standard),
unterstützt Baudraten von 1200–115200 bps |
|
SIM-Karte
Schnittstelle |
1,8V / 3V |
1,8V / 3V |
|
Bluetooth
Unterstützung |
Ja (optional) |
Nein |
|
UKW-Radio
Funktion |
Ja |
Nein |
|
Betrieb
Temperatur |
-40°C bis +85°C |
-40°C bis +85°C |
|
Abmessungen |
Kleiner: 25 mm ×
23 mm × 3 mm |
Größer: 33 mm ×
33 mm × 3 mm |
|
Antenne
Verbindung |
Externe Antenne
erforderlich |
Externe Antenne
erforderlich |
|
Netzwerk
Unterstützte Protokolle |
TCP/IP, HTTP,
FTP, SSL |
TCP/IP, HTTP,
FTP |
|
Datengeschwindigkeit
(GPRS) |
Bis zu 85,6 kbit/s
(DL/UL) |
Bis zu 85,6 kbit/s
(DL/UL) |
|
Kosten und
Verfügbarkeit |
Niedrigere Kosten,
neueres Design |
Etwas höher
Kosten, älteres Modell |
|
Energieeffizienz |
Mehr
energieeffizient |
Weniger
energieeffizient |


|
Vorteile |
Einschränkungen |
|
Kompakte Größe,
Ideal für kleine Embedded- und IoT-Projekte |
Erfordert eine
stabile Stromversorgung (bis zu 2A Spitzenstrom) |
|
Unterstützt
Quadband-GSM (850/900/1800/1900 MHz) für den weltweiten Einsatz |
Empfindlich gegenüber
Spannungsschwankungen;kann zurückgesetzt werden, wenn die Stromversorgung instabil ist |
|
Geringe Leistung
Verbrauch im Ruhe- und Schlafmodus |
Kein 3G oder 4G
Unterstützung (beschränkt auf 2G-GSM-Netze) |
|
Integrierte Unterstützung
für GPRS, SMS und Sprachkommunikation |
Netzwerk
Kompatibilitätsprobleme in Regionen, die aus 2G aussteigen |
|
Unterstützt TCP/IP,
HTTP- und FTP-Protokolle zur Datenübertragung |
Es mangelt an Fortgeschrittenen
Datengeschwindigkeiten für Anwendungen mit hoher Bandbreite |
|
Optional
Bluetooth- und UKW-Radiofunktionen |
Erfordert
externe Antenne für zuverlässigen Signalempfang |
|
Kompatibel mit
gängige Mikrocontroller (Arduino, ESP32 usw.) |
Muss vorsichtig sein
Verdrahtung und Pegelverschiebung für Logikkompatibilität |
|
Breiter Einsatzbereich
Temperaturbereich (-40°C bis +85°C) |
Begrenzt an Bord
Speicher- und Verarbeitungsfähigkeit |
Das SIM800L

SIM800L
SIMCOM
SIMCOM LGA
In Stock: 22200 pcs
GSM/GPRS-Modul wird hergestellt von SIMCom Wireless-Lösungen, ein weltweit führender Anbieter von drahtlosen Kommunikationsmodulen und -lösungen.SIMCom wurde 2002 gegründet und hat seinen Hauptsitz in Shanghai, China. Das Unternehmen ist auf die Entwicklung von Modulen spezialisiert, die GSM-, GPRS-, 3G-, 4G-LTE- und NB-IoT-Technologien unterstützen.Der SIM800L ist eines der beliebtesten Produkte von SIMCom.Der Fokus des Unternehmens auf Innovation und Qualität hat dazu geführt, dass SIMCom-Module weltweit in intelligenten Geräten, in der industriellen Automatisierung und in mobilen Kommunikationssystemen weit verbreitet sind.
Zusammenfassend zeichnet sich das SIM800L

SIM800L
SIMCOM
SIMCOM LGA
In Stock: 22200 pcs
GSM-Modul als effiziente und kostengünstige Lösung zur Ermöglichung drahtloser Kommunikation in Embedded- und IoT-Projekten aus.Durch die Quadband-GSM-Unterstützung, den energieeffizienten Betrieb und die Kompatibilität mit gängigen Mikrocontrollern eignet es sich für eine Vielzahl von Anwendungen, von der Hausautomation über GPS-Tracking bis hin zur Industrieüberwachung.Der SIM800L bleibt eine anpassungsfähige Option für Projekte, die eine einfache, kostengünstige und zuverlässige GSM-Konnektivität erfordern.
Das SIM800L GSM-Modul ermöglicht Mikrocontrollern die Verbindung mit Mobilfunknetzen für Sprachanrufe, SMS und GPRS-basierte Internetkommunikation.Es fungiert als Brücke zwischen eingebetteten Systemen und Mobilfunknetzen.
Der SIM800L benötigt eine stabile Gleichstromversorgung von 3,7 V–4,2 V.Um Spannungsabfälle und Modul-Resets zu verhindern, wird die Verwendung einer geregelten Lithiumbatterie oder eines DC-DC-Abwärtswandlers empfohlen.
Ja, aber Sie müssen einen Spannungsteiler oder Logikpegelwandler am RX-Pin des SIM800L verwenden, um 5-V-Signale auf sichere Logikpegel von 3,3–4 V zu reduzieren.
Häufige Neustarts weisen in der Regel auf eine unzureichende Leistung hin.Das Modul kann bei Übertragungsstößen bis zu 2 A aufnehmen. Stellen Sie daher sicher, dass Ihre Stromquelle Spitzenstromanforderungen bewältigen kann, und verwenden Sie Entkopplungskondensatoren.
Nein, das SIM800L unterstützt nur 2G GSM/GPRS-Netzwerke.In Gebieten, in denen der 2G-Dienst eingestellt wurde, funktioniert es nicht.
Ja.Es unterstützt GPRS für die Datenübertragung und kann TCP/IP-, HTTP- und FTP-Protokolle ausführen, wodurch es für IoT-Geräte geeignet ist, die Daten an Server oder Cloud-Dienste senden.
Das Modul unterstützt sowohl 1,8-V- als auch 3-V-Standard-Mini-SIM-Karten.Nano-SIMs können mit einem Adapter verwendet werden.
CAP CER 4.7PF 25V C0G/NP0 0201
MOSFET N-CH 250V 44A D2PAK
IC INVERTER 6CH 1-INP 14SOIC
IC MCU 32BIT 160KB FLASH 100LQFP
IC VREF SHUNT ADJ 1% SC70-5
SAA7359HL/MOA PHILIPS
PCF8575TS/1.112 PHILIPS
QRC1284-232-KM A/N
TPS2220APWRG4 TI
NRF51822-QFAC NORDIC
CAP TANT 680UF 10% 4V 2917
AT49LV2048-12RC ATMEL
HD64738024F HIT


