Deutsch
Zeit: 2026/01/16
Durchsuchen: 44

Ein Drehgebermodul ist ein Eingabegerät zur Erkennung der axialen Drehung und zur Bestimmung der Bewegungsrichtung (im Uhrzeigersinn oder gegen den Uhrzeigersinn).Es wandelt mechanische Drehungen in digitale Signale um, sodass ein System erkennen kann, wie weit und in welche Richtung der Knopf gedreht wird.Im Gegensatz zu Potentiometern messen Drehgeber keine absolute Position und können kontinuierlich rotieren.
Das einfache Kontakt-Drehgebermodul verwendet interne mechanische Kontakte, die sich öffnen und schließen, wenn sich die Welle dreht.Jeder Schritt erzeugt Impulssignale, die ein Mikrocontroller zählen und vergleichen kann, um die Drehrichtung zu ermitteln.Die meisten Module verfügen außerdem über einen Druckknopfschalter, wodurch sie für die Menüauswahl und Benutzereingabesteuerung geeignet sind.

|
Pin
Name |
Etikett
auf Modul |
Beschreibung |
|
GND |
GND |
Boden
Verbindung.Verbinden Sie sich mit der Masse (0 V) des Mikrocontrollers. |
|
VCC |
+ |
Stromversorgung
Stift.Je nach Modul typischerweise an 3,3 V oder 5 V angeschlossen. |
|
Wechseln |
SW |
Druckknopf
Ausgabe.Geht auf LOW oder HIGH, wenn die Encoderwelle gedrückt wird. |
|
Daten |
DT |
Daten (Kanal B)
Ausgabe.Wird zur Bestimmung der Drehrichtung verwendet. |
|
Uhr |
CLK |
Uhr (Kanal
A) Ausgabe.Erzeugt Impulse, wenn sich der Encoder dreht. |
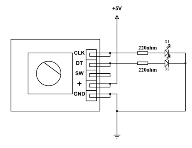
Das untenstehende Schaltbild zeigt eine einfache Methode, um die Funktionsweise des M274-Drehgebermoduls mithilfe von LEDs zu verstehen.In diesem Aufbau wird das Modul über eine +5-V-Versorgung mit Strom versorgt, wobei der VCC-Pin (+) mit +5 V und der GND-Pin mit Masse verbunden ist.Die Ausgangspins CLK (A) und DT (B) sind über 220-Ω-Strombegrenzungswiderstände mit zwei LEDs (D1 und D2) verbunden.Diese LEDs dienen nur zur optischen Anzeige der Encoder-Ausgänge.Der SW-Pin (Druckknopf) wird in dieser Schaltung nicht verwendet und bleibt unbeschaltet, da der Fokus nur auf der Drehbewegung und -richtung liegt.
Um das in der Schaltung dargestellte Ausgangsverhalten zu verstehen, ist es wichtig, sich den inneren Aufbau des Drehgebers anzusehen.Im Inneren des Encoders befindet sich eine rotierende Scheibe, die in leitende (dunkle) und nicht leitende (weiße) Segmente unterteilt ist.Zwei interne Kontakte mit der Bezeichnung A und B gleiten über diese Scheibe, während sich die Welle dreht.Die leitenden Segmente sind intern mit +5 V verbunden. Wenn also ein Kontakt ein dunkles Segment berührt, wird der entsprechende Ausgang HIGH, und wenn er ein weißes Segment berührt, wird der Ausgang LOW.

Wenn die Encoderwelle im Uhrzeigersinn gedreht wird, berührt Kontakt A ein leitendes Segment vor Kontakt B. Infolgedessen geht Ausgang A (CLK) zuerst auf HIGH, wodurch LED D1 eingeschaltet wird.Kurz darauf geht Ausgang B (DT) auf HIGH und LED D2 schaltet sich ein.Während sich die Drehung fortsetzt, verlässt Kontakt A zuerst das leitende Segment und bewegt sich zu einem nicht leitenden Segment, wodurch Ausgang A auf LOW geht und LED D1 ausgeschaltet wird.Als nächstes verlässt Kontakt B das leitende Segment, wodurch Ausgang B auf LOW geht und LED D2 ausgeschaltet wird.Diese EIN-AUS-Sequenz wiederholt sich bei jedem Rotationsschritt und erzeugt eine Reihe von Impulsen.
Wird die Encoderwelle entgegen dem Uhrzeigersinn gedreht, ist die Reihenfolge umgekehrt.Kontakt B berührt zuerst das leitende Segment, sodass Ausgang B (DT) vor Ausgang A auf HIGH geht. In der Schaltung schaltet sich zuerst LED D2 ein, gefolgt von LED D1, wenn Ausgang A auf HIGH geht.Die LEDs schalten sich auch in der gleichen umgekehrten Reihenfolge aus, wenn die Kontakte die leitenden Segmente verlassen.Diese umgekehrte Impulsreihenfolge weist eindeutig auf eine Drehung gegen den Uhrzeigersinn hin.
Jeder vollständige Zyklus von HIGH- und LOW-Signalen stellt einen kleinen Rotationsschritt dar.Anhand der Reihenfolge, in der die LEDs ein- und ausgeschaltet werden, lässt sich die Drehrichtung leicht erkennen.Wenn dieselben CLK- und DT-Signale anstelle von LEDs an einen Mikrocontroller angeschlossen werden, kann der Controller die Impulse zählen, um die Drehbewegung zu messen, und die Signalreihenfolge vergleichen, um die Drehrichtung zu bestimmen.
Drehgebermodule werden in verschiedene Typen eingeteilt, je nachdem, wie sie die Drehung erfassen und Ausgangssignale erzeugen.Jeder Typ bietet unterschiedliche Vorteile hinsichtlich Genauigkeit, Haltbarkeit, Kosten und Anwendungseignung.Das Verständnis dieser Unterschiede hilft bei der Auswahl des richtigen Encoders für Steuerungssysteme, Automatisierungsprojekte und elektronische Schnittstellen.
1. Inkrementeller Drehgeber
Der inkrementelle Drehgeber ist der am häufigsten verwendete Typ in elektronischen Projekten und industriellen Steuerungen.Es funktioniert, indem es eine Reihe elektrischer Impulse erzeugt, während sich die Welle dreht.Durch das Zählen dieser Impulse kann ein Controller die Rotationsgeschwindigkeit, Richtung und relative Position bestimmen.Da es nur Bewegungen verfolgt, gehen die Positionsinformationen verloren, wenn die Stromversorgung unterbrochen wird.Die meisten Inkrementalgeber verwenden zwei Ausgangskanäle, üblicherweise A und B genannt, die es dem System ermöglichen, die Drehrichtung anhand der Phasendifferenz zu erkennen.
2. Absoluter Drehgeber
Ein absoluter Drehgeber weist jeder Wellenposition einen eindeutigen digitalen Code zu.Dadurch ist die genaue Position immer bekannt, auch nach Ausschalten und Wiederherstellen der Stromversorgung.Aufgrund dieser Funktion werden Absolutwertgeber häufig in Anwendungen eingesetzt, bei denen präzise Positionierung und Zuverlässigkeit von entscheidender Bedeutung sind.Obwohl sie eine höhere Genauigkeit und Stabilität bieten, sind sie im Allgemeinen teurer als Inkrementalgeber.
3. Mechanischer (Kontakttyp) Drehgeber
Mechanische Drehgeber arbeiten mit internen Metallkontakten, die sich öffnen und schließen, wenn sich die Welle dreht.Diese Kontaktveränderungen erzeugen elektrische Signale, die eine Bewegung anzeigen.Aufgrund ihres einfachen Designs sind mechanische Encoder kostengünstig und werden häufig in Lautstärkereglern, Menünavigationsknöpfen und einfachen Benutzeroberflächen verwendet.Ständiger Körperkontakt kann jedoch im Laufe der Zeit zu Verschleiß führen, der die Genauigkeit und Lebensdauer beeinträchtigen kann.
4. Optischer Drehgeber
Optische Drehgeber verwenden eine Lichtquelle und eine geschlitzte oder gemusterte Scheibe zur Dreherkennung.Während sich die Scheibe dreht, passieren Lichtimpulse die Schlitze und werden von Sensoren erfasst, wodurch präzise Ausgangssignale erzeugt werden.Dieses Design ermöglicht eine hohe Auflösung und reibungslose Leistung, wodurch optische Encoder für Anwendungen geeignet sind, die eine genaue Bewegungsverfolgung erfordern.Ihre größte Einschränkung ist die Empfindlichkeit gegenüber Staub, Schmutz und Verunreinigungen.
5. Magnetischer Drehgeber
Magnetische Drehgeber basieren auf einem an der Welle angebrachten Magneten und Magnetsensoren zur Erkennung von Positionsänderungen.Da es keinen physischen Kontakt und keinen Lichtweg gibt, sind sie äußerst langlebig und resistent gegen Staub, Vibration und Feuchtigkeit.Diese Encoder funktionieren in rauen Umgebungen gut, obwohl ihre Auflösung normalerweise geringer ist als die optischer Encoder.
|
Parameter |
Typisch
Wert/Beschreibung |
|
Encodertyp |
Inkrementell
(Mechanisch / Optisch / Magnetisch) |
|
Ausgangssignal |
Digitaler Puls
(Quadratur A & B) |
|
Kanäle |
2 Kanäle (A,
B) + optionaler Druckknopf |
|
Betrieb
Spannung |
3,3 V – 5 V Gleichstrom |
|
Ausgabeschnittstelle |
Digital (TTL
kompatibel) |
|
Auflösung (PPR) |
20 – 600 Impulse
pro Umdrehung (modellabhängig) |
|
Rotation
Richtungserkennung |
Ja (im Uhrzeigersinn
& gegen den Uhrzeigersinn) |
|
Druckknopf
Ausgabe |
Ja (momentan
Schalter, optional) |
|
Kontakttyp |
Mechanisch
Kontakte / optischer Sensor / magnetischer Sensor |
|
Betrieb
Aktuell |
≤ 10 mA |
|
Maximale Rotation
Geschwindigkeit |
Bis zu 10.000 U/min
(Encoderabhängig) |
|
Entprellen
Erforderlich |
Ja (für
mechanische Typen) |
|
Betrieb
Temperatur |
−20 °C bis +70 °C |
|
Wellentyp |
Gerändelt /
D-Schaft |
|
Schaftdurchmesser |
6 mm (typisch) |
|
Montageart |
Panelmontage /
Leiterplattenmontage |
|
Modul
Abmessungen |
Variiert je nach Modell |
|
Gewicht |
Leicht |
|
Kompatibel
Controller
|
Arduino, ESP32,
ESP8266, Raspberry Pi, SPS |
• Lautstärke- und Klangregelung in Audioverstärkern und Lautsprechersystemen
• Menünavigation und Benutzereingabe in eingebetteten Systemen
• Geschwindigkeits- und Richtungssteuerung von Gleichstrommotoren und Schrittmotoren
• Positions- und Rotationserkennung in Robotikprojekten
• Eingabesteuerung für Arduino-, ESP8266- und ESP32-Projekte
• Industrielle Bedienfelder und Einstellknöpfe
• Frequenz- und Wertauswahl in digitalen Instrumenten
• Geräte mit Mensch-Maschine-Schnittstelle (HMI).
• Bedienknöpfe für Kamera, CNC und 3D-Drucker
• Hausautomation und intelligente Steuerungssysteme

|
Vorteile |
Einschränkungen |
|
Ermöglicht unbegrenzt
360° Drehung |
Niedrigere Auflösung
im Vergleich zu optischen Encodern |
|
Erkennt beides
Drehung und Richtung |
Mechanisch
Kontakte können sich mit der Zeit abnutzen |
|
Einfach digital
Ausgang (CLK und DT) |
Kontaktabsprung
kann zu Signalrauschen führen |
|
Einfach zu
Schnittstelle zu Mikrocontrollern |
Erfordert
Software-Entprellung |
|
Funktioniert mit niedrig
Spannungen (3,3 V–5 V) |
Nicht geeignet für
sehr schnelle Rotation |
|
Kompakt und
kostengünstige Lösung |
Die Genauigkeit hängt davon ab
auf Detent-Zählung |
|
Inklusive
eingebauter Drucktaster (SW) |
Druckknopf hat
begrenzte mechanische Lebensdauer |
|
Ideal für Benutzer
Eingabe- und Bedienknöpfe |
Nicht dafür konzipiert
absolute Positionserfassung |
Das Drehgebermodul ist eine effiziente Lösung zur Erkennung von Drehbewegungen und -richtungen sowohl bei Hobby- als auch bei professionellen Elektronikprojekten.Durch die Erzeugung von Quadratursignalen über seine CLK- und DT-Ausgänge ermöglicht es eine genaue Verfolgung der Drehung im Uhrzeigersinn und gegen den Uhrzeigersinn, während der optionale Druckknopfschalter zusätzliche Eingangsfunktionen hinzufügt.Aufgrund seiner einfachen Schaltkreisbedienung, des großen Betriebsspannungsbereichs und der einfachen Anbindung an gängige Mikrocontroller eignet es sich für ein breites Anwendungsspektrum, von der Steuerung der Benutzeroberfläche bis zur Einstellung der Motorgeschwindigkeit.
Mechanische Drehgeber erzeugen Kontaktprellen, die zu falschen Zählungen führen können.Die Entprellung kann in Software mithilfe von Verzögerungen, Zustandsänderungsfiltern oder Bibliotheken oder in Hardware mithilfe von RC-Filtern oder Schmitt-Trigger-Eingängen erfolgen.
Ja, die meisten kontaktbehafteten Drehgeber funktionieren am besten mit Pull-up-Widerständen an den CLK- und DT-Pins.Viele Mikrocontroller verfügen über interne Pullups, die aktiviert werden können, um die Verkabelung zu vereinfachen.
Ein typischer Encoder mit 20 Rastungen erzeugt 20 mechanische Schritte, aber je nachdem, wie die Signale gezählt werden (1×, 2× oder 4× Decodierung), kann die effektive Impulszahl höher sein.
Rastungen sind die physischen „Klicks“, die Sie spüren, wenn Sie den Knopf drehen, während Impulse die elektrischen Signalübergänge sind, die von den Encoder-Ausgängen erzeugt werden.
Ja, die Verwendung von Interrupts an CLK- oder DT-Pins ermöglicht eine genaue und reaktionsschnelle Erkennung der Drehung, insbesondere in Anwendungen, bei denen ein präzises Eingangstiming wichtig ist.
Das Überspringen oder Fehlzählen wird normalerweise durch Kontaktprellen, verrauschte Kabel oder langsame Abfragen in der Software verursacht.Eine ordnungsgemäße Entprellung und eine saubere Signalverarbeitung lösen die meisten Probleme.
Lange Kabel können zu Rauschen und unzuverlässigen Signalen führen.Die Verwendung kürzerer Kabel, verdrillter Paare, Pull-up-Widerstände oder Signalfilterung trägt zur Aufrechterhaltung der Genauigkeit bei.
Drehgeber eignen sich besser für unbegrenzte Drehung und menübasierte Steuerung, während Potentiometer besser geeignet sind, wenn eine absolute Position oder ein analoger Wert erforderlich ist.
CAP CER 22PF 100V C0G/NPO 0805
CAP CER 0.047UF 500V X7R 1812
CAP CER 620PF 100V U2J 0805
CAP TANT 1UF 10% 25V RADIAL
CAP TANT 22UF 20% 35V 2917
IC ISOMODE SYST-SIDE DAA 24TSSOP
L6563TR-LF ST
STM LBGA
AGERE BGA
CAP TANT 33UF 10% 6.3V 2312
MT47H64M16NF-25E MICRON
SQ3426EV-T1-GE3 VISHAY



