Deutsch
Zeit: 2025/12/4
Durchsuchen: 388
Der BC490
![]()
BC490
onsemi
TRANS PNP 80V 1A TO92
In Stock: 2715 pcs
ist ein Hochstrom-PNP-Transistor, der häufig in Schalt- und Verstärkungsanwendungen mittlerer Leistung eingesetzt wird.Mit seiner Nennspannung von 80 Volt, der Kollektorstrombelastbarkeit von 1 Ampere und der effizienten niedrigen Sättigungsspannung dient es als vielseitige Komponente, die sowohl für allgemeine elektronische Designs als auch für anspruchsvollere Steuerschaltungen geeignet ist.In diesem Artikel werden die wichtigsten Merkmale, Spezifikationen, Leistungsdetails und praktischen Anwendungen des BC490-Transistors erläutert.

Die BC490
![]()
BC490
onsemi
TRANS PNP 80V 1A TO92
In Stock: 2715 pcs
ist ein Hochstrom-PNP-Bipolartransistor, der für das Schalten und Verstärken mittlerer Leistung ausgelegt ist.Mit einer Nennspannung von 80 V und einem Kollektorstrom von bis zu 1 A bietet es zuverlässige Leistung in Allzweckanwendungen.Aufgrund seiner niedrigen Sättigungsspannung und des TO-92-Gehäuses eignet er sich für kompakte Schaltkreise, die einen effizienten Stromfluss und ein stabiles thermisches Verhalten erfordern.
Wenn Sie Interesse am Kauf des BC490 haben, kontaktieren Sie uns bitte bezüglich Preis und Verfügbarkeit.

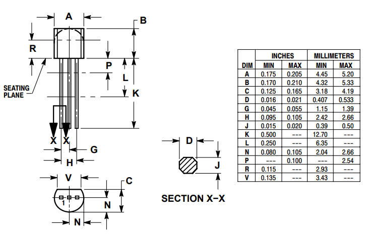
|
Pin
Nummer |
Name |
Beschreibung |
|
1 |
Sammler |
Sammelt Strom
durch das Gerät strömende Flüssigkeit. |
|
2 |
Basis |
Kontrollen
Transistor-Schaltbetrieb. |
|
3 |
Emitter |
Gibt Strom aus;
Referenzterminal. |
BC488
BC558B
![]()
BC558B
Diotec Semiconductor
BJT TO-92 30V 100MA
Out Stock
MPSA92

MPSA92
NTE Electronics, Inc
TRANS PNP 300V 0.5A TO92
Out Stock
2N5401
![]()
2N5401
Solid State Inc.
TRANS PNP TO92
Out Stock
BC177

BC177
ST
BC177 HGF
In Stock: 1700 pcs
2N3906

2N3906
NTE Electronics, Inc
TRANS PNP 40V 0.2A TO92
In Stock: 5572 pcs
|
Parameter |
Wert
/ Bewertung |
|
Transistortyp |
PNP BJT |
|
Paket |
TO-92 |
|
Kollektor–Emitter
Spannung (VCEO) |
–80 V |
|
Sammlerbasis
Spannung (VCBO) |
–80 V |
|
Emitter-Basis
Spannung (VEBO) |
–4 V |
|
Maximal
Kollektorstrom (IC) |
–1 A |
|
Macht
Verlustleistung (Ptot) |
625 mW (bei 25 °C) |
|
Gleichstromverstärkung
(hFE) |
40 bis 400
(abhängig vom Strom) |
|
Kollektor–Emitter
Sättigungsspannung (VCE(sat)) |
~0,25–0,5 V
(typisch) |
|
Übergang
Frequenz (fT) |
~150 MHz |
|
Betrieb
Sperrschichttemperatur |
–55°C bis +150°C |


Die Schaltzeittestschaltungen des BC490
![]()
BC490
onsemi
TRANS PNP 80V 1A TO92
In Stock: 2715 pcs
veranschaulichen, wie sich der Transistor unter Ein- und Ausschaltbedingungen verhält.Beim Einschalttest treibt ein positiver Eingangsimpuls die Basis über ein Kopplungskondensator- und Widerstandsnetzwerk an und ermöglicht so den Übergang des Transistors vom Sperrzustand in die Sättigung.Der Kollektor ist über einen Lastwiderstand mit einer +40-V-Versorgung verbunden, und die resultierende Ausgangswellenform zeigt, wie schnell der Transistor leiten kann, wenn die Basis ein Triggersignal empfängt.Dieser Aufbau ermöglicht die Messung der Verzögerungszeit, der Anstiegszeit und der gesamten Einschaltleistung.
Beim Abschalttest wird über ähnliche Komponenten eine Sperrspannung an die Basis angelegt, wodurch der Transistor aus der Sättigung gezwungen wird.Der Eingangsimpuls entzieht der Basis den Antrieb und das Ausgangssignal zeigt die Verzögerungs- und Abfallzeiten beim Ausschalten des Transistors an.Durch die Verwendung identischer Last- und Timing-Bedingungen bieten diese Schaltkreise eine konsistente Methode zur Bewertung, wie effizient der BC490 in Hochgeschwindigkeits-Schaltanwendungen arbeiten kann.

Die Produktkurve der Stromverstärkungsbandbreite zeigt, wie sich die Hochfrequenzleistung des Transistors mit dem Kollektorstrom ändert.Mit zunehmendem Strom steigt das Verstärkungs-Bandbreiten-Produkt auf einen Spitzenwert, der den optimalen Betriebsbereich für schnelles Schalten oder Hochfrequenzverstärkung anzeigt.Über diesen Punkt hinaus nimmt das Produkt allmählich ab, da höhere Ströme zu Einschränkungen in der Gerätegeschwindigkeit führen.Das Diagramm hilft Entwicklern bei der Auswahl des effizientesten Betriebsstroms, wenn der Hochfrequenzgang wichtig ist.
Die Kapazitätskurve veranschaulicht, wie die Sperrschichtkapazitäten (Cibo und Cobo) mit zunehmender Sperrspannung abnehmen.Eine höhere Sperrvorspannung verringert die Breite des Verarmungsbereichs, verringert die Kapazität und verbessert die Schaltgeschwindigkeit.Dieses Verhalten ist typisch für BJTs und wichtig für Schaltungen, bei denen Eingangs- und Ausgangskapazitäten die Reaktionszeit oder die Hochfrequenzstabilität beeinflussen.

Das Diagramm des Kollektorsättigungsbereichs zeigt, wie sich die Kollektor-Emitter-Sättigungsspannung (VCE(sat)) mit dem Kollektorstrom über verschiedene Basisströme hinweg ändert.Unteres VCE (Sa) bei höherer Basisansteuerung weist auf eine effizientere Sättigung hin, was für verlustarme Schaltanwendungen unerlässlich ist.Diese Kurve hilft bei der Bestimmung des erforderlichen Basisstroms, um bei einer bestimmten Last eine tiefe Sättigung zu erreichen.
Die Basis-Emitter-Temperaturkoeffizientenkurve zeigt, wie die VBE-Spannung mit steigender Temperatur abfällt.Der negative Temperaturkoeffizient wird bei höheren Kollektorströmen weniger ausgeprägt, was das thermische Verhalten des Übergangs verdeutlicht.Dies ist nützlich, um die Vorspannungsstabilität zu verstehen und temperaturkompensierte Schaltkreise zu entwerfen.

Das Diagramm zeigt zwei einfache Schaltkreise mit BC490
![]()
BC490
onsemi
TRANS PNP 80V 1A TO92
In Stock: 2715 pcs
-Transistoren zur Steuerung von LEDs.Im linken Stromkreis liefern die Widerstände R1 und R2 genügend Basisstrom, um Q1 einzuschalten.Wenn der Basis-Emitter-Übergang in Vorwärtsrichtung geschaltet wird, leitet der Transistor und ermöglicht den Stromfluss von der 12-Volt-Versorgung durch den Kollektor-Emitter-Pfad und dann durch die LED und ihren Vorwiderstand.Dadurch leuchtet die LED D1 und die Messgeräte bestätigen, dass Strom fließt.Dies zeigt, wie der BC490 als Schalter fungieren kann und eine Last aktiviert, wenn die Basis ausreichend Antrieb erhält.
Im rechten Schaltkreis erhält die Basis von Q2 über die Widerstände R4 und R5 nicht genügend Strom, sodass der Transistor ausgeschaltet bleibt.Da der Kollektor-Emitter-Pfad nicht leitend ist, erreicht kein Strom die LED D2, sodass sie dunkel bleibt und auf den Messgeräten Nullwerte angezeigt werden.Diese Seite des Diagramms veranschaulicht den umgekehrten Zustand: Ohne ausreichende Basisvorspannung blockiert der Transistor den Strom und die Last bleibt ausgeschaltet.Zusammen zeigen die beiden Schaltungen deutlich, wie ein BC490-Transistor als einfaches Ein-/Aus-Steuerelement verwendet werden kann.
Schaltkreise – werden zum Ein- und Ausschalten von LEDs, Relais oder kleinen Lasten verwendet.
Verstärkung mit geringem Stromverbrauch – geeignet zur Verstärkung kleiner Signale in Audio- oder Sensorschaltkreisen.
Allzweck-NPN-Treiber – kann zum Antrieb anderer Komponenten wie Summer oder kleiner Gleichstrommotoren verwendet werden.
Signalverarbeitung – funktioniert in einfachen analogen Stufen wie Vorverstärkern oder Kleinsignal-Aufbereitungsschaltungen.
Digitale Schnittstelle – wird verwendet, um Steuersignale mit niedriger Spannung mit Lasten mit höherer Spannung zu verbinden.
Transistorlogikschaltungen – werden in einfachen Logikgattern, Zeitschaltkreisen oder Schaltnetzwerken eingesetzt.
Spannungspegelverschiebung – hilft beim Verschieben von Steuersignalen zwischen verschiedenen Spannungspegeln.
LED-Anzeigen – ideal zur Ansteuerung von Anzeigeleuchten mit strombegrenzenden Widerständen.

ON Semiconductor (onsemi) Zu den Fähigkeiten des Unternehmens für das BC490
![]()
BC490
onsemi
TRANS PNP 80V 1A TO92
In Stock: 2715 pcs
-Gerät gehörten eine konsistente Halbleiterverarbeitung, eine strenge Qualitätskontrolle und die Produktion von durchsteckbaren TO-92-Gehäusen, die für Unterhaltungselektronik, Industriesteuerungen und Bildungsschaltkreise geeignet sind.Onsemi hat den BC490 für den Umgang mit moderaten Spannungs- und Strompegeln entwickelt, sodass er für Aufgaben wie die Ansteuerung von LEDs, Relais und kleinen Lasten nützlich ist und gleichzeitig eine stabile Verstärkung und zuverlässige Leistung über einen weiten Bereich von Betriebsbedingungen hinweg aufrechterhält.
Der BC490 unterstützt höhere Strom- und Spannungswerte als typische Kleinsignal-PNP-Transistoren und eignet sich daher besser für Schaltaufgaben mittlerer Leistung.
Ja, seine Übergangsfrequenz von ~150 MHz ermöglicht einen effektiven Betrieb in Schalt- oder Verstärkungsanwendungen mit mittlerer Hochfrequenz.
Ja, sein Kollektorstrom von 1 A ermöglicht die Ansteuerung vieler kleiner und mittlerer Relaisspulen ohne zusätzliche Treiberstufen.
Verwenden Sie eine ordnungsgemäße Basisantriebssteuerung, vermeiden Sie eine Überschreitung der Leistungswerte und sorgen Sie für eine gute Luftzirkulation oder Wärmeableitung rund um das TO-92-Gehäuse.
Eine einfache Spannungsteilervorspannung funktioniert gut und stellt sicher, dass die Basis einen konstanten Strom erhält, um thermische Drift oder Instabilität zu vermeiden.
Höhere Temperaturen verringern die Basis-Emitter-Spannung und können die Leckage erhöhen. Daher wird in heißen Umgebungen eine Reduzierung des Stroms empfohlen.
Ja, das TO-92-Durchsteckgehäuse passt auf Standard-Steckplatinen und erleichtert so das Testen von Schaltkreisen vor der PCB-Entwicklung.
CAP CER 2.2UF 16V X7R 1206
CAP CER 370PF 50V NP0 1206
CAP TANT 68UF 20% 16V 2312
SWITCHING REGULATOR
DC DC CONVERTER 5V 150W
IC HUB CONTROLLER USB 100WQFN
LC78620E-D SANYO
XC9128B45C03 TOREX
IC MCU 32BIT 512KB FLASH 64TQFP
M36W0R5040T7ZAQ ST
LGDISPLAY TQFP
SK HYNIX FBGA
TRANS PNP 300V 0.5A TO92
vorrätig: 1105

TRANS PNP 40V 0.2A TO92
vorrätig: 524
TRANS PNP 40V 0.2A TO92
vorrätig: 1138
TRANS PNP 80V 1A TO92
vorrätig: 1421
TRANS PNP 300V 0.5A TO92
vorrätig: 1734
