Deutsch
Zeit: 2025/11/24
Durchsuchen: 149

Das Onsemi MPSA18 ist ein rauscharmer NPN-Bipolartransistor mit hoher Verstärkung, der für die Kleinsignalverstärkung entwickelt wurde.Mit einer Kollektor-Emitter-Durchbruchspannung von 45 V und einem maximalen Kollektorstrom von 200 mA eignet er sich gut für Stromkreise mit geringer Leistung.Seine hohe Gleichstromverstärkung (typischerweise 400–1500) und die Übergangsfrequenz von über 100 MHz machen ihn ideal für empfindliche Audio- und Allzweckverstärkeranwendungen.
Dieser Transistor wird häufig in Vorverstärkern, Sensoren und Signalaufbereitungsstufen verwendet, wo eine saubere, rauscharme Leistung erforderlich ist.Untergebracht in einem kompakten TO-92-Gehäuse bleibt der MPSA18 mit einer Verlustleistung von etwa 625 mW zuverlässig und eignet sich daher für dicht gepackte Leiterplatten und Designumgebungen mit geringem Stromverbrauch.
Wenn Sie Interesse am Kauf des MPSA18 haben, kontaktieren Sie uns bitte bezüglich Preis und Verfügbarkeit.


|
Pin
Nummer |
Pin
Name |
Beschreibung |
|
1 |
Emitter (E) |
Ermöglicht Strom
um den Transistor zu verlassen.Bei den meisten NPN mit Masse oder Minuspol verbunden
Anwendungen. |
|
2 |
Basis (B) |
Steuert die
Funktionsweise des Transistors.Ein kleiner Strom an der Basis steuert einen größeren Strom
zwischen Kollektor und Emitter. |
|
3 |
Sammler (C) |
Hauptsächlich
stromführende Klemme.Verbunden mit der Last und positiver Versorgung
typische NPN-Konfigurationen. |
|
Äquivalent
Modell |
Beschreibung |
|
2N5088 |
High-Gain,
Rauscharmer NPN-Transistor, der häufig in Audio-Vorverstärkern und -Signalen verwendet wird
Verstärkung.Sehr ähnliche Leistung wie MPSA18. |
|
BC550C |
Geräuscharm,
NPN-Transistor mit hoher Verstärkung und ähnlichen Spannungs- und Stromwerten.Beliebt in
Audio- und Präzisionsschaltungen. |
|
NTE47 |
NTE-Serie
Ersatztransistor mit vergleichbaren Verstärkungs- und Rauscheigenschaften
MPSA18. |
|
KSP06 |
Universell einsetzbar
NPN-Transistor mit geeigneten Verstärkungs- und Spannungswerten;kann MPSA18 ersetzen
in vielen Kleinsignalanwendungen. |
|
Parameter |
Wert |
|
Lebenszyklusstatus |
Veraltet |
|
Montageart |
Durchgangsloch |
|
Paket/Koffer |
TO-226-3,
TO-92-3 (TO-226AA) |
|
Lieferantengerät
Paket |
TO-92-3 |
|
Anzahl der Pins |
3 |
|
Gewicht |
201 mg |
|
Anzahl
Elemente |
1 |
|
Polarität |
NPN |
|
Teilestatus |
Veraltet |
|
Basisteilenummer |
MPSA18 |
|
Element
Konfiguration |
Single |
|
Sammler-Emitter
Spannung (VCEO) |
45 V |
|
Sammlerbasis
Spannung (VCBO) |
45 V |
|
Emitter-Basis
Spannung (VEBO) |
6,5 V |
|
Sammler-Emitter
Sättigungsspannung |
80 mV |
|
Max Collector
Strom (IC) |
200mA |
|
Aktuelle Bewertung |
100mA |
|
Sammler-Cutoff
Strom (ICBO) |
50 nA |
|
Maximale Leistung
Zerstreuung |
625 mW |
|
Leistung – max |
625 mW |
|
Häufigkeit
(Übergang) |
100–160 MHz |
|
Gewinnen Sie Bandbreite
Produkt |
100 MHz |
|
Gleichstromverstärkung
(hFE) |
500 (min) bei IC=5
mA, VCE=5 V |
|
VCE-Sättigung
(Max) |
300 mV bei 10 mA,
5mA |
|
Betrieb
Temperatur |
–55°C bis +150°C |
|
Feuchtigkeit
Empfindlichkeitsstufe (MSL) |
1 (Unbegrenzt) |
|
Abmessungen (L ×
B × H) |
5,2 mm × 4,19 mm
× 5,33 mm |
|
Bleifrei |
Bleifrei |
|
RoHS-Status |
Nicht RoHS
Konform |
|
REACH SVHC |
Kein SVHC |

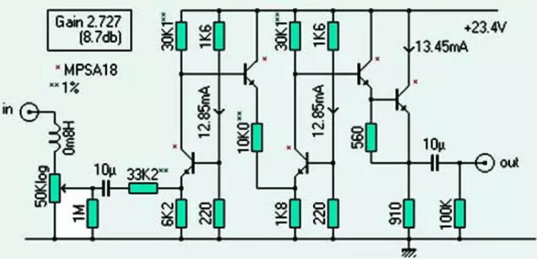
Bei dieser Schaltung handelt es sich um einen rauscharmen, mehrstufigen Verstärker mit hoher Verstärkung, der um mehrere MPSA18-Transistoren herum aufgebaut ist.Das Eingangssignal durchläuft zunächst einen Koppelkondensator, der Gleichstrom blockiert, während Wechselstrom den Eintritt in die erste Transistorstufe ermöglicht.Jeder MPSA18 arbeitet als Common-Emitter-Verstärker und sorgt dank seiner sehr hohen hFE für eine starke Spannungsverstärkung.Die Emitterwiderstände stabilisieren die Vorspannung und tragen zur Aufrechterhaltung konstanter Betriebspunkte bei, während die Kollektorwiderstände die Spannungsverstärkung jeder Stufe festlegen.
Die beiden Hauptverstärkungsstufen laufen mit etwa 12,85 mA, was zeigt, dass sie auf eine lineare Leistung mit geringer Verzerrung ausgelegt sind.Der letzte Transistor fungiert als Ausgangstreiber und leitet das Signal über einen weiteren Koppelkondensator, um die Gleichstromvorspannung des Verstärkers von der Ausgangslast zu isolieren.Das geringe Rauschen und die hohen Verstärkungseigenschaften des MPSA18 machen ihn ideal für diese präzise Signalverstärkungskette mit geringer Verzerrung.
Rauscharme Audio-Vorverstärker
Mikrofonvorverstärker und Signalaufbereiter
Instrumentenverstärker
Kleinsignalverstärkerstufen mit hoher Verstärkung
Sensorsignalverstärkung (Temperatur-, Licht-, Vibrationssensoren)
Schaltkreise zur Erkennung von Signalen mit niedrigem Pegel
Aktive Filter und Equalizer-Schaltung
Kleinsignal-Schaltanwendungen
Puffer- und Treiberstufen in Systemen mit geringer Leistung
HF- und Hochfrequenz-Kleinsignalverstärkung (bis zu ~100–160 MHz)
Analoge Verarbeitungsblöcke in Kommunikationsgeräten
Rauscharme Stufen in Funkempfängern
Harmonische und tonformende Abschnitte in Gitarreneffekten und Pedalschaltungen
Präzisionsmess- und Laborgeräte
Allzweck-NPN-Transistoranwendungen, die eine hohe Verstärkung erfordern
|
Parameter |
MPSA18 |
BC550C |
MPSA13 |
|
Transistortyp |
NPN |
NPN |
NPN (Darlington) |
|
Paket |
TO-92 |
TO-92 |
TO-92 |
|
DC-Verstärkung (hFE) |
500–1500 (sehr
hoch) |
420–800 (hoch) |
5000 (extrem
hoch, wegen Darlington-Paar) |
|
Lärm
Leistung |
Sehr geräuscharm |
Geräuscharm |
Mäßiger Lärm
(Darlington) |
|
Sammler-Emitter
Spannung (VCEO) |
45 V |
45 V |
30 V |
|
Sammler
Strom (IC max) |
200mA |
100mA |
500mA |
|
Macht
Zerstreuung |
625 mW |
500 mW |
625 mW |
|
Gewinnen Sie Bandbreite
(fT) |
100–160 MHz |
100 MHz |
~50 MHz |
|
Eingabe
Eigenschaften |
Hoher Gewinn,
empfindlich gegenüber kleinen Signalen |
Stabil,
geräuscharm, präzisionstauglich |
Sehr hoher Input
Impedanz |
|
Lärm
Eignung |
Ausgezeichnet für
Audio |
Sehr gut |
Nicht ideal für
rauscharmes Audio |
|
Geschwindigkeit |
Schnell |
Schnell |
Langsamer wegen
Darlington-Struktur |

Sehr hohe DC-Verstärkung (hFE 500–1500), ideal zur Verstärkung sehr kleiner Eingangssignale.
Hervorragende rauscharme Leistung, wodurch es für Mikrofonvorverstärker, Audiobühnen und Instrumentierungsschaltkreise geeignet ist.
Die hohe Verstärkungsbandbreite (100–160 MHz) unterstützt die Hochfrequenz-Kleinsignalverstärkung.
Niedrige Kollektor-Emitter-Sättigungsspannung, wodurch die Effizienz bei Designs mit geringem Stromverbrauch verbessert wird.
Stabile Vorspannungseigenschaften, was zu geringer Verzerrung beim Einsatz in linearen Verstärkerstufen führt.
Durchkontaktiertes TO-92-Gehäuse, einfach zu handhaben und zu löten für Prototyping- und Reparaturarbeiten.
Moderater Kollektorstromwert (200 mA), der den Einsatz in verschiedenen Anwendungen mit geringem Stromverbrauch ermöglicht.
Mittlerweile veraltet, was die Beschaffung von Originalteilen erschwert.
Aufgrund der begrenzten Verlustleistung (~625 mW) nicht für Hochleistungsschaltungen geeignet.
Eine hohe Verstärkung kann zu Stabilitätsproblemen (Oszillation) führen, wenn sie in Hochfrequenzschaltungen nicht ordnungsgemäß entkoppelt wird.
Rauschvorteile gehen bei hohen Strömen verloren, da die Leistung abnimmt.
Die begrenzte Nennspannung (45 V) schränkt die Verwendung in Designs mit höherer Spannung ein.
Das TO-92-Gehäuse kann die Wärme nicht gut ableiten, was sorgfältige thermische Überlegungen erfordert.
ONSEMI ist ein weltweit führender Halbleiterhersteller, der für die Herstellung leistungsstarker, energieeffizienter elektronischer Komponenten für eine Vielzahl von Branchen bekannt ist.Zu ihren Fähigkeiten gehören fortschrittliche Energiemanagementlösungen, intelligente Sensortechnologien, Hochspannungs- und Automobilkomponenten sowie ein breites Portfolio diskreter Geräte wie Transistoren, Dioden, MOSFETs und Leistungsmodule.onsemi ist für seinen Fokus auf Zuverlässigkeit, Innovation und Nachhaltigkeit bekannt und liefert Komponenten für Automobilsysteme, industrielle Automatisierung, Unterhaltungselektronik usw.
Der MPSA18 bietet eine außergewöhnlich hohe Verstärkung und ein sehr geringes Rauschen, wodurch er besser für empfindliche Audio- und Instrumentierungsschaltungen geeignet ist als die meisten Allzweck-NPN-Transistoren.
onsemi stellte die Produktion aufgrund der Branchenverlagerung hin zu neueren, effizienteren Transistordesigns und der zunehmenden Einführung von SMD-Komponenten ein.
Ja.Teile wie MMBT5088 oder ähnliche SMD-High-Gain-Transistoren bieten funktionale Alternativen für kompakte PCB-Layouts.
Die Leistung nimmt ab, das Rauschen nimmt zu und der Transistor kann aufgrund seiner begrenzten Verlustleistung und des Verstärkungsabfalls bei höheren Strömen überhitzen.
Ja, aber nur zum Schalten mit geringem Strom.Es ist eher für die Verstärkung als für den Antrieb schwerer Lasten optimiert.
Verwenden Sie kurze Signalwege, eine ordnungsgemäße Erdung und kleine Bypass-Kondensatoren in der Nähe des Transistors, um die Stabilität in Stufen mit hoher Verstärkung aufrechtzuerhalten.
CAP CER 47PF 50V S2H 1206
IC FPGA 270 I/O 484FBGA
IC MCU 8BIT 32KB FLASH 64QFP
IC REG LINEAR 8V 500MA DPAK
IC REG BUCK BOOST ADJ DL 10MSOP
CC1100-350 C2MICRO
BSC0923NDI INFINEO
IS61SP25618-133TQ ISSI
MAX1760EUB-T MAXIM
MC14175BFL MOTOROLA
IKANOS TQFP-48
ABB 2016+RoHS


