Deutsch
Zeit: 2026/03/2
Durchsuchen: 154

LM7912 ist ein fester negativer linearer Spannungsregler mit –12 V aus der LM79XX-Serie.Es ist so konzipiert, dass bei einer negativeren Eingangsspannung, beispielsweise –15 V oder –18 V, ein stabiler Ausgang von –12 V bereitgestellt wird.Dieses Gerät wird häufig in Dual-Stromversorgungssystemen verwendet, die sowohl positive als auch negative Spannungsschienen benötigen.
Der LM7912 ist üblicherweise in einem TO-220-Gehäuse erhältlich und kann bei geeigneter Wärmeableitung einen Ausgangsstrom von etwa 1 A bis 1,5 A liefern.Es sind nur wenige externe Komponenten erforderlich, typischerweise Eingangs- und Ausgangskondensatoren, wodurch das Schaltungsdesign einfach und zuverlässig wird.Es verfügt über eine integrierte Strombegrenzung, thermische Abschaltung und einen sicheren Bereichsschutz, um Schäden durch Überlastung oder Überhitzung zu verhindern.
Wenn Sie Interesse am Kauf des LM7912 haben, kontaktieren Sie uns bitte bezüglich Preis und Verfügbarkeit.


|
Pin
Nummer |
Pin
Name |
Beschreibung |
|
1 |
Masse (GND) |
Verbunden mit
Systemmasse.Bezugspunkt für die Regulierung. |
|
2 |
Eingabe (VIN) |
Unreguliert
negative Eingangsspannung (typischerweise –15 V bis –24 V). |
|
3 |
Ausgang (VOUT) |
Geregelt –12V
Ausgangsspannung. |
• LM7912CT
• LM7912CV
• MC7912
• KA7912
• L7912CV
• L7912ACV
• UA7912
• NJM7912
• BD7912F
• TL7912
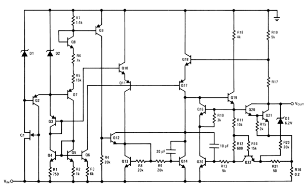
Das interne Schaltbild des LM7912 zeigt, wie der Regler eine ungeregelte negative Eingangsspannung in einen stabilen –12-V-Ausgang umwandelt.Auf der linken Seite des Diagramms umfasst die Eingangsstufe Schutzkomponenten und ein Start-up-Bias-Netzwerk.Diese Transistoren und Widerstände bereiten die internen Schaltkreise vor und helfen, das Gerät vor Verpolung und anormalen Eingangsbedingungen zu schützen.

Im Mittelteil werden aus mehreren Transistoren und Präzisionswiderständen eine Spannungsreferenz und ein Fehlerverstärker gebildet.Dieser Teil vergleicht einen Teil der Ausgangsspannung (Rückkopplungssignal) mit einer internen Referenzspannung.Wenn der Ausgang zu negativ oder nicht negativ genug wird, passt der Fehlerverstärker die Ansteuerung des Pass-Transistors an, um ihn zu korrigieren.
Auf der rechten Seite fungiert der große Ausgangstransistor als Seriendurchlasselement.Es steuert den Stromfluss vom Eingang zum Ausgang, um eine konstante Spannung von –12 V aufrechtzuerhalten.Schutzschaltungen, einschließlich Strombegrenzungs- und thermischer Abschaltnetzwerke, sind ebenfalls integriert, um Schäden bei Überlastung oder Überhitzung zu verhindern.
Das Funktionsblockdiagramm des LM7912 zeigt, wie der Regler mithilfe eines Feedback-Steuerungssystems einen stabilen –12-V-Ausgang aufrechterhält.Der Spannungsreferenzblock erzeugt eine präzise interne Referenzspannung.Diese Referenz wird an den invertierenden Eingang des Fehlerverstärkers angelegt, während der nichtinvertierende Eingang über das Widerstandsnetzwerk (R1 und R2) eine Rückmeldung vom Ausgang erhält.Durch diesen Vergleich kann der Regler jede Änderung der Ausgangsspannung erkennen.

Als Steuereinheit fungiert der Fehlerverstärker.Wenn die Ausgangsspannung von –12 V abweicht, passt der Verstärker sein Ausgangssignal an, um die Differenz zu korrigieren.Dieses Signal treibt die Reihentransistoren Q1 und Q2 an, die den Stromfluss vom Eingang zum Ausgang regeln.
Die Durchgangstransistoren (Q1 und Q2) steuern, wie viel Strom an die Last geliefert wird.Durch Erhöhen oder Verringern der Leitung halten sie die Ausgangsspannung stabil, selbst wenn sich die Eingangsspannung oder der Laststrom ändern.
Die Schutzschaltung überwacht den Ausgangsstrom durch den Messwiderstand (Rsc).Wenn ein übermäßiger Strom oder eine Überhitzung auftritt, wird die Ansteuerung auf die Durchgangstransistoren begrenzt und so Schäden verhindert.Das Diagramm stellt ein lineares Regelsystem mit geschlossenem Regelkreis dar, das für eine stabile und geschützte negative Spannungsregelung ausgelegt ist.
|
Parameter |
Spezifikation |
Einheiten |
|
Ausgangsspannung |
-12V (typisch),
-11,5 V bis -12,5 V |
V |
|
Linienregulierung |
5 mV (typisch), 80 mV
(Max) |
mV |
|
Lastregulierung |
15 mV (typisch),
200 mV (maximal) |
mV |
|
Ruhend
Aktuell |
1,5 mA (typisch), 3 mA
(Max) |
mA |
|
Ruhend
Aktuelle Änderung |
0,5mA |
mA |
|
Ausgangsrauschen
Spannung |
300 µV (typisch) |
µV |
|
Ripple-Ablehnung |
70 dB (typisch), 54 dB
(Min.) |
dB |
|
Ausfallspannung |
1,1 V (typisch) |
V |
|
Spitzenleistung
Aktuell |
2,2 A (typisch) |
A |
|
Betrieb
Sperrschichttemperatur |
0°C bis +125°C |
°C |
|
Lagerung
Temperaturbereich |
-65°C bis +150°C |
°C |
|
Maximaler Input
Spannung |
-35V |
V |
|
Maximal
Input-Output-Differential |
30V |
V |
• Feste Ausgangsspannung von –12 V – Bietet einen stabilen und voreingestellten Ausgang von –12 V, ohne dass externe Einstellkomponenten erforderlich sind.
• Thermischer Überlastschutz – schaltet sich automatisch ab oder schränkt den Betrieb ein, wenn die Innentemperatur zu hoch wird, und verhindert so Geräteschäden.
• Kurzschlussschutz – Schützt den Regler, wenn der Ausgang versehentlich mit Masse kurzgeschlossen wird, indem der Ausgangsstrom begrenzt wird.
• SOA-Schutz (Safe Operating Area) – Stellt sicher, dass der interne Leistungstransistor bei Hochspannung oder hohem Strom innerhalb sicherer Grenzen arbeitet.
• Hohe Welligkeitsunterdrückung – Reduziert effektiv die Wechselstromwelligkeit der Eingangsversorgung und sorgt für einen sauberen und stabilen Gleichstromausgang.
• Bis zu 1,5 A Ausgangsstrom – Kann einen Ausgangsstrom liefern, der für analoge und digitale Schaltkreise mittlerer Leistung geeignet ist.
• 4 % Ausgangsspannungstoleranz – Hält die Ausgangsspannungsgenauigkeit innerhalb eines engen Toleranzbereichs.
• Geringes Ausgangsrauschen – Entwickelt, um elektrisches Rauschen zu minimieren, wodurch es für Audio- und Präzisionsanaloganwendungen geeignet ist.
• Gute Netzregulierung – Hält die Ausgangsspannung stabil, auch wenn die Eingangsspannung schwankt.
• Gute Lastregelung – Hält die Ausgangsspannung trotz Änderungen des Laststroms konstant.
• Interne Strombegrenzung – Verhindert übermäßigen Ausgangsstrom bei Überlastbedingungen.
• Großer Eingangsspannungsbereich – Unterstützt Eingangsspannungen deutlich unter –12 V (innerhalb der maximalen Nennwerte) für eine zuverlässige Regelung.
• Einfache Anforderung an externe Komponenten – Für einen stabilen Betrieb sind nur zwei externe Kondensatoren erforderlich, was das Schaltungsdesign vereinfacht.
• Erhältlich im Standard-TO-220-Gehäuse – Einfache Montage auf Kühlkörpern für bessere Wärmeleistung.

Das Schaltbild zeigt den LM7912, der zur Erzeugung eines stabilen –12-V-Ausgangs aus einer negativen Eingangsquelle verwendet wird.Pin 2 (VIN) ist mit einer –14-V-Versorgung verbunden, die für eine ordnungsgemäße Regelung negativer als –12 V sein muss.Pin 1 ist mit Masse verbunden, die als Bezugspunkt der Schaltung dient.Pin 3 (VOUT) liefert den geregelten –12-V-Ausgang an die Last.Die Last ist zwischen Ausgang und Masse angeschlossen und erhält eine konstante negative Spannung.
Ein 10µF-Kondensator ist zwischen VIN und Masse platziert, um Eingangswelligkeiten zu filtern und Rauschen zu reduzieren.Dieser Kondensator hilft, die Eingangsspannung zu glätten und die Stabilität zu verbessern.Ein 1µF-Kondensator ist zwischen VOUT und Masse geschaltet, um Schwingungen zu verhindern und eine konstante Ausgangsspannung aufrechtzuerhalten.Die richtige Polarität des Kondensators ist wichtig, da es sich um einen negativen Regler handelt – die positiven Anschlüsse der Kondensatoren sind mit Masse verbunden.
Um den LM7912 zu verwenden, stellen Sie eine negative Eingangsspannung bereit, die mindestens 2 V bis 3 V niedriger als –12 V ist (z. B. –14 V oder niedriger).Schließen Sie die Masse ordnungsgemäß an, fügen Sie die empfohlenen Kondensatoren in der Nähe der Stifte hinzu und schließen Sie die Last an den Ausgang an.Sobald der Regler mit Strom versorgt wird, behält er automatisch einen konstanten -12-V-Ausgang bei, auch wenn sich die Eingangsspannung oder der Laststrom ändern.
• Duale Stromversorgungssysteme (±12V-Schienen)
• Audioverstärker und Vorverstärker
• Operationsverstärkerschaltungen
• Analoge Signalverarbeitungsschaltungen
• Instrumentierungssysteme
• Industrielle Steuerungssysteme
• Kommunikationsausrüstung
• Prüf- und Messgeräte usw.
|
Funktion |
LM7912 |
LM7812 |
LM337 |
LM7905 |
|
Ausgabetyp |
Negativ behoben |
Fest positiv |
Einstellbar
Negativ |
Negativ behoben |
|
Ausgangsspannung |
-12V |
+12V |
Einstellbar
(-1,25 V bis -37 V) |
-5V |
|
Ausgangsstrom |
Bis zu 1,5A |
Bis zu 1,5A |
Bis zu 1,5A |
Bis zu 1,5A |
|
Polarität |
Negativ |
Positiv |
Negativ |
Negativ |
|
Extern
Widerstände erforderlich |
Nein |
Nein |
Ja (zur Einstellung
Spannung) |
Nein |
|
Typischer Aussteiger
Spannung |
~1,1V |
~2V |
~2V |
~1,1V |
|
Schutz
Funktionen |
Thermal,
Kurzschluss, SOA |
Thermal,
Kurzschluss |
Thermal,
Kurzschluss |
Thermal,
Kurzschluss |
|
Gewöhnlich
Anwendungen |
Doppelte Versorgung,
Analoge Schaltungen |
Allgemein +12V
Versorgung |
Einstellbar
negatives Angebot |
-5V-Versorgung
Systeme |

Das interne Design des LM7912 kombiniert eine präzise Spannungsreferenz, einen Fehlerverstärker und einen Durchgangstransistor mit umfassenden Schutzfunktionen wie thermischer Abschaltung und Strombegrenzung.Mit guter Leitungs- und Lastregelung, geringem Rauschen und starker Welligkeitsunterdrückung eignet es sich für Doppelstromversorgungen, Audiosysteme, Operationsverstärkerschaltungen und Industrieanlagen.Unabhängig davon, ob er in neuen Designs oder als Ersatz für gleichwertige Modelle verwendet wird, bleibt der LM7912 eine zuverlässige und weit verbreitete Lösung für Anwendungen zur negativen Spannungsregelung.
Die Eingangsspannung muss mindestens 2V bis 3V negativer als –12V sein.Ein typischer sicherer Eingangsbereich liegt zwischen –14 V und –24 V, um eine ordnungsgemäße Regelung ohne Ausfälle zu gewährleisten.
Ja.LM7912 wird üblicherweise mit LM7812 gepaart, um eine symmetrische ±12-V-Doppelstromversorgung für Audioverstärker und Operationsverstärkerschaltungen zu schaffen.
Die Wärme hängt vom Spannungsabfall und dem Laststrom ab.Die Verlustleistung beträgt (VIN – VOUT) × IOUT.Für Anwendungen mit höherem Strom ist ein Kühlkörper erforderlich.
Ein Eingang von mehr als –35 V kann den Regler dauerhaft beschädigen.Bleiben Sie immer innerhalb der absoluten Höchstwerte, um Fehler zu vermeiden.
Es wird nicht empfohlen.Ausgangskondensatoren verhindern Schwingungen und verbessern die Stabilität.Der Betrieb ohne sie kann zu einer instabilen Ausgangsspannung führen.
Nr. LM7912 ist ein Linearregler.Es eignet sich am besten für rauscharme Analoganwendungen und nicht für hocheffiziente Schaltdesigns.
Messen Sie die Ausgangsspannung mit einem Multimeter.Wenn der Eingang korrekt ist und der Ausgang nicht in der Nähe von –12 V liegt, kann der Regler beschädigt sein.
LM7912 ist ein Linearregler mit geringem Rauschen, aber geringerem Wirkungsgrad.DC-DC-Wandler bieten einen höheren Wirkungsgrad, erzeugen aber mehr Schaltgeräusche.
Ja.LM337 kann es ersetzen, wenn es richtig konfiguriert ist, es sind jedoch externe Widerstände erforderlich, um den –12-V-Ausgang einzustellen.
Aufgrund seiner Einfachheit, Zuverlässigkeit, geringen Kosten und stabilen Leistung in analogen und Dual-Versorgungssystemen erfreut es sich nach wie vor großer Beliebtheit.
CAP CER 0.5PF 50V C0G/NPO 0603
CAP CER 2.2UF 16V X7R 0805
IC OPAMP GP 1 CIRCUIT TO99-8
IC TXRX NON-INVERT 3.6V 20TSSOP
IGBT Modules
W83627EHG WINBOND
IDT74FCT240ATSO IDT
GALVANTEC TSSOP
STM-1116 SIRENZA
TC58NVG0S3ETA0BB3H TOSHIBA
TI BGA
IC MCU 32BIT 128KB FLASH 48LQFP




