Deutsch
Zeit: 2026/03/2
Durchsuchen: 155

Die LM4041 verbesserte Präzisions-Mikropower-Shunt-Spannungsreferenz ist eine kompakte Bandlückenreferenz mit zwei Anschlüssen, die eine stabile und genaue Ausgangsspannung liefert, typischerweise 1,225 V.Es arbeitet im Shunt-Modus, ähnlich einer Zener-Diode, und hält eine konstante Referenzspannung über einen weiten Bereich von Versorgungsbedingungen aufrecht.Dadurch eignet es sich für präzise Analog- und Mixed-Signal-Schaltungen.
Das Gerät verfügt über lasergetrimmte Widerstände für eine hohe Anfangsgenauigkeit mit Toleranzoptionen von bis zu 0,1 %.Es bietet einen niedrigen Temperaturkoeffizienten (ca. 100 ppm/°C), um eine stabile Leistung über –40 °C bis +125 °C zu gewährleisten.Mit einem niedrigen Betriebsstrombereich von etwa 60 µA bis 12 mA und einer niedrigen dynamischen Impedanz bietet es eine zuverlässige Regelung, ohne dass ein externer Stabilisierungskondensator erforderlich ist.
Wenn Sie Interesse am Kauf des LM4041 haben, kontaktieren Sie uns bitte bezüglich Preis und Verfügbarkeit.


|
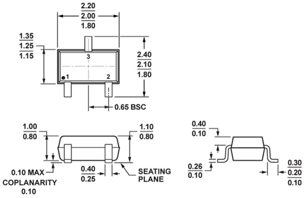
Pin
Nummer |
Pin
Name |
Symbol |
Beschreibung |
|
1 |
Kathode |
+ |
Positiv
Klemme der Shunt-Referenz. Über a an die Versorgungsspannung anschließen Strombegrenzungswiderstand. An diesem Pin liegt die Ausgangsreferenzspannung an und Anode. |
|
2 |
Anode |
– |
Negativ
Terminal. In den meisten Anwendungen mit Erde verbinden. |
|
3 |
N.C. (Nr
Verbinden) |
— |
Nicht intern
verbunden. Nicht angeschlossen lassen oder Herstellerempfehlungen befolgen. |
|
Teil
Nummer |
Temp
Reichweite |
Pin-Paket |
Top
Mark |
|
LM4041AIX3-1.2+T |
-40°C bis +85°C |
3 SC70-3 |
ABF |
|
LM4041AIM3-1.2+T |
-40°C bis +85°C |
3 SOT23-3 |
FZEB |
|
LM4041AEX3-1.2-T |
-40°C bis +125°C |
3 SC70-3 |
ALB |
|
LM4041AEM3-1.2+T |
-40°C bis +125°C |
3 SOT23-3 |
FZNC |
|
LM4041BIX3-1.2+T |
-40°C bis +85°C |
3 SC70-3 |
ABG |
|
LM4041BIM3-1.2+T |
-40°C bis +85°C |
3 SOT23-3 |
FZEC |
|
LM4041BEX3-1.2+T |
-40°C bis +125°C |
3 SC70-3 |
ALC |
|
LM4041BEM3-1.2+T |
-40°C bis +125°C |
3 SOT23-3 |
FZND |
|
LM4041CIX3-1.2+T |
-40°C bis +85°C |
3 SC70-3 |
ABH |
|
LM4041CIM3-1.2+T |
-40°C bis +85°C |
3 SOT23-3 |
FZED |
|
LM4041CEX3-1.2+T |
-40°C bis +125°C |
3 SC70-3 |
ALD |
|
LM4041CEM3-1.2-T |
-40°C bis +125°C |
3 SOT23-3 |
FZNE |
|
LM4041DIX3-1.2+T |
-40°C bis +85°C |
3 SC70-3 |
ABI |
|
LM4041DIM3-1.2+T |
-40°C bis +85°C |
3 SOT23-3 |
FZEE |
|
LM4041DEX3-1.2+T |
-40°C bis +125°C |
3 SC70-3 |
ALE |
|
LM4041DEM3-1.2-T |
-40°C bis +125°C |
3 SOT23-3 |
FZNF |
Das Funktionsblockdiagramm des LM4041 zeigt, wie das Gerät intern eine präzise Referenzspannung erzeugt und regelt.Auf der linken Seite bilden ein Widerstandsnetzwerk und eine Transistorstruktur den Bandlücken-Referenzkern.Diese Schaltung erzeugt eine stabile temperaturkompensierte Referenzspannung (VREF) durch die Kombination von Spannungskomponenten mit entgegengesetzten Temperaturkoeffizienten, wodurch der Ausgang bei Temperaturänderungen stabil bleibt.

In der Mitte spannen Stromquellen die internen Transistoren vor, um konstante Betriebsbedingungen aufrechtzuerhalten.Ein interner Fehlerverstärker vergleicht die erzeugte Referenzspannung mit dem Feedback-Signal (FB).Ändert sich die Ausgangsspannung, passt der Verstärker die Ansteuerung des Ausgangstransistors an.
Auf der rechten Seite steuert der Ausgangstransistor den Shunt-Strom zwischen Kathode und Anode.Durch Erhöhen oder Verringern des Shunt-Stroms hält der LM4041 die Kathodenspannung konstant.Diese Regelung mit geschlossenem Regelkreis gewährleistet eine genaue und stabile 1,225-V-Referenzausgabe bei unterschiedlichen Versorgungs- und Lastbedingungen.
|
Parameter |
Bewertung |
|
Rückstrom
(Kathode zu Anode) |
20mA |
|
Vorwärtsstrom
(Anode zu Kathode) |
10mA |
|
Kontinuierliche Leistung
Verlustleistung – SC70 (TA = +70°C) |
174 mW |
|
Leistungsreduzierung des SC70
Über +70°C |
2,17 mW/°C |
|
Kontinuierliche Leistung
Verlustleistung – SOT23 (TA = +70°C) |
320 mW |
|
SOT23-Derating
Über +70°C |
4,01 mW/°C |
|
Betrieb
Temperaturbereich (LM4041_I_ _ ) |
-40°C bis +85°C |
|
Betrieb
Temperaturbereich (LM4041_E_ _ ) |
-40°C bis +125°C |
|
Lagerung
Temperaturbereich |
-65°C bis +150°C |
|
Kreuzung
Temperatur |
+150°C |
|
Bleitemperatur
(Löten, 10s) |
+300°C |

• Ultrakleines 3-Pin-SC70/SOT23-Gehäuse- Der LM4041 wird in kompakten oberflächenmontierbaren Gehäusen geliefert und eignet sich daher ideal für Leiterplattenlayouts mit begrenztem Platzangebot.Seine geringe Stellfläche eignet sich für tragbare, tragbare und elektronische Designs mit hoher Dichte.
• Hohe Anfangsgenauigkeit (bis zu ±0,1 %)- Lasergetrimmte Widerstände gewährleisten sehr enge Toleranzoptionen.Diese hohe Präzision reduziert den Kalibrierungsaufwand und verbessert die Gesamtsystemgenauigkeit in Messkreisen.
• Niedriger Temperaturkoeffizient (max. 100 ppm/°C)- Das Gerät behält bei Temperaturschwankungen eine stabile Ausgangsspannung bei und gewährleistet je nach Sorte eine zuverlässige Leistung von -40 °C bis +125 °C.
• Großer Betriebsstrombereich (60 µA bis 12 mA)- Es unterstützt Mikrostromanwendungen mit geringem Stromverbrauch und verarbeitet gleichzeitig höhere Ruheströme für eine verbesserte dynamische Leistung.
• Geringes Ausgangsrauschen (20 µVRMS, 10 Hz bis 10 kHz)- Durch die geringe Rauschcharakteristik eignet es sich für Präzisions-Analogschaltungen, ADC/DAC-Referenzen und Sensorschnittstellen.
• 1,225 V feste Sperrspannung- Die bandlückenbasierte Referenz bietet eine stabile und genaue Ausgangsspannung von 1,225 V für Präzisionsanwendungen.
• Kein externer Ausgangskondensator erforderlich- Der LM4041 bleibt stabil, ohne dass zusätzliche Ausgangskondensatoren erforderlich sind, was das Schaltungsdesign vereinfacht.
• Kapazitive Lasttoleranz- Es kann kapazitive Lasten ohne Schwingungen antreiben, was die Designflexibilität erhöht.
• Niedrige dynamische Impedanz- Hält eine stabile Ausgangsspannung aufrecht, auch wenn sich der Laststrom ändert, und verbessert so die Regelgenauigkeit.
• Mikroleistungsbetrieb- Auf geringen Stromverbrauch ausgelegt, wodurch es für batteriebetriebene und energieempfindliche Anwendungen geeignet ist.
• Großer industrieller Temperaturbereich- Erhältlich sowohl in der kommerziellen (-40 °C bis +85 °C) als auch in der erweiterten (-40 °C bis +125 °C) Version für industrielle Umgebungen.
Der typische Betriebsschaltkreis des LM4041, der als Shunt-Spannungsreferenz verwendet wird.Das Gerät funktioniert ähnlich wie eine Präzisions-Zenerdiode.Eine Versorgungsspannung (VS) wird über einen Serienwiderstand (RS) mit dem Referenzknoten (VR) verbunden.Der LM4041 wird zwischen diesem Knoten und Masse angeschlossen, wo er an seinen Anschlüssen eine feste Referenzspannung (typischerweise 1,225 V) aufrechterhält.

Der Vorwiderstand RS ist sehr wichtig.Es begrenzt den Gesamtstrom, der aus der Versorgung fließt, und stellt den Betriebsstrom des Geräts ein.Der Strom durch RS teilt sich in zwei Teile auf: ISHUNT (Strom, der durch den LM4041 fließt) und ILOAD (von der Last aufgenommener Strom).Für eine ordnungsgemäße Regelung muss der LM4041 immer mindestens seinen minimalen Shunt-Strom (ca. 60 µA) erhalten.
Um den LM4041 zu verwenden, wählen Sie RS, damit das Gerät unter allen Lastbedingungen innerhalb seines Betriebsstrombereichs (60 µA bis 12 mA) bleibt.Die Ausgangsreferenzspannung wird bei VR relativ zur Erde gemessen.

Diese Schaltung prüft, wie gut der LM4041 eine stabile Referenzspannung aufrechterhält, wenn sich der Laststrom plötzlich ändert.Eine Versorgungsspannung (VB) speist die Referenz über einen 1-kΩ-Widerstand, der den Shunt-Strom (ISHUNT) einstellt.Ein Lastwiderstand (RL) ist mit einem Impulsgenerator (VGEN) verbunden, um schnelle Änderungen im Laststrom zu erzeugen.
Wenn der Laststrom schnell ansteigt oder abnimmt, muss der LM4041 sofort reagieren, um die Ausgangsspannung (VR) stabil zu halten.Dieser Test misst Spannungsabweichung und Erholungszeit und zeigt, wie stabil die Referenz unter dynamischen Bedingungen ist.
Diese Schaltung wertet aus, wie sich der LM4041 beim Einschalten verhält.Eine gepulste Eingangsquelle (VIN, 1-Hz-Rate) legt Spannung über einen 30-kΩ-Widerstand an.Die Ausgangsspannung (VR) wird überwacht, um Anlaufverzögerung, Einschwingzeit und Stabilität zu beobachten.Dieser Test stellt sicher, dass der LM4041 beim Anlegen der Stromversorgung schnell und reibungslos die korrekte Referenzspannung von 1,225 V erreicht.
• ADC-Referenzspannung – Der LM4041 bietet eine stabile 1,225-V-Referenz für Analog-Digital-Wandler (ADCs).Eine präzise Referenz verbessert die Messgenauigkeit und reduziert Konvertierungsfehler in Datenerfassungssystemen.
• DAC-Referenzschaltungen – In Digital-Analog-Wandler-Anwendungen (DAC) sorgt der LM4041 für eine konsistente Ausgangsskalierung.Seine geringe Temperaturdrift trägt dazu bei, stabile analoge Ausgangspegel aufrechtzuerhalten.
• Batteriebetriebene Geräte – Mit seinem Mikrostrombetrieb (nur 60 µA) ist der LM4041 ideal für tragbare Elektronikgeräte wie Handmessgeräte und IoT-Geräte, bei denen ein geringer Stromverbrauch entscheidend ist.
• Sensorsignalaufbereitung – Präzisionssensoren benötigen stabile Referenzspannungen für genaue Messwerte.Der LM4041 unterstützt Temperatursensoren, Drucksensoren und Brückenschaltungen.
• Stromversorgungsüberwachung – Kann in Spannungsüberwachungs- und Regelkreisen verwendet werden, um den Versorgungspegel zu überwachen und eine stabile Systemleistung aufrechtzuerhalten.
• Industrielle Steuerungssysteme – Der große Betriebstemperaturbereich (-40 °C bis +125 °C) macht es für industrielle Automatisierungs- und Steuerungsumgebungen geeignet.
• Stromquellenschaltungen – Der LM4041 kann in Kombination mit externen Widerständen zum Erstellen präziser Stromquellen verwendet werden.
• Kalibrierreferenzmodule – Aufgrund ihrer hohen Anfangsgenauigkeit eignen sie sich für Kalibriergeräte und Präzisionstestinstrumente.
|
Funktion |
LM4041 |
TL431 |
LM385-1.2 |
LM4050 |
|
Typ |
Shunt-Referenz |
Einstellbarer Shunt
Referenz |
Mikropower-Shunt |
Serienreferenz |
|
Ausgangsspannung |
Fest (1,225 V
typisch) |
Einstellbar (2,5 V).
bis 36V) |
Fest (1,235 V) |
Fest (2,5 V / 3 V).
/ 5V) |
|
Anfängliche Genauigkeit |
±0,1 % bis ±1 % |
±0,5 % bis ±2 % |
±1 % bis ±2 % |
±0,1 % bis ±0,5 % |
|
Tempco |
100 ppm/°C (typisch) |
~50–100 ppm/°C |
~20–100 ppm/°C |
~50 ppm/°C |
|
Betrieb
Aktuell |
60 µA bis 12 mA |
1mA bis 100mA |
20 µA bis 20 mA |
60 µA bis 10 mA |
|
Ausgangskondensator
Erforderlich |
Nein |
Manchmal |
Nein |
Nein |
|
Paketgröße |
SC70 / SOT23 |
TO-92 / SOT23 |
TO-92 / SOT23 |
SOT23 |
|
Am besten für |
Niederspannung
Präzisions-ADC-Referenz |
Einstellbar
Regelkreise |
Extrem geringer Stromverbrauch
Anwendungen |
Höhere Spannung
Präzisionsreferenz |

Der LM4041 ist eine kompakte, hochpräzise Shunt-Spannungsreferenz mit geringem Stromverbrauch, die für einen stabilen 1,225-V-Ausgang in anspruchsvollen elektronischen Anwendungen ausgelegt ist.Aufgrund seiner lasergetrimmten Genauigkeit, seines geringen Rauschens, seiner geringen Temperaturdrift und seines großen Betriebsbereichs eignet es sich für Präzisionsmesssysteme, batteriebetriebene Geräte, industrielle Steuerschaltkreise und Kalibrierungsmodule.Wenn Sie den internen Betrieb, die elektrischen Spezifikationen, die Widerstandsauswahlmethode und die Leistungstestschaltungen verstehen, können Sie den LM4041 sicher in zuverlässige und effiziente Systeme integrieren.
Um RS zu berechnen, verwenden Sie: RS = (VS – VREF) / (ISHUNT + IchLADEN).Stellen Sie sicher, dass der Strom des LM4041 unter allen Lastbedingungen zwischen 60 µA und 12 mA bleibt.
Wenn der Strom unter 60 µA fällt, wird die Referenzspannung instabil und die Regelgenauigkeit nimmt ab.
Ja.Sie bietet eine viel bessere Genauigkeit, geringere Temperaturdrift und geringeres Rauschen als Standard-Zenerdioden.
Nein. Es ist intern stabil und benötigt für den ordnungsgemäßen Betrieb keinen Ausgangskondensator.
Die Versorgungsspannung muss höher als 1,225 V zuzüglich des Spannungsabfalls an RS sein, um den richtigen Vorstrom aufrechtzuerhalten.
LM4041 bietet eine höhere Festspannungsgenauigkeit (bis zu ±0,1 %) bei viel geringerem Betriebsstrom.
Temperaturschwankungen, übermäßiger Strom, PCB-Leckströme und eine falsche Widerstandsauswahl können die Stabilität beeinträchtigen.
SMALL SIGNAL FIELD-EFFECT TRANSI
IC CLK MULTPX 8:1 2.8GHZ 24TSSOP
IC REG CTRLR BUCK 28QFN
DGTL ISO 2500VRMS 3CH GP 16SOIC
IC DSP FIX/FLOAT POINT 361NFBGA
DC DC CONVERTER 3.3-40V 250W
HIT SOP
IDT QFP208
AXELL QFP-208
RENESAS QFP
SONIX SOP18
ATMEL QFP176
MICRON/ST BGA






