Deutsch
Zeit: 2025/12/29
Durchsuchen: 468
Die schnell schaltende Diode LL4148
![]()
LL4148
Taiwan Semiconductor Corporation
MMELF, 100V, 0.15A, SWITCHING DI
Out Stock
ist eine weit verbreitete Kleinsignalkomponente.In diesem Artikel werden die Grundlagen, Pinbelegung, Spezifikationen, Funktionen, Funktionsprinzipien in Schaltkreisen, Anwendungen, sicherer Betrieb, Vergleiche und mehr der LL4148-Diode erläutert.

Die LL4148
![]()
LL4148
Taiwan Semiconductor Corporation
MMELF, 100V, 0.15A, SWITCHING DI
Out Stock
Die Fast Switching Diode von Vishay ist eine Kleinsignal-Siliziumdiode, die für Hochgeschwindigkeits-Schaltanwendungen entwickelt wurde.Es handelt sich um die oberflächenmontierte Version des beliebten 1N4148

1N4148
NTE Electronics, Inc
DIODE GEN PURP 75V 150MA DO35
Out Stock
und ist für schnelle Reaktion, geringen Leckstrom und stabile elektrische Leistung in modernen elektronischen Schaltkreisen optimiert.
Diese Diode verfügt über eine sehr kurze Sperrverzögerungszeit und eignet sich daher ideal für die Hochfrequenzsignalverarbeitung, Logikschaltung und Schutzschaltungen.Mit seinem kompakten MiniMELF (SOD-80)-Gehäuse eignet sich der LL4148 gut für platzsparende Leiterplattendesigns und automatisierte Bestückung.
Wenn Sie Interesse am Kauf des LL4148 haben, kontaktieren Sie uns bitte bezüglich Preis und Verfügbarkeit.

|
Terminal |
Name |
Polarität |
Beschreibung |
|
Pin 1 |
Anode |
(+) |
Die Anode ist die
Anschluss, an dem konventioneller Strom in die Diode eintritt.Wenn die Anode bei a ist
Da der LL4148
|
|
Pin 2 |
Kathode |
(–) |
Die Kathode ist
erkennbar an dem schwarzen Band auf dem Diodenkörper.Strom fließt aus
dieser Anschluss, wenn die Diode in Durchlassrichtung vorgespannt ist. |
• 1N4148

1N4148
NTE Electronics, Inc
DIODE GEN PURP 75V 150MA DO35
Out Stock
• 1N914

1N914
Good-Ark Semiconductor
DIODE, SWITCHING, 75MA, 100V, DO
In Stock: 19241 pcs
• 1N916

1N916
NTE Electronics, Inc
DIODE GEN PURP 100V 200MA DO35
In Stock: 398 pcs
• 1N4448

1N4448
NTE Electronics, Inc
DIODE GEN PURP 100V 200MA DO35
Out Stock
• 1N4149

1N4149
NTE Electronics, Inc
DIODE GEN PURP 100V 500MA DO35
Out Stock
• MMBD4148
![]()
MMBD4148
Taiwan Semiconductor Corporation
SOT-23, 100V, 0.2A, SWITCHING DI
Out Stock
• LL914
• BAV19
![]()
BAV19
Taiwan Semiconductor Corporation
DO-35, 120V, 0.2A, SWITCHING DIO
Out Stock
• BAV99
![]()
BAV99
HY Electronic (Cayman) Limited
SMD SWITCHING DIODE
Out Stock
(Einzeldiodenverwendung)
• BAS16
![]()
BAS16
Panasonic Electronic Components
DIODE GEN PURP 80V 200MA SC59-3
Out Stock
|
Spezifikation |
Wert |
|
Diodentyp |
Schnelles Umschalten
Siliziumdiode |
|
Hersteller |
Vishay |
|
Wiederholter Höhepunkt
Sperrspannung |
100 V |
|
RMS-Umkehr
Spannung |
75 V |
|
DC-Umkehrung
Spannung |
100 V |
|
Durchschnittlicher Stürmer
Aktuell |
150mA |
|
Nicht repetitiv
Spitzendurchlassstrom |
500mA |
|
Durchlassspannung |
1,0 V (typisch bei
10mA) |
|
Umgekehrte Wiederherstellung
Zeit |
4–8 ns |
|
Rückwärtsleckage
Aktuell |
25 nA (typisch) |
|
Kreuzung
Kapazität |
2 pF |
|
Macht
Zerstreuung |
500 mW |
|
Betrieb
Temperaturbereich |
−65 °C bis +175
°C |
|
Paket |
MiniMELF
(SOD-80) |
Der LL4148
![]()
LL4148
Taiwan Semiconductor Corporation
MMELF, 100V, 0.15A, SWITCHING DI
Out Stock
ist mit einer sehr kurzen Reverse-Recovery-Zeit ausgestattet, sodass er in nur wenigen Nanosekunden ein- und ausgeschaltet werden kann.Dies macht es ideal für die Hochgeschwindigkeits-Signalverarbeitung, digitale Logikschaltungen und Impulsanwendungen, bei denen es auf Timing-Genauigkeit ankommt.
Diese Diode hat im leitenden Zustand eine relativ niedrige Durchlassspannung, was dazu beiträgt, Leistungsverluste und Wärmeentwicklung zu reduzieren.Es ist besonders nützlich in Schaltkreisen mit geringem Stromverbrauch und Signalpegel, bei denen es auf Effizienz ankommt.
Bei Sperrvorspannung lässt der LL4148 nur einen sehr geringen Leckstrom zu.Dies verbessert die Zuverlässigkeit der Schaltung und sorgt für einen stabilen Betrieb in Präzisions- und Schwachstromanwendungen.
Der LL4148 kann relativ hohe Sperrspannungen für eine Kleinsignaldiode sicher blockieren.Dadurch eignet es sich für Schutz-, Klemm- und Schaltaufgaben in den unterschiedlichsten Elektronikausführungen.
Der LL4148 ist in einem MiniMELF-Gehäuse (SOD-80) untergebracht und unterstützt kompakte PCB-Layouts und automatisierte Montage.Aufgrund seiner geringen Größe ist es eine gute Wahl für moderne, platzbeschränkte Elektronikgeräte.
Der LL4148 wird mithilfe der Silizium-Planar-Technologie von Vishay hergestellt und bietet stabile elektrische Eigenschaften, gutes Temperaturverhalten und langfristige Zuverlässigkeit für viele Anwendungen.

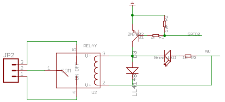
In der Relaistreiberschaltung ist die LL4148
![]()
LL4148
Taiwan Semiconductor Corporation
MMELF, 100V, 0.15A, SWITCHING DI
Out Stock
-Diode parallel zur Relaisspule geschaltet, um den Transistor und die Steuerelektronik zu schützen.Im Normalbetrieb, wenn die Relaisspule erregt ist, ist die Diode in Sperrichtung vorgespannt und leitet keinen Strom.Das Relais arbeitet normal, sodass die Kontakte die Last schalten können.Wenn das Steuersignal ausgeschaltet wird, bricht das in der Relaisspule gespeicherte Magnetfeld schnell zusammen und erzeugt eine Hochspannungsspitze.Diese plötzliche Spannung kann den Transistor oder den Mikrocontroller-Pin beschädigen, wenn sie nicht kontrolliert wird.Der LL4148 wird sofort in Vorwärtsrichtung vorgespannt und bietet einen Weg für den sicheren Fluss des induzierten Stroms durch die Spule.Indem sie die Spannung auf ein sicheres Niveau begrenzt, absorbiert die Diode die Energie von der Spule und verhindert elektrische Belastung empfindlicher Komponenten.Seine schnelle Schaltgeschwindigkeit sorgt dafür, dass die Spitze nahezu augenblicklich unterdrückt wird.

Im Signaleingangskreis spielt der LL4148 eine wichtige Rolle beim Schutz und der Formung eingehender Signale, bevor sie die Transistorstufe erreichen.Die Diode blockiert Verpolungsspannungen, die andernfalls nachgeschaltete Komponenten beschädigen könnten.Wenn ein gültiges Signal angelegt wird, lässt der LL4148 den Strom in die richtige Richtung fließen und arbeitet gleichzeitig mit Widerständen und Kondensatoren zusammen, um schnelle Spannungsänderungen zu glätten.Wenn am Eingang eine plötzliche Spitze oder ein Rauschen auftritt, leitet die Diode schnell und begrenzt die Spannung auf einen sicheren Bereich.Dies trägt zum Schutz der Transistorbasis bei und stabilisiert das Signal.Da der LL4148 über eine niedrige Sperrschichtkapazität und eine schnelle Erholungszeit verfügt, verzerrt er Hochgeschwindigkeitssignale nicht wesentlich und eignet sich daher für Signalfilterung, Entprellungsschaltungen und Logikpegelschutz.

In Steuerungs- und Messanwendungen wird der LL4148 eingesetzt, um die korrekte Stromrichtung sicherzustellen und empfindliche Messgeräte zu schützen.Die Diode verhindert, dass bei Schaltvorgängen eine Rückwärtsspannung an Messgeräte, Steuermodule oder Sensorschaltkreise gelangt.Wenn der Schaltkreis den Zustand wechselt, reagiert der LL4148 schnell und lässt nur dann Strom fließen, wenn die Polarität korrekt ist.Dies schützt das Messgerät vor Schäden durch falsche Anschlüsse oder Spannungsspitzen.Seine schnelle Reaktionszeit ist besonders wichtig in Schaltkreisen, in denen sich Signale schnell ändern, wie z. B. Rückkopplungsschleifen, Zeitschaltkreise oder elektronische Steuerungen.Durch die Aufrechterhaltung der Signalintegrität und die Verhinderung eines Rückstromflusses trägt der LL4148 dazu bei, die Genauigkeit, Sicherheit und Zuverlässigkeit des Gesamtsystems zu verbessern.
• Hochgeschwindigkeits-Signalschaltkreise
• Digitale Logik- und Impulsschaltungen
• Relais- und induktiver Last-Rücklaufschutz
• Signalklemmung und Spannungsbegrenzung
• Eingangsschutz für Mikrocontroller und ICs
• Wellenformungs- und Signalaufbereitungsschaltungen
• Polaritätsschutz in Stromkreisen mit geringer Leistung
• Rauschunterdrückung und Transientenschutz
• Mess- und Sensorschaltungen
• Allzweck-Kleinsignalgleichrichtung
Es ist wichtig, die Diode immer innerhalb der angegebenen Spannungs- und Stromwerte zu betreiben.Das Überschreiten der maximalen Sperrspannung oder des maximalen Durchlassstroms kann zu Überhitzung und dauerhaften Schäden führen.Eine ordnungsgemäße Strombegrenzung, normalerweise mit einem Vorwiderstand, hilft, einen übermäßigen Strom während der Durchlassleitung zu verhindern.
Auch bei der Installation ist auf die richtige Polarität zu achten.Die Kathode, gekennzeichnet durch das schwarze Band auf dem Diodenkörper, sollte entsprechend dem Schaltungsdesign angeschlossen werden, um unbeabsichtigte Leitung oder Rückwärtsspannung zu vermeiden.In Stromkreisen mit induktiven Lasten wie Relais oder Spulen sollte die Diode richtig platziert werden, um Spannungsspitzen sicher zu unterdrücken.
Ein adäquates Wärmemanagement ist ein weiterer Schlüsselfaktor.Obwohl der LL4148
![]()
LL4148
Taiwan Semiconductor Corporation
MMELF, 100V, 0.15A, SWITCHING DI
Out Stock
schnelle Schaltvorgänge effizient bewältigt, kann ein kontinuierlicher Hochfrequenzbetrieb oder erhöhte Temperaturen seine Zuverlässigkeit beeinträchtigen.Die Sicherstellung des richtigen PCB-Layouts, der richtigen Abstände und der richtigen Belüftung trägt dazu bei, eine stabile und langfristige Leistung aufrechtzuerhalten.
|
Parameter |
LL4148
|
1N4148
![]() |
|
Diodentyp |
Schnelles Umschalten
Kleinsignaldiode |
Schnelles Umschalten
Kleinsignaldiode |
|
Pakettyp |
MiniMELF
(SOD-80, SMD) |
DO-35 (axial,
Durchgangsloch) |
|
Montageart |
Oberflächenmontage
(SMD) |
Durchgangsloch |
|
Wiederholter Höhepunkt
Sperrspannung |
100 V |
100 V |
|
Durchschnittlicher Stürmer
Aktuell |
150mA |
150mA |
|
Spitze nach vorne
Aktuell |
500mA |
450–500 mA |
|
Durchlassspannung |
~1,0 V bei 10 mA |
~1,0 V bei 10 mA |
|
Umgekehrte Wiederherstellung
Zeit |
4–8 ns |
4–8 ns |
|
Kreuzung
Kapazität |
~2 pF |
~2–4 pF |
|
Leckstrom |
Sehr niedrig (nA
Reichweite) |
Sehr niedrig (nA
Reichweite) |
|
Größe |
Kleiner, kompakter |
Größer aufgrund
führt |
|
Montagemethode |
Geeignet für
automatisiertes SMT |
Manuell oder Welle
Löten |
|
Typische Verwendung |
Moderner Kompakter
Leiterplatten |
Prototyping und
Legacy-Designs |

VishayAls globaler Hersteller von diskreten Halbleitern mit Produktionsstätten in mehreren Regionen ist LL4148
![]()
LL4148
Taiwan Semiconductor Corporation
MMELF, 100V, 0.15A, SWITCHING DI
Out Stock
in der Lage, die schnell schaltenden Kleinsignaldioden der Serie LL4148 mithilfe der Silizium-Epitaxie-Planar-Technologie herzustellen und bietet eine Leistung, die der JEDEC-registrierten 1N4148

1N4148
NTE Electronics, Inc
DIODE GEN PURP 75V 150MA DO35
Out Stock
-Familie in oberflächenmontierbaren MiniMELF-Gehäusen (SOD-80) entspricht.Ihr Herstellungsprozess unterstützt die automatisierte Massenmontage mit konsistenten elektrischen Eigenschaften wie schneller Rückwärtserholungszeit und zuverlässigen Vorwärts-/Rückwärts-Nennwerten und sie bieten Varianten wie den LL4148 GS08, der für Automobilanwendungen (AEC-Q101-qualifiziert) und andere Prozessabläufe optimiert ist, mit Band-und-Rollen-Verpackung, die für moderne SMT-Linien geeignet sind.
Dies bedeutet, dass die Diode nach dem Leiten sehr schnell abschaltet, wodurch Signalverzerrungen und Zeitfehler in Hochfrequenzschaltungen reduziert werden.
Die Kathode ist durch ein schwarzes Band auf dem Diodenkörper gekennzeichnet, das den Minuspol anzeigt.
Reflow-Löten wird empfohlen, da das MiniMELF-Gehäuse für Standard-SMT-Bestückungsprozesse ausgelegt ist.
Der Schaltkreis funktioniert möglicherweise nicht richtig und in einigen Fällen könnten die Diode oder andere Komponenten beschädigt werden.
Sie sollten in einer trockenen, temperaturkontrollierten Umgebung gelagert werden, idealerweise in der Originalverpackung, um Kontamination und ESD-Exposition zu vermeiden.
IC TRANSCEIVER FULL 3/2 20TSSOP
IC MCU 32BIT 512KB FLASH 64LQFP
DC DC CONVERTER 28V 150W
IC MEMS MOTION SENSOR 16-LGA
RM7035C-533L-D004 PMC
SST29SF040-55-4C-WH-T SST
MICRON TSOP-66
IC MCU FLASH MICOM-0.09 64LQFP
EPF8118AQC208-4 ALTERA
Z8674312VSC-Z8-8K-OTP ZILOG
PMTECH BGA

225MA SURFACE MOUNT SWITCHING DI
vorrätig: 450
DIODE GEN PURP 75V 200MA SOT23
vorrätig: 1280

DIODE GEN PURP 100V 200MA DO35
vorrätig: 663

DIODE GEN PURP 75V 215MA SC59-3
vorrätig: 220

RECTIFIER DIODE, 0.2A, 100V, DO-
vorrätig: 681



