Deutsch
Zeit: 2025/12/29
Durchsuchen: 28

Die 1N4732A Die Zenerdiode ist eine Standard-Zenerdiode, die für Spannungsregelungs- und Spannungsreferenzanwendungen entwickelt wurde.Er hat eine nominale Zenerspannung von 4,7 V und kann bis zu 1 W Leistung sicher ableiten.Im Gegensatz zu herkömmlichen Dioden ist sie für den Betrieb in Sperrrichtung vorgesehen, sodass sie nach Erreichen des Durchbruchs eine nahezu konstante Spannung aufrechterhält.
Diese Diode wird in einem axialen DO-41-Durchsteckgehäuse geliefert, wodurch sie sowohl in Prototypen als auch in Produktionsschaltungen problemlos verwendet werden kann.Mit einer Spannungstoleranz von ±5 % bietet der 1N4732A eine stabile Leistung für Low-Power-Regler, Signalaufbereitungsschaltungen und Überspannungsschutz.
Wenn Sie am Kauf der Zenerdiode 1N4732A interessiert sind, kontaktieren Sie uns bitte bezüglich Preis und Verfügbarkeit.


|
Pin
Nein. |
Pin
Name |
Beschreibung |
|
1 |
Anode (+) |
Verbunden mit der
positive Seite in Vorwärtsrichtung.Im Zener-Betrieb wird es üblicherweise mit angeschlossen
Erde oder das niedrigere Potenzial. |
|
2 |
Kathode (–) |
Identifiziert durch
das schwarze Band auf dem Diodenkörper.In Sperrrichtung (Zener-Modus) ist dieser Anschluss
wird an die positive Spannung angeschlossen, um eine Spannungsregelung auf 4,7 V zu ermöglichen. |
|
Produkt
Attribut |
Attribut
Wert |
|
Hersteller |
onsemi |
|
Produktkategorie |
Zener-Dioden |
|
Serie |
1N4732A |
|
Zenerspannung
(Vz) |
4,7 V |
|
Spannung
Toleranz |
±5 % |
|
Macht
Verlustleistung (Pd) |
1 W |
|
Zener-Impedanz
(Zz) |
8 Ω |
|
Teststrom |
53mA |
|
Maximaler Rückwärtsgang
Leckstrom (Ir) |
10 µA |
|
Zenerstrom |
10 µA |
|
Montageart |
Durchgangsloch |
|
Paket/Koffer |
DO-41-2 |
|
Terminalstil |
Axial |
|
Konfiguration |
Single |
|
Betrieb
Temperatur (Min.) |
−65 °C |
|
Betrieb
Temperatur (Max) |
+200 °C |
|
Durchmesser |
2,72 mm |
|
Länge |
5,2 mm |
|
Verpackung |
Masse |
|
Fabrikpaket
Menge |
3000 |
|
Stückgewicht |
0,010935 Unzen |
|
RoHS |
Konform |
Der 1N4732A liefert bei Betrieb in Sperrrichtung eine geregelte Zenerspannung von 4,7 V.Dies macht es ideal für die Aufrechterhaltung eines konstanten Spannungsniveaus in Netzteilen und Referenzschaltungen mit geringer Leistung, selbst wenn sich die Eingangsspannung oder der Laststrom ändern.
Mit einer maximalen Verlustleistung von 1 W kann die Diode mittlere Stromstärken sicher verarbeiten, ohne zu überhitzen.Dies ermöglicht den Einsatz in einem breiten Spektrum allgemeiner Spannungsregelungs- und Schutzanwendungen.
Die Zenerspannungstoleranz von ±5 % gewährleistet eine vorhersehbare und zuverlässige Leistung.Entwickler können eine konsistente Spannungsregelung über verschiedene Einheiten hinweg erwarten, was für einen stabilen Schaltungsbetrieb wichtig ist.
Eine typische Zener-Impedanz von etwa 8 Ω hilft der Diode, eine konstante Ausgangsspannung aufrechtzuerhalten, wenn sich der Strom ändert.Eine niedrigere Impedanz verbessert die Spannungsregulierung und reduziert Spannungsschwankungen unter Last.
Durch das axiale DO-41-Gehäuse ist der 1N4732A leicht zu identifizieren, zu handhaben und zu löten.Es eignet sich gut für den Prototypenbau, für Bildungszwecke und für industrielle Durchsteckkonstruktionen, bei denen Haltbarkeit und Einfachheit wichtig sind.
Die Diode arbeitet zuverlässig von −65 °C bis +200 °C und kann so auch in rauen Umgebungen gut funktionieren.Aufgrund dieses großen Temperaturbereichs eignet es sich für industrielle und elektronische Anwendungen im Freien.
Der 1N4732A reagiert schnell, wenn die Spannung ihren Zener-Durchbruchpegel erreicht.Diese schnelle Reaktion trägt dazu bei, empfindliche Komponenten vor plötzlichen Spannungsspitzen oder Transienten zu schützen.
Mit einem maximalen Sperrleckstrom von nur 10 µA minimiert die Diode unerwünschten Stromfluss beim Betrieb unterhalb der Zenerspannung.Dies verbessert die Effizienz und reduziert den Leistungsverlust im Standby- oder Schwachstromzustand.
Die Diode verfügt über ein robustes Einzel-Zener-Übergangsdesign, das eine stabile elektrische Leistung über lange Nutzungsdauern hinweg gewährleistet.Dies trägt zu einer langen Lebensdauer und einem gleichmäßigen Betrieb bei.
Die axiale Anschlussstruktur sorgt für eine gute mechanische Stabilität, sobald sie auf eine Leiterplatte gelötet ist.Dadurch ist die Diode im Vergleich zu kleineren oberflächenmontierten Teilen widerstandsfähiger gegen Vibrationen und mechanische Beanspruchung.
Der 1N4732A folgt einem weithin anerkannten Industriestandard, sodass er problemlos von mehreren Herstellern bezogen werden kann.Dies reduziert das Versorgungsrisiko und ermöglicht einen einfachen Austausch ohne Neugestaltung der Schaltung.

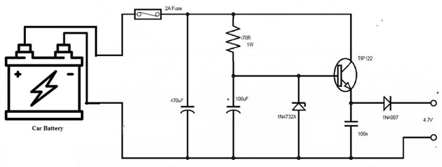
Im ersten Schaltkreis wird der 1N4732A verwendet, um eine stabile Referenzspannung für eine von einer Autobatterie gespeiste Transistorstufe bereitzustellen.Da die Spannung einer Autobatterie stark variieren kann, begrenzt die Zenerdiode die Spannung an ihren Anschlüssen bei etwa 4,7 V, wenn sie in Sperrrichtung vorgespannt ist.Ein Widerstand begrenzt den in die Zenerdiode fließenden Strom, verhindert Schäden und sorgt für eine ordnungsgemäße Regelung.Diese stabile Zenerspannung wird an die Basis des Transistors angelegt, sodass der Transistor als kontrolliertes Durchgangsgerät arbeiten kann.Dadurch bleibt die Ausgangsspannung auch dann stabil, wenn die Batteriespannung schwankt, was diesen Aufbau für Automobil- und batteriebetriebene Elektronik nützlich macht.

Im zweiten Diagramm wird der 1N4732A als grundlegender Shunt-Spannungsregler verwendet.Eine 9-V-Versorgung speist den Stromkreis über einen Vorwiderstand, der den Strom begrenzt.Wenn die Ausgangsspannung die Zenerspannung (ca. 4,7 V) erreicht, geht die Diode in den Durchbruch und leitet, wodurch überschüssiger Strom zur Erde abgeleitet wird.Dadurch bleibt die Ausgangsspannung nahezu konstant, wie der Voltmeterwert nahe 4,7 V zeigt. Wenn die Eingangsspannung steigt oder sich der Laststrom ändert, passt die Zenerdiode automatisch den von ihr geleiteten Strom an, um die Regelung aufrechtzuerhalten.Diese Konfiguration wird häufig in Referenz- und Vorspannungsschaltungen mit geringem Stromverbrauch verwendet.

Im dritten Stromkreis fungiert der 1N4732A als Spannungsklemme zum Schutz oder zur Stabilisierung einer Signalleitung.Das Eingangssignal durchläuft einen Vorwiderstand, bevor es den Ausgang erreicht.Wenn die Signalspannung versucht, die Zenerspannung zu überschreiten, leitet die Diode und klemmt die Spannung auf etwa 4,7 V. Der Lastwiderstand erhält unabhängig von Eingangsschwankungen einen begrenzten und sicheren Spannungspegel.Diese Art von Schaltung eignet sich besonders zum Schutz empfindlicher Komponenten, zur Signalformung oder zur Verhinderung von Überspannungen in analogen und digitalen Systemen.
• Spannungsregelung in Gleichstromnetzteilen mit geringer Leistung
• Referenzspannungsquelle für analoge und digitale Schaltungen
• Basisspannungsstabilisierung in Transistor-Vorspannungsschaltungen
• Überspannungsschutz für empfindliche elektronische Komponenten
• Signalspannungsbegrenzung und Wellenformbegrenzung
• Spannungskonditionierung der Automobilelektronik
• Unterdrückung von Welligkeit und Überspannung in der Stromversorgung
• Vorspannungsnetzwerke in Verstärkern und Komparatoren
• Schutz der Mikrocontroller- und Logikeingangspins
• Bildungs- und Prototyping-Schaltkreise für die Zener-Regulierung
Um die Zenerdiode 1N4732A sicher zu betreiben, verwenden Sie bei Anschluss in Sperrrichtung immer einen Reihenstrombegrenzungswiderstand.Dieser Widerstand verhindert, dass übermäßiger Strom durch die Diode fließt, sobald diese ihren 4,7-V-Zener-Durchbruch erreicht, was andernfalls zu Überhitzung und dauerhaften Schäden führen könnte.
Stellen Sie sicher, dass die Verlustleistung unter keinen Betriebsbedingungen 1 W überschreitet.Dies bedeutet, dass sowohl die Zenerspannung als auch der durch die Diode fließende Strom überprüft werden müssen, insbesondere wenn die Eingangsspannung schwankt.Eine ordnungsgemäße Wärmeableitung und ausreichend Abstand auf der Leiterplatte tragen zur Aufrechterhaltung eines zuverlässigen Betriebs bei.
Die Diode sollte innerhalb ihres Nenntemperaturbereichs verwendet werden und es muss auf die richtige Polarität geachtet werden, wobei die Kathode im Zener-Modus mit dem höheren Potenzial verbunden sein sollte.Die Einhaltung dieser Richtlinien gewährleistet eine stabile Leistung und eine lange Lebensdauer.
|
Parameter |
1N4732 |
1N4732A |
|
Zenerspannung
(Vz) |
4,7 V |
4,7 V |
|
Spannung
Toleranz |
±10 % |
±5 % |
|
Macht
Zerstreuung |
1 W |
1 W |
|
Zener-Impedanz |
Höher |
Niedriger (besser
Verordnung) |
|
Spannungsgenauigkeit |
Standard |
Präziser |
|
Paket |
DO-41 |
DO-41 |
|
Montageart |
Durchgangsloch |
Durchgangsloch |
|
Typische Verwendung |
Allgemein
Regulierung |
Präzision
Regulierung & Referenz |
|
Austauschbarkeit |
Begrenzt |
Bevorzugt
Ersatz |

Onsemi verfügt über starke Fertigungskapazitäten für die Zenerdiode 1N4732A, unterstützt durch seine globalen Halbleiterproduktions- und Qualitätssysteme.onsemi entwickelt und fertigt diskrete Komponenten unter Verwendung streng kontrollierter Prozesse, um eine konsistente Zener-Spannungsgenauigkeit, zuverlässige Verlustleistung und Langzeitstabilität zu gewährleisten.Seine Einrichtungen unterstützen die Massenproduktion von Durchkontaktierungsgeräten wie dem DO-41-Gehäuse mit strengen Tests auf elektrische Leistung, thermische Zuverlässigkeit und Umweltkonformität wie RoHS und REACH.Diese Fertigungsstärke ermöglicht es onsemi, zuverlässige 1N4732A-Dioden zu liefern, die für Automobil-, Industrie- und allgemeine Elektronikanwendungen geeignet sind.
Wählen Sie einen Widerstand, der den Zenerstrom begrenzt, damit die Diode innerhalb ihrer Nennleistung von 1 W bleibt und gleichzeitig genügend Strom für die Regelung bei maximaler Eingangsspannung liefert.
Ja, es kann für einfache ADC-Referenzen verwendet werden, Präzisionsanwendungen erfordern jedoch möglicherweise eine zusätzliche Filterung oder einen speziellen Referenz-IC für geringeres Rauschen.
Ohne einen Widerstand kann beim Zener-Durchbruch ein übermäßiger Strom fließen, der schnell zu einer Überhitzung und einer dauerhaften Beschädigung der Diode führt.
Es ist hauptsächlich für Gleichstromanwendungen konzipiert;Bei Wechselstrom wird es normalerweise nur zur Klemmung oder zum Schutz verwendet, nicht zur kontinuierlichen Regelung.
Zu den häufigsten Anzeichen gehören eine falsche Ausgangsspannung, Überhitzung, sichtbare Schäden oder das Verhalten der Diode wie ein Kurzschluss oder ein offener Stromkreis.
Ja, SMD-Zenerdioden mit einer Nennspannung von 4,7 V sind erhältlich, sie unterscheiden sich jedoch in der Gehäusegröße, der Nennleistung und der thermischen Belastbarkeit.
Wie die meisten Zener-Dioden kann sie beim Durchschlag Rauschen erzeugen, was in empfindlichen Schaltkreisen möglicherweise einen Bypass-Kondensator erfordert.
Eine Parallelschaltung wird nicht empfohlen, da die Stromaufteilung ungleichmäßig sein und zu einem unzuverlässigen Betrieb führen kann.
Temperaturänderungen können die Zenerspannung leicht verschieben, was bei Konstruktionen, die eine hohe Genauigkeit erfordern, berücksichtigt werden sollte.
IC AFE 2 CHAN 16BIT 32VQFN
IC DRIVER 4/0 16SOIC
IC OPAMP JFET 2 CIRCUIT 8SOIC
RECEIVER FIBER OPTIC 600NM 10MBD
RES SMD 200K OHM 1% 1/4W 1206
IGBT Modules
STLC2500CTR ST
LTC485CS8-TR LTINEAR
BROADCOM FCBGA2597

IGBT MOD 1200V 105A 500W SOT227B
vorrätig: 467




