Deutsch
Zeit: 2026/03/3
Durchsuchen: 4

Die HT7333 ist ein fester linearer 3,3-V-Low-Dropout-Spannungsregler (LDO), der für elektronische Anwendungen mit geringem Stromverbrauch entwickelt wurde.Dank der CMOS-Technologie bietet es einen extrem niedrigen Ruhestrom von etwa 4 µA und ist somit ideal für batteriebetriebene und tragbare Geräte.Es unterstützt Eingangsspannungen von bis zu 12 V und sorgt gleichzeitig für einen stabilen 3,3-V-Ausgang mit minimaler Dropout-Spannung.
Intern integriert der HT7333 eine Präzisionsspannungsreferenz, einen Fehlerverstärker und eine strombegrenzte Ausgangsstufe.Diese Funktionen gewährleisten eine genaue Spannungsregelung und einen zuverlässigen Schutz vor Überlastbedingungen.Das Gerät ist in kompakten Gehäusen wie TO-92 und SOT-89 erhältlich und ermöglicht eine einfache Integration in platzbeschränkte Designs.
Wenn Sie Interesse am Kauf des HT7333 haben, kontaktieren Sie uns bitte bezüglich Preis und Verfügbarkeit.


|
Pin
Nummer |
Pin
Name |
Beschreibung |
|
1 |
GND |
Boden
Verbindung |
|
2 |
Fahrgestellnummer |
Eingangsspannung
(Bis zu 12 V max.) |
|
3 |
VOUT |
Geregelte 3,3 V
Ausgabe |
|
Pin
Nummer |
Pin
Name |
Beschreibung |
|
1 |
GND |
Boden
Verbindung |
|
2 |
Fahrgestellnummer |
Eingangsspannung |
|
3 |
VOUT |
Geregelte 3,3 V
Ausgabe |
|
Tab |
VOUT |
Verbunden
intern zum Ausgang (verbessert die Wärmeableitung) |
• LM723
• LM317
• MCP1700-3302

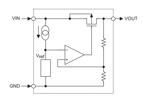
Wie hält der Regler einen stabilen 3,3-V-Ausgang bei einer höheren Eingangsspannung aufrecht?Die Eingangsspannung (VIN) durchläuft einen internen Durchgangstransistor, der steuert, wie viel Strom zum Ausgang (VOUT) fließt.Dieser Transistor wirkt wie ein variabler Widerstand, der sich automatisch anpasst, um die Ausgangsspannung konstant zu halten.
Im Gerät sorgt eine Präzisionsspannungsreferenz (Vref) für ein stabiles internes Referenzsignal.Ein Fehlerverstärker vergleicht einen Teil der Ausgangsspannung (rückgekoppelt über interne Widerstände) mit dieser Referenzspannung.Wenn der Ausgang steigt oder fällt, passt der Fehlerverstärker den Durchgangstransistor entsprechend an und erhöht oder verringert den Stromfluss, um die Spannung zu korrigieren.
Das Diagramm zeigt auch die interne Strombegrenzung, die den Regler vor Überlast- oder Kurzschlussbedingungen schützt.Der Schaltkreis arbeitet als geschlossenes Steuersystem, um eine genaue, stabile und sichere 3,3-V-Regelung zu gewährleisten.
|
Parameter |
Bewertung |
Einheit |
|
Versorgungsspannung
(VSS) |
VSS −0,3 bis VSS
+14 |
V |
|
Macht
Verbrauch (*1.gilt für TO-92) |
500 |
mW |
|
Macht
Verbrauch (*2. gilt für SOT-89) |
500 |
mW |
|
Lagerung
Temperatur |
−50 bis +125 |
°C |
|
Betrieb
Temperatur |
−40 bis +85 |
°C |
|
Symbol |
Parameter |
Testen
Bedingungen |
Min |
Typ |
Max |
Einheit |
|
VAUS |
Ausgangsspannung |
Fahrgestellnummer = 4,3 V,
IOUT=40mA |
3.201 |
3.3 |
3.399 |
V |
|
IchOUT(MAX) |
Maximale Leistung
Aktuell |
Fahrgestellnummer = 4,3 V,
VOUT≥2,97 V |
250 |
— |
— |
mA |
| ΔVAUS |
Lastregulierung |
Fahrgestellnummer = 4,3 V,
1mA≤IOUT≤80mA |
— |
45 |
90 |
mV |
| VTROPFEN |
Ausfallspannung |
IOUT=40mA |
— |
90 |
— |
mV |
|
IchSS |
Ruhend
Aktuell |
VIN=4,3V, Nr
laden |
— |
4 |
8 |
µA |
|
ΔVAUS / (ΔVIN ×
VAUS) |
Linienregulierung |
IOUT=40mA,
4,3 V ≤ VIN ≤ 12 V |
— |
0,2 |
0,3 |
%/V |
|
VIN |
Eingangsspannung |
— |
— |
— |
12 |
V |
|
ΔVAUS / ΔTa |
Temperatur
Koeffizient |
Fahrgestellnummer = 4,3 V,
IOUT=40mA, −40°C |
— |
±0,7 |
— |
mV/°C |
• Fester 3,3-V-Ausgang – Bietet einen stabilen und genauen geregelten 3,3-V-Ausgang für digitale Schaltkreise.
• Extrem niedriger Ruhestrom (4 µA typ.) – Minimiert den Stromverbrauch, ideal für batteriebetriebene Geräte.
• Maximaler Ausgangsstrom bis zu 250 mA – Kann mittlere Lasten wie Mikrocontroller und Module antreiben.
• Niedrige Dropout-Spannung (90 mV typ. bei 40 mA) – Hält die Regelung aufrecht, selbst wenn die Eingangsspannung nahe bei 3,3 V liegt.
• Hohe Eingangsspannung (bis zu 12 V) – Akzeptiert einen großen Eingangsbereich für flexibles Leistungsdesign.
• ±3 % Ausgangsspannungsgenauigkeit – Gewährleistet eine zuverlässige und präzise Spannungsregelung.
• Niedriger Temperaturkoeffizient – Hält die Ausgangsspannung bei Temperaturänderungen stabil.
• Integrierter Strombegrenzungsschutz – Schützt das Gerät vor Überlastung und Kurzschlüssen.
• Kompakte Gehäuseoptionen (TO-92, SOT-89) – Geeignet sowohl für Durchsteck- als auch Oberflächenmontageanwendungen.

Die HT7333-Anwendungsschaltung zeigt eine einfache und stabile Möglichkeit, den Regler zur Erzeugung eines festen 3,3-V-Ausgangs zu verwenden.Die Eingangsspannung (VIN) ist mit dem VIN-Pin des Reglers verbunden, während der GND-Pin mit einer gemeinsamen Masse verbunden ist.Der geregelte 3,3-V-Ausgang wird vom VOUT-Pin abgenommen.
Ein 10µF-Kondensator (C1) ist zwischen VIN und Masse platziert, um Eingangsrauschen zu filtern und die Versorgungsspannung zu stabilisieren.Ein weiterer 10µF-Kondensator (C2) ist zwischen VOUT und Masse geschaltet, um die Ausgangsstabilität zu verbessern und Spannungswelligkeiten zu reduzieren.Diese Kondensatoren tragen dazu bei, einen reibungslosen Betrieb aufrechtzuerhalten, insbesondere wenn sich der Laststrom plötzlich ändert.
Das Diagramm verdeutlicht außerdem eine Einzelpunkt-Erdungsverbindung, die Rauschen und Erdschleifenprobleme minimiert.Insgesamt demonstriert diese Schaltung eine grundlegende und zuverlässige Konfiguration für die Stromversorgung von 3,3-V-Geräten mithilfe des HT7333.
• Mikrocontroller-Stromversorgung (3,3-V-Systeme)
• IoT-Geräte
• Batteriebetriebene Geräte
• Tragbare Unterhaltungselektronik
• Drahtlose Module (Wi-Fi, Bluetooth)
• Sensoren und Sensormodule
• Eingebettete Systeme
• Datenlogger
• Fernbedienungen
• Medizinische Handgeräte
• Intelligente Zähler
• Industrielle Steuerkreise
|
Funktion |
HT7333 |
LM1117-3.3 |
AMS1117-3.3 |
MCP1700-3302 |
LP2985-33 |
|
Ausgangsspannung |
3,3 V (fest) |
3,3 V (fest) |
3,3 V (fest) |
3,3 V (fest) |
3,3 V (fest) |
|
Maximale Leistung
Aktuell |
250mA |
800mA |
1A |
250mA |
150mA |
|
Ausfallspannung
(Typ.) |
90 mV bei 40 mA |
~1,1V |
~1,1V |
178 mV |
280 mV |
|
Ruhend
Strom (typ.) |
4µA |
5mA |
5mA |
1,6 µA |
65µA |
|
Maximaler Eingang
Spannung |
12V |
15V |
15V |
6V |
16V |
|
Spannungsgenauigkeit |
±3 % |
±1 % |
±1 % |
±0,4 % |
±1 % |
|
Paketoptionen |
TO-92, SOT-89 |
SOT-223, TO-220 |
SOT-223 |
TO-92, SOT-23 |
SOT-23, SOIC |
|
Am besten für |
Extrem geringer Stromverbrauch
Entwürfe |
Höherer Strom
Lasten |
Höherer Strom
Lasten |
Geringer Input
Spannungssysteme |
Geräuscharm
Anwendungen |


Holtek, ein etablierter Halbleiterhersteller, verfügt über umfangreiche Erfahrung in der Entwicklung und Produktion von integrierten Analog- und Mixed-Signal-Schaltkreisen, einschließlich Spannungsreglern mit geringem Stromverbrauch wie dem HT7333.Durch den Einsatz ausgereifter CMOS-Prozesstechnologie gewährleistet Holtek zuverlässige Leistung, hohe Ausbeute und strenge Qualitätskontrolle in allen Produktlinien für das Energiemanagement.Die Fertigungsinfrastruktur des Unternehmens unterstützt sowohl Durchsteck- als auch Oberflächenmontage-Gehäuseoptionen, sodass der HT7333 effizient in den Formaten TO-92 und SOT-89 hergestellt werden kann, um den unterschiedlichen Kundenanforderungen gerecht zu werden.
Die Eingangsspannung sollte mindestens etwa 3,4 V–3,5 V betragen, um angesichts der niedrigen Dropout-Spannung einen stabilen Ausgang von 3,3 V aufrechtzuerhalten.
Ja, es funktioniert gut mit einzelligen Li-Ionen-Akkus (3,7 V nominal), insbesondere bei Anwendungen mit geringem Stromverbrauch.
Ja, für Stabilität und Rauschunterdrückung werden typischerweise 10µF-Kondensatoren sowohl am Eingang als auch am Ausgang empfohlen.
Nein, es ist auf maximal 250 mA begrenzt.Regler mit höherem Strom wie LM1117 eignen sich besser für schwere Lasten.
Es verfügt über eine interne Strombegrenzung, es ist jedoch eine ordnungsgemäße thermische Auslegung erforderlich, um eine übermäßige Wärmeentwicklung zu verhindern.
Ja, aber die Verlustleistung muss berechnet werden, um eine Überhitzung bei höheren Eingangsspannungen zu vermeiden.
Es eignet sich für allgemeine rauscharme Anwendungen, spezielle rauscharme LDOs können jedoch in empfindlichen analogen Systemen eine bessere Leistung erbringen.
Verlustleistung = (VIN − 3,3 V) × IOUT.Dies hilft festzustellen, ob ein Kühlkörper erforderlich ist.
Nein, die direkte Parallelschaltung von LDOs wird aufgrund des Ungleichgewichts bei der Stromverteilung nicht empfohlen.
HT7333 ist einfacher und leiser, aber weniger effizient als Schaltregler, wenn der Spannungsunterschied zwischen Eingang und Ausgang groß ist.
CAP CER 1000PF 2KV X7R 1206
CAP CER 2.7PF 25V C0G/NP0 0201
CAP CER 6.8PF 10V NP0 0201
CAP CER 1500PF 2.5KV X7R 1808
CAP TANT 1000UF 20% 4V 2924
IC XPNDR 26MHZ SPI 40TQFN
IC REG BUCK 1.5V 800MA 10VSSOP
DS2761BE+025/T DALLAS
LM3543M-N NS
CORELOGIC BGA64
LTC2433-1CMS LINEAR
CAP TANT 47UF 10% 6.3V 2917


