Deutsch
Zeit: 2025/03/24
Durchsuchen: 2,947

Wenn ein Transformator ohne Ladung arbeitet, die mit seiner Ausgabe verbunden ist, scheint er inaktiv zu sein - aber es leistet immer noch wichtige Arbeit.Die primäre Wicklung erhält eine abwechselnde Spannung, die dazu führt, dass ein kleiner Strom fließt, obwohl die sekundäre Seite offen bleibt.Dieser kleine Strom wird als No-Last-Strom bezeichnet und verwendet, um die magnetische Aktivität im Kern aufrechtzuerhalten.
Der größte Teil des No-Last-Stroms besteht aus dem, was als Magnetisstrom bezeichnet wird.Dieser Strom erzeugt einen abwechselnden magnetischen Fluss im Kern, der für den Grundvorgang des Transformators auch ohne Last benötigt wird.Obwohl keine Energie in einen externen Stromkreis übertragen wird, verbraucht der Transformator aufgrund interner Verluste immer noch Strom.Im Kern treten zwei Haupttypen von Verlusten auf: Hystereseverluste und WirbelstromlosseS.
• Hystereseverluste passieren, weil das Magnetfeld im Kern die Richtung jeweils viele Male umkehrt.Dieser konstante Schalter erfordert Energie, um die magnetische Struktur des Kernmaterials neu auszurichten.
• Wirbelstrahlungsverluste kommen aus wirbelnden Strömen, die aufgrund des sich ändernden Magnetfelds im Kern selbst eingerichtet sind.Diese Strömungen verursachen Heizung und Energieverlust.Um Wirbelströme zu reduzieren, besteht der Kern aus miteinander gestapelten dünnen Stahlblättern - sogenannte Laminationen.Diese laminierten Schichten begrenzen den Fluss der Wirbelströme, führen aber auch winzige Luftlücken zwischen ihnen ein.Diese Lücken erschweren es, dass der magnetische Fluss durchlaufen wird, sodass der Magnetisierungsstrom leicht zunehmen muss, um den Kern mit Energie zu versorgen.

Abbildung 2. Bedingungen ohne Ladungstransformator
Zusätzlich zu den Kernverlusten hat die primäre Wicklung ihren Widerstand.Der durch ihn fließende No-Last-Strom erzeugt das, was bekannt ist I²r Verluste (Strömungsquadrat -Zeitwiderstand).Diese Verluste beeinflussen zwar klein, aber dennoch die Gesamteffizienz.
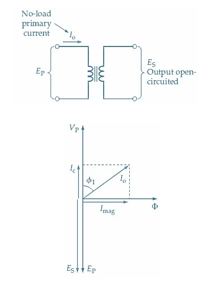
Das Bild zeigt, wie sich ein Transformator verhält, wenn keine Last angeschlossen ist.Es umfasst sowohl den äquivalenten Schaltkreis als auch ein Phasordiagramm, das zusammen die wichtigsten elektrischen Beziehungen während des No-Last-Betriebs erklärt.

Abbildung 3. Kreislauf- und Phasordiagramm für einen Transformator auf No-Lad
Wenn die Spannung auf die primäre Wicklung angewendet wird, entsteht ein abwechselndes Magnetfeld im Kern.Diese angelegte Spannung, gekennzeichnet V.Pführt den Magnetisierungsstrom I.Mag um 90 Grad.Das liegt daran, dass sich die Transformatorwicklungen hauptsächlich wie Induktoren verhalten und induktive Schaltkreise immer dazu führen, dass der Strom hinter der Spannung zurückbleibt.Der Magnetisierungsstrom iMag erzeugt den magnetischen Fluss φ im Kern.Da der Fluss direkt durch diesen Strom verursacht wird, sind die beiden in Phase.Dieser magnetische Fluss ist wichtig - er verbindet die primären und sekundären Wicklungen und ermöglicht die Energieübertragung, wenn eine Last vorhanden ist.
Auch ohne Last hat der Transformator immer noch interne Verluste.Diese stammen aus zwei Quellen: Hystereseverlust und Wirbelstromverlust im Kern.Eine kleine Stromkomponente, ichC, fließt, um diese Verluste abzudecken.Dieser Strom ist in Phase mit der angelegten Spannung V.PDas heißt, es repräsentiert die tatsächliche Macht, die verbraucht wird, um diese Verluste zu überwinden.Der gesamte No-Lad-Strom i0 ist die Vektorsumme der Magnetisierungsstrombilder und der Kernverluststrom iC.Weil ichC ist normalerweise viel kleiner als ichMagDer Gesamtstrom lag immer noch erheblich.Dies führt zu einem niedrigen Leistungsfaktor, der zeigt, dass der Transformator im Leerlauf die Leistung ineffizient verwendet.
Das Phasordiagramm enthält auch die induzierten Spannungen in der primären und sekundären Wicklungen mit eP und eS.Diese Spannungen bleiben um 90 Grad hinter dem magnetischen Fluss zurück.In einem idealen Fall mit einem Verhältnis von 1: 1 -Kurven erscheinen beide induzierte Spannungen direkt gegenüber der Primärspannung V.P.In tatsächlichen Situationen jedoch eP ist etwas niedriger als VP Aufgrund des kleinen Spannungsabfalls über den inneren Widerstand und die Leckungsreaktanz der Wicklung.
Das Bild präsentiert die No-Load-äquivalente Schaltung eines Transformators, was das Verhalten des Transformators vereinfacht, wenn keine externe Last angeschlossen ist.Dieses Modell platziert alle relevanten Komponenten auf der primären Seite, um die Analyse einfacher und fokussierter zu machen.In der Mitte des Modells befinden sich zwei Schlüsselkomponenten: ein Widerstand rO und eine Reaktanz xOparallel verbunden.Diese Elemente repräsentieren das interne interne Verhalten des Transformators unter No-Load-Bedingungen.
• Der Widerstand rO Berücksichtigt Energieverluste im Kern des Transformators.Diese Verluste treten auch dann auf, wenn der Transformator keine Stromversorgung liefert, hauptsächlich aufgrund von zwei physikalischen Effekten - Hysterese und Wirbelströme.Der Hystereseverlust ergibt sich aus der kontinuierlichen Umkehrung der magnetischen Orientierung im Kernmaterial, während der Wirbelstromverlust aus wirbelnden elektrischen Strömen resultiert, die im Metallkern durch das sich ändernde Magnetfeld induziert wurden.Der Strom, der durch r fließtO, beschriftet iC, repräsentiert die tatsächliche Leistung, die diese Verluste verbraucht.
• Der Reaktanz xO modelliert den magnetisierenden Aspekt des Transformators.Der Magnetisierungsstrom iMag fließt durch diesen Weg und ist für die Erstellung des alternierenden magnetischen Flusses im Kern verantwortlich, der für den Transformatorbetrieb nützlich ist.Obwohl dieser Strom keine Leistung für eine Last liefert, wird er verwendet, um den Kern mit Energie zu versorgen und für die Lastanschluss bereit zu halten.

Abbildung 4. No-Last-Äquivalentschaltung
Durch Kombination rO und xO Parallel dazu erfasst das Modell sowohl die Energie, die als Wärme verloren geht als auch die Energie, die für die Erhaltung des Magnetfelds erforderlich ist.Diese parallele Struktur spiegelt wider, wie der Transformator zwei gleichzeitige interne Aufgaben umgeht: Aufrechterhaltung seines magnetischen Kerns und die Behandlung unvermeidlicher Verluste.
Wenn eine Last mit der sekundären Wicklung eines Transformators verbunden ist, ändert sich das Verhalten des Systems auf wichtige Weise.Das Bild zeigt, wie diese Verschiebung stattfindet und was im Transformator passiert, wenn es sich an die neue Nachfrage anpasst.

Abbildung 5. Transformator bei der Last
Wenn der Strom durch den Sekundärschaltung fließt, erzeugt er ein Magnetfeld innerhalb des Kerns.Dieses Feld erzeugt einen neuen magnetischen Fluss mit φ markiert2, was direkt an den Laststrom gebunden ist.Als Reaktion darauf muss die primäre Wicklung zusätzlichen Strom zeichnen, um einen entgegenwirkenden magnetischen Fluss zu erzeugen, φ.1.Der Zweck dieses zusätzlichen Flusses besteht darin, sich φ zu widersetzen2den gesamten magnetischen Fluss im Kern stabil und übereinstimmt mit dem durch den ursprünglichen Magnetisierungsstrom festgelegten Niveau.
Dieses Gleichgewicht des magnetischen Flusses ist nicht nur ein technisches Detail - es dominiert, wie Transformatoren einen effizienten Energieübertragung aufrechterhalten.Durch die Regulierung des Flusses auf diese Weise stellt der Transformator sicher, dass die Spannung in der sekundären Wicklung korrekt induziert wird, selbst wenn sich die Last ändert.Allerdings bleibt jedoch nicht der gesamte magnetische Fluss im Kern ordentlich.Ein kleiner Teil läuft in die Luft um die Wicklungen.Dies wird als Leckflusse bezeichnet.Im Gegensatz zum Kern hat Luft eine viel höhere magnetische Zurückhaltung, was es zu einem schlechten Weg für den magnetischen Fluss macht.Infolgedessen entgeht einiger Fluss dem Kern und schleift durch die Luft und interagiert stattdessen direkter mit den Wicklungen.
Dieser streunende Fluss erzeugt seine Auswirkungen.Es induziert Spannungen innerhalb der Wicklungen, die sich plötzlichen Stromveränderungen widersetzen.Dieser Effekt ist als Leckage -Induktivität bekannt.Obwohl die Menge des Leckageflusses relativ gering ist, kann die Auswirkungen auf die Transformatorleistung bemerkenswert sein.Die Leckage -Induktivität wirkt sich aus, wie gut ein Transformator die Spannung unter Last beibehält und wie schnell er auf sich ändernde Bedingungen reagieren kann.Sie müssen diesen Faktor bei der Analyse des Transformatorverhaltens berücksichtigen, insbesondere in Systemen mit schwankenden oder dynamischen Belastungen.
Das Diagramm zeigt die vollständige äquivalente Schaltung eines Transformators.Dieses Modell baut auf der No-Load-Version auf, indem Schlüsselkomponenten hinzugefügt werden, die widerspiegeln, was passiert, wenn der Transformator eine Last liefert.Es bringt alle Elemente zusammen, die das tatsächliche Transformatorverhalten beeinflussen, insbesondere unter Arbeitsbedingungen.
• Der PrimärseiteZwei Elemente repräsentieren die nicht idealen Eigenschaften der Wicklung.Der Widerstand rP Erzielt eine Leistung, die aufgrund des elektrischen Widerstands des Kupferdrahtes als Wärme verloren geht.Die Leckage -Reaktanz xP modelliert den magnetischen Fluss, der sich nicht mit der sekundären Wicklung verbindet.Dieser Teil des Flusses hilft nicht zur Übertragung der Energie und erzeugt stattdessen einen Spannungsabfall innerhalb der Wicklung.
• Der sekundäre Seite Enthält ähnliche Komponenten.Der Widerstand rS verursacht auch Wärmeverlust und reduziert die am Ausgang erhältliche Spannung.Die Leckage -Reaktanz xS reflektiert magnetische Flussleckage im Sekundär, genau wie auf der Primärseite.Zusammen, rS und xS Formen Sie die interne Impedanz, die sich auswirkt, wie viel Spannung an die Last geliefert wird.
Die Gesamtimpedanz sowohl über primäre als auch sekundäre Wicklungen - machte R von R.P, XP, RS, RP, XP, RSund xS- hat einen direkten Einfluss auf die Transformatorleistung.Es wirkt sich aus, wie effizient der Transformator Strom liefern kann und wie viel die Spannung beim Anstieg der Last sinkt.Diese Faktoren sind schwerwiegend für die Bewertung der tatsächlichen Spannungsregulation und der Systemstabilität.

Abbildung 6. Komplette äquivalente Schaltung
Zusätzlich zu den lastabhängigen Komponenten behält das Modell die No-Load-Elemente r beiO und xO.Diese simulieren das kontinuierliche Verhalten des Kerns.Der Widerstand rO Berücksichtigt Kernverluste wie Hysterese und Wirbelströme, während die Reaktanz xO modelliert den Magnetisierungsstrom, der erforderlich ist, um das alternierende Magnetfeld aufrechtzuerhalten.Diese Teile der Schaltung sind ständig aktiv, unabhängig davon, ob der Transformator geladen ist oder nicht.
Das Phasordiagramm für die sekundäre Seite eines Transformators, wenn es eine induktive Belastung liefert.Dieses Diagramm erklärt, wie Spannung und Strom unter tatsächlichen Bedingungen interagieren, insbesondere wenn die Last eine Reaktivleistung zeichnet.

Abbildung 7. Teilphasor -Piagramm für einen Sekundärkreis mit einer induktiven (Verzögerung ɸ) Last
Im Diagramm ist die Ausgangsspannung über die Last als V gekennzeichnetOund der Strom, der durch die sekundäre Wicklung fließt, ist ichS.Da die Last induktiv ist, bleibt der Strom nicht mit der Spannung in Phase.Stattdessen, ichS bleibt hinter V.O durch einen Winkel ϕO.Diese Verzögerung tritt auf, weil ein Teil der Energie im Magnetfeld der Last gespeichert und später freigesetzt wird, was ein typisches Verhalten in induktiven Schaltungen ist.
Innerhalb der sekundären Wicklung des Transformators finden zwei Spannungsabfälle aufgrund interner Impedanz statt.
• Erstens gibt es einen Spannungsabfall, der durch den Widerstand der Wicklung verursacht wird, der als ich festgestellt wurdeSRS.Dieser Abfall ist in Phase mit dem Strom und stellt den echten Stromverlust in Form von Wärme dar.
• Zweitens gibt es einen Spannungsabfall über die Leckage der Wicklung, die wie ich geschrieben wurdeSXS.Dieser Abfall führt den Strom um 90 Grad und stellt die zusätzliche Spannung dar, die erforderlich ist, um den induktiven Widerstand gegen Änderungen des Stroms zu überwinden.

Abbildung 8. Phasordiagramm für die Sekundärstufe eines Transformators unter Last
Um die Gesamt -induzierte Spannung in der sekundären Wicklung zu bestimmen, werden diese Komponenten als Vektoren hinzugefügt.Die induzierte Spannung eS ist das Ergebnis der Kombination der Ausgangsspannung VOdie Widerstandsspannung fällt i ab iSRSund die reaktive Spannung fällt i ab iSXS.Diese Beziehung kann mathematisch ausgedrückt werden als:

Diese Gleichung gibt ein vollständiges Bild davon, wie sich die Spannung verhält, indem wir sowohl reale als auch reaktive Komponenten kombinieren.
Der Phasenwinkel zwischen der induzierten Spannung eS und das aktuelle iS, genannt ϕS, ist auch wichtig.Es bietet Einblicke in den Leistungsfaktor und die Gesamteffizienz des Transformators beim Betrieb unter Last.Der Winkel wird unter Verwendung:

Das Verständnis dieses Winkels hilft zu beurteilen, wie effektiv der Transformator der Last Leistung liefert.Es ist auch wichtig, den magnetischen Fluss im Kern zu berücksichtigen.Seit der induzierten Spannung eS Verzögerungen hinter dem magnetischen Fluss φ um 90 Grad, der Flussphasor ist 90 Grad vor E platziertS im Diagramm.Diese Position unterstreicht die grundlegende Rolle, die zeitlich variierender magnetischer Fluss bei der Erzeugung von Spannungen in den Wicklungen spielt.
Die Bilder zeigen das Phasordiagramm für die Primärseite eines Transformators und konzentrieren sich darauf, wie Spannung und Strom bei der Versorgung des Transformators einer Last mit Strom versorgt werden.Dieses Diagramm ist besonders hilfreich, um zu verstehen, wie der Primärkreis unter unterschiedlichen Lastbedingungen reagiert.

Abbildung 9. iP'verzögere - eP von ɸS
Zunächst der Phasor für die primäre induzierte Spannung eP wird in negativer Richtung gezeichnet - die angelegte Eingangsspannung aufposiert.Diese Konvention stellt die Tatsache dar, dass die induzierte Spannung in der Primärwicklung der Quellspannung widerspricht, wie dies nach Lenzs Gesetz erforderlich ist.
Der Strom, der sich aus dem Sekundär reflektiert, bezeichnet ich iP', Bleib hinter der induzierten Spannung - eP durch einen Winkel ϕS.Dieser Phasenwinkel entspricht dem auf der Sekundärseite beobachteten Verhalten und spiegelt die Kopplung zwischen den beiden Wicklungen in einem idealen Transformator wider.In solchen Fällen spiegelt der Strom auf der primären Seite den Sekundärstrom sowohl in Richtungen als auch in Phasenbeziehung wider, die durch das Verhältnis der Turn skaliert werden.

Abbildung 10. iP ist die Phasorsumme von iP', ICHMagund ichC
Der Gesamtstrom, der in die primäre Wicklung fließt, markiert ich iPbeinhaltet mehr als nur den reflektierten Strom.Es enthält auch zwei Komponenten im Zusammenhang mit dem Magnetkern:
• Der Kernverluststrom iC, in Phase mit der angewendeten Spannung, die durch die Hysterese und Wirbelströme im Kern verloren geht.
• Der Magnetisierungsstrom iMag, was die Spannung um fast 90 Grad führt und benötigt wird, um den alternierenden magnetischen Fluss im Kern aufrechtzuerhalten.
Die Kombination dieser Komponenten kann die Größe des gesamten Primärstroms berechnet werden als:

Diese Gleichung kombiniert sowohl reale (widerstandsfähige) als auch reaktive Elemente von Strom und liefert ein klareres Bild davon, wie der Transformator Strom aus der Quelle unter Last zeichnet.

Abbildung 11. vich ist die Phasorsumme von -eP, ICHPXPund ichPRP
Als nächstes betrachten wir den Winkel zwischen der Eingangsspannung Vich und der gesamte Primärstrom iP.Dieser Winkel mit ϕ gekennzeichnetP, ist gefährlich bei der Bestimmung des Leistungsfaktors des Transformators.Es zeigt an, wie viel von der Eingangsleistung für die tatsächliche Arbeit verwendet wird und wie viel von Magnetfeldern gespeichert und freigesetzt wird:

Ein kleineres ϕP bedeutet einen höheren Leistungsfaktor, der für den effizienten Energieverbrauch wünschenswert ist.
Schließlich zeigt das Diagramm, wie die Eingangsspannung vich besteht aus drei wichtigen Phasorkomponenten:
• Der Negative induzierte Spannung -EP, was die interne EMK des Transformators ausbalanciert.
• Der Widerstandsabfall iPRP, ausgerichtet mit der Richtung des Stromflusses, repräsentiert den realen Stromverlust als Wärme in der Wicklung.
• Der reaktiver Tropfen iPXP, der Strom um 90 Grad führt, repräsentiert die Spannung, die zur Überwindung der induktiven Eigenschaften der Wicklung erforderlich ist.
Zusammen bauen diese Elemente den Gesamteingangsspannungsvektor auf und geben eine vollständige und praktische Übersicht darüber, wie sich die Primärseite während des normalen Transformatorbetriebs verhält.
Diese Erforschung der Funktionsweise von Transformen, von No-Last bis hin zu beladenen Bedingungen, gibt uns einen tiefen Blick darauf, was in ihnen passiert und die Herausforderungen, denen sie sich bei effizienten Bleiben gegenübersehen.Durch die Untersuchung detaillierter Diagramme und Modelle haben wir gelernt, wie Transformatoren mit Dingen wie magnetischer Energie, Wärmeverlusten und anderen Faktoren umgehen, um stabil und effizient zu bleiben.Dieses Verständnis hilft Ihnen nicht nur, mehr über das System zu erfahren.Es gibt Ihnen auch praktische Tipps, um Probleme zu beheben und Transformatorsysteme in tatsächlichen Situationen zu verbessern.Unabhängig davon, ob es darum geht, Strom über große Entfernungen oder für spezielle industrielle Verwendungen zu versenden, ist das Wissen, wie Transformatoren unter verschiedenen Bedingungen wirken, der Schlüssel, um unsere elektrischen Systeme reibungslos und effizient laufen zu lassen.
Ein Transformator in einem Schaltplan wird durch zwei parallele Linien mit Spulen auf beiden Seiten dargestellt, die seine primären und sekundären Wicklungen symbolisieren.Seine Aufgabe ist es, elektrische Energie zwischen Schaltkreisen durch elektromagnetische Induktion zu übertragen.Praktisch werden Transformatoren verwendet, um die Spannungsniveaus auf der Grundlage des Verhältnisses der Kurven im primären zur sekundären Wicklung zu steigern.
Ein äquivalentes Schaltungsdiagramm vereinfacht eine komplexe Schaltung zu einer Darstellung, die nur passive und aktive Komponenten wie Widerstände, Kondensatoren, Induktoren und Spannungsquellen verwendet.Dies hilft bei der Analyse des Verhaltens der Schaltung leichter.Beispielsweise kann ein äquivalenter Schaltkreis für einen Transformator den tatsächlichen Transformator durch einen idealen Transformator und zusätzliche Komponenten ersetzen, die tatsächliche Ineffizienzen wie Kernverluste und Leckage -Induktivität modellieren.
Das Symbol der Äquivalenz in elektrischen Diagrammen hat kein universelles Standardsymbol wie Widerstände oder Kondensatoren.Stattdessen ist "äquivalent" eher ein Konzept, das im Kontext der Erklärung einer Schaltung verwendet wird, die oft durch Begriffe wie "EQ" oder als "äquivalente Schaltung" in Diagrammen angegeben ist.
Wenn ein Transformator ohne Last arbeitet, ist nur die primäre Wicklung an eine Stromquelle angeschlossen, und es wird keine elektrische Last an die sekundäre Wicklung angeschlossen.In diesem Zustand verbraucht der Transformator minimale Leistung, hauptsächlich für die Aufrechterhaltung des Magnetfeldes im Kern.Subtile Verhaltensweisen umfassen aufgrund von Magnetodrieren und geringfügigem Erwärmen aufgrund von Kernverlusten ein leichtes Summenschall, auch ohne Ladung.
Die Phasordarstellung ist eine Methode, die in der Wechselstromkreisanalyse (AC) verwendet wird, bei der sinusförmige Spannungen und Ströme in einer komplexen Ebene als rotierende Vektoren (Phasoren) dargestellt werden.Dies vereinfacht die Berechnungen für Wechselstromkreise durch Umwandlung von Differentialgleichungen in algebraische.Praktisch helfen Phasoren dabei, zu verstehen, wie Spannungen und Ströme im Laufe der Zeit in einem Schaltkreis interagieren, insbesondere in Bezug auf Phasenunterschiede und Amplitudenbeziehungen.
CAP CER 7.5PF 50V C0G/NP0 0603
CAP CER 33PF 3KV NP0 1808
CAP TANT 1UF 20% 16V 0805
CAP TANT 47UF 10% 10V SMD
IC DAC 12BIT A-OUT 28SOIC
IC LINK LAYER CONTROLLER 144LQFP
IC SRAM 9MBIT PARALLEL 100TQFP
SENSOR ROTARY 360DEG SMD
HY TSOP
MX29F1611PMC-10C3 MX
HYNIX BGA
IC OPAMP GP 2 CIRCUIT 8SOIC

