Deutsch
Zeit: 2026/02/5
Durchsuchen: 244

Der Kraftsensor FSR400 ist ein dünner und flexibler Kraftmesswiderstand, der Druckänderungen durch Schwankungen des elektrischen Widerstands erkennen soll.Wenn Kraft auf die Oberfläche ausgeübt wird, verringert sich der Widerstand, sodass elektronische Systeme die Berührungs- oder Druckintensität auf einfache und effektive Weise messen können.
Der FSR400 basiert auf der Polymer-Dickfilm-Technologie (PTF) und ist leicht, langlebig und für den wiederholten Einsatz geeignet.Es handelt sich um einen Einzonensensor mit einem kompakten runden Erfassungsbereich von 7,62 mm Durchmesser.Dieses Design erleichtert die Integration in Geräte mit begrenztem Platzangebot und sorgt gleichzeitig für eine zuverlässige Kraftreaktion.
Der von Interlink Electronics entwickelte FSR400 kann auch in verschiedenen Größen, Schwanzlängen und Anschlussoptionen angepasst werden, um spezifische Designanforderungen zu erfüllen.

|
Pin
Etikett |
Pin
Name |
Beschreibung |
|
P1 |
Terminal 1 |
Ein Ende des
kraftempfindliches Widerstandselement.Wird entweder als Eingabe oder Ausgabe in a verwendet
Spannungsteiler oder Widerstandsmessschaltung. |
|
P2 |
Terminal 2 |
Das andere Ende von
das kraftempfindliche Widerstandselement.Wird mit Masse oder Referenz verbunden
Spannung abhängig vom Schaltungsaufbau. |
• FSR402
• FSR404
• FSR406
• FSR408
• FSR410
• FSR412
• FSR414
• FSR416
• FSR418
• FSR420
Das Schema zeigt den Kraftsensor FSR400 in einer einfachen Spannungsteiler- und Signalpufferkonfiguration.Der FSR ist zwischen der Versorgungsspannung (V+) und einem Festwiderstand (RM) angeschlossen, der nach Masse geht.Zusammen bilden FSR und RM einen Spannungsteiler, bei dem sich die Mittelpunktspannung basierend auf der auf den Sensor ausgeübten Kraft ändert.

Wenn keine oder nur geringe Kraft ausgeübt wird, hat das FSR einen hohen Widerstand, was zu einer niedrigeren Spannung am Teilerknoten führt.Mit zunehmender Kraft nimmt der Widerstand des FSR ab, wodurch die Spannung in der Mitte ansteigt.Diese variierende Spannung stellt die ausgeübte Kraft in elektrischer Form dar.
Der Operationsverstärker ist als Spannungsfolger (Puffer) konfiguriert, dessen Ausgang direkt mit dem invertierenden Eingang verbunden ist.Dieser Aufbau verstärkt das Signal nicht, bietet aber einen stabilen Ausgang (VOUT) mit niedriger Ausgangsimpedanz.Dadurch kann die kraftabhängige Spannung sicher von einem ADC oder einer Steuerschaltung gelesen werden, ohne das Sensorverhalten zu belasten oder zu beeinflussen.
Die typische Kraftkurve des FSR400 zeigt die Beziehung zwischen der ausgeübten Kraft und dem Sensorwiderstand auf einer logarithmischen Skala.Wenn die auf den Sensor ausgeübte Kraft zunimmt, nimmt der Widerstand zunächst schnell und dann allmählich ab.Dieses nichtlineare Verhalten ist charakteristisch für Kraftmesswiderstände und zeigt, dass der Sensor bei niedrigeren Kraftniveaus empfindlicher ist.

Bei geringen Kräften führt ein kleiner Druckanstieg zu einem starken Abfall des Widerstands, wodurch der FSR400 effektiv Berührungen und Eingaben mit geringer Kraft erkennt.Wenn die Kraft weiter zunimmt, verlangsamt sich die Geschwindigkeit der Widerstandsänderung, was auf eine verringerte Empfindlichkeit bei höheren Belastungen hinweist.Dies bedeutet, dass der Sensor eher für die relative Kraftmessung als für die präzise Gewichtsmessung geeignet ist.
|
Parameter |
Wert |
Notizen |
|
Betätigungskraft |
0,1 N (typisch)
|
Mindestkraft zu
Ausgabe produzieren |
|
Kraft
Empfindlichkeitsbereich |
0,1 N bis 100 N |
Typisch
Betätigungskraftbereich |
|
Auflösung erzwingen |
Kontinuierlich |
Analoge Kraft
Antwort |
|
Kraft
Wiederholbarkeit (Einzelteil) |
±2 % |
Gleicher Sensor,
wiederholte Tests |
|
Kraft
Wiederholbarkeit (Teil-zu-Teil) |
±6 % |
Sensor zu Sensor
Variation |
|
Nicht betätigt
Widerstand |
~10 MΩ |
Keine angewandte Kraft |
|
Abstand
Widerstand |
>10 MΩ |
Unbeladen, ungebeugt |
|
Widerstand unter
Laden |
~100 kΩ bis 1 kΩ |
Hängt davon ab
angewandte Kraft |
|
Sensordurchmesser |
7,62 mm |
Kreisförmige Erfassung
Bereich |
|
Dickenbereich |
0,2 mm bis 1,25
mm |
Hängt davon ab
Bau |
|
Reisen wechseln |
~0,05 mm |
Typisches Design
abhängig |
|
Hysterese |
+10 % |
(RF+ − RF−) /
RF+ |
|
Anstiegszeit des Geräts |
< 3 µs |
Gemessen mit
Stahlkugel |
|
Langfristige Drift |
<5 % pro
log₁₀(Zeit) |
35-Tage-Test, 1
kg Belastung |
|
Betrieb
Temperatur (empfohlen) |
−30 °C bis +70 °C |
Erweiterte Reichweite
bis zu −40 °C bis +85 °C |
|
Betriebsdauer |
≥10 Millionen
Betätigungen |
Getestet ohne
Misserfolg |
• Geringe Betätigungskraft – Erkennt Kräfte bereits ab 0,1 N und eignet sich daher für die Erkennung leichter Berührungen.
• Großer Kraftempfindlichkeitsbereich – Reagiert über einen breiten Kraftbereich und ermöglicht flexible Krafterkennungsstufen.
• Hohe Wiederholbarkeit – Bietet konsistente Kraftmesswerte mit einer Wiederholgenauigkeit von nur ±2 % unter kontrollierten Bedingungen.
• Anpassbare Größenoptionen – Erhältlich in verschiedenen Größen und Formen, passend zu verschiedenen mechanischen Designs.
• Ultradünnes Profil – Die dünne Bauweise (ca. 0,35 mm) ermöglicht eine einfache Integration in kompakte Baugruppen.
• Hohe Haltbarkeit – Entwickelt, um bis zu 10 Millionen Betätigungen ohne Leistungseinbußen standzuhalten.
• Kostengünstige Lösung – Bietet zuverlässige Kraftmessung bei niedrigen Gesamtsystemkosten.
• Einfache Integration – Das einfache Design mit zwei Anschlüssen ermöglicht den einfachen Anschluss an Standardschaltkreise.
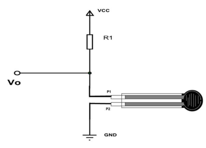
Der Kraftsensor FSR400 fungiert als variabler Widerstand, dessen Widerstand sich als Reaktion auf den ausgeübten Druck ändert.Wenn keine Kraft ausgeübt wird, ist der Widerstand des Sensors sehr hoch und mit zunehmendem Druck sinkt sein Widerstand.Da die meisten elektronischen Systeme die Spannung und nicht den Widerstand direkt messen, wird der Sensor üblicherweise in einer Spannungsteilerschaltung verwendet, um diese Widerstandsänderung in ein messbares Spannungssignal umzuwandeln.

Im Schaltplan ist der FSR400 in Reihe mit einem Festwiderstand (R1) zwischen der Versorgungsspannung (VCC) und Masse geschaltet.Die Ausgangsspannung (Vo) wird vom Verbindungspunkt zwischen R1 und dem FSR abgenommen.Diese Mittelpunktspannung hängt vom Verhältnis zwischen dem Festwiderstand und dem Widerstand des Sensors ab.Wenn der Sensor nicht gedrückt wird, bleibt Vo aufgrund seines hohen Widerstands relativ hoch.Wenn Kraft ausgeübt wird und der Sensorwiderstand abnimmt, sinkt die Spannung an Vo entsprechend.
Diese variierende Ausgangsspannung stellt die ausgeübte Kraft dar und kann direkt in einen Analog-Digital-Wandler (ADC) eines Mikrocontrollers eingespeist werden.Durch die Überwachung von Vo-Änderungen kann das System verschiedene auf den FSR400 ausgeübte Druckniveaus zuverlässig erkennen und vergleichen.
Das Diagramm zeigt, wie der FSR400-Kraftsensor mithilfe eines einfachen Spannungsteileraufbaus an ein Arduino angeschlossen wird.Ein Anschluss des FSR400 ist mit der 5-V-Versorgung des Arduino verbunden, während der andere Anschluss mit einem festen Widerstand verbunden ist, der auf Masse geht.Diese Anordnung wandelt den sich ändernden Widerstand des Sensors in eine sich ändernde Spannung um.

Die Verbindung zwischen dem FSR400 und dem Festwiderstand ist mit einem der analogen Eingangspins des Arduino verbunden.Wenn keine Kraft ausgeübt wird, hat der Sensor einen hohen Widerstand, was zu einer höheren Spannung am Analogpin führt.Wenn Druck auf den Sensor ausgeübt wird, verringert sich sein Widerstand, wodurch die Spannung am Analogeingang abfällt.
Der Arduino liest diese sich ändernde Spannung mithilfe seines Analog-Digital-Wandlers (ADC) und wandelt sie in einen numerischen Wert um.Dieser Wert kann dann im Code verwendet werden, um Berührungen zu erkennen, die relative Kraft zu messen oder Aktionen basierend auf den auf den FSR400 ausgeübten Druckniveaus auszulösen.
• Berührungsempfindliche Tasten
• Druckempfindliche Schalter
• Mensch-Maschine-Schnittstellensteuerungen
• Robotik-Force-Feedback
• Griffkrafterkennung
• Berührungseingaben für medizinische Geräte
• Tragbare Elektronik
• Industrielle Schalttafeln
• Eingangserkennung in der Unterhaltungselektronik
• Last- und Kontakterkennung

Der Kraftsensor FSR400 eignet sich zur Erkennung von Berührungs- und Relativkräften in elektronischen Systemen.Durch den Betrieb als variabler Widerstand können Druckänderungen mithilfe einfacher Spannungsteilerschaltungen problemlos in Spannungssignale umgewandelt und von Mikrocontrollern wie Arduino gelesen werden.Aufgrund seiner nichtlinearen Kraftreaktion, hohen Haltbarkeit und kompakten Größe eignet es sich gut für Mensch-Maschine-Schnittstellen, Robotik, medizinische Geräte und Unterhaltungselektronik.
Wählen Sie einen Widerstand nahe dem Widerstand des Sensors in Ihrem Zielkraftbereich, um die Empfindlichkeit und ADC-Auflösung zu maximieren.
Ja.Verwenden Sie eine Mehrpunktkalibrierung mit bekannten Lasten und wenden Sie Kurvenanpassungen oder Nachschlagetabellen an, um die Genauigkeit zu verbessern.
Nein. Aufgrund seiner nichtlinearen Reaktion und Hysterese eignet es sich am besten für die Erkennung relativer Kräfte oder Berührungen.
Ein 10–12-Bit-ADC funktioniert gut;Eine höhere Auflösung verbessert die Empfindlichkeit bei geringen Kräften.
Verwenden Sie einen Puffer-Operationsverstärker, eine stabile Stromversorgung, Mittelwertbildung in der Software und eine ordnungsgemäße Erdung.
Ja.Die Temperatur kann zu Drift führen;Für den präzisen Einsatz kann eine Kompensation oder Neukalibrierung erforderlich sein.
Wenden Sie die Kraft gleichmäßig mit einer nachgiebigen Auflage an, um Punktbelastungen zu vermeiden und die Wiederholbarkeit zu verbessern.
CAP CER 330PF 200V NP0 0805
CAP CER 4700PF 25V X7R 0402
CAP CER 3.5PF 50V S2H 0402
CAP TANT 68UF 10% 6.3V 1411
CAP TANT 1UF 10% 35V RADIAL
IC REG LIN 5V 1.5A DDPAK/TO263-3
IC MCU 16BIT 96KB FLASH 48QFN
DC DC CONVERTER 7.5V 75W
Z0221524AEC ZILOG
CAP TANT 47UF 20% 6.3V 2312
IDT89HA0324APSZG IDT
FUJI New
IC FPGA ARTIX UP 676FCBGA


