Deutsch
Zeit: 2025/11/29
Durchsuchen: 552
Der BD140

BD140
STMicroelectronics
TRANS PNP 80V 1.5A SOT32-3
In Stock: 22000 pcs
ist einer der am weitesten verbreiteten PNP-Transistoren mittlerer Leistung in der Elektronik.Um seine Funktionalität, Alternativen, Spezifikationen, Arbeitsprinzipien und praktischen Überlegungen vollständig zu verstehen, wird in diesem Artikel der BD140-Transistor ausführlich erläutert.

Die BD140

BD140
STMicroelectronics
TRANS PNP 80V 1.5A SOT32-3
In Stock: 22000 pcs
Der Allzweck-PNP-Epitaxie-Siliziumtransistor ist ein Gerät mittlerer Leistung, das für zuverlässiges Schalten und Verstärken ausgelegt ist.Mit seiner epitaxialen planaren PNP-Siliziumkonstruktion bietet er eine stabile Leistung, einen Kollektorstrom von bis zu 1,5 A und eine Spannungsbelastbarkeit von bis zu 80 V. Sein TO-126-Gehäuse unterstützt eine effiziente Wärmeableitung, wodurch er für Audioschaltkreise, Treiberstufen und allgemeine Steuerungsanwendungen geeignet ist.Der Transistor bietet außerdem einen nützlichen Verstärkungsbereich, der Entwicklern Flexibilität bei der Elektronik mit niedriger bis mittlerer Leistung ermöglicht.
Der BD140 wird üblicherweise in Kombination mit seinem NPN-Ergänzungsmittel, dem BD139, häufig in Push-Pull-Audioverstärkern, linearen Netzteilen und Relais-Treiberschaltungen verwendet.
Wenn Sie Interesse am Kauf des BD140 haben, kontaktieren Sie uns bitte bezüglich Preis und Verfügbarkeit.


|
Pin
Nummer |
Pin
Name |
Beschreibung |
|
1 |
Emitter (E) |
Strom fließt
aus dem Transistor;je nach Stromkreis mit der Last oder Erde verbunden
Konfiguration. |
|
2 |
Sammler (C) |
Hauptsächlich
stromführende Klemme;verbindet sich mit der Versorgung oder Last. |
|
3 |
Basis (B) |
Steuert die
Betrieb des Transistors durch Regulierung des Stroms zwischen Kollektor und Emitter. |
|
Spezifikation |
Spezifikationen |
BD136
![]() |
PNP, 1,5 A, 45
V, 1,25 W |
|
BD138
|
PNP, 1,5 A, 60
V, 1,25 W |
|
2SB882
|
PNP, 3 A, 30 V,
1 W |
|
MJE350
|
PNP, 0,5 A, 300
V, 1,5 W |
TIP32C
![]() |
PNP, 3 A, 100 V,
2 W |
|
Parameter |
Wert |
|
Hersteller
(Hersteller) |
onsemi |
|
Verpackung |
Masse |
|
Teilestatus |
Veraltet |
|
Transistortyp |
PNP |
|
Sammler
Strom (Ic) Max |
1,5 A |
|
Sammler-Emitter
Durchbruchspannung (VCEO) |
80 V |
|
VCE-Sättigung
(Max) @ Ib, Ic |
500 mV bei 50 mA,
500mA |
|
Sammler-Cutoff
Strom (ICBO) |
100 nA |
|
Gleichstromverstärkung
(hFE) Min @ Ic, Vce |
40 @ 150 mA, 2 V |
|
Macht
Verlustleistung (max.) |
1,25 W |
|
Betrieb
Temperatur |
–55°C bis +150°C
(Tj) |
|
Montageart |
Durchgangsloch |
|
Paket/Koffer |
TO-225AA,
TO-126-3 |
|
Lieferantengerät
Paket |
TO-126 |
|
Basisprodukt
Nummer |
BD140
![]() |

In der ersten Schaltung wird der BD140

BD140
STMicroelectronics
TRANS PNP 80V 1.5A SOT32-3
In Stock: 22000 pcs
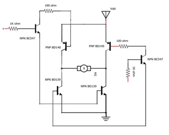
zusammen mit BD139 als Teil eines komplementären Push-Pull-Transistorpaares verwendet.Diese Anordnung ermöglicht es der Schaltung, Signale effizient zu verstärken, indem die Arbeitslast zwischen den PNP-Transistoren (BD140) und NPN-Transistoren (BD139) aufgeteilt wird.Wenn ein kleines Eingangssignal über den BC547 angelegt wird, spannt es den BD140 vor und ermöglicht ihm so, die obere Seite der Last zu leiten und anzutreiben.Wenn das Signal die Polarität ändert, übernimmt der BD139 und sorgt für eine gleichmäßige und kontinuierliche Ausgabe.Diese ergänzende Wirkung verbessert die Stromverarbeitung, reduziert Verzerrungen und ermöglicht es der Schaltung, schwerere Lasten anzutreiben und gleichzeitig die Stabilität aufrechtzuerhalten.

Im zweiten Stromkreis fungiert der BD140 als High-Side-Schalter.Wenn der Schalter (SW1) über den Widerstand R1 einen kleinen Strom an die Basis anlegt, schaltet sich der BD140 ein und ermöglicht den Stromfluss von der positiven Versorgung (V1) durch den Emitter zum Kollektor und in die Last.Sobald der Basisantrieb entfernt wird, schaltet der Transistor ab und stoppt den Stromfluss.Diese Konfiguration wird häufig verwendet, wenn eine Last über die positive Schiene mit Strom versorgt werden muss, wodurch sich der BD140 ideal für die Steuerung von Motoren, Lampen oder anderen Geräten mittlerer Leistung eignet.

In dieser Schaltung fungieren die BD140-Transistoren als High-Side-Treiber in einer Push-Pull-H-Brücke, die zur Steuerung des Motors verwendet wird.Jeder BD140 bildet zusammen mit einem NPN-Transistor BD139 ein komplementäres Paar, sodass die Schaltung einen starken und effizienten Strom an den Motor liefern kann.Wenn der linke BC547-Transistor durch den Eingang an B1 aktiviert wird, treibt er das linke BD140-BD139-Paar an, indem er Strom von der Versorgung über den BD140 bezieht und ihn über den BD139 ableitet.Dadurch wird der Motor in eine Richtung angetrieben.Wenn der rechte BC547 durch A1 ausgelöst wird, wird das gegenüberliegende BD140–BD139-Paar aktiv, kehrt die Polarität um und dreht den Motor in die andere Richtung.Insgesamt arbeitet der BD140 als High-Side-Leistungstransistor, der den Motor mit dem erforderlichen Strom versorgt und so einen kontrollierten Vorwärts- und Rückwärtsbetrieb ermöglicht.

Dieses Diagramm zeigt, wie sich die Gleichstromverstärkung (hFE) des Transistors mit dem Kollektorstrom ändert.Bei niedrigen Strömen beginnt die Verstärkung etwa in der Mitte der 80er-Jahre und erreicht etwa 90 Milliampere. Sie erreicht einen Spitzenwert bei einigen Hundert Milliampere und nimmt dann allmählich ab, wenn sich der Strom der Obergrenze nähert.Dies zeigt dem Benutzer, dass der BD140

BD140
STMicroelectronics
TRANS PNP 80V 1.5A SOT32-3
In Stock: 22000 pcs
bei moderaten Kollektorströmen am effizientesten arbeitet und die stärkste Verstärkung bietet, während er bei sehr niedrigen oder sehr hohen Betriebsströmen eine reduzierte Verstärkung aufweist.
Dieses Diagramm zeigt, wie die Sättigungsspannung mit steigendem Kollektorstrom zunimmt.Dargestellt sind zwei Kurven, die unterschiedlichen Basisströmen entsprechen (IB = 10 mA und IB = 20 mA).Ein höherer Basisstrom erzeugt eine niedrigere Sättigungsspannung, was bedeutet, dass der Transistor mehr Strom leiten kann, ohne dass an ihm weniger Spannung abfällt.Die Kurve verdeutlicht, dass VCE(sat) bei kleinen Strömen niedrig ist, aber schnell ansteigt, sobald sich der Transistor seinen höheren Stromgrenzen nähert.

Diese Abbildung zeigt die Basis-Emitter-Spannung, die zum Ansteuern verschiedener Kollektorströme erforderlich ist.Mit zunehmendem IC steigt auch VBE, was das typische exponentielle Verhalten eines Bipolartransistors widerspiegelt.Es werden zwei Kurven für unterschiedliche VCE-Bedingungen bereitgestellt, beide zeigen jedoch, dass VBE innerhalb des erwarteten diodenähnlichen Bereichs (ungefähr 0,6–1,0 V) bleibt.Dies hilft Entwicklern, die Eingangsspannung zu verstehen, die zum Erreichen eines gewünschten Ausgangsstroms erforderlich ist.
Das Diagramm „Sicherer Betriebsbereich“ zeigt die Kombinationen aus Kollektorstrom und Kollektor-Emitter-Spannung, die der Transistor bei verschiedenen Impulsdauern sicher verarbeiten kann.Höhere Ströme sind nur bei niedrigeren Spannungen akzeptabel und kurze Impulse erlauben eine höhere Belastung als Dauerbetrieb.Die SOA-Kurve ist wichtig, um einen zuverlässigen Betrieb sicherzustellen und Schäden durch übermäßige Verlustleistung oder sekundäre Ausfälle zu verhindern.
-Allzweck-Audioverstärkung in Audiostufen mit geringem Stromverbrauch
-Treiberstufen für Leistungstransistoren in Verstärkern
-Schaltlasten wie Relais, LEDs, kleine Motoren oder Magnetspulen
-Lineare Regelkreise, einschließlich Spannungsregler und Stromregler
-DC-Motorsteuerung in Anwendungen mit niedrigem bis mittlerem Strom
-Signalverstärkung in analogen Schaltkreisen
-Wechselrichter- und Wandlertreiberschaltungen
-Batteriebetriebene Gerätesteuerung aufgrund guter Verstärkung und niedriger Sättigungsspannung
-Push-Pull-Verstärkerstufen der Klasse AB in Kombination mit dem komplementären BD139
-Schutzschaltungen wie Überstrom- oder thermische Abschaltauslöser
|
Spezifikation |
BD140
![]() |
BD136
![]() |
TIP32C
![]() |
|
Polarität |
PNP |
PNP |
PNP |
|
Sammler
Strom (Ic) |
1,5 A |
1,5 A |
3 A |
|
Sammler-Emitter
Spannung (VCEO) |
80 V |
45 V |
100 V |
|
Sammlerbasis
Spannung (VCBO) |
80 V |
45 V |
100 V |
|
Emitter-Basis
Spannung (VEBO) |
5 V |
5 V |
5 V |
|
Macht
Verlustleistung (Pd) |
1,25 W |
1,25 W |
2 W |
|
DC-Verstärkung (hFE) |
40–160 |
40–160 |
25–100 |
|
Pakettyp |
TO-126 |
TO-126 |
TO-220 |
|
Übergang
Frequenz (fT) |
~3 MHz (typ.) |
~3 MHz (typ.) |
~3 MHz (typ.) |
|
Betrieb
Temperatur |
–55°C bis +150°C |
–55°C bis +150°C |
–65°C bis +150°C |
|
Komplementär
NPN-Paar |
BD139 |
BD135 |
TIP31C |
|
Typische Verwendung |
Fahrer,
Schalter, Audiostufen |
Niederspannung
Fahrer |
Hochstrom
Schalten, Leistungssteuerung |

-PNP-Transistor, geeignet für das Schalten und Verstärken mittlerer Leistung.
-Unterstützt bis zu 1,5 A und eignet sich daher für Motoren, LEDs und Treiberstufen.
-Hohe 80-V-Nennspannung bietet guten Schutz gegen Überspannungen.
-Funktioniert gut in Audioverstärker-Push-Pull-Stufen mit BD139.
Das TO-126-Gehäuse bietet für seine Größe eine gute Wärmeableitung.
-Leicht verfügbar und erschwinglich.
-Stabiler Betrieb in analogen Schaltkreisen durch gute Verstärkung (hFE 40–160).
-Großer Betriebstemperaturbereich (–55 °C bis +150 °C).
-Geringere Verlustleistung (1,25 W) im Vergleich zu größeren Leistungstransistoren (z. B. TIP32C

TIP32C
Solid State Inc.
TRANS PNP 100V 3A TO220
Out Stock
).
-Die Verstärkung kann zwischen den Einheiten stark variieren und erfordert eine entsprechende Vorspannung.
-Nicht für sehr hohe Stromlasten über 1,5 A ohne Kühlkörper geeignet.
-Die Schaltgeschwindigkeit ist moderat;nicht ideal für Hochfrequenzanwendungen.
- Das TO-126-Gehäuse ist im Vergleich zu TO-220-Geräten kleiner und begrenzt die Wärmebehandlung.
-Da es sich um einen PNP-Transistor handelt, kann er NPN-Modelle wie BD139 nicht direkt ersetzen.
ON Semiconductor, Heute einfach als Onsemi bekannt, ist ein weltweit führender Halbleiterhersteller, der für die Herstellung leistungsstarker, energieeffizienter elektronischer Komponenten bekannt ist.Das Unternehmen konzentriert sich stark auf Energielösungen, Automobilelektronik, industrielle Automatisierung und IoT-Technologien.Mit einem starken Schwerpunkt auf Zuverlässigkeit und Innovation betreibt onsemi weltweit fortschrittliche Fertigungsanlagen und befolgt strenge Qualitätskontrollstandards, um eine gleichbleibende Geräteleistung über alle Produktlinien hinweg sicherzustellen.
Der BD140 wird aufgrund seiner Strombelastbarkeit von 1,5 A und seines stabilen PNP-Betriebs hauptsächlich zum Schalten mittlerer Leistung, für Audioverstärker, Motortreiber und Relaissteuerung verwendet.
Nein. Der Austausch hängt von der Anpassung von Spannung, Strom, Gehäusetyp und Verstärkung ab.BD136, BD138, TIP32C oder MJE350 sind gängige Alternativen mit ähnlichen Spezifikationen.
Überprüfen Sie die Basis-Emitter- und Basis-Kollektor-Übergänge im Diodenmodus.Jeder sollte einen Vorwärtsabfall von ca. 0,6–0,7 V und einen offenen Stromkreis in Rückwärtsrichtung aufweisen.Jeder Kurzschluss oder Nullwert weist auf einen Fehler hin.
BD140 ist PNP, während BD139 sein NPN-Komplementärpaar ist.Sie werden oft zusammen in Push-Pull- oder Class-AB-Verstärkerstufen verwendet.
Ja, aber nur kleine bis mittlere Motoren innerhalb der aktuellen Grenze.Fügen Sie für höhere Lasten einen Kühlkörper hinzu oder verwenden Sie einen Transistor mit höherer Nennleistung.
Nicht ideal.Seine moderate Übergangsfrequenz (~3 MHz) schränkt die Leistung bei HF- oder schnell schaltenden Anwendungen ein.
Um es einzuschalten, muss die Basis um ca. 0,6–1,0 V niedriger betrieben werden als der Emitter.Für die High-Side-Schaltung erfordern Logiksignale möglicherweise eine Pegelverschiebung.
CAP CER 0.47PF 50V C0G/NPO 0603
CAP CER 8.4PF 50V NP0 0402
CAP CER 82PF 50V C0G/NP0 0603
IC MCU 32BIT 64KB FLASH 100LQFP
IC MCU 16BIT 8KB FLASH 20LSSOP
IC TRANSCEIVER FULL 48LQFP
IGBT Modules
CENTILL BGA
80C52 COMPATIBLE MICROCONTROLLE
MAX4365EUA MAXIM
IC TRANSCEIVER FULL 4/5 28SOIC
XC2S300E-6FT256I XILINX
IC TXRX/ISO FULL 1/1 8SOIC

TRANS PNP 100V 3A TO220-3
vorrätig: 834
TRANS PNP 80V 1.5A TO126
vorrätig: 1836
TRANS PNP 60V 1.5A TO126
vorrätig: 799
TRANS PNP 100V 3A TO220
vorrätig: 352

TRANS PNP 80V 1.5A SOT32-3
vorrätig: 432


