Deutsch
Zeit: 2025/12/22
Durchsuchen: 431
Was ist der NPN-Transistor 2N2219
![]()
2N2219
Microsemi Corporation
TRANS NPN 30V 0.8A TO-39
In Stock: 3247 pcs
?In diesem Artikel werden die Grundlagen, Spezifikationen, Merkmale, Arbeitsprinzipien, Anwendungen, sicheren Betriebspraktiken, Vergleiche und mehr des Transistors 2N2219 erläutert.

Die 2N2219
![]()
2N2219
Microsemi Corporation
TRANS NPN 30V 0.8A TO-39
In Stock: 3247 pcs
Der NPN-Transistor von Microsemi ist ein zuverlässiger Silizium-Bipolartransistor.Es ist in einem robusten TO-39-Metallgehäuse untergebracht und bietet eine gute thermische Leistung und einen stabilen Betrieb, sodass es sowohl für industrielle als auch kommerzielle Elektronik geeignet ist.Der 2N2219 wird häufig in der Signalverstärkung, in Treiberstufen und bei Schaltaufgaben mit mittlerem Strom verwendet.
Mit einem Kollektorstrom von bis zu 800 mA und einer Kollektor-Emitter-Spannung von etwa 30 V (höher bei A-Varianten) bietet der 2N2219 ein Gleichgewicht zwischen Leistung und Robustheit.Seine Fähigkeit, bei relativ hohen Frequenzen zu arbeiten, ermöglicht auch den Einsatz in HF- und schnell schaltenden Schaltkreisen mit geringer Leistung.
Wenn Sie Interesse am Kauf des 2N2219 haben, kontaktieren Sie uns bitte bezüglich Preis und Verfügbarkeit.


|
Pin
Nummer |
Pin
Name |
Beschreibung |
|
1 |
Emitter (E) |
Der Emitter
setzt Ladungsträger frei.In NPN-Schaltungen ist es normalerweise mit Masse verbunden. |
|
2 |
Basis (B) |
Die Kontrolle
Terminal.Ein kleiner Strom an der Basis lässt einen größeren Strom fließen
Kollektor zum Emitter. |
|
3 |
Sammler (C) |
Der Sammler
führt den Hauptstrom durch den Transistor und ist mit der Last verbunden. |
• 2N2219A

2N2219A
Solid State Inc.
TRANS NPN 40V 0.8A TO39
Out Stock
• 2N2218
![]()
2N2218
Central Semiconductor
THROUGH-HOLE TRANSISTOR-SMALL SI
In Stock: 2795 pcs
• 2N2218A

2N2218A
Microsemi
NPN TRANSISTOR
In Stock: 500 pcs
•2N2219AL
![]()
2N2219AL
Microchip Technology
TRANS NPN 50V 0.8A TO39
In Stock: 2080 pcs
• 2N2222
![]()
2N2222
onsemi
TRANS NPN 30V 0.8A TO18
In Stock: 77822 pcs
• 2N2222A

2N2222A
NTE Electronics, Inc
TRANS NPN 40V 0.8A TO18
Out Stock
• 2N3904

2N3904
NTE Electronics, Inc
TRANS NPN 40V 0.2A TO92
Out Stock
• BC547
![]()
BC547
onsemi
TRANS NPN 45V 0.1A TO92-3
In Stock: 20300 pcs
• BC548
![]()
BC548
onsemi
TRANS NPN 30V 0.1A TO92-3
In Stock: 68291 pcs
• BC549
![]()
BC549
onsemi
TRANS NPN 30V 0.1A TO92-3
In Stock: 5300 pcs
• PN2222
![]()
PN2222
onsemi
TRANS NPN 30V 0.6A TO92
In Stock: 8213 pcs
• PN2222A

PN2222A
NTE Electronics, Inc
TRANS NPN 40V 0.6A TO92-3
In Stock: 2277 pcs
• MPS2222A
![]()
MPS2222A
onsemi
TRANSISTOR NPN GP SS 40V TO-92
In Stock: 45300 pcs
• NTE123

NTE123
NTE Electronics, Inc
TRANS NPN 40V 0.8A TO39
In Stock: 1309 pcs
• 2SC1815
![]()
2SC1815
Central Semiconductor
TRANS NPN 50V 0.15A
In Stock: 1000300 pcs
•2SC945

2SC945
CJ
TO-92
In Stock: 33400 pcs
|
Parameter |
Symbol |
Wert |
|
Polarität |
— |
NPN |
|
Sammler-Emitter
Durchbruchspannung |
V(BR)CEO |
30 V (50 V für A
Version) |
|
Sammlerbasis
Durchbruchspannung |
V(BR)CBO |
60 V (75 V für A
Version) |
|
Emitter-Basis
Durchbruchspannung |
V(BR)EBO |
5 V (6 V für A
Version) |
|
Kontinuierlich
Kollektorstrom |
IC |
0,8 A |
|
Macht
Verlustleistung (TA=25 °C) |
PD |
~0,8 W |
|
Gleichstromverstärkung
(hFE) |
hFE |
~50–100 (variiert
mit IC) |
|
Übergang
Häufigkeit |
fT |
~250 MHz |
|
Sammler-Emitter
Sättigungsspannung |
VCE(Sa) |
~0,3–1,0 V |
|
Basis-Emitter
Sättigungsspannung |
VBE(Sa) |
~0,6–2,0 V |
|
Eingabe
Kapazität |
Cibo |
~25 pF |
|
Ausgabe
Kapazität |
Cobo |
~8 pF |
|
Einschaltzeit |
Tonne |
~35-40 ns |
|
Ausschaltzeit |
toff |
~250-300 ns |
• NPN-Bipolar-Junction-Transistor (BJT) - Der 2N2219
![]()
2N2219
Microsemi Corporation
TRANS NPN 30V 0.8A TO-39
In Stock: 3247 pcs
ist ein NPN-Transistor, der einen kleinen Basisstrom verwendet, um einen größeren Kollektor-Emitter-Strom zu steuern, wodurch er sowohl für Signalverstärkung als auch für elektronische Schaltanwendungen geeignet ist.
• Hohe Kollektorstromfähigkeit - Dieser Transistor kann relativ hohe Kollektorströme verarbeiten, sodass er im Vergleich zu Standard-Kleinsignaltransistoren Lasten wie Relais, kleine Motoren und leistungshungrige Schaltungsstufen ansteuern kann.
• Gute Verlustleistung - Dank seines Metallgehäusedesigns ist der 2N2219 in der Lage, die Wärme effizienter abzuleiten und so einen stabilen Betrieb unter höheren Leistungs- und Temperaturbedingungen aufrechtzuerhalten.
• Breiter Frequenzgang - Der 2N2219 unterstützt den Hochfrequenzbetrieb und eignet sich daher für schnell schaltende Schaltkreise, HF-Verstärker und kommunikationsbezogene Anwendungen.
• Stabile Gleichstromverstärkung (hFE) - Es bietet eine konstante Stromverstärkung über einen weiten Betriebsbereich und sorgt so für eine vorhersehbare und zuverlässige Verstärkungsleistung in analogen Schaltkreisen.
• Niedrige Sättigungsspannung - Beim Einsatz als Schalter weist der Transistor eine niedrige Kollektor-Emitter-Sättigungsspannung auf, was den Leistungsverlust reduziert und die Schaltungseffizienz verbessert.
• Robustes und zuverlässiges Design - Der auf Langlebigkeit ausgelegte 2N2219 hält elektrischen und thermischen Belastungen stand und ist somit zuverlässig für den langfristigen Einsatz in der industriellen und kommerziellen Elektronik.

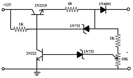
Im ersten Schaltkreis arbeitet der 2N2219
![]()
2N2219
Microsemi Corporation
TRANS NPN 30V 0.8A TO-39
In Stock: 3247 pcs
hauptsächlich als Reihendurchgangstransistor, der die an die Last gelieferte Spannung und den Strom steuert.Der Transistor wird zwischen der +12-V-Versorgung und dem Ausgangspfad platziert und kann so die Leistung basierend auf der an seiner Basis angelegten Vorspannung regeln.Die umgebenden Widerstände, Zenerdioden (1N752) und die Gleichrichterdiode (1N4001) bilden ein Rückkopplungs- und Schutznetzwerk.Die Zenerdioden begrenzen die Basisspannung auf einen festen Referenzwert und stellen so sicher, dass der Transistor nur dann leitet, wenn die Eingangsspannung einen bestimmten Schwellenwert überschreitet.Dadurch passt der 2N2219 seine Leitung an, um den Ausgang zu stabilisieren und nachgeschaltete Komponenten vor Überspannung oder Rückwärtsbedingungen zu schützen.In dieser Anwendung fungiert der Transistor als gesteuerter Schalter und Regler und nicht als einfacher Verstärker.

Im zweiten Schaltkreis wird der 2N2219 als Hochfrequenzverstärker in einem HF-Sender-Design verwendet.Hier verstärkt der Transistor einen kleinen Audio- oder Signaleingang (vom Mikrofon und der BC547
![]()
BC547
onsemi
TRANS NPN 45V 0.1A TO92-3
In Stock: 20300 pcs
-Vorverstärkerstufe) in ein höherfrequentes oszillierendes Signal.Die abgestimmten Komponenten – Induktivitäten (L1), variabler Trimmerkondensator (TR) und Kleinkondensatoren – legen die Betriebsfrequenz fest, während der 2N2219 die erforderliche Verstärkung und Antriebsfähigkeit zur Speisung der Antenne bereitstellt.Die schnelle Schaltgeschwindigkeit und die hohe Übergangsfrequenz des Transistors machen ihn für HF-Arbeiten geeignet.In dieser Konfiguration empfängt die Basis ein moduliertes Signal, der Kollektor übernimmt die HF-Ausgabe und der Emitter sorgt durch Vorspannungs- und Rückkopplungskomponenten für Stabilität.Der 2N2219 wandelt im Wesentlichen Signale mit niedrigem Pegel in einen nutzbaren Hochfrequenzausgang um.

Im dritten Schaltkreis fungiert der 2N2219 als einfacher linearer Spannungsregler oder Spannungsabfall.Am Kollektor wird eine höhere Eingangsspannung (ca. 15 V) angelegt, während die Basisspannung über einen Widerstandsteiler (10 kΩ und 6,8 kΩ) eingestellt wird.Diese feste Basisvorspannung bestimmt, wie viel der Transistor leitet, wodurch der Emitter der Basisspannung abzüglich des Basis-Emitter-Abfalls folgt.Der vom Emitter abgenommene Ausgang wird daher auf etwa 5 V reduziert. Der Lastwiderstand am Ausgang stellt den Stromkreis dar.In dieser Anwendung arbeitet der 2N2219 in seinem aktiven Bereich und steuert kontinuierlich den Stromfluss, um eine niedrigere, relativ stabile Ausgangsspannung aufrechtzuerhalten.Dies zeigt die Nützlichkeit des Transistors als einfache und kostengünstige Lösung zur Spannungsregelung.
• Allzweck-NPN-Transistoranwendungen
• Signalverstärkungsschaltungen
• Audio-Vorverstärkerstufen
• Audioverstärker mit geringem Stromverbrauch
• HF-Verstärkerschaltungen (Radiofrequenz).
• HF-Oszillatorschaltungen
• VHF- und UHF-Kommunikationsschaltungen
• Kleinsignal-Schaltanwendungen
• Relais- und Magnetspulentreiber
• LED-Treiberschaltungen
• Spannungsregler und Reihenschaltungen
• Lineare Spannungsreglerkonstruktionen
• Steuerkreise für die Stromversorgung
• Stromregelkreise
• Emitterfolger-Pufferstufen
• Signalpufferschaltungen
Um eine zuverlässige und langfristige Leistung zu gewährleisten, muss der 2N2219
![]()
2N2219
Microsemi Corporation
TRANS NPN 30V 0.8A TO-39
In Stock: 3247 pcs
innerhalb seiner Nenngrenzen betrieben werden.Die wichtigsten Faktoren sind Kollektor-Emitter-Spannung, Kollektorstrom und Verlustleistung.Das Überschreiten dieser Werte kann zu einer übermäßigen Hitzeentwicklung führen, was zu dauerhaften Schäden oder einem sofortigen Ausfall führen kann.Die richtige Vorspannung ist wichtig, damit der Transistor in seinem vorgesehenen Betriebsbereich bleibt, unabhängig davon, ob er zur Verstärkung oder zum Schalten verwendet wird.
Für den sicheren Betrieb spielt das Wärmemanagement eine Schlüsselrolle.Wenn der 2N2219 höhere Ströme verarbeitet, kann er erhebliche Wärme erzeugen, sodass möglicherweise eine ausreichende Luftzirkulation oder ein geeigneter Kühlkörper erforderlich ist.Indem die Sperrschichttemperatur innerhalb sicherer Grenzen gehalten wird, wird eine Verschlechterung der Verstärkung und ein thermisches Durchgehen verhindert, die auftreten können, wenn das Gerät im Dauerbetrieb überhitzt.
Ebenso wichtig ist der Schutz des Transistors vor elektrischer Belastung.Plötzliche Spannungsspitzen, Verpolung oder übermäßiger Basisstrom können die Übergänge beschädigen.Der Einsatz von Strombegrenzungswiderständen, Schutzdioden und stabilen Netzteilen trägt zur Aufrechterhaltung sicherer Bedingungen bei.Wenn diese Vorsichtsmaßnahmen befolgt werden, arbeitet der 2N2219 zuverlässig und liefert eine konstante Leistung in einem breiten Anwendungsspektrum.
|
Funktion |
2N2219
|
JANS2N2219A
|
|
Gerätetyp |
NPN bipolar
Sperrschichttransistor |
NPN bipolar
Sperrschichttransistor |
|
Qualifikation
Ebene |
Kommerziell /
Industriequalität |
Militärtauglich
(JAN qualifiziert) |
|
Standards |
Herstellerspezifisch |
MIL-PRF-19500
konform |
|
Zuverlässigkeit
Ebene |
Standard
Zuverlässigkeit |
Hohe Zuverlässigkeit |
|
Betrieb
Temperaturbereich |
Typischerweise −55 °C
bis +150 °C |
−55 °C bis +150
°C (garantiert) |
|
Elektrisch
Eigenschaften |
Standard
Datenblattgrenzen |
Enger,
kontrollierte Grenzen |
|
Screening &
Testen |
Grundproduktion
testen |
Umfangreich
militärisches Screening |
|
Schock &
Vibrationstoleranz |
Mäßig |
Hoch |
|
Langfristig
Stabilität |
Gut |
Ausgezeichnet |
|
Verwendungszweck |
Allgemein
Elektronik |
Luft- und Raumfahrt,
Verteidigung, kritische Systeme |
|
Kosten |
Niedriger |
Höher |
|
Verfügbarkeit |
Weit verbreitet |
Begrenzt,
spezialisierte Zulieferer |

• Hohe Stromverarbeitung für einen Kleinsignaltransistor
• Schnelle Umschaltfähigkeit
• Geeignet für Hochfrequenzbetrieb
• Gute Verstärkungsstabilität
• Großer Betriebstemperaturbereich
• Robustes und zuverlässiges Design
• Niedrige Sättigungsspannung
• Vielseitig für mehrere Anwendungen
• Einfache Voreingenommenheit und Kontrolle
• Weit verbreitet und kostengünstig
• Begrenzte Verlustleistung ohne Kühlkörper
• Nicht für Hochleistungsanwendungen geeignet
• Erfordert Wärmemanagement bei höheren Strömen
• Geringere Verstärkung im Vergleich zu modernen Transistoren
• Nicht optimiert für sehr geräuscharme Anwendungen
• In einigen modernen Designs veraltet
• Die Leistung variiert je nach Hersteller
• Nicht ideal für batteriebetriebene Schwachstromsysteme
Mikrosemi verfügt über starke Fertigungskapazitäten bei der Herstellung des 2N2219
![]()
2N2219
Microsemi Corporation
TRANS NPN 30V 0.8A TO-39
In Stock: 3247 pcs
-Transistors und konzentriert sich dabei auf hohe Zuverlässigkeit, konstante elektrische Leistung und strenge Qualitätskontrolle.Seine Herstellungs- und Montageprozesse legen Wert auf enge Parametertoleranzen, stabile Verstärkung und zuverlässige Stromverarbeitung, wodurch das Gerät für den industriellen und professionellen Einsatz geeignet ist.Durch umfassende Tests und Screenings stellt Microsemi langfristige Leistung und Haltbarkeit sicher, insbesondere in anspruchsvollen Umgebungen, in denen ein vorhersehbarer Betrieb und die Zuverlässigkeit der Komponenten von entscheidender Bedeutung sind.
Der 2N2219 unterstützt typischerweise einen höheren Strom und eine bessere thermische Leistung, während der 2N2222 häufiger in kostengünstigen Allzweckdesigns zum Einsatz kommt.
Ja, es wird immer noch in Industrie-, Bildungs- und Altsystemen verwendet, in denen Zuverlässigkeit und bekannte Leistung erforderlich sind.
Es kann viele Allzweck-NPN-Transistoren ersetzen, wenn Spannungs-, Strom- und Frequenzwerte kompatibel sind.
Der 2N2219 ist üblicherweise in einem TO-39-Metallgehäuse erhältlich, das für seine Haltbarkeit und Wärmeableitung bekannt ist.
Seine hohe Übergangsfrequenz und schnelle Schalteigenschaften ermöglichen einen zuverlässigen Betrieb in HF- und schnellen Signalanwendungen.
Ja, wenn ein geeigneter Schutz wie Flyback-Dioden zur Unterdrückung von Spannungsspitzen verwendet wird.
Wie die meisten BJTs kann es durch elektrostatische Entladung beschädigt werden. Daher werden Vorsichtsmaßnahmen bei der Handhabung empfohlen.
CAP CER 390PF 50V X7R 0402
CAP TANT 6.8UF 10% 25V 2917
DIODE MODULE 1.6KV 600A POWRBLOK
IC CPLD 128MC 15NS 84PLCC
IC BATT PROT LI-ION 2-3CEL 6WSON
IC REG LINEAR 2.8V 200MA 8VSSOP
DC DC CONVERTER 15V 75W
TLC2652AC-8DR TI
IC LIMITING AMP 10UMAX
6W STEREO CLASS D AMPLIFIER
QM78035TR13-5K QORVO
ST SOP20
ETRONIC QFP

TRANSISTOR, NPN, 0.8A, 75V, TO-1
vorrätig: 1662
TRANS NPN 50V 0.8A TO39
vorrätig: 461
TRANS NPN 30V 0.8A TO18
vorrätig: 996
TRANS NPN 30V 0.8A TO39
vorrätig: 1756
TRANS NPN 40V 0.2A TO92-3
vorrätig: 973




