Alle Kategorien

Wagen 0 Artikel

Einkaufswagen 0 Artikel

MFR -Teil # Anzahl
üBERGEBEN (0)

Sprache auswählen

Aktuelle Sprache

Deutsch

  • English
  • Deutsch
  • Italia
  • Français
  • 한국의
  • русский
  • Svenska
  • Nederland
  • español
  • Português
  • polski
  • Suomi
  • Gaeilge
  • Slovenská
  • Slovenija
  • Čeština
  • Melayu
  • Magyarország
  • Hrvatska
  • Dansk
  • românesc
  • Indonesia
  • Ελλάδα
  • Български език
  • Afrikaans
  • IsiXhosa
  • isiZulu
  • lietuvių
  • Maori
  • Kongeriket
  • Монголулс
  • O'zbek
  • Tiếng Việt
  • हिंदी
  • اردو
  • Kurdî
  • Català
  • Bosna
  • Euskera
  • العربية
  • فارسی
  • Corsa
  • Chicheŵa
  • עִבְרִית
  • Latviešu
  • Hausa
  • Беларусь
  • አማርኛ
  • Republika e Shqipërisë
  • Eesti Vabariik
  • íslenska
  • မြန်မာ
  • Македонски
  • Lëtzebuergesch
  • საქართველო
  • Cambodia
  • Pilipino
  • Azərbaycan
  • ພາສາລາວ
  • বাংলা ভাষার
  • پښتو
  • malaɡasʲ
  • Кыргыз тили
  • Ayiti
  • Қазақша
  • Samoa
  • සිංහල
  • ภาษาไทย
  • Україна
  • Kiswahili
  • Cрпски
  • Galego
  • नेपाली
  • Sesotho
  • Тоҷикӣ
  • Türk dili
  • ગુજરાતી
  • ಕನ್ನಡkannaḍa
  • मराठी
ZuhauseBlogMultiplexer Technischer Handbuch

ELEKTRONISCHE KOMPONENTEN AUF LAGER.
SCHNELLE ZITATE.

Integrierte Schaltkreise, Leistungsgeräte und passive Komponenten
Sofortige Unterstützung bei der Beschaffung

JETZT ANGEBOT ERHALTEN

Multiplexer Technischer Handbuch

Zeit: 2024/04/26

Durchsuchen: 6,283

Multiplexer (MUX) sind in der heutigen Technologiewelt für eine effiziente Signalübertragung sehr wichtig.Dieser Artikel wird die grundlegenden Konzepte, Betriebsmechanismen, Entwurfsmethoden und verschiedene Verwendungen von Multiplexern in der zeitgenössischen elektronischen Kommunikation analysieren.Ein Multiplexer ist ein komplexes elektronisches Werkzeug, mit dem mehrere Signale gleichzeitig über einen einzelnen Kanal gesendet werden können.Es verwendet verschiedene Technologien wie Zeitabteilung, Frequenzabteilung und Multiplexing der Wellenlänge, um die Kommunikationseffizienz zu verbessern.Die Essenz der Multiplexer -Technologie liegt in ihrer Fähigkeit, komplexe Datenströme für die Übertragung zu kombinieren und sie dann genau am Ziel aufzuteilen, um die Signalintegrität und -genauigkeit aufrechtzuerhalten.

Katalog




The Multiplexer
Abbildung 1: Der Multiplexer

Was ist ein Multiplexer??


Ein Multiplexer ist ein Gerät, mit dem mehrere Signale über eine einzelne Zeile gesendet werden können, wodurch die Datenübertragungseffizienz und die Kanalauslastung verbessert werden.Es integriert mehrere Eingänge in ein zusammengesetztes Signal, das an ein Ziel übertragen wird, an dem es wieder in das ursprüngliche Signal unterteilt ist.Diese Technologie ist in Bereichen wie Telefonkommunikation und Internetdatenübertragung und Funktionen wie Gassen auf einer Autobahn wichtig, um mehrere schnell bewegende Fahrzeuge ohne Störungen zu verwalten.

Vier verschiedene Briefe mussten gesendet werden, aber es gab nur Zeit für eine Reise zur Post.Der Multiplexer kombiniert die vier Buchstaben in ein Paket zur Lieferung.In der Post wird jeder Brief sortiert und an seine jeweilige Adresse gesendet, um Zeit zu sparen und die Liefergenauigkeit aufrechtzuerhalten.

Das Design und die Implementierung von Multiplexern umfassen mehrere Technologien wie zeitliche Multiplexing, Multiplexing der Frequenzabteilung und Multiplexe der Wellenlänge.Jede Methode hat einen bestimmten Zweck:

Time Division Multiplexing
Abbildung 2: Zeitteilungsmultiplexing

Das Arbeitsprinzip der Zeitabteilung Multiplexing ähnelt der Warteschlange in einem Restaurant.Die Kunden stellen sich zu festgelegten Zeiten an, um den geordneten und effizienten Service zu gewährleisten.

Multiplexing der Frequenzabteilung im Vergleich zu Funkürmen, die gleichzeitig verschiedene Programme auf unterschiedlichen Frequenzen übertragen, können die Zuhörer auf ihre bevorzugten Kanäle ohne Überlappung einstellen.

Die Multiplexierung der Wellenlängenabteilung in optischen Fasern ermöglicht es, mehrere optische Signale unterschiedlicher Wellenlängen auf eine einzelne Faser zu übertragen, was die Datenkapazität und -effizienz erheblich erhöht.

Multiplexer -Symbol


Das Multiplexer (MUX) -Symbol (Multiplexer) ist im Wesentlichen eine Abkürzung, die für elektrische schematische Diagramme verwendet wird, um die Funktionalität und Konnektivität eines Geräts sofort zu vermitteln.Das Symbol wird normalerweise als Rechteck mit mehreren Linien auf einer Seite dargestellt - dies sind die Eingänge.Eine Linie verlässt die andere Seite und repräsentiert den Ausgang.Darüber hinaus hat dieses Symbol ein wichtiges Merkmal: die Auswahllinie.Diese Linie steuert, welches Eingangssignal an den Ausgang gesendet wird, sodass dynamisches Schaltanforderungen basierend auf den Anforderungen der Schaltung.

Multiplexer Symbol
Abbildung 3: Multiplexer -Symbol

Stellen Sie sich vor, Sie untersuchen ein Schaltplan, das mit vielen sich überschneidenden Linien gefüllt ist.Darin finden Sie ein Rechteck mit mehreren Eingangsleitungen, die auf einer Seite markiert sind, und eine Ausgangslinie auf der anderen Seite.An diesem Rechteck befestigt ein oder zwei kleinere Linien - dies sind Auswahllinien.Diese einfache geometrische Figur ist das Symbol für einen Multiplexer, der Sie zu verstehen, dass sie eine Ausgabe aus mehreren Eingängen basierend auf einem Select -Signal auswählt.

Der Betrieb der Auswahllinie wird durch Binärcode gesteuert.Beispielsweise kann eine Select -Linie mit zwei Bits bis zu vier Eingänge steuern und auswählen, welche mit der Ausgabe verbunden ist.Diese Auswahlleitungen werden normalerweise "S0", "S1" usw. gekennzeichnet, um ihre Funktion im Auswahleingang anzuzeigen.Ausgänge und Eingänge sind deutlich gekennzeichnet, normalerweise als "y" oder "out" und als "i0", "i1" usw. ausgeben, um ihre Rollen klar zu machen.

In Anbetracht des digitalen Designs des Empfängers müssen die Ingenieure zwischen mehreren Signalquellen (z. B. verschiedenen Fernsehsenderquellen) wählen, um zu bestimmen, was im Fernsehen angezeigt wird.Der Multiplexer im Empfängerschaltungsdiagramm beschreibt klar, welches Signal für die Ausgabe basierend auf Benutzereingaben, Vereinfachung des Designs und funktionaler Beschreibung ausgewählt wird.

Digital TV Receiver
Abbildung 4: Digitalfernseherempfänger

Die Verwendung eines Multiplexers ist genau wie die Verwendung einer tatsächlichen Leiterplatte.Mit dem Draht in der Hand müssen Sie entscheiden, wo es angeschlossen werden soll. Die ausgewählten Linien fungieren als Führer und teilen dem Multiplexer mit, welcher Signal auf die Route signalisiert.Stellen Sie sich vor, Sie können für eine 2-Bit-Auswahlzeile vier Befehle verwenden, wobei jeder Befehl den Multiplexer anweist, eine der vier möglichen Eingänge herzustellen.Wenn Sie ein bisschen von 0 auf 1 einstellen, gibt der Multiplexer, der aktiviert wird, effektiv an, ähnlich wie die Aufmerksamkeit auf einen bestimmten TV -Kanal zu konzentrieren.

Die Klarheit der Multiplexer -Symbole auf Diagrammen ist bei der Gestaltung fortschrittlicher Systeme wie Satellitenkommunikation sehr wichtig.Es hilft Designern, dass verschiedene Signale ordnungsgemäß zu einer einzigen Übertragung über Satelliten kombiniert werden.Jede Wahl, die Sie mit einem Multiplexer treffen, ist wichtig. Wie das Navigieren eines Labyrinths kann jeder Runde den Erfolg einer Signalübertragung bestimmen.

Grundlegendes Design eines Multiplexers


Ein Multiplexer (oft als Mux bezeichnet) kombiniert mehrere Eingangssignale in eine einzelne Zeile für die Übertragung und trennt sie dann genau, wenn sie ihr Ziel erreichen.Stellen Sie sich vier farbige Drähte vor, die jeweils ein anderes Signal darstellen.Ein Multiplexer ermöglicht es diesen vier Drähten, auf demselben Weg zusammen zu fahren und sie am Ende des Getriebes wieder in separate Signale zu sortieren, um sicherzustellen, dass jeder Draht korrekt bewegt wird.

Beim Erstellen eines Multiplexers sorgen die Ingenieure für mehrere Eingangsanschlüsse, einen Ausgangsanschluss und einen Signal -Signaleingang.Die Auswahl von Signalfunktionen wie ein Switch und entscheiden, welcher Eingang mit dem Ausgang verbunden ist.Dieses Setup maximiert die Nutzung vorhandener Pfade, ohne zusätzliche Ressourcen zu erfordern.In einem Rechenzentrum können beispielsweise Multiplexer die Notwendigkeit von mehr Hardware verringern, wodurch die Kosten gesenkt werden und die Datenübertragung effizienter gestaltet werden.

In Telefonsystemen ermöglichen Multiplexer mehrere Anrufe, um eine Linie über Time Division Multiplexing (TDM) zu teilen.Diese Methode unterteilt die Zeit in Segmente, wobei jeder Telefonanruf einen kurzen Zeitraum einnimmt.Dies ähnelt einem Spielspiel, um sicherzustellen, dass sich keine zwei Anrufe überlappen, den Linienraum sparen und Fernkommunikationen erschwinglicher machen.

Das Entwerfen der Eingangskreisschaltung eines Multiplexer erfordert, dass die Signale zu präzisen Zeiten korrekt über die entsprechenden Logik -Gates weitergeleitet werden.In diesem Fall wirken Logik -Gates wie Verkehrssignale und steuern den Datenfluss.Betrachten Sie einen grundlegenden 2-zu-1-Multiplexer: Die Position der Auswahllinie bestimmt, welche der beiden Eingänge an die Ausgabe gesendet werden.Diese Anpassungsfähigkeit ermöglicht es Multiplexern, nicht nur komplexe Signalverarbeitungsaufgaben auszuwählen, sondern auch zu verwalten.

Die Genauigkeit des ausgewählten Eingangssignals ist sehr wichtig, insbesondere in Hochleistungsumgebungen wie Hochgeschwindigkeitsdatenübertragung.In der Satellitenkommunikation müssen Multiplexer beispielsweise mehrere terrestrische Signale kombinieren, um sie effizient über einen Satellitenverbindung zu senden.Solche Anwendungen unterstreichen die Rolle von Multiplexern in komplexen Systemkonstruktionen.

Beim Entwerfen von Multiplexern müssen die Ingenieure auch die Leistung des Gesamtsystems optimieren.Unabhängig davon, ob die Wellenlängenabteilung Multiplexing in Glasfaser verwendet oder die Netzwerkgewebe eines Rechenzentrums verbessert, sind Multiplexer sehr wichtig.Sie ermöglichen eine effizientere Datenverarbeitung innerhalb der begrenzten physischen Kapazität und unterstützen den wachsenden Kommunikationsbedarf.

Designer müssen Faktoren wie physikalische Eigenschaften, Systemfehlertoleranz und anwendungsspezifische Anforderungen berücksichtigen.Jede Entscheidung ähnelt mit der Herstellung eines genauen Mechanismus, der unter unterschiedlichen Bedingungen zuverlässig arbeitet.Durch strenge Test und Verfeinerung entwickeln Designer Multiplexer, die sowohl effizient als auch zuverlässig sind, was für alles wichtig ist, von einfachen Kommunikationsnetzwerken bis hin zu erweiterten Datenverarbeitungssystemen.

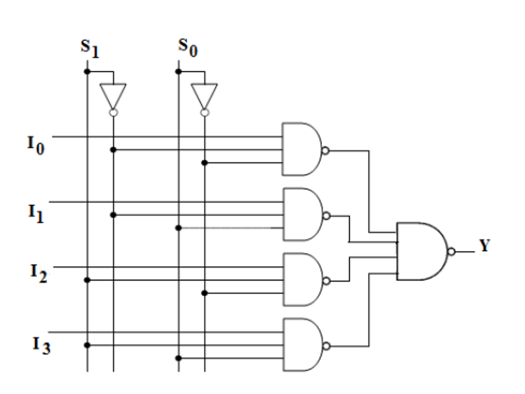
4-Kanal-Multiplexer mit logischen Toren


Ein 4-Kanal-Multiplexer (MUX) mit Logikgoren funktioniert wie ein Auswahlwerkzeug und wählt eines von vier möglichen Eingangssignalen aus.Stellen Sie sich vor, Sie haben vier verschiedene Bilder und nur ein Anzeigefeld, auf dem jeweils ein Bild angezeigt wird, das von einem einfachen Schalter gesteuert wird.

Um diesen Multiplexer zu erstellen, verbinden Sie zunächst jedes Eingangssignal (mit i0, i1, i2 und i3) an eine Reihe von und Toren.Jedes und Gate empfängt auch Signale aus zwei Select -Signalen S0 und S1.Das Eingangssignal kann sich nur vorwärts bewegen, wenn es die von S0 und S1 festgelegten spezifischen Bedingungen erfüllt.

Zum Beispiel zum Anzeigen von I0 an ein und ein Tor anschließen, das auch die invertierten Signale von S0 und S1 erhält.Wenn S0 und S1 beide auf 0 eingestellt sind, darf I0 durch das und das Tor gehen.Ebenso hängt die Auswahl von I1, I2 und I3 von verschiedenen Kombinationen von S0 und S1 ab und führt jede Kombination über einen eigenen Logik -Gate -Pfad.

Nach dem Durchlaufen des und dem Tor konvergieren erfolgreiche Signale zum oder dem Tor.Dieses oder Gate kompiliert das Eingangssignal und gibt das ausgewählte Signal aus.Es ist, als gäbe es mehrere Straßen, aber nur einer führt zum endgültigen Ziel.

Dieser 4-Kanal-Mux hat sich bei Anwendungen wie Auswahl von Dateneingaben in Mikroprozessoren als sehr wichtig erwiesen oder die Auswahl von Datenströmen in digitalen Kommunikation basierend auf Kontrollsignalen.Es ist mehr als nur eine theoretische Übung - es ist ein praktisches, vielseitiges Tool, das das Schaltungsdesign verbessern und die Ressourcennutzung effizienter gestalten kann.

4-zu-1-Kanal-Multiplexer erklärt


Ein 4-zu-1-Kanal-Multiplexer ist ein grundlegendes digitales Logikgerät, das eines von vier Eingangssignalen für die Ausgabe auswählt.Dieses Gerät wird in digitalen Schaltungen und Signalverarbeitung häufig verwendet und ist wichtig, wenn Sie Daten aus mehreren Quellen auswählen.Es arbeitet basierend auf der Kontrolllogik und verwendet zwei Auswahlsignale, um zu bestimmen, welche Eingabe weitergeleitet wird.

4×1 Multiplexer
Abbildung 5: 4 × 1 Multiplexer

Bei der Erstellung eines 4-zu-1-Kanal-Multiplexers besteht das Hauptziel darin, eine effiziente Auswahllogik durch eine Anordnung von Logik-Toren wie und, oder und nicht durch Tore zu entwickeln.So funktioniert es: Jedes Eingangssignal durchläuft eine Reihe logischer Operationen, kombiniert mit dem Status des Auswahlsignals, um sicherzustellen, dass nur der ausgewählte Eingang den Ausgang erreicht.

Arbeiten Sie mit vier verschiedenen Datenströmen, metaphorisch wie Seile.Ihr Ziel ist es, das richtige Seil durch die schmale Passage (Ausgabe) basierend auf Ihren Auswahlmöglichkeiten zu führen.Diese praktische Erfahrung simuliert den Betrieb eines 4-zu-1-Kanal-Multiplexers.

Während der Entwurfsphase können visuelle Einstellungen hilfreich sein.Stellen Sie sich eine Leiterplatte mit Schalter (Logikgates) und Indikatoren (Eingangssignale) vor.Ihre Aufgabe ist es, den Schalter gemäß der vorgegebenen Logik zu bedienen, um ein bestimmtes Indikatorlicht zu beleuchten.

Jede Eingabe ist mit mehreren und Toren verknüpft und setzt eine Reihe von Bedingungen fest.Um beispielsweise das I0 -Signal auszuwählen, wenn beide Signale S0 und S1 0 sind, gelangt I0 durch ein und ein Tor, das auch die invertierten Signale von S0 und S1 erhält.Diese Konfiguration stellt sicher, dass I0 nur dann auftritt, wenn sich sowohl S0 als auch S1 im gewünschten Zustand befinden.

Sobald die Signale ihre jeweiligen und Tore klären, konvergieren sie zum oder Gate.Dieses Tor lässt jedes Signal, das seine Bedingungen erfüllt, zu, aber da nur ein Signal die Bedingungen jederzeit erfüllt, wird letztendlich nur ein Signal ausgegeben.

Solche Multiplexer haben praktische Anwendungen in Bereichen wie Satellitenkommunikation, in denen die Auswahl der Sensordaten zuerst wichtig ist.Die Multiplexer wirken schnell und ermöglichen es dem Steuerungssystem, Daten mit hoher Priorität schnell auszuwählen und zu senden.

Mit fortgeschrittener Technologie sind diese Multiplexer von großen Geräten zu Mikrochips geschrumpft, die in Geräte wie Smartphones, Laptops und Smart -Home -Systeme eingebettet sind.Diese Miniaturisierung spart nicht nur Platz und Energie, sondern verbessert auch die Verarbeitungskapazität und die Betriebseffizienz der Geräte.

4 bis 2 Kanal -Multiplexer


Der 4-zu-2-Kanal-Multiplexer ist ein kritisches Gerät, mit dem zwei Ausgänge aus vier Eingangssignalen ausgewählt wurden.Solche Geräte sind in Umgebungen wichtig, in denen Daten aus mehreren Quellen gleichzeitig verarbeitet werden müssen, z. B. bei Signalverarbeitungs- und Datenkonvertierungsaufgaben.Im Gegensatz zu herkömmlichen Multiplexern, die nur eine einzelne Ausgabe liefern, bietet die 4-zu-2-Konfiguration eine größere Flexibilität und Effizienz, was mehrere Signale gleichzeitig verarbeiten kann.

In der Praxis werden 4- bis 2-Kanal-Multiplexer häufig in Hochgeschwindigkeitsdatenerfassungssystemen verwendet.Betrachten Sie beispielsweise ein wissenschaftliches Forschungsprojekt, bei dem Forscher Umweltparameter wie Temperatur, Luftfeuchtigkeit, Luftdruck und Lichtintensität in Echtzeit überwachen und aufzeichnen müssen.Mit einem 4- bis 2-Kanal-Multiplexer können Forscher zwei dieser Parameter gleichzeitig für die zentralisierte Überwachung, die Optimierung der Datenerfassung und die Erhöhung der Analyseeffizienz auswählen.Diese selektive Verarbeitung bedeutet, dass das System Ressourcen zuordnen kann, um Daten basierend auf bestimmten Bedingungen oder Momenten zu priorisieren und das Datenmanagement und die Nutzung zu verbessern.

4×2 Multiplexer
Abbildung 6: 4 × 2 Multiplexer

Ein hochmodernes Labor ist mit vier Sensoren ausgestattet, wodurch unterschiedliche Umweltfaktoren verfolgt werden.Ihre Aufgabe ist es, diese Daten in Echtzeit zu analysieren, Ihr Gerät kann jedoch nur zwei Eingaben gleichzeitig verarbeiten.Hier fungiert ein 4- bis 2-Kanal-Multiplexer als Ihr technischer Assistent, der die Flexibilität bietet, Daten aus zwei beliebigen Sensoren auszuwählen, wodurch die Aufmerksamkeit und die Reaktion auf Änderungen der experimentellen Bedingungen verbessert werden.

Der Aufbau eines solchen Multiplexers beinhaltet eine komplexe Einrichtung seiner Kernkomponenten-die logischen Gates, die ihren Entscheidungsprozess definieren.Sie können sich vorstellen, dass das Einrichten dieser Tore wie das Bauen eines elektronischen Miniatur -Labyrinths ist, bei dem jedes Tor den Pfad des Signals beeinflusst.Das Einrichten der Auswahlsignale ähnelt dem Platzieren von Richtungsschildern am Eingang eines Labyrinths, um den Datenfluss zu leiten.Diese intelligente Anordnung stellt sicher, dass selbst bei mehreren konkurrierenden Signalen nur eine ausgewählte zwei erfolgreich zur Ausgabe navigiert werden.

Die Technologie hat Anwendungen weit über das Labor hinaus.Betrachten Sie eine drahtlose Kommunikationsbasisstation, die Signale von Tausenden von mobilen Geräten verwaltet.Der 4 bis 2-Kanal-Multiplexer wirkt hier wie ein erfahrener Verkehrscontroller und identifiziert und priorisiert schnell die dringendsten oder kritischsten Signale.Diese Funktion verbessert nicht nur die Kommunikationseffizienz, sondern verbessert auch die Netzwerkstabilität unter starker Belastung.

Der 4 bis 2-Kanal-Multiplexer überträgt seine Rolle als bloße elektronische Komponente;Es ist wichtig, das Potenzial der modernen Technologie zu nutzen.Das innovative Design und die innovativen Merkmale vereinfachen den Prozess der Verwaltung mehrerer Signalquellen und gewährleisten Effizienz und Genauigkeit.Während sich die Technologie entwickelt, erwarten wir mehr bahnbrechende Verwendungen für Multiplexer, wodurch ihre wichtigen Fähigkeiten und ihr Potenzial in einer Vielzahl von High-Tech-Anwendungen hervorgehoben werden.

Zusammenfassung


Nach der Erforschung der Feinheiten der Multiplexer -Technologie ist klar, dass diese Geräte für moderne Elektronik- und Kommunikationssysteme grundlegend sind.Multiplexer, von der grundlegenden 4-Kanal-Verwendung von Logikgatern bis hin zu den spezialisierteren 4 bis 2-Kanal-Typen, verbessern sowohl die Signalübertragungseffizienz als auch die Datenverarbeitungsfunktionen signifikant.

Durch sorgfältiges Design und logische Konfiguration bieten Multiplexer robuste Lösungen für komplexe Datenbearbeitung.Sie optimieren den Prozess der Datenauswahl und -ausgabe und ermöglichen eine effektivere Verwaltung von Informationsströmen.Durch die Optimierung der Verarbeitung von Signalen tragen diese Geräte dazu bei, die Verwendung physischer Ressourcen zu maximieren und sicherzustellen, dass die Datenübertragung sowohl effizient als auch stabil ist.

Wenn wir uns vorwärts bewegen, wird erwartet, dass die Rolle von Multiplexern noch kritischer wird.Innovationen in der Technologie werden diese Geräte wahrscheinlich dazu bringen, schnellere Geschwindigkeiten und größere Kapazitäten in Kommunikationssystemen zu unterstützen.Die kontinuierliche Entwicklung der Multiplexer -Technologie verspricht, Fortschritte bei der Schaffung intelligenterer, effizienterer elektronischer und Kommunikationssysteme voranzutreiben und die Anforderungen künftiger technologischer Landschaften zu erfüllen.






Häufig gestellte Fragen [FAQ]


1. Was ist ein Multiplexer?


Bei der digitalen Signalverarbeitung ist ein Multiplexer, der häufig zu Mux oder sogar Mulder verkürzt wird, ein Gerät, das mehrere digitale Datenströme mit einer höheren Datenrate in einen einzelnen Stream verschmilzt.Diese Integration ermöglicht die Übertragung mehrerer Datenströme über eine einzige physische Verbindung, wodurch die Kosten effektiv reduziert werden, indem die Notwendigkeit mehrerer separater Kanäle minimiert wird.

2. Was bedeutet Multiplexing in der Elektronik?


Multiplexing ist eine Technik, die in elektronischen Netzwerken verwendet wird, um mehrere digitale oder analoge Signale in ein zusammengesetztes Signal zu kombinieren.Dieses kombinierte Signal wird dann über ein gemeinsames Medium wie ein Glasfaserkabel oder über Funkwellen übertragen.Diese Methode ist besonders nützlich, um die Verwendung von Infrastruktur zu optimieren und die Gesamtkomplexität und die Kosten von Kommunikationssystemen zu verringern.

3. Ist ein Multiplexer -Analog oder digital?


Ein Multiplexer, der als Mux abgekürzt wurde, ist eine vielseitige integrierte Schaltung, die sowohl analoge als auch digitale Eingangssignale umgehen kann.Es wählt eines von mehreren Eingangssignalen aus und leitet die ausgewählte Eingabe in eine einzelne Ausgangsleitung.Diese Flexibilität macht Multiplexer zu einer wesentlichen Komponente in verschiedenen elektronischen Systemen, die eine breite Palette von Anwendungen berücksichtigen.

4. Was sind die Techniken des Multiplexing?


Multiplexing -Techniken bei Telekommunikations- und Computernetzwerk beinhalten die Kombination mehrerer analoge oder digitale Signale in einem Signal über ein gemeinsames Medium.Das Hauptziel der Multiplexierung ist es, eine knappe Ressource effizient zu verwenden, z. B. ein physikalisches Übertragungsmedium, wodurch die gleichzeitige Übertragung mehrerer Datenströme ermöglicht wird.

5. Wie viele Drähte verwendet Multiplexing?


Multiplexing vereinfacht die Verkabelungsanforderungen moderner elektrischer Systeme erheblich.In der Regel sind nur drei Drähte erforderlich: ein Buskommunikationsdraht, ein Stromkabel und ein optionaler Erdungsdraht.Beispielsweise kann in Automobilanwendungen ein Körperkontrollcomputer diese drei Drähte verwenden, um ein Türmodul zu verbinden und zu steuern, was die Effizienz des Multiplexing bei der Verringerung der Verkabelungskomplexität und der Aufrechterhaltung der Funktionalität demonstriert.

Verwandter Artikel

  • Umfassende Anleitung für nicht invertierende OP-Verstärker
    Apr 27 2024
    Umfassende Anleitung für nicht invertierende OP-Verstärker Im Bereich der elektronischen Technologie werden nicht invertierende operative Verstärker für die Signalverarbeitung verwendet, um sicherzustellen, ...
  • Der D-Typ-Flip-Flop
    Apr 25 2024
    Der D-Typ-Flip-Flop Wenn wir uns mit digitalen Schaltkreisen befassen, ist der Flip-Flop vom Typ D eine wichtige Komponente.Es ist nicht nur grundlegend;Ein D-Typ-Flip-Fl...

Online -RFQ -Einreichungen: Schnelle Antworten, bessere Preise!

RFQ