Deutsch
Zeit: 2026/03/4
Durchsuchen: 85

Die UMW 78L05 ist ein fester 5V-Linearspannungsregler aus der 78LXX-Serie.Es ist darauf ausgelegt, eine höhere Eingangsspannung in einen stabilen 5-Volt-Ausgang umzuwandeln, wodurch es sich für kleine elektronische Schaltkreise eignet, die eine zuverlässige Stromversorgung benötigen.Das Gerät trägt zum Schutz empfindlicher Komponenten bei, indem es die Ausgangsspannung auch dann konstant hält, wenn sich die Eingangsspannung ändert.
Im Vergleich zum Standardregler 7805 ist der 78L05 für Anwendungen mit geringem Stromverbrauch gedacht.Er unterstützt typischerweise einen Ausgangsstrom von bis zu 100 mA, was ihn ideal für kompakte Geräte und energieeffiziente Schaltkreise macht.Das Gerät verfügt außerdem über eine integrierte thermische Abschaltung und einen Kurzschlussschutz, was zur Verbesserung der Schaltkreissicherheit und -zuverlässigkeit beiträgt.Der Bestellcode UMW 78L05 von UMW ist in einem SOT-89-Gehäuse erhältlich, wodurch er problemlos in PCB-Designs mit begrenztem Platz passt.
Wenn Sie Interesse am Kauf des UMW 78L05 haben, kontaktieren Sie uns bitte bezüglich Preis und Verfügbarkeit.


|
Pin
Nummer |
Pin
Name |
Beschreibung |
|
1 |
VOUT |
Geregelte 5V
Ausgangspin.Dieser Pin liefert die stabile Spannung zur Stromversorgung der Last oder
Schaltung. |
|
2 |
GND |
Erdungsstift verbunden mit
die gemeinsame Masse des Stromkreises.Es dient als Referenzpunkt für die Eingabe
und Ausgangsspannungen. |
|
3 |
Fahrgestellnummer |
Eingangsspannung
Stift
wo die ungeregelte Spannung anliegt.Der Eingang muss höher als 5V sein
für eine ordnungsgemäße Regulierung. |
|
Tab |
GND |
Die Metalllasche dran
Das SOT-89-Gehäuse ist intern mit Masse verbunden und hilft dabei
Wärmeableitung. |
• LM78L05
• L78L05
• KA78L05
• MC78L05
• UA78L05
• 78M05
• 7805
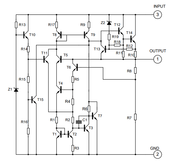
Das Funktionsblockdiagramm des 78L05 zeigt den internen Schaltkreis zur Regelung und Stabilisierung der Ausgangsspannung.Die Eingangsspannung (Pin 3) gelangt in den Regler und durchläuft mehrere Transistorstufen und Steuerkreise.Diese internen Komponenten überwachen die Spannung und passen den Stromfluss an, sodass der Ausgang (Pin 1) nahe bei 5 V bleibt, selbst wenn sich die Eingangsspannung oder die Lastbedingungen ändern.Die Masse (Pin 2) dient als Bezugspunkt für den gesamten Regelungsprozess.

Innerhalb der Schaltung sorgt die Zenerdiode (Z1) für eine stabile Referenzspannung, die dem Regler hilft, den richtigen Ausgangspegel zu bestimmen.Mehrere Transistoren (T1–T15) fungieren als Verstärker und Steuerelemente, die die Ausgangsspannung mit der Referenzspannung vergleichen.Wenn der Ausgang zu hoch oder zu niedrig wird, passen diese Transistoren automatisch die Leitung der Haupttransistorstufe an.
Die Widerstände und Kondensatoren (z. B. R1–R19 und C1) helfen dabei, den Strom zu steuern, die Rückkopplungsschleife zu stabilisieren und Rauschen oder Schwingungen zu reduzieren.Die letzte Transistorstufe in der Nähe des Ausgangs fungiert als Reihendurchgangselement und steuert, wie viel Spannung an die Last geliefert wird.Dieses Rückkopplungssystem ermöglicht es dem 78L05, einen stabilen 5-V-Ausgang aufrechtzuerhalten und den Schaltkreis vor Schwankungen der Eingangsspannung oder der Lastbedingungen zu schützen.
|
Parameter |
Symbol |
Wert |
Einheit |
|
Ausgangsspannung |
Vo |
5 |
V |
|
Ausgangsspannung
Reichweite |
Vo
|
4,8 – 5,2 (typisch)
/ bis 5,25 |
V |
|
Maximaler Input
Spannung |
VI |
30 |
V |
|
Ausgangsstrom |
Io |
100 |
mA |
|
Ausfallspannung |
Vd |
1,7 (typisch bei 40
mA) |
V |
|
Ruhend
Aktuell |
Iq |
Bis 5,5 |
mA |
|
Linienregulierung |
ΔVo |
6 – 150 |
mV |
|
Lastregulierung |
ΔVo |
11 – 60 |
mV |
|
Ripple-Ablehnung |
RR |
Bis zu 49 (120
Hz) |
dB |
|
Ausgangsrauschen
Spannung |
VN |
40 |
µV |
|
Macht
Verlustleistung (SOT-89) |
Pd |
400 |
mW |
|
Betrieb
Sperrschichttemperatur |
Topr |
−20 bis +120 |
°C |
|
Lagerung
Temperatur |
Tstg |
−55 bis +150 |
°C |
|
Paket |
— |
SOT-89 |
— |
Der 78L05 bietet einen stabilen, geregelten 5-V-Ausgang und eignet sich daher ideal für die Stromversorgung von Mikrocontrollern, Sensoren und anderen digitalen Schaltkreisen.Es hält die Ausgangsspannung konstant, auch wenn sich die Eingangsspannung oder der Laststrom ändern, und gewährleistet so den zuverlässigen Betrieb empfindlicher elektronischer Komponenten.
Dieser Regler ist für Anwendungen mit geringem Stromverbrauch konzipiert und kann einen Ausgangsstrom von bis zu 100 mA liefern.Aufgrund seiner geringen Strombelastbarkeit wird es häufig in kompakten elektronischen Geräten und leichten eingebetteten Systemen verwendet, die keine hohe Leistung benötigen.
Der 78L05 kann eine Eingangsspannung von bis zu 30 V aufnehmen und ermöglicht so die Regelung einer Vielzahl von Stromquellen.Solange die Eingangsspannung über dem Dropout-Pegel bleibt, kann das Gerät einen konstanten 5-V-Ausgang aufrechterhalten.
Das Gerät verfügt über einen thermischen Abschaltschutz, der den Regler automatisch abschaltet, wenn die Innentemperatur zu hoch wird.Diese Funktion verhindert Schäden durch Überhitzung und verbessert die Zuverlässigkeit der Schaltung.
Der 78L05 verfügt über einen internen Kurzschlussschutz, um sowohl den Regler als auch den angeschlossenen Stromkreis zu schützen.Wenn der Ausgang versehentlich mit Masse kurzgeschlossen wird, begrenzt das Gerät den Strom, um dauerhafte Schäden zu verhindern.
Der Regler ist in einem kleinen SOT-89-Gehäuse für die Oberflächenmontage erhältlich, was Platz auf der Leiterplatte spart und eine effiziente Wärmeableitung unterstützt.Durch dieses kompakte Design eignet es sich für moderne Elektronikgeräte, bei denen der Platz auf der Platine begrenzt ist.
Für den Einsatz des 78L05 sind nur sehr wenige externe Komponenten erforderlich, oft nur kleine Eingangs- und Ausgangskondensatoren.Diese Einfachheit erleichtert die Integration in Stromversorgungsschaltkreise und verringert die Gesamtkomplexität des Designs.
Das Diagramm zeigt eine Grundschaltung für den Spannungsregler 78L05.Der Regler verfügt über drei Pins: Eingang (Pin 3), Masse (Pin 2) und Ausgang (Pin 1).Die Eingangsspannung (Vi) wird an Pin 3 angelegt, während Pin 2 mit der Schaltungsmasse verbunden ist.Der Regler verarbeitet die Eingangsspannung und erzeugt einen stabilen 5-V-Ausgang (Vo) an Pin 1.

Ein 0,33µF-Kondensator (C1) ist zwischen dem Eingangspin und Masse angeschlossen.Dieser Kondensator hilft, Rauschen zu filtern und die Eingangsversorgung zu stabilisieren, wodurch verhindert wird, dass plötzliche Spannungsschwankungen den Regler beeinträchtigen.Es verbessert die Zuverlässigkeit der Schaltung, insbesondere wenn die Eingangsstromquelle verrauscht oder instabil ist.
Auf der Ausgangsseite ist ein 0,1µF-Kondensator (C0) zwischen Ausgangspin und Masse geschaltet.Dieser Kondensator trägt zur Glättung der Ausgangsspannung bei und reduziert Welligkeit oder kleine Schwankungen.Es verbessert außerdem die Stabilität des Reglers und stellt sicher, dass die angeschlossene Last eine saubere 5-V-Versorgung erhält.
Im Betrieb nimmt der 78L05 eine höhere Eingangsspannung auf und regelt diese auf einen konstanten 5-V-Ausgang herunter.Der interne Steuerkreis passt den Stromfluss automatisch an, sodass die Ausgangsspannung auch bei Änderungen der Eingangsspannung oder des Laststroms stabil bleibt.
• Mikrocontroller-Netzteile
• Sensormodule
• Eingebettete Systeme
• Kommunikationsgeräte
• Unterhaltungselektronik
• Batteriebetriebene Schaltkreise
• Signalverarbeitungsschaltungen
• Kleine Netzteilregler
• Arduino und Entwicklungsboards
• Tragbare elektronische Geräte
|
Parameter |
78L05 |
7805 |
AMS1117-5.0 |
LM317 |
|
Reglertyp |
Linear |
Linear |
LDO Linear |
Einstellbar
Linear |
|
Ausgangsspannung |
Feste 5V |
Feste 5V |
Feste 5V |
Einstellbar
(1,25 V–37 V) |
|
Maximale Leistung
Aktuell |
100mA |
1 A
|
800 mA – 1 A |
1,5 A |
|
Maximaler Input
Spannung |
30 V |
35 V |
15 V |
40 V |
|
Ausfallspannung |
~1,7 V |
~2 V |
~1,1 V |
~2–3 V |
|
Pakettypen |
TO-92, SOT-89,
SOT-23 |
TO-220, TO-3,
D2PAK |
SOT-223, TO-252 |
TO-220, TO-263 |
|
Schaltung
Komplexität |
Ganz einfach |
Einfach |
Einfach |
Erfordert
Widerstände |
|
Effizienz |
Mäßig |
Mäßig |
Besser (LDO) |
Mäßig |
|
Typisch
Anwendungen |
Klein
Elektronik, Sensoren |
Netzteile,
Logikschaltungen |
Eingebettete Platinen,
MCU-Versorgung |
Einstellbare Leistung
Versorgungsentwürfe |
|
Hauptvorteil |
Kleine Größe, niedrig
Macht |
Höherer Strom
Kapazität |
Geringer Dropout
Spannung |
Einstellbar
Ausgangsspannung |

Der 78L05 von UMW (Youtai Semiconductor Co., Ltd.) wird mithilfe von Standardprozessen für die Halbleiterfertigung und die Herstellung integrierter Schaltkreise hergestellt.UMW entwickelt und fertigt die 78LXX-Serie monolithischer linearer Spannungsregler, die mehrere Transistoren, Widerstände und Referenzkomponenten auf einem einzigen Siliziumchip integrieren, um ein stabiles Energieverwaltungsgerät zu schaffen.Das Unternehmen unterstützt die Großserienproduktion mit automatisierten Verpackungsmethoden wie SOT-89, SOT-23, TO-92 und SOP-8, wodurch der Regler sowohl in Oberflächenmontage- als auch in Durchsteckmontageanwendungen eingesetzt werden kann.
Die Eingangsspannung sollte mindestens etwa 7 V betragen, um einen stabilen 5 V-Ausgang aufrechtzuerhalten.Dies liegt daran, dass der Regler aufgrund seiner Abfallspannung eine zusätzliche Spannung oberhalb des Ausgangspegels benötigt, um ordnungsgemäß zu funktionieren.
Ja, der 78L05 kann viele Mikrocontroller wie kleine Arduino- oder Logik-IC-Schaltkreise mit Strom versorgen, solange der Gesamtstromverbrauch unter 100 mA bleibt.
Auch wenn ohne sie auskommen kann, wird die Verwendung von Eingangs- und Ausgangskondensatoren empfohlen, um die Stabilität zu verbessern, Rauschen zu reduzieren und Spannungsschwankungen zu verhindern.
Der Hauptunterschied besteht in der Ausgangsstromkapazität.Der 78L05 unterstützt etwa 100 mA, während der 7805 bis zu 1 A liefern kann, wodurch er für Schaltkreise mit höherer Leistung geeignet ist.
Der Regler leitet überschüssige Spannung als Wärme ab.Wenn die Eingangsspannung deutlich höher als 5 V ist oder der Laststrom ansteigt, kann es zu einer Erwärmung des Geräts kommen.
Ja, Versionen wie SOT-89- oder SOT-23-Gehäuse sind für die Oberflächenmontage konzipiert und eignen sich daher für kompakte PCB-Layouts.
Das Gerät verfügt über eine thermische Abschaltung und einen Kurzschlussschutz, die helfen, Schäden zu verhindern, wenn der Regler überhitzt oder der Ausgang versehentlich kurzgeschlossen wird.
Wenn Ihre Eingangsspannung viel höher als 5 V ist, funktioniert der 78L05 gut.Wenn die Eingangsspannung jedoch nur geringfügig über 5 V liegt, ist ein LDO-Regler möglicherweise die bessere Wahl, da er eine geringere Spannungsdifferenz erfordert.
CAP CER 1000PF 50V X7R 0603
CAP CER 2700PF 16V X7R 0603
CAP CER 12PF 25V C0G 0201
CAP TANT 47UF 20% 25V 2917
IC EEPROM 1KBIT I2C 400KHZ 8SOIC
IC DRAM 2GBIT PARALLEL 96FBGA
IC MCU 8BIT 64KB FLASH 44PLCC
IC HUB CONTROLLER USB 100WQFN
RES NTWRK 18 RES 47 OHM 36LBGA
K9K8G08U0B-PCB0 SAMSUNG
MC74LS27DR2 MOT
ROHM BGA
FPGA, 784 CLBS, 13000 GATES



