Deutsch
Zeit: 2025/10/22
Durchsuchen: 880
Der SN74LS00N
![]()
SN74LS00N
Texas Instruments
IC GATE NAND 4CH 2-INP 14DIP
In Stock: 13200 pcs
ist ein bekanntes Mitglied der Logikfamilie der 7400-Serie und bietet durch seine vier unabhängigen NAND-Gatter mit zwei Eingängen zuverlässige und effiziente digitale Logikfunktionen.Als einer der Bausteine der digitalen Elektronik wird dieser IC in Anwendungen eingesetzt, die von einfacher Schaltlogik bis hin zu komplexen Steuerungssystemen reichen.In diesem Artikel werden die wichtigsten Funktionen, Spezifikationen, Anwendungen und mehr des SN74LS00N erläutert.

Der SN74LS00N
![]()
SN74LS00N
Texas Instruments
IC GATE NAND 4CH 2-INP 14DIP
In Stock: 13200 pcs
ist ein Hochleistungs-Logik-IC, der über vier unabhängige NAND-Gatter mit zwei Eingängen in einem einzigen Gehäuse verfügt.Jedes Gatter führt die boolesche Operation Y = ¬(A × B) aus und stellt die logische NAND-Funktion in positiver Logik bereit.Dadurch eignet sich der SN74LS00N ideal für digitale Systeme, die eine grundlegende Logiksteuerung erfordern, wie z. B. Zeitschaltkreise, Impulserzeugung und Signalverarbeitungsanwendungen.
Der SN74LS00N basiert auf der Schottky-Transistortechnologie mit geringem Stromverbrauch und gewährleistet schnelle Schaltgeschwindigkeiten bei minimalem Stromverbrauch.Es arbeitet zuverlässig über einen weiten Spannungsbereich und ist mit den meisten TTL-Logikfamilien kompatibel, sodass es sowohl für Bildungsprojekte als auch für Industriedesigns geeignet ist.Sein standardmäßiges 14-Pin-Dual-In-Line-Gehäuse (DIP) ermöglicht außerdem eine einfache Installation auf Steckbrettern und Leiterplatten für schnelles Prototyping.
Wenn Sie Interesse am Kauf des SN74LS00N haben, kontaktieren Sie uns bitte bezüglich Preis und Verfügbarkeit.
|
Alternative
Teil |
Logik
Familie |
Liefern
Stromspannung |
Kompatibilität
|
74HC00
![]() |
74HC (Hochgeschwindigkeit
CMOS) |
2 V–6 V Bereich,
typischer 5-V-Betrieb |
Pin-kompatibel
mit LS00, aber unterschiedlicher Ein-/Ausgabe-Ansteuerung und Logikschwellen. |
74HCT00
![]() ![]() |
74HCT
(Hochgeschwindigkeits-CMOS, TTL-kompatible Eingänge) |
4,5 V–5,5 V
Betrieb |
Ideal
Alternative, wenn Kompatibilität auf TTL-Ebene erforderlich ist.Drop-in-Ersatz
die meisten Strecken. |
HD74LS00P
![]() |
LS-Familie von
Hitachi oder andere Hersteller |
Gleiche Spezifikationen wie
SN74LS00N
|
Direkt
Äquivalent von anderen Marken;identische Funktionalität und Pinbelegung. |
CD4011
![]() |
CMOS
(4000-Serie) Quad-NAND mit 2 Eingängen |
3 V–18 V
Betrieb |
Ähnliche Funktion
aber andere Pinbelegung;Vor dem Austausch überprüfen. |

|
Eingaben |
Eingaben |
Ausgabe |
|
A |
B |
Y |
|
H |
H |
L |
|
L |
X |
H |
|
X |
L |
H |
Das Logikdiagramm des SN74LS00N
![]()
SN74LS00N
Texas Instruments
IC GATE NAND 4CH 2-INP 14DIP
In Stock: 13200 pcs
stellt ein NAND-Gatter mit zwei Eingängen dar, eines der vier im IC enthaltenen Gatter.Jedes Gatter hat zwei Eingangsanschlüsse, A und B, und einen Ausgangsanschluss, Y. Der kleine Kreis am Ausgang symbolisiert die Invertierung, was bedeutet, dass der Ausgang das logische NICHT der UND-Verknüpfung der Eingänge ist.In boolescher Form wird es ausgedrückt als Y = ¬(A · B) oder Y = A̅ + B̅.
Die Funktionstabelle verdeutlicht, wie sich das Tor verhält: Wenn beide Eingänge A und B HIGH (logisch „1“) sind, ist der Ausgang Y LOW (logisch „0“).Bei allen anderen Eingangskombinationen bleibt der Ausgang HIGH.Dieses inverse Verhalten macht das NAND-Gatter zu einer Schlüsselkomponente in digitalen Logikschaltungen, die bei entsprechender Kombination jede andere Logikfunktion bilden kann.

|
Stift
NEIN. |
Stift
Name |
Beschreibung |
|
1 |
1A |
Eingang A für NAND
Tor 1 |
|
2 |
1B |
Eingang B für NAND
Tor 1 |
|
3 |
1J |
Ausgabe von NAND
Tor 1 |
|
4 |
2A |
Eingang A für NAND
Tor 2 |
|
5 |
2B |
Eingang B für NAND
Tor 2 |
|
6 |
2J |
Ausgabe von NAND
Tor 2 |
|
7 |
GND |
Masse (0V
Referenz) |
|
8 |
3J |
Ausgabe von NAND
Tor 3 |
|
9 |
3B |
Eingang B für NAND
Tor 3 |
|
10 |
3A |
Eingang A für NAND
Tor 3 |
|
11 |
4J |
Ausgabe von NAND
Tor 4 |
|
12 |
4B |
Eingang B für NAND
Tor 4 |
|
13 |
4A |
Eingang A für NAND
Tor 4 |
|
14 |
VCC |
Positives Angebot
Spannung (typischerweise +5V) |


Das typische Anwendungsdiagramm SN74LS00N
![]()
SN74LS00N
Texas Instruments
IC GATE NAND 4CH 2-INP 14DIP
In Stock: 13200 pcs
veranschaulicht, wie NAND-Gatter verwendet werden können, um Fehlersignale von zwei Sensoren in einem einzigen Fehlerflag-Ausgang zu kombinieren.Jeder Sensor (Sensor1 und Sensor2) erzeugt sein eigenes Fehlersignal – mit der Bezeichnung „Error1“ und „Error2“ – das dann in ein NAND-Gatter eingespeist wird.Das NAND-Gatter verarbeitet diese Eingänge und erzeugt am Ausgang ein Error-Flag-Signal.
Im Betrieb bleibt das Fehlerflag nur dann niedrig, wenn beide Sensoren gleichzeitig einen Fehler erkennen.Wenn einer oder beide Sensoren ordnungsgemäß funktionieren, sorgt das NAND-Gatter dafür, dass die Fehlerflagge hoch bleibt und den normalen Systembetrieb anzeigt.Diese Konfiguration bietet eine einfache und dennoch zuverlässige Möglichkeit, mehrere Sensoren zu überwachen und gleichzeitige Fehlerzustände in einem digitalen Steuerungssystem zu identifizieren.
|
Parameter |
Bewertung |
Einheit |
|
Versorgungsspannung,
V₍CC₎ |
– |
7,0 |
|
Eingangsspannung |
– |
7,0 |
|
Kreuzung
Temperatur, T₍J₎ |
– |
150 |
|
Lagerung
Temperatur, T₍stg₎ |
–65 |
150 |
|
Parameter |
Beschreibung |
MIN |
TYP |
MAX |
EINHEIT |
|
VCC |
Versorgungsspannung |
4,75 |
5 |
5.25 |
V |
|
VICH H |
Input auf hohem Niveau
Stromspannung |
2 |
— |
— |
V |
|
VIL |
Low-Level-Eingang
Stromspannung |
— |
— |
0,8 |
V |
|
ICHOH |
Hohes Niveau
Ausgangsstrom |
— |
— |
–0,4 |
mA |
|
ICHOL |
Low-Level-Ausgang
aktuell |
— |
— |
8 |
mA |
|
Parameter |
Prüfen
Bedingungen |
Min |
Typ |
Max |
Einheit |
|
VICH K |
VCC = MIN, II =
–18 mA |
- | - |
–1,5 |
V |
|
VOH |
VCC = MIN, VIL =
MAX, IOH = –0,4 mA |
2.5 |
3.4 |
- |
V |
|
VOL |
VCC = MIN, VIH =
2 V, IOL = 8 mA (SN74LS00N
|
- |
0,35 |
0,5 |
V |
|
ICHICH H |
VCC = MAX, VI =
2,7 V |
- |
20 |
- |
µA |
|
ICHIL |
VCC = MAX, VI =
0,4 V |
- |
–0,4 |
–0,8 |
mA |
|
ICHBetriebssystem |
VCC = MAX |
–20 |
- |
–100 |
mA |
|
ICHCCH |
VCC = MAX, VI =
0 V |
0,8 |
1.6 |
- |
mA |
|
ICHCCL |
VCC = MAX, VI =
4,5 V |
2.4 |
4.4 |
- |
mA |
• Quad-NAND-Gatter mit 2 Eingängen - Enthält vier unabhängige NAND-Gatter mit 2 Eingängen in einem einzigen 14-Pin-Kunststoff-Dual-In-Line-Gehäuse (PDIP), ideal für Steckbrett- und Durchsteckmontage-PCB-Anwendungen.
• Kompatibel mit TTL-Logik - Entwickelt für Standard-TTL-Spannungspegel mit Eingangsschwellenwerten von V_IH = 2,0 V (HIGH) und V_IL = 0,8 V (LOW), was eine nahtlose Integration mit anderen TTL-basierten Komponenten ermöglicht.
• Typische Betriebsspannung: 5 V - Funktioniert zuverlässig mit einer nominalen 5-V-DC-Versorgung und behält gleichzeitig die Kompatibilität mit 3,3-V-Logikeingängen in Mischspannungssystemen bei.
• Schnelle Schaltgeschwindigkeit - Bietet eine typische Ausbreitungsverzögerung von 10 ns und eignet sich für digitale Hochgeschwindigkeits-Logikschaltungen.
• Geringer Stromverbrauch - Verfügt über einen niedrigen Standby-Strom und eine reduzierte Verlustleistung, wodurch die Gesamteffizienz der Schaltung verbessert wird.
• Hohe Störfestigkeit - Bietet eine stabile Logikleistung und eine verringerte Anfälligkeit für elektrisches Rauschen in komplexen digitalen Umgebungen.
• Starke Ausgangsantriebsfähigkeit - Jeder Ausgang kann bis zu 10 Standard-TTL-Eingänge ansteuern und ermöglicht so mehrere Gate-Verbindungen, ohne dass ein Puffer erforderlich ist.
• Standardmäßiges 14-Pin-PDIP-Gehäuse - Das langlebige Kunststoff-Dual-In-Line-Gehäuse gewährleistet eine einfache Handhabung, Lötung und Prototyping für Bildungs-, Industrie- oder eingebettete Schaltungsdesigns.
• Großer Betriebstemperaturbereich - Für den zuverlässigen Betrieb zwischen 0 °C und 70 °C ausgelegt, wodurch es für die meisten allgemeinen und industriellen Anwendungen geeignet ist.
• Stabile elektrische Eigenschaften - Behält eine konstante Leistung unter unterschiedlichen Versorgungsspannungen und Temperaturbedingungen bei.
• Digitale Logikschaltungen – Wird häufig in grundlegenden digitalen Logiksystemen zur Durchführung von NAND-Gate-Operationen und zur Implementierung benutzerdefinierter Logikfunktionen verwendet.
• Timing und Impulserzeugung – Wird in Takt- und Timing-Schaltkreisen verwendet, um Impulssignale, Verzögerungen und Synchronisation für sequentielle Logiksysteme zu erzeugen.
• Signalinvertierung und -steuerung - Fungiert als Wechselrichter oder Logikcontroller in Schaltanwendungen, bei denen eine logische Umkehrung oder ein bedingter Signalfluss erforderlich ist.
• Arithmetische und logische Einheiten (ALUs) – Dient als Kernelement in ALU-Designs zur Durchführung logikbasierter Operationen wie Addition, Subtraktion und Vergleich.
• Mikrocontroller- und Prozessorschnittstellen - Bietet eine logische Schnittstelle zwischen Mikrocontrollern oder CPUs und Peripheriegeräten in eingebetteten Systemen.
• Datenspeicherung und Pufferung - Wird zur Steuerung des Datenflusses und zur Aufrechterhaltung der Signalstabilität zwischen verschiedenen digitalen Subsystemen verwendet.
• Oszillator- und Frequenzteilerschaltungen - Unterstützt Wellenformung, Frequenzteilung und Timing-Synchronisation in Oszillator- und Zählerschaltungen.
• Relais- und LED-Treiberschaltungen - Fungiert als einfacher Treiber zur Steuerung von Relais, LEDs oder anderen Lasten mit geringem Stromverbrauch über logische Steuersignale.
• Industrielle Steuerungssysteme - Wird in Automatisierungs-, Sensorlogik- und Maschinensteuerungseinheiten für eine zuverlässige logische Entscheidungsfindung eingesetzt.
• Bildungs- und Prototyping-Projekte - Ideal zum Erlernen digitaler Elektronikkonzepte und zum Aufbau experimenteller Schaltungen mit Standard-Logikgattern.

SN74LS00N
![]()
SN74LS00N
Texas Instruments
IC GATE NAND 4CH 2-INP 14DIP
In Stock: 13200 pcs
Symbol SN74LS00N Grundfläche SN74LS00N 3D-Modell

Das SN74LS00N
![]()
SN74LS00N
Texas Instruments
IC GATE NAND 4CH 2-INP 14DIP
In Stock: 13200 pcs
-Layoutbeispiel zeigt, wie ein NAND-Gatter in einem typischen Schaltungsaufbau angeschlossen werden kann.In diesem Layout ist ein Widerstand mit der Bezeichnung Rs zwischen der Stromversorgung (Vcc) und einem der Eingangsanschlüsse des NAND-Gatters angeschlossen.Dieser Widerstand begrenzt den in das Gate fließenden Strom, sorgt für einen stabilen Logikbetrieb und schützt den IC vor übermäßigem Strom.Der zweite Eingang des NAND-Gatters empfängt das Eingangssignal direkt und kann so mit dem über Rs eingestellten Spannungspegel interagieren.
Der Ausgangspin des NAND-Gatters liefert das resultierende Logiksignal, das von der Kombination der beiden Eingänge abhängt.Diese Konfiguration veranschaulicht, wie externe Komponenten wie Widerstände verwendet werden, um Strom- und Spannungspegel in digitalen Schaltkreisen mithilfe des SN74LS00N zu steuern und so eine zuverlässige Leistung in Logikverarbeitungsanwendungen sicherzustellen

Der SN74LS00N
![]()
SN74LS00N
Texas Instruments
IC GATE NAND 4CH 2-INP 14DIP
In Stock: 13200 pcs
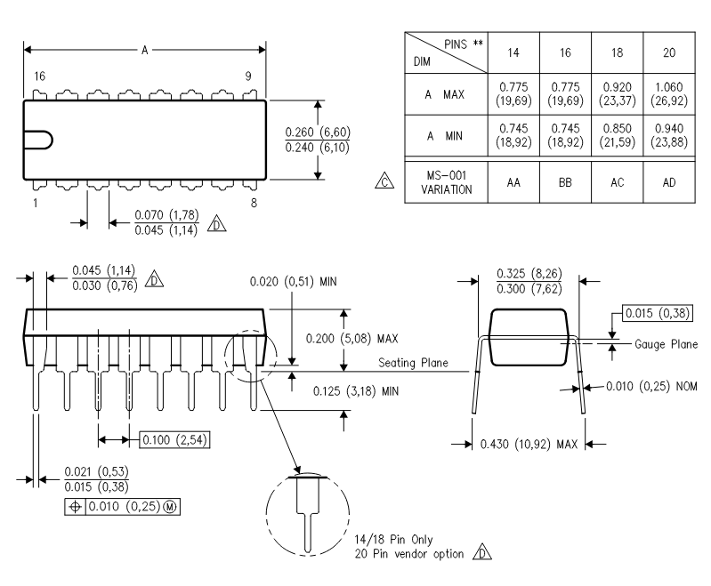
wird in einem geliefert Kunststoff-Dual-In-Line-Gehäuse (PDIP-14), konzipiert für die Durchsteckmontage.Dieses Gehäuse verfügt über zwei parallele Reihen von Stiften mit einem Abstand von 2,54 mm, wodurch es mit Standard-Steckbrettern und Leiterplatten kompatibel ist.Die Gehäuselänge reicht von 18,92 mm bis 19,69 mm, während die Breite 6,10 mm bis 6,60 mm beträgt und ein kompaktes und dennoch robustes Gehäuse für vier NAND-Gatter im Inneren bietet.
Jeder Stift ist 0,38 mm bis 0,53 mm dick und ragt 3,18 mm bis 5,08 mm über die Sitzebene hinaus und gewährleistet so einen zuverlässigen mechanischen und elektrischen Kontakt beim Löten.Der Reihenabstand zwischen den beiden Stiftlinien beträgt 7,62 mm bis 8,26 mm und bietet so ausreichend Spielraum für den stabilen Einbau in Durchsteckplatinen.Die Gesamthöhe beträgt nicht mehr als 10,92 mm, was dazu beiträgt, bei kompakten Designs ein niedriges Profil beizubehalten.

Der SN74LS00N
![]()
SN74LS00N
Texas Instruments
IC GATE NAND 4CH 2-INP 14DIP
In Stock: 13200 pcs
in dieser Schaltung wird verwendet, um die grundlegende Funktionsweise eines NAND-Logikgatters zu demonstrieren.Es empfängt zwei Eingangssignale vom Taster und den Festanschlüssen und verarbeitet sie über eines seiner internen NAND-Gatter.Wenn beide Eingänge hoch sind, wird der Ausgang niedrig, wodurch die LED erlischt.Bei allen anderen Eingangskombinationen bleibt der Ausgang hoch und die LED leuchtet.Dieser Aufbau hilft zu visualisieren, wie digitale Logik auf sich ändernde Eingaben reagiert, und eignet sich daher zum Erlernen oder Testen grundlegender Logikfunktionen.Das Netzteil versorgt den IC mit stabilen 5 V und gewährleistet so den ordnungsgemäßen Betrieb der TTL-Logikfamilie.
• Geringer Stromverbrauch – Der SN74LS00N
![]()
SN74LS00N
Texas Instruments
IC GATE NAND 4CH 2-INP 14DIP
In Stock: 13200 pcs
arbeitet effizient bei minimalem Stromverbrauch und eignet sich daher für batteriebetriebene und energiesparende Anwendungen.
• Hohe Störfestigkeit – Gebaut mit TTL-Technologie (Transistor-Transistor-Logik), bietet es eine hohe Widerstandsfähigkeit gegen elektrisches Rauschen und gewährleistet einen stabilen und zuverlässigen Logikbetrieb in industriellen und digitalen Systemen.
• Schnelle Schaltgeschwindigkeit – Das Gerät bietet schnelle Reaktionszeiten, was ideal für zeitempfindliche Schaltkreise, Impulserzeugung und Logiksignalverarbeitung ist.
• Großer Betriebsspannungsbereich – Der Betrieb erfolgt typischerweise im Bereich von 4,75 V bis 5,25 V und ermöglicht so Flexibilität in vielen Standard-Logiksystemen ohne zusätzliche Regelkreise.
• Einfache Integration – Der SN74LS00N ist in einem standardmäßigen 14-Pin-PDIP-Gehäuse untergebracht und kann problemlos auf Steckbrettern und Leiterplatten montiert werden, was das Schaltungsdesign und die Prototypenerstellung vereinfacht.
• Mehrere Gates in einem Chip – Er umfasst vier unabhängige NAND-Gatter mit 2 Eingängen in einem einzigen IC, wodurch die Anzahl der Komponenten reduziert und Platz auf der Platine gespart wird.
• Begrenzter Spannungsbereich – Es ist hauptsächlich für 5-V-Logiksysteme konzipiert und daher weniger kompatibel mit modernen Niederspannungs-Digitalschaltungen, die 3,3 V oder weniger verwenden.
• Mäßiger Ausgangsantrieb – Die Ausgangsstromkapazität ist begrenzt, was möglicherweise nicht ausreicht, um schwere Lasten oder Hochstromgeräte direkt anzutreiben.
• Temperaturempfindlichkeit – Wie bei anderen TTL-Komponenten können extreme Temperaturschwankungen die Schaltleistung und Zuverlässigkeit leicht beeinträchtigen.
• In einigen Designs veraltet – Mit dem Aufkommen von CMOS-Logikfamilien wie 74HC00

74HC00
RENESAS
74HC00 FSC
In Stock: 6024 pcs
bieten neuere Alternativen einen geringeren Stromverbrauch und eine größere Spannungskompatibilität.
Der Hersteller des SN74LS00N
![]()
SN74LS00N
Texas Instruments
IC GATE NAND 4CH 2-INP 14DIP
In Stock: 13200 pcs
, Texas Instruments (TI), ist ein weltweit anerkannter Marktführer in der Halbleiterentwicklung und -fertigung, betreibt große Fertigungsanlagen und bietet ein breites Portfolio an analogen, digitalen und eingebetteten Verarbeitungs-ICs an.Mit etablierten globalen Fertigungs-, Verpackungs- und Testkapazitäten unterstützt TI Produkte der Logikfamilie in großen Stückzahlen wie die SN74LS00-Serie mit robuster Lieferkette, Produktion mit langem Lebenszyklus, Fertigwarenverpackung (einschließlich Tube, Tape-and-Reel, Cut Tape), Chargen-/Datumscode-Rückverfolgbarkeit und vollständiger technischer Dokumentation und Qualitätssicherung.
Der SN74LS00N
![]()
SN74LS00N
Texas Instruments
IC GATE NAND 4CH 2-INP 14DIP
In Stock: 13200 pcs
ist weiterhin ein zuverlässiger und vielseitiger Logik-IC für unzählige digitale Anwendungen.Mit seinem robusten Design, dem geringen Strombedarf und den schnellen Schaltfähigkeiten dient es als grundlegende Komponente in Timing-, Steuerungs- und Logikverarbeitungssystemen.Trotz neuerer CMOS-basierter Alternativen mit breiteren Spannungsbereichen bleibt der SN74LS00N aufgrund seiner Einfachheit, bewährten Leistung und breiten Verfügbarkeit eine bevorzugte Wahl.Ganz gleich, ob Sie einen Prototyp bauen oder ein bestehendes digitales System verbessern, der SN74LS00N liefert zuverlässige Leistung, gestützt auf die bewährte Qualität von Texas Instruments.
Der SN74LS00N ist für die Durchführung von NAND-Logikoperationen mithilfe von vier unabhängigen Gattern mit zwei Eingängen konzipiert und ist somit eine Kernkomponente für digitale Logiksteuerungs-, Timing- und Verarbeitungsanwendungen.
Obwohl der SN74LS00N in erster Linie für 5-V-Systeme konzipiert ist, kann er mit 3,3-V-Logikeingängen verbunden werden, allerdings kann die volle Funktionalität und Leistung in Niederspannungsumgebungen möglicherweise nicht garantiert werden.
Der SN74LS00N ist ein TTL-basiertes Gerät, während der 74HC00 CMOS-Technologie verwendet.Der 74HC00 verbraucht weniger Strom und unterstützt größere Spannungsbereiche, aber der SN74LS00N bietet schnelleres Schalten bei 5 V.
Der SN74LS00N bietet eine typische Ausbreitungsverzögerung von etwa 10 Nanosekunden und eignet sich für digitale Hochgeschwindigkeitsschaltungen, die ein präzises Timing erfordern.
Ja.Durch die Verbindung beider Eingänge eines NAND-Gatters kann der SN74LS00N als Logikinverter fungieren und bietet so eine einfache Möglichkeit, Logiksignale umzukehren.
Absolut.Sein standardmäßiges 14-Pin-PDIP-Gehäuse und seine Benutzerfreundlichkeit machen es perfekt für Experimente auf Steckbrettbasis und digitale Logik-Lernprojekte.
CAP CER 4.7UF 25V X5R 0805
IC ADC 16BIT 10-DFN
IC FPGA 600 I/O 1517FCBGA
IC RECEIVER 0/4 16SOIC
IC REG CTRLR BUCK 14TSSOP
IC MCU 8BIT 16KB MROM 64QFP
DC DC CONVERTER 24V 400W
ICS8741004BGILFT IDT
OPA4650U TI
CAP CER 100PF 50V X7R 0603
OR4E06-2BM680M ORCA
TMX320C6201BGJC31 TI
H 18/36/24 28V/ 14.3A



